Export Control
EAR Export Classification: Not subject to the EAR per 15 C.F.R. Chapter 1, Part 734.3(b)(3), except for the following Service Bulletins which are currently published as EAR Export Classification 9E991: SBE70-0992, SBE72-0483, SBE72-0580, SBE72-0588, SBE72-0640, SBE73-0209, SBE80-0024 and SBE80-0025.Copyright
© IAE International Aero Engines AG (2001, 2014 - 2021) The information contained in this document is the property of © IAE International Aero Engines AG and may not be copied or used for any purpose other than that for which it is supplied without the express written authority of © IAE International Aero Engines AG. (This does not preclude use by engine and aircraft operators for normal instructional, maintenance or overhaul purposes.).Applicability
All
Common Information
TASK 72-60-24-300-004 PMA Drive Housing - Repair The Bearing Mating Surface And Flanged Bushing, Repair-004 (VRS5073)
Material of component
RR | ||
|---|---|---|
DESCRIPTION | SYMBOL | MATERIAL |
Housing | - | Aluminum alloy |
Flanged bushing | - | Wrought aluminum base alloy |
General
NOTE
NOTE
Preliminary Requirements
Pre-Conditions
NONESupport Equipment
| Name | Manufacturer | Part Number / Identification | Quantity | Remark |
|---|---|---|---|---|
| FPI Inspection station | LOCAL | FPI Inspection station | ||
| IAE 3F10337 Drift, bushing (dia 74) | 0AM53 | IAE 3F10337 | 1 | |
| IAE 3F10428 Guide pin | 0AM53 | IAE 3F10428 | 1 | |
| Magnifying Glass, 5x | LOCAL | Magnifying Glass, 5x | ||
| Oven | LOCAL | Oven | ||
| Process Plating Tanks | LOCAL | Process plating tanks | ||
| Vibrating Marking Pencil | LOCAL | Vibrating Marking Pencil |
Consumables, Materials and Expendables
| Name | Manufacturer | Part Number / Identification | Quantity | Remark |
|---|---|---|---|---|
| CoMat 01-001 SOLVENT, DELETED | X111X | CoMat 01-001 |
Safety Requirements
NONEProcedure
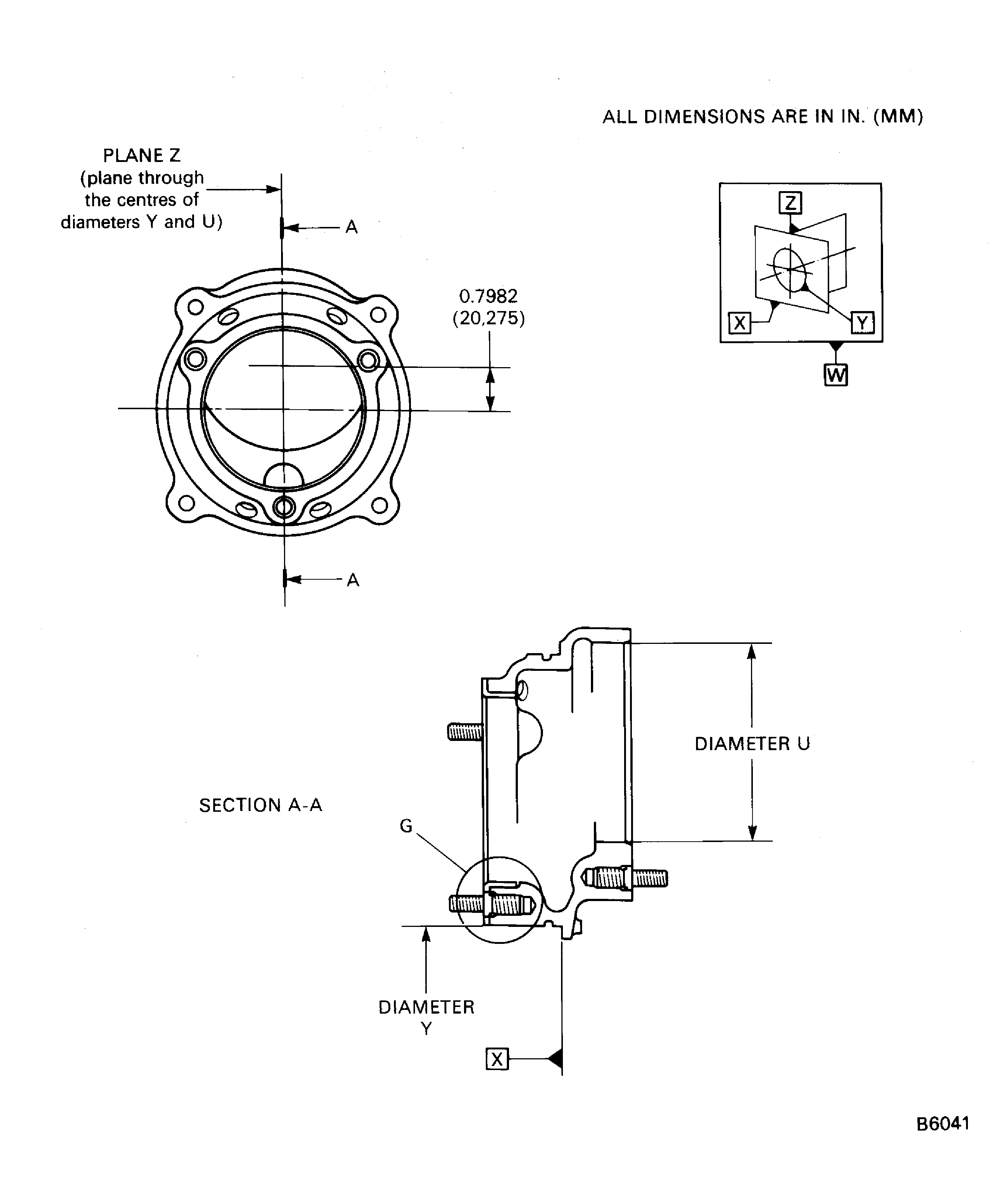
Refer to Figure.
Refer to Repair VRS5071, TASK 72-60-24-300-002.
Remove the studs and the lock rings.
SUBTASK 72-60-24-350-068 Remove the Studs and the Lock Rings
Refer to Figure.
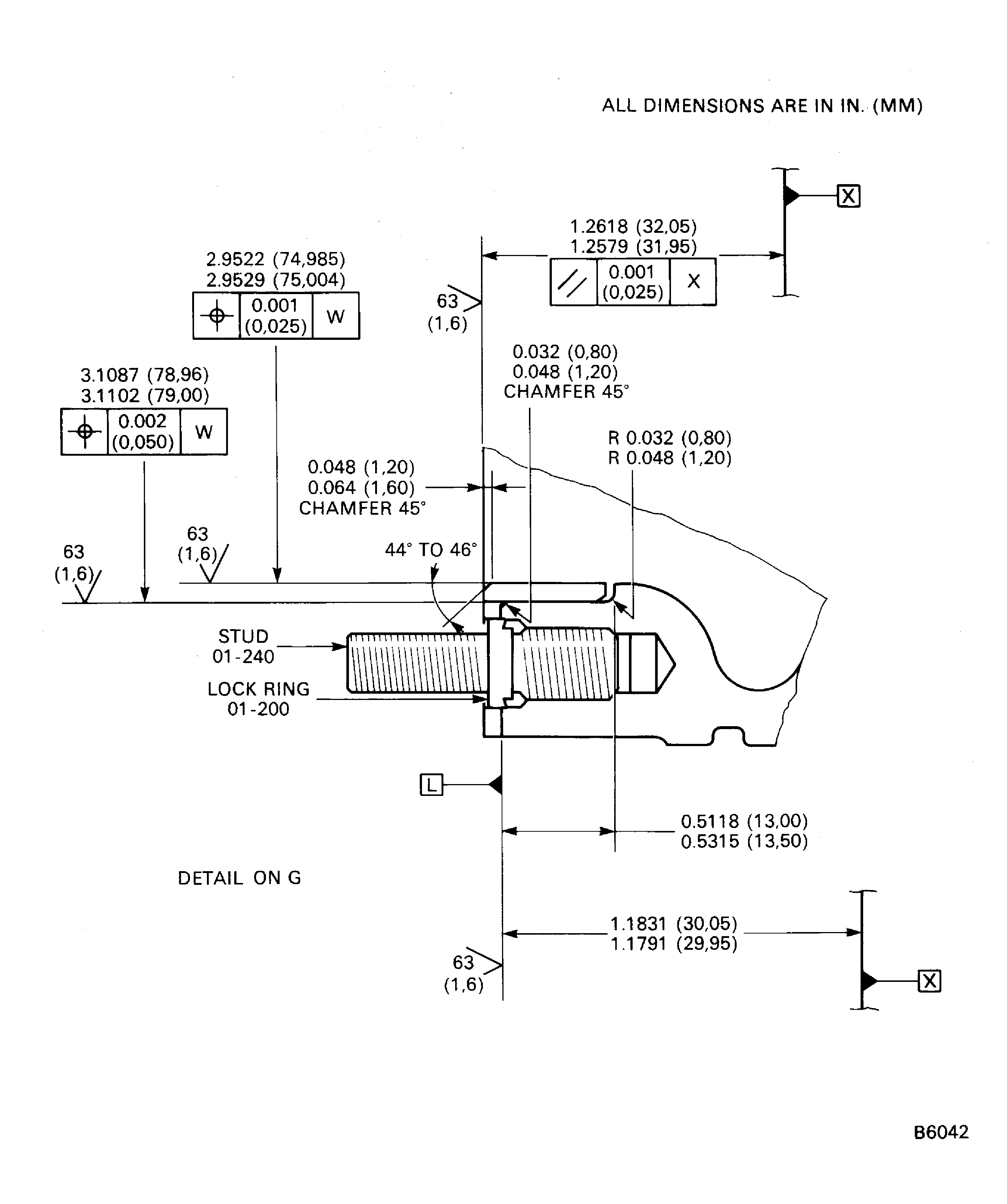
SUBTASK 72-60-24-320-068 Machine the Bearing Bore of the PMA Drive Housing
Refer to Figure.
SUBTASK 72-60-24-320-069 Machine the Bearing Mating Surface of the PMA Drive Housing
Use a Magnifying Glass, 5x.
Inspect the housing for cracks in the area of the bore.
SUBTASK 72-60-24-220-085 Examine the PMA Drive Housing
Refer to the SPM TASK 70-38-02-300-503.
Apply the chromate conversion coating to the machined surfaces.
SUBTASK 72-60-24-330-061 Apply the Chromate Conversion Coating
Refer to Figure.
Put IAE 3F10428 Guide pin 1 off in threaded hole in PMA support mating surface adjacent to machined bore.
Install guide pin.
Install the bushing on the IAE 3F10337 Drift, bushing (dia 74) 1 off.
Use an Oven and/or a freezer.
Do not increase the temperature of the housing above 284 deg F (140 deg C).
Do not decrease the temperature of the assembled drift and bushing below -58 deg F (-50 deg C).
Use protective gloves.

WARNING
DO NOT TOUCH THE HOT PARTS WITHOUT PROTECTIVE GLOVES.HOT PARTS CAN CAUSE REDDENING AND BLISTERING OF THE SKIN IF THE HANDS ARE NOT PROTECTED.IMMERSE THE CONTACTED AREA IN COLD WATER FOR 10 MINUTES IF THE SKIN IS BURNED. IMMEDIATELY GET MEDICAL ATTENTION IF PAIN OR BLISTERING PERSISTS.Increase the temperature of the housing and/or decrease the temperature of the assembled drift and bushing.
Use IAE 3F10337 Drift, bushing (dia 74) 1 off and an arbor press.
Give sufficient back-up support at bushing bore area to prevent housing distortion when you install the bushing.

CAUTION
INSTALL BUSHING IN MACHINED BORE IMMEDIATELY AFTER REMOVAL FROM FREEZER, OTHERWISE BUSHING CANNOT BE CORRECTLY INSTALLED.Install the bushing into machined bore.
SUBTASK 72-60-24-350-069 Install the Bushing
Refer to Figure.
SUBTASK 72-60-24-320-070 Machine the Inner Diameter of the Bushing
Refer to Figure.
SUBTASK 72-60-24-320-071 Machine the Flange Surface of the Bushing
Refer to TASK 70-38-02-300-503.
Apply the chromate conversion coating to the machined surfaces.
SUBTASK 72-60-24-330-062 Apply the Chromate Conversion Coating
Refer to Figure.
Refer to Repair VRS5071, TASK 72-60-24-300-002.
Install the new stud and the new lock rings.
SUBTASK 72-60-24-350-070 Install the New Studs
Figure: Repair The Bearing Mating Surface And Flanged Bushing In PMA Drive Housing
Repair The Bearing Mating Surface And Flanged Bushing In PMA Drive Housing

Figure: Repair The Bearing Mating Surface And Flanged Bushing In PMA Drive Housing
Repair The Bearing Mating Surface And Flanged Bushing In PMA Drive Housing

