DMC:V2500-A0-72-60-3104-01A-920A-CIssue No:002.00Issue Date:2014-05-01
Export Control
EAR Export Classification: Not subject to the EAR per 15 C.F.R. Chapter 1, Part 734.3(b)(3), except for the following Service Bulletins which are currently published as EAR Export Classification 9E991: SBE70-0992, SBE72-0483, SBE72-0580, SBE72-0588, SBE72-0640, SBE73-0209, SBE80-0024 and SBE80-0025.Copyright
© IAE International Aero Engines AG (2001, 2014 - 2021) The information contained in this document is the property of © IAE International Aero Engines AG and may not be copied or used for any purpose other than that for which it is supplied without the express written authority of © IAE International Aero Engines AG. (This does not preclude use by engine and aircraft operators for normal instructional, maintenance or overhaul purposes.).Applicability
All
Common Information
TASK 72-60-31-300-004 Deoiler Casing - Repair The Housing Bore Of The Magnetic Chip Detector By Threaded Insert, Repair-004 (VRS5429)
General
Price and availability - none
The practices and processes referred to in the procedure by the TASK numbers are in the SPM.
NOTE
Consumable materials are given in the SPM.
Preliminary Requirements
Pre-Conditions
NONESupport Equipment
| Name | Manufacturer | Part Number / Identification | Quantity | Remark |
|---|---|---|---|---|
| Workshop inspection equipment | LOCAL | Workshop inspection equipment | ||
| Grinding machine | LOCAL | Grinding machine | ||
| Magnifying glass | LOCAL | Magnifying glass |
Consumables, Materials and Expendables
| Name | Manufacturer | Part Number / Identification | Quantity | Remark |
|---|---|---|---|---|
| CoMat 10-077 APPROVED ENGINE OILS | LOCAL | CoMat 10-077 |
Spares
| Name | Manufacturer | Part Number / Identification | Quantity | Remark |
|---|---|---|---|---|
| Insert, Screw Thread | 4P7299 | 1 | ||
| Packing | AS3208-11 | 1 |
Safety Requirements
NONEProcedure
Refer to the SPM TASK 70-38-02-300-503.
Apply the chromate conversion coating to the machined surfaces and to the threads.
SUBTASK 72-60-31-330-051 Apply the Chromate Conversion Coating
Refer to the SPM TASK 70-09-00-400-501.
Make a mark VRS5429 adjacent to the part number.
SUBTASK 72-60-31-350-052 Identify the Repair
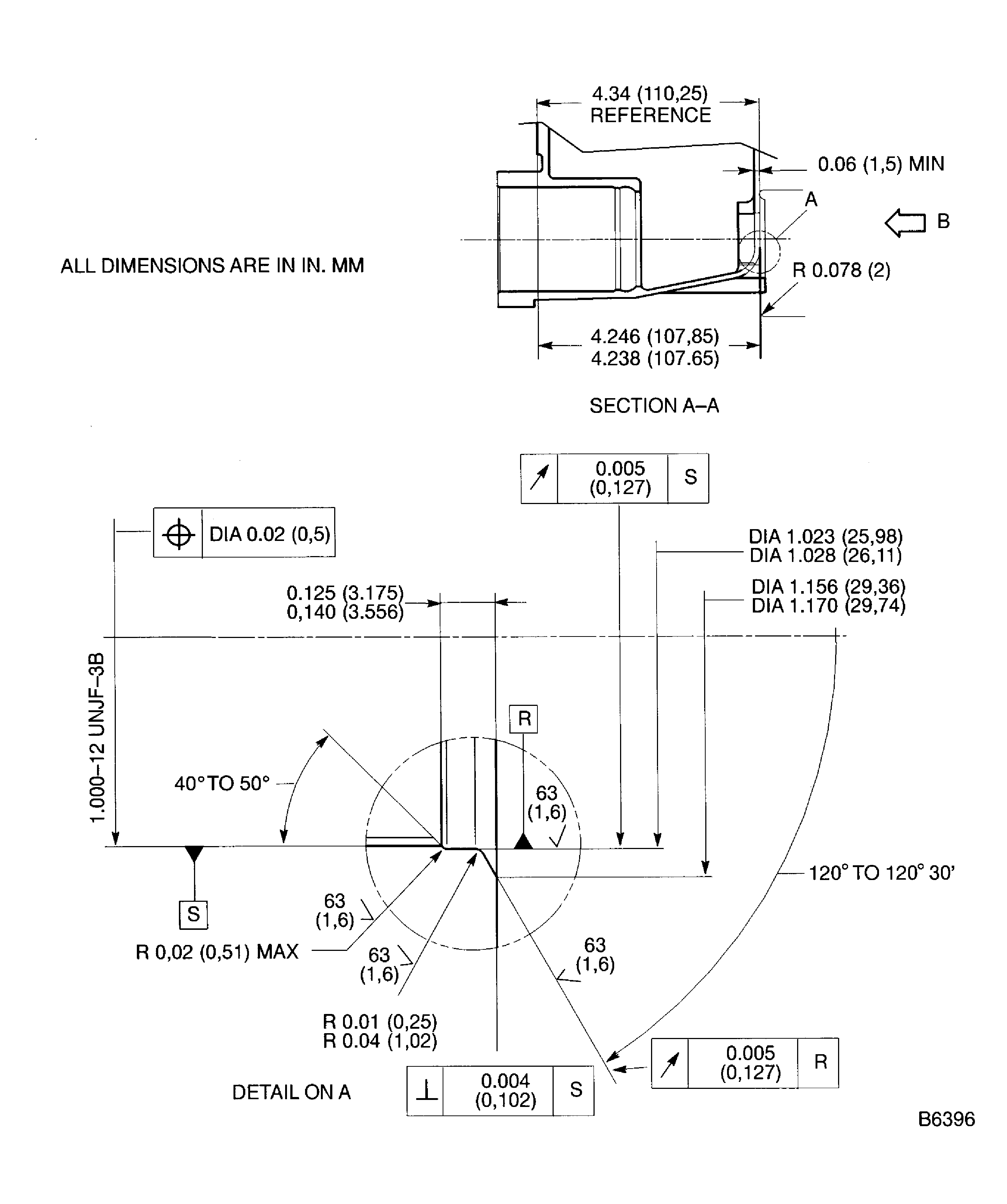
Figure: Repair details and dimensions
Repair details and dimensions

Figure: Repair details and dimensions
Repair details and dimensions

