Export Control
EAR Export Classification: Not subject to the EAR per 15 C.F.R. Chapter 1, Part 734.3(b)(3), except for the following Service Bulletins which are currently published as EAR Export Classification 9E991: SBE70-0992, SBE72-0483, SBE72-0580, SBE72-0588, SBE72-0640, SBE73-0209, SBE80-0024 and SBE80-0025.Copyright
© IAE International Aero Engines AG (2001, 2014 - 2021) The information contained in this document is the property of © IAE International Aero Engines AG and may not be copied or used for any purpose other than that for which it is supplied without the express written authority of © IAE International Aero Engines AG. (This does not preclude use by engine and aircraft operators for normal instructional, maintenance or overhaul purposes.).Applicability
All
Common Information
TASK 72-60-32-300-005 Angle Gearbox Support - Repair The Pin By Bushing, Repair-005 (VRS5114)
Material of component
PART IDENT | IAE SYMBOL | MATERIAL |
|---|---|---|
Casing | - | Aluminum alloy |
Bushing | AMS4152 AA2024-T3 | Wrought aluminum base alloy |
Pin | - | Steel |
General
Price and availability - none
The practices and processes referred to in the procedure by the TASK numbers are in the SPP.
NOTE
Preliminary Requirements
Pre-Conditions
NONESupport Equipment
| Name | Manufacturer | Part Number / Identification | Quantity | Remark |
|---|---|---|---|---|
| Arbor Press | LOCAL | Arbor press | ||
| Freezer | LOCAL | Freezer | ||
| Gloves | LOCAL | Gloves | ||
| Magnifying Glass | LOCAL | Magnifying Glass | ||
| Oven | LOCAL | Oven | ||
| Workshop inspection equipment | LOCAL | Workshop inspection equipment |
Consumables, Materials and Expendables
NONESafety Requirements
NONEProcedure
Refer to the SPM TASK 70-38-02-300-503.
Apply chromate conversion coating to machined surfaces.
SUBTASK 72-60-32-330-074 Apply the Chromate Conversion Coating
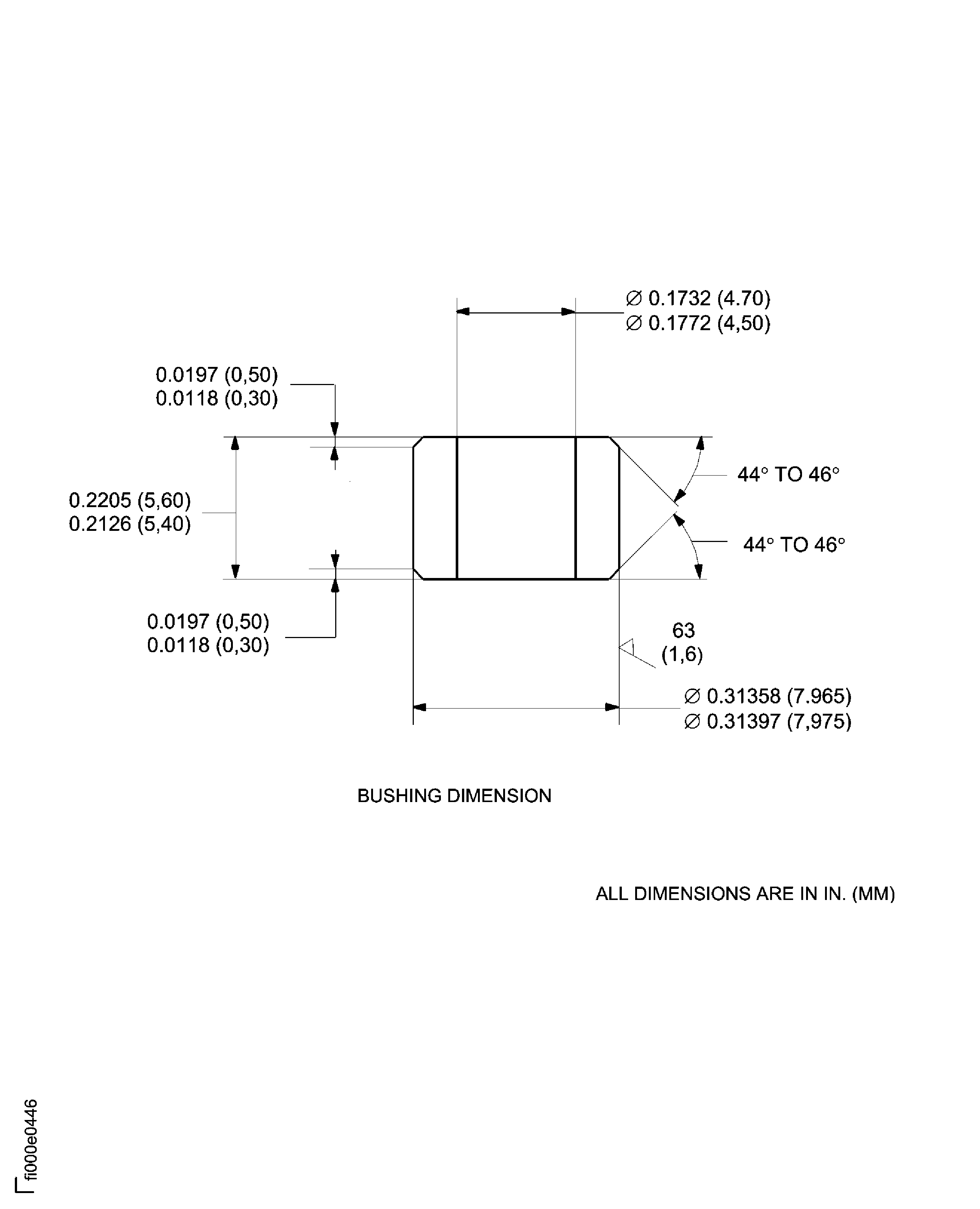
Refer to Figure.
Refer to the SPM TASK 70-38-02-300-503.
Apply chromate conversion coating to the machined surfaces.
SUBTASK 72-60-32-320-084 Produce a Bushing
Do not increase temperature of housing above 284 deg F (140 deg C).
Do not decrease temperature of bushing below minus 58 deg F (minus 50 deg C).

WARNING
DO NOT TOUCH HOT PARTS WITHOUT PROTECTIVE GLOVES. HOT PARTS CAN CAUSE REDDENING AND BLISTERING OF THE SKIN IF THE HANDS ARE NOT PROTECTED. PUT THE CONTACTED AREA IN COLD WATER FOR 10 MINUTES IF THE SKIN IS BURNED GET MEDICAL AID IF PAIN OR BLISTERING CONTINUES.Increase temperature of casing and/or decrease temperature of bushing.
SUBTASK 72-60-32-350-089 Install the Bushing
Refer to the SPM TASK 70-38-02-300-503.
Apply chromate conversion coating to machined surfaces of bushing.
SUBTASK 72-60-32-330-075 Apply the Chromate Conversion Coating
Refer to Figure.
SUBTASK 72-60-32-350-091 Install the New Pin
Refer to the SPM TASK 70-09-00-400-501, SUBTASK 70-09-00-400-001 .
Make a mark VRS5114 adjacent to the part number.
SUBTASK 72-60-32-350-092 Record the Repair
Figure: Repair Details And Dimensions
Sheet 1

Figure: Repair Details And Dimensions
Sheet 2

Figure: Repair Details And Dimensions
Sheet 3

