Export Control
EAR Export Classification: Not subject to the EAR per 15 C.F.R. Chapter 1, Part 734.3(b)(3), except for the following Service Bulletins which are currently published as EAR Export Classification 9E991: SBE70-0992, SBE72-0483, SBE72-0580, SBE72-0588, SBE72-0640, SBE73-0209, SBE80-0024 and SBE80-0025.Copyright
© IAE International Aero Engines AG (2001, 2014 - 2021) The information contained in this document is the property of © IAE International Aero Engines AG and may not be copied or used for any purpose other than that for which it is supplied without the express written authority of © IAE International Aero Engines AG. (This does not preclude use by engine and aircraft operators for normal instructional, maintenance or overhaul purposes.).Applicability
V2500-A5
Common Information
TASK 71-00-02-000-020-B00 (A5-PPBU) - Remove The Open Latch Indicator, Removal-020
General
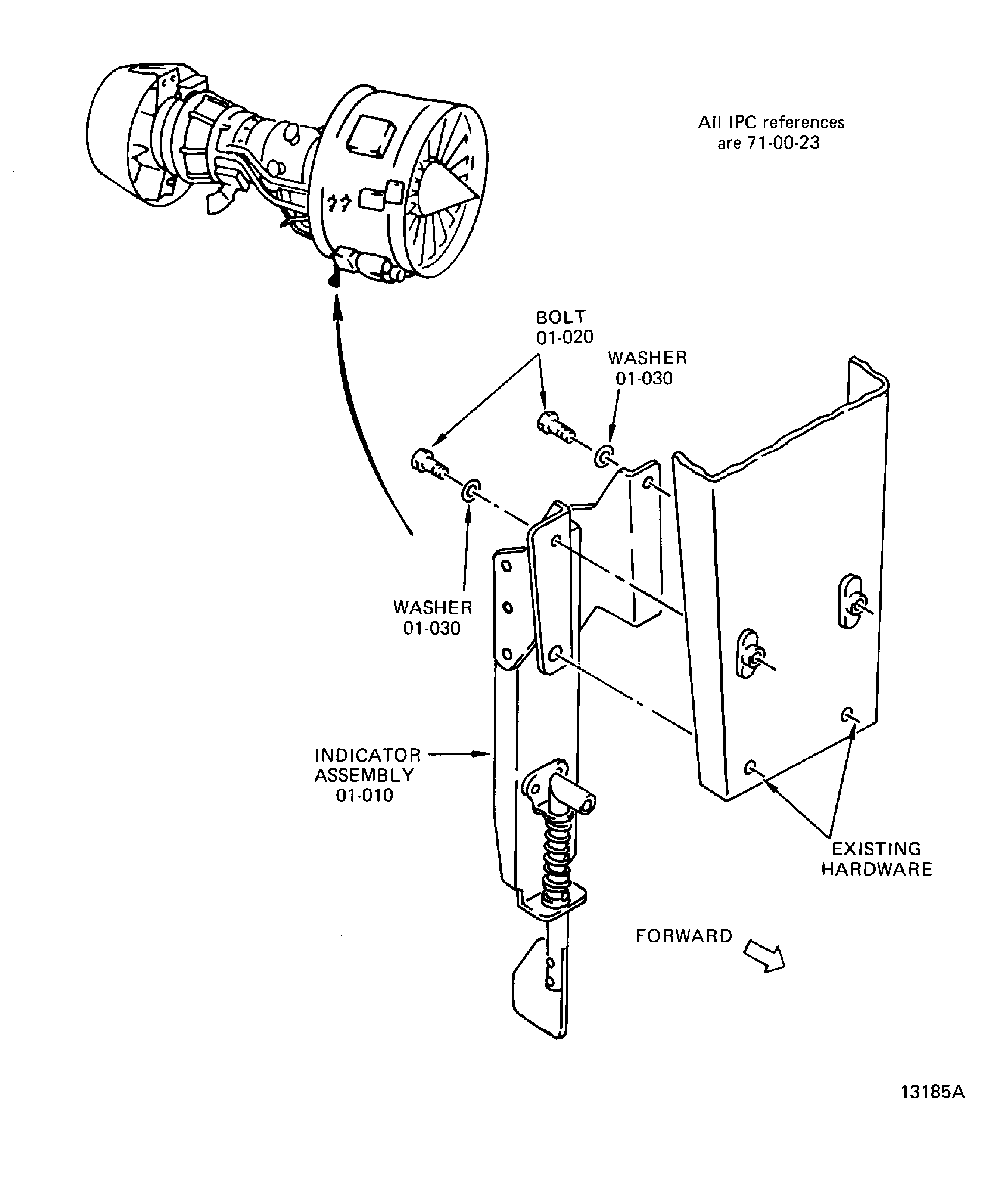
Fig/item numbers in parentheses in the procedure agree with those used in the EIPC. Only the primary Fig/item numbers are used. For the service bulletin alpha variants refer to the EIPC.
For all the parts identified in a different ATA Chapter/Section/Subject, the applicable ATA Chapter/Section/Subject comes before the Fig/item number.
Apply the approved CoMat 10-058 PENETRATING OIL before the removal of threaded parts and parts with an interference fit. Let the parts soak before removal.
NOTE
Preliminary Requirements
Pre-Conditions
NONESupport Equipment
NONEConsumables, Materials and Expendables
| Name | Manufacturer | Part Number / Identification | Quantity | Remark |
|---|---|---|---|---|
| CoMat 10-058 PENETRATING OIL | 0AM53 | CoMat 10-058 |
Spares
NONESafety Requirements
NONEProcedure
Refer to Figure.
Remove the two upper bolts FORWARD OPEN LATCH INDICATOR-THRUST REVERSER (71-00-23, 01-020) and washers FORWARD OPEN LATCH INDICATOR-THRUST REVERSER (71-00-23, 01-030) and the two lower bolts that attach the latch-open indicator FORWARD OPEN LATCH INDICATOR-THRUST REVERSER (71-00-23, 01-010) mounting bracket to the fan case.
SUBTASK 71-00-02-050-009 Remove the Forward Latch-Open Indicator
Refer to Figure.
Pre SBE 72-0435: Remove two of the three bolts, washers and nuts which attach the open latch indicator to the No. 6 strut fairing panel/panel support bracket (at the bottom position). Remove the open latch indicator and the two shims.
SBE 72-0435: There are only two bolts, washers and nuts which attach the open latch indicator to the No. 6 strut fairing panel/panel support bracket (at the bottom position).
SUBTASK 71-00-02-020-067 Remove the Open Latch Indicator (Pre SBE 72-0435 and SBE 72-0435)
Figure: Forward Latch-Open Indicator
Forward Latch-Open Indicator

Figure: Remove the Open Latch Indicator
Remove the Open Latch Indicator

