Export Control
EAR Export Classification: Not subject to the EAR per 15 C.F.R. Chapter 1, Part 734.3(b)(3), except for the following Service Bulletins which are currently published as EAR Export Classification 9E991: SBE70-0992, SBE72-0483, SBE72-0580, SBE72-0588, SBE72-0640, SBE73-0209, SBE80-0024 and SBE80-0025.Copyright
© IAE International Aero Engines AG (2001, 2014 - 2021) The information contained in this document is the property of © IAE International Aero Engines AG and may not be copied or used for any purpose other than that for which it is supplied without the express written authority of © IAE International Aero Engines AG. (This does not preclude use by engine and aircraft operators for normal instructional, maintenance or overhaul purposes.).Applicability
V2500-A5
Common Information
TASK 72-00-60-050-002-B00 External Gearbox Components - Remove The Fuel Metering Unit (FMU), Removal-006
General
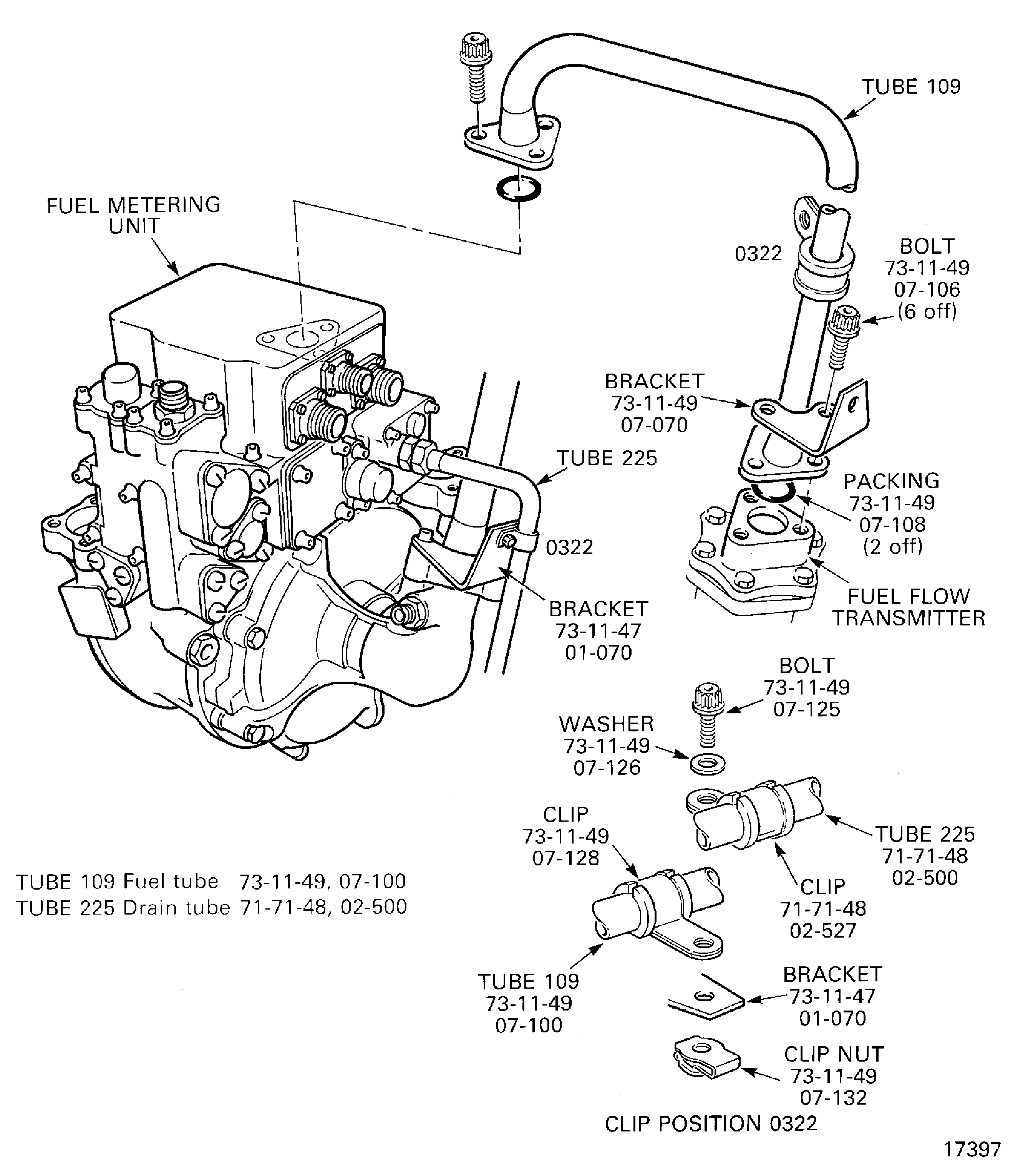
Fig/item numbers in parentheses in the procedure agree with those used in the IPC. Only the primary Fig/item numbers are used. For the service bulletin alpha variants refer to the IPC.
For all parts identified in a different Chapter/Section/Subject, the applicable Chapter/Section/Subject comes before the Fig/item number.
Apply the approved CoMat 10-058 PENETRATING OIL before the removal of threaded parts. Let the parts soak before removal.
Remove and discard the lockwire before the tube or connector is disconnected.
When electrical connections are disconnected, special plastic caps must be installed.
Seal all openings to prevent contamination from unwanted materials.
Discard all rubber seal rings removed in this procedure.
NOTE
Preliminary Requirements
Pre-Conditions
NONESupport Equipment
NONEConsumables, Materials and Expendables
| Name | Manufacturer | Part Number / Identification | Quantity | Remark |
|---|---|---|---|---|
| CoMat 06-086 TIES | 18992 | CoMat 06-086 | ||
| CoMat 10-058 PENETRATING OIL | 0AM53 | CoMat 10-058 |
Spares
NONESafety Requirements
NONEProcedure
Refer to Figure.
Disconnect the electrical connectors 4000KC-A, 4000KC-B and 4000KC-C from the FMU (see Figure).
Temporarily attach the EEC harness clear of the FMU with CoMat 06-086 TIES.
SUBTASK 72-00-60-050-129 Electrically Disconnect the FMU
Remove the nuts, bolts, clipnuts, washers and spacers from the clip positions 1072, 0789, 0921, 0795 and 0922 (see Figure).
With an applicable container in position remove the tube closure nut from the tube 104 (see Figure) and drain the fuel. Install the tube closure nut.
SUBTASK 72-00-60-050-130 Remove the LP Fuel Tubes (102 and 116)
Refer to Figure.
SUBTASK 72-00-60-050-131 Remove the LP Fuel Tube (90) and the Fuel Pump Drain Tube (104)
Refer to Figure.
SBE 79-0047: Remove the nut, bolt, washer, spacer and clips from the clip position 1397.
SUBTASK 72-00-60-050-133 Remove the Fuel Servo Return Tube (103) (Pre SBE 79-0047 and SBE 79-0047)
SBE 79-0047: Replacement of pressure indicating tubes
NOTE
Some fuel drainage could occur during this procedure. It is recommended that an applicable container be available.Remove the bolt, clipnut and washer from the clip position 0322 (see Figure).
Remove the three bolts that attach the tube 109 to the Fuel Flow Transmitter. Remove the bracket ENGINE FUEL AND CONTROL-FUEL SYSTEM TUBES-ENGINE (73-11-49, 07-070), the tube 109 and the two packings.
Remove the tube 109.
SUBTASK 72-00-60-050-134 Remove the HP Fuel Supply Tube (109) and Disconnect the Fuel Drain Tube (225)
NOTE
Some fuel drainage could occur during this procedure. It is recommended that an applicable container be available.Refer to Figure.
NOTE
The FMU must have its maintenance completed, as given in the Lucas Component Maintenance Manual (73-22-52).Hold the weight of the FMU and remove the four bolts that attach the FMU to the fuel pump. Remove the FMU and remove the sealing ring (see Figure).
SUBTASK 72-00-60-050-135 Remove the Fuel Metering Unit

WARNING
BE CAREFUL DURING REMOVAL OF THE FMU BECAUSE IT WEIGHS 20LB (9KG).NOTE
Some fuel drainage could occur during this procedure. It is recommended that an applicable container be available.
Figure: Remove the fuel metering unit
Remove the fuel metering unit

Figure: Remove the fuel metering unit
Remove the fuel metering unit

Figure: Remove the fuel metering unit
Remove the fuel metering unit

Figure: Remove the fuel metering unit
Remove the fuel metering unit

Figure: Remove the fuel metering unit
Remove the fuel metering unit

Figure: Remove the fuel metering unit
Remove the fuel metering unit

Figure: Remove the fuel metering unit
Remove the fuel metering unit

Figure: Remove the fuel metering unit
Remove the fuel metering unit

Figure: Remove the fuel metering unit
Remove the fuel metering unit

Figure: Remove the fuel metering unit
Remove the fuel metering unit

Figure: Remove the fuel metering unit
Remove the fuel metering unit

Figure: Remove the fuel metering unit
Remove the fuel metering unit

Figure: Remove the fuel metering unit
Remove the fuel metering unit

