Export Control
EAR Export Classification: Not subject to the EAR per 15 C.F.R. Chapter 1, Part 734.3(b)(3), except for the following Service Bulletins which are currently published as EAR Export Classification 9E991: SBE70-0992, SBE72-0483, SBE72-0580, SBE72-0588, SBE72-0640, SBE73-0209, SBE80-0024 and SBE80-0025.Copyright
© IAE International Aero Engines AG (2001, 2014 - 2021) The information contained in this document is the property of © IAE International Aero Engines AG and may not be copied or used for any purpose other than that for which it is supplied without the express written authority of © IAE International Aero Engines AG. (This does not preclude use by engine and aircraft operators for normal instructional, maintenance or overhaul purposes.).Applicability
V2500-A5
Common Information
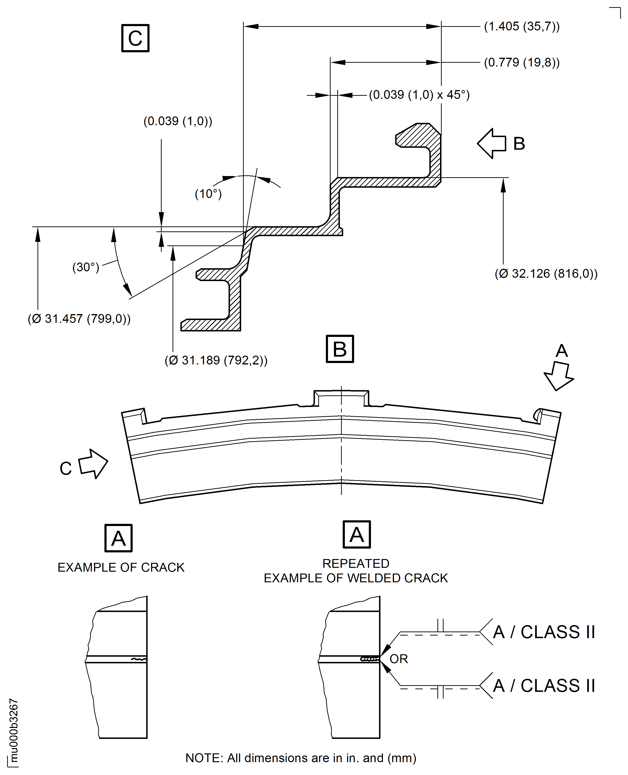
TASK 72-50-23-300-075 LPT Stage 3 Shroud Seal Segment - Weld Repair Cracks, Repair-075 (VRS4634)
General
Price and availability - none
The practices and processes referred to in this procedure by the TASK number are in the SPM.
Make sure that the necessary cleaning and inspection procedures are done before this repair.
Before repair remove the honeycomb, refer to VRS4567 TASK 72-50-23-300-065 (Repair-065).
After repair replace the honeycomb, refer to VRS4567 TASK 72-50-23-300-065 (Repair-065).
NOTE
NOTE
Preliminary Requirements
Pre-Conditions
NONESupport Equipment
| Name | Manufacturer | Part Number / Identification | Quantity | Remark |
|---|---|---|---|---|
| Hand held grinder | LOCAL | Hand held grinder |
Consumables, Materials and Expendables
| Name | Manufacturer | Part Number / Identification | Quantity | Remark |
|---|---|---|---|---|
| CoMat 03-197 WELDING FILLER WIRE | CoMat 03-197 |
Spares
NONESafety Requirements
NONEProcedure
Refer to Figure.
Use Hand held grinder.
Keep material removal to a minimum to remove cracks. Remove all braze material from area A5.
Refer to SPM TASK 70-31-13-310-501.
If crack goes through, V-groove to half depth and weld up. After this, V-groove from other surface until weld seam as necessary.
Weld other side as usual.
Completely V-groove the full length of the crack.
SUBTASK 72-50-23-320-005 Prepare the Surfaces before Welding
Refer to SPM TASK 70-31-13-310-501.
Clean the areas around the cracks.
SUBTASK 72-50-23-110-010 Clean the Stage 3 Shroud Seal Segment
Refer to SPM TASK 70-31-13-310-501.
For welding up through cracks refer to Step.
Gas tungsten arc weld the cracks at areas A3 and A4.
SUBTASK 72-50-23-310-005 Weld Repair the Stage 3 Shroud Seal Segment
Refer to SPM TASK 70-23-02-230-501.
No cracks are permitted.
Do the test for cracks.
SUBTASK 72-50-23-230-005 Examine the Welded Areas for Cracks
Welded areas must be equal to the original contours and must be flush with the adjacent surfaces.
Use Hand held grinder.

CAUTION
DO NOT OVERHEAT THE AREAS TO BE DRESSED.Dress the welds.
SUBTASK 72-50-23-320-006 Dress the Welded Areas
Refer to SPM TASK 70-11-03-300-503.
Aqueous cleaning
SUBTASK 72-50-23-110-011 Clean the Stage 3 Shroud Seal Segment
Figure: Repair Details and Dimensions
Repair Details and Dimensions

Figure: Repair Details and Dimensions
Repair Details and Dimensions

Figure: Repair Details and Dimensions
Repair Details and Dimensions

