Export Control
EAR Export Classification: Not subject to the EAR per 15 C.F.R. Chapter 1, Part 734.3(b)(3), except for the following Service Bulletins which are currently published as EAR Export Classification 9E991: SBE70-0992, SBE72-0483, SBE72-0580, SBE72-0588, SBE72-0640, SBE73-0209, SBE80-0024 and SBE80-0025.Copyright
© IAE International Aero Engines AG (2001, 2014 - 2021) The information contained in this document is the property of © IAE International Aero Engines AG and may not be copied or used for any purpose other than that for which it is supplied without the express written authority of © IAE International Aero Engines AG. (This does not preclude use by engine and aircraft operators for normal instructional, maintenance or overhaul purposes.).Applicability
All
Common Information
TASK 72-00-60-050-007 External Gearbox Components - Remove The Scavenge Oil Pump, Removal-011
General
Fig/item numbers in parentheses in the procedure agree with those used in the IPC. Only the primary Fig/item numbers are used. For the service bulletin alpha variants refer to the IPC.
Apply the approved CoMat 10-058 PENETRATING OIL before the removal of the threaded parts and parts with an interface fit. Let the parts soak before removal.
Remove and discard the lockwire before parts are disconnected or removed.
Discard all rubber seal rings, cotter pins and seal washers removed in this procedure.
NOTE
NOTE
Preliminary Requirements
Pre-Conditions
NONESupport Equipment
| Name | Manufacturer | Part Number / Identification | Quantity | Remark |
|---|---|---|---|---|
| Container - Minimum capacity of about 10 USgal (38 l) | LOCAL | Container - Minimum capacity of about 10 USgal (38 l) | ||
| IAE 1R18001 Wrench | 0AM53 | IAE 1R18001 | 1 |
Consumables, Materials and Expendables
| Name | Manufacturer | Part Number / Identification | Quantity | Remark |
|---|---|---|---|---|
| CoMat 10-058 PENETRATING OIL | X222X | CoMat 10-058 |
Spares
NONESafety Requirements
NONEProcedure
Release and remove the oil drain plug ENGINE-MAIN GEARBOX CASE AND FITTINGS (72-60-21, 01-120) from the front flange of the main gearbox casing, below the oil pressure pump. Discard the packing from the plug.

WARNING
DO NOT GET ENGINE OIL ON YOUR SKIN FOR LONG PERIODS. THE OIL IS POISONOUS AND CAN BE ABSORBED BY YOUR BODY.TO RELEASE THE TANK PRESSURE, DO NOT REMOVE THE OIL TANK CAP FOR FIVE MINUTES AFTER THE ENGINE STOPS. THE HOT OIL IS DANGEROUS.
CAUTION
DO NOT LET THE ENGINE MOTOR WHEN THE OIL IS DRAINED.Drain the oil tank.
Remove the Left-Hand Gearbox magnetic chip detector (MCD). Refer to TASK 72-00-00-050-001 (REMOVAL-001).
Remove the MCD housing Magnetic Chip Detector (79-22-45, 01-120).
Unscrew and remove the MCD housing. Discard the lockwire. Let the oil drain into a container.
Remove and discard the seal ring Magnetic Chip Detector (79-22-45, 01-140) from the MCD housing.
Drain the external gearbox.
SUBTASK 72-00-60-050-102 Drain the Engine Oil System
Refer to Figure.
SUBTASK 72-00-60-050-103 Remove the Oil Feed Tube (179)
Refer to Figure.
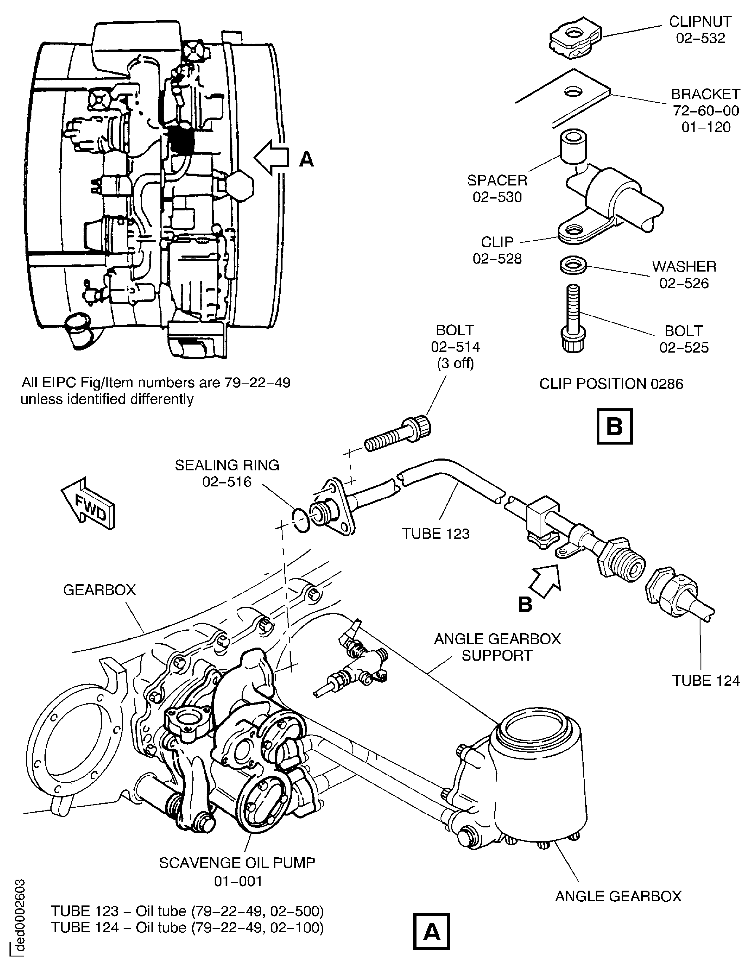
Disconnect the scavenge tube (123) from the scavenge tube (124). Use IAE 1R18001 Wrench 1 off.
SUBTASK 72-00-60-050-148 Remove the Scavenge Tube (123) from the Scavenge Oil Pump (Pre SBE 79-0056)
Refer to Figure.
Disconnect the scavenge tube (123) from the scavenge tube (124). Use IAE 1R18001 Wrench 1 off.
SUBTASK 72-00-60-050-148-A00 Remove the Scavenge Tube (123) from the Scavenge Oil Pump (SBE 79-0056)
SBE 79-0056: Scavenge tubes re-routed and repositioned on the scavenge oil pump
Refer to Figure.

CAUTION
MAKE SURE THAT THE STRAINER DOES NOT FALL DURING THE REMOVAL OF THE SCAVENGE PUMP.
CAUTION
USE A DULL EDGE TOOL (IE. SMOOTH PUTTY KNIFE) TO SEPARATE THE PUMP FROM THE GEARBOX FLANGE. PAY ATTENTION TO THE PILOTING DIAMETER OF THE PUMP IN ORDER TO AVOID DAMAGE TO THE SEALING SURFACES.Remove the four nuts and washers which attach the scavenge oil pump to the gearbox casing.
SUBTASK 72-00-60-050-105 Remove the Scavenge Oil Pump (Pre SBE 79-0056)
Refer to Figure.

CAUTION
MAKE SURE THAT THE STRAINER DOES NOT FALL DURING THE REMOVAL OF THE SCAVENGE PUMP.
CAUTION
USE A DULL EDGE TOOL (IE. SMOOTH PUTTY KNIFE) TO SEPARATE THE PUMP FROM THE GEARBOX FLANGE. PAY ATTENTION TO THE PILOTING DIAMETER OF THE PUMP IN ORDER TO AVOID DAMAGE TO THE SEALING SURFACES.Remove the four nuts and washers which attach the scavenge oil pump to the gearbox casing.
SUBTASK 72-00-60-050-105-A00 Remove the Scavenge Oil Pump (SBE 79-0056)
SBE 79-0056: Scavenge tubes re-routed and repositioned on the scavenge oil pump
Figure: Oil feed tube 179
Oil feed tube 179

Figure: Scavenge oil tubes on the scavenge oil pump
Sheet 1

Figure: Scavenge oil tubes 107 and 108 on the scavenge oil pump
Sheet 2

Figure: Pre SBE 79-0056: Scavenge oil tube 123
Sheet 1

Figure: SBE 79-0056: Scavenge oil tube 123
Sheet 2

Figure: Pre SBE 79-0056: Scavenge oil pump
Sheet 1

Figure: SBE 79-0056: Scavenge oil pump
Sheet 2

