Export Control
EAR Export Classification: Not subject to the EAR per 15 C.F.R. Chapter 1, Part 734.3(b)(3), except for the following Service Bulletins which are currently published as EAR Export Classification 9E991: SBE70-0992, SBE72-0483, SBE72-0580, SBE72-0588, SBE72-0640, SBE73-0209, SBE80-0024 and SBE80-0025.Copyright
© IAE International Aero Engines AG (2001, 2014 - 2021) The information contained in this document is the property of © IAE International Aero Engines AG and may not be copied or used for any purpose other than that for which it is supplied without the express written authority of © IAE International Aero Engines AG. (This does not preclude use by engine and aircraft operators for normal instructional, maintenance or overhaul purposes.).Applicability
All
Common Information
TASK 72-32-52-200-001 No. 2 Bearing - Examine, Inspection-001
General
This TASK gives the procedure for the inspection of the No. 2 roller bearing assembly.
Fig./item numbers in parentheses in the procedure agree with those used in the IPC.
For names of bearing components, refer to the SPM TASK 70-29-00-220-501.
The policy that is necessary for inspection is given in the SPM TASK 70-29-00-220-501.
All the parts must be cleaned before any part is examined. Refer to the SPM TASK 70-11-22-300-503.
All parts must be visually examined for damage, corrosion and wear. Any defects that are not identified in the procedure must be referred to IAE.
Do not discard any part until you are sure there are no repairs available. Refer to the instructions in Repair before a discarded part is used again or oversize parts are installed.
Parts which should be discarded can be held although no repair is available. The repair of a discarded part could be shown to be necessary at a later date.
All the parts must be examined to make sure that all the repairs have been completed satisfactorily.
The practices and processes referred to in the procedure by the TASK numbers are in the SPM.
Bearings failing inspection must not be repaired or refurblished if;
They have been subjected to overheating because of loss of oil, the inner ring spinning on its hub, a compartment fire, or skidding.
They were involved in a major engine failure.
References
Refer to the SPM for the data on these items
Definitions of damages, SPM TASK 70-29-01-290-501
Inspection of parts, SPM TASK 70-29-00-220-501
Some data on these items are contained in this TASK. For more data on these items refer to the SPM.
Chemical Processes
Surface Protection
Preliminary Requirements
Pre-Conditions
NONESupport Equipment
| Name | Manufacturer | Part Number / Identification | Quantity | Remark |
|---|---|---|---|---|
| Rockwell A (HRA) tester | LOCAL | Rockwell A (HRA) tester |
Consumables, Materials and Expendables
NONESpares
NONESafety Requirements
NONEProcedure
Clean the bearing and its components. Refer to TASK 72-32-52-100-000 (CLEANING-000).
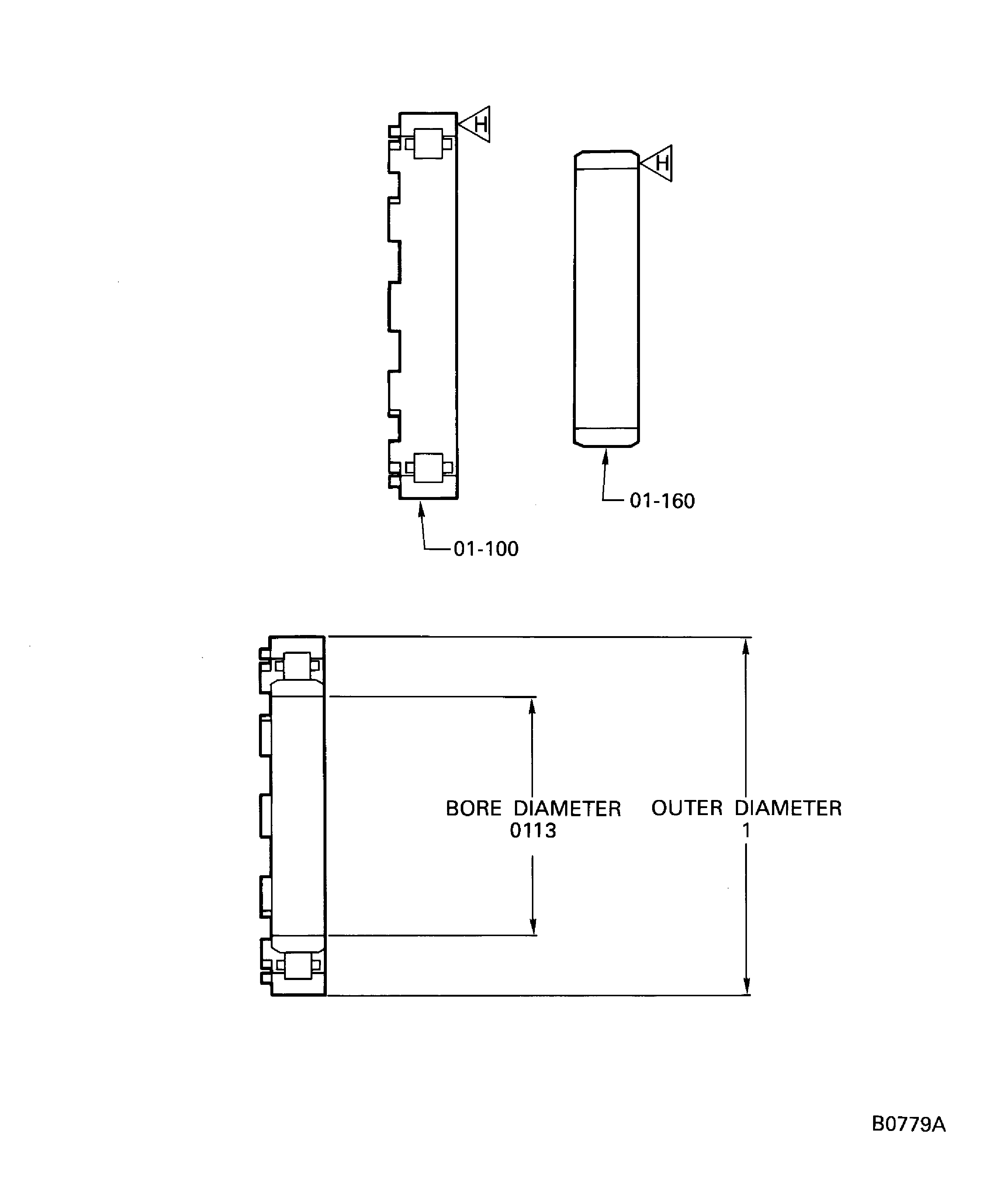
SUBTASK 72-32-52-110-053 Clean the No. 2 Roller Bearing (01-100 and 01-160)
Visually inspect, without magnification, the bearing and its components, checking in particular for defects as shown in SPM TASK 70-29-01-290-501.
SUBTASK 72-32-52-220-051 Visually inspect the No. 2 Roller Bearing (01-100 and 01-160) for Surface Damages
Refer to Figure
Out of Step
Check must be made at location which is marked H on Figure, use a Rockwell A (HRA) tester or equivalent.
SUBTASK 72-32-52-220-053 Hardness Check the No. 2 Roller Bearing (01-100 and 01-160)
NOTE
Only do the hardness check if the bearing shows signs of high temperature discoloration.Clean the bearing by dipping in the compound. Refer to the SPM TASK 70-29-01-290-501.
SUBTASK 72-32-52-620-051 Preserve the No. 2 Roller Bearing (01-100 and 01-160)
Figure: No. 2 roller bearing assembly
No. 2 roller bearing assembly

