Export Control
EAR Export Classification: Not subject to the EAR per 15 C.F.R. Chapter 1, Part 734.3(b)(3), except for the following Service Bulletins which are currently published as EAR Export Classification 9E991: SBE70-0992, SBE72-0483, SBE72-0580, SBE72-0588, SBE72-0640, SBE73-0209, SBE80-0024 and SBE80-0025.Copyright
© IAE International Aero Engines AG (2001, 2014 - 2021) The information contained in this document is the property of © IAE International Aero Engines AG and may not be copied or used for any purpose other than that for which it is supplied without the express written authority of © IAE International Aero Engines AG. (This does not preclude use by engine and aircraft operators for normal instructional, maintenance or overhaul purposes.).Applicability
All
Common Information
TASK 72-32-85-300-042 Fan Case - Blend Repair, Repair-042 (VRS1805)
Effectivity
FIG/ITEM | PART NO. |
|---|---|
01-100 | 5W0149 |
01-100 | 5W0154 |
01-100 | 5W0169 |
01-100 | 5W0172 |
01-100 | 5W0195 |
01-100 | 5W0196 |
01-100 | 5W0197 |
01-100 | 5W0198 |
01-100 | 5W0218 |
01-100 | 5W0219 |
01-100 | 5W0220 |
01-100 | 5W0221 |
01-100 | 5W0223 |
01-100 | 5W0224 |
01-100 | 5W0225 |
01-100 | 5W0226 |
01-100 | 5W0307 |
01-100 | 5W0313 |
General
This Repair scheme gives the procedure for blending the Fan Case.
Price and Availability - refer to IAE
The practices and processes referred to in the procedure by the TASK number are in SPM.
NOTE
Preliminary Requirements
Pre-Conditions
NONESupport Equipment
| Name | Manufacturer | Part Number / Identification | Quantity | Remark |
|---|---|---|---|---|
| Portable blending equipment | LOCAL | |||
| Rotary files | LOCAL | |||
| Ultrasonic wall thickness measuring equipment | LOCAL | |||
| Dimensional inspection equipment | LOCAL | |||
| Vibrating Marking Pencil | LOCAL | Vibrating Marking Pencil |
Consumables, Materials and Expendables
| Name | Manufacturer | Part Number / Identification | Quantity | Remark |
|---|---|---|---|---|
| CoMat 05-020 WATERPROOF SILICON CARBIDE | LOCAL | CoMat 05-020 | ||
| CoMat 05-021 WATERPROOF SILICON CARBIDE | 44197 | CoMat 05-021 | ||
| CoMat 08-024 SEALANT | 23354 | CoMat 08-024 | ||
| CoMat 08-133 SURFACE REPLICATING MATERIAL | LOCAL | CoMat 08-133 | ||
| CoMat 08-155 ADHESION PROMOTER | LOCAL | CoMat 08-155 |
Spares
NONESafety Requirements
NONEProcedure
Refer to SPM TASK 70-11-26-300-503. Use cleaning equipment.
Clean the repair area.
SUBTASK 72-32-85-110-077 Clean the Damaged Area
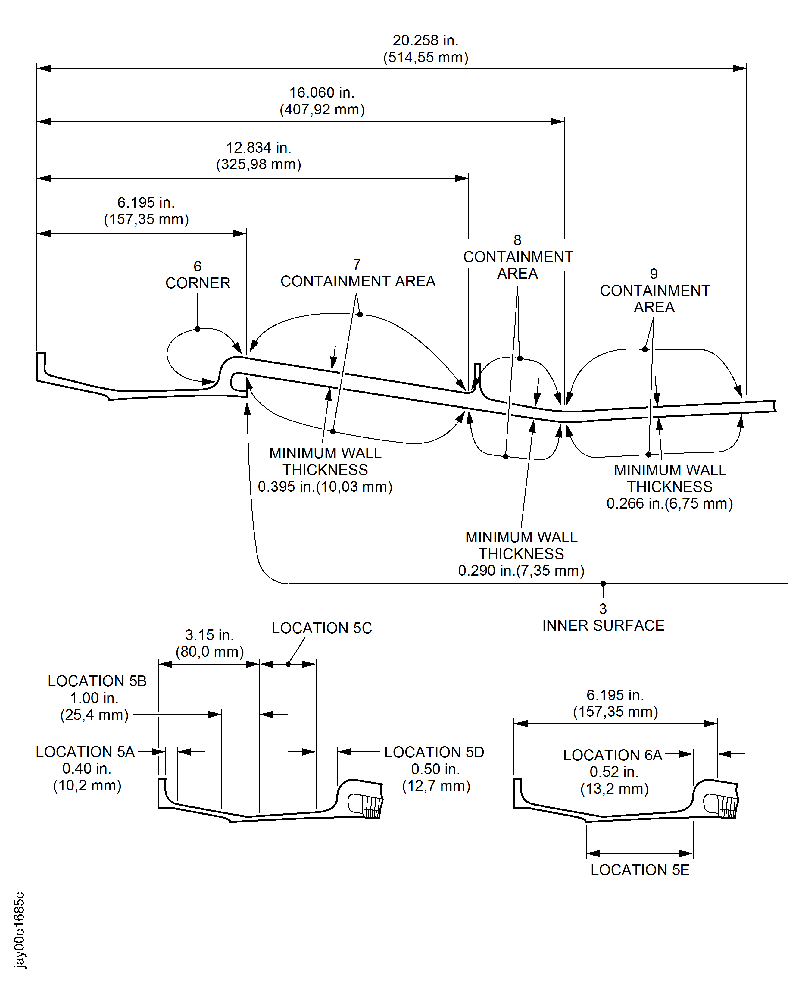
If the damage is within Locations 7, 8 and/or 9 it is recommended that the damage depth and the wall thickness of the area adjacent to the damage is noted. The thickness can be measured with ultrasonic wall thickness measuring equipment.
The depth of damage can be measured with dimensional inspection equipment and CoMat 08-133 SURFACE REPLICATING MATERIAL.
NOTE
Make sure that ultrasonic wall thickness measuring equipment was calibrated by the necessary procedures given in operation manuals of the measuring equipment or local regulations. Calibration piece to be made from the same material (Ti-6A1-4V) or a material with the same acoustic velocity as the part to be tested.The calibration piece thickness must be within the thickness limits of the part to be measured, refer to Figure.NOTE
A replica produced by filling a mold with a casting compound, such as elastomer or plastic, and letting it harden inside the impression, taking on the damaged shape and surface details of the original specimen.Visually examine and measure the dimensions of the damaged area.
SUBTASK 72-32-85-220-193 Examine the Damaged Area of the Fan Case (01-100)
Use portable blending equipment, CoMat 05-020 WATERPROOF SILICON CARBIDE and CoMat 05-021 WATERPROOF SILICON CARBIDE.
Continue to remove material until all the damage is removed.
The blend must be smooth and continuous into the original contour in all directions.
The surface finish of all blended areas must be as smooth as the original finish.
Refer to SPM TASK 70-35-03-300-501.

WARNING
DO NOT OPERATE WITHOUT SAFETY GOGGLES AND OTHER GUARDS EQUIPMENT. FLYING MATERIAL CAN CAUSE EYE INJURY.
CAUTION
TITANIUM COMPONENT - YOU MUST USE SILICON CARBIDE TYPE ABRASIVE WHEELS, STONES AND PAPERS TO DRESS, BLEND AND POLISH THIS COMPONENT. IF MECHANICAL CUTTERS ARE USED, ONLY LIGHT CUTS MUST BE MADE TO AVOID OVERHEATING THE MATERIAL.
CAUTION
TITANIUM COMPONENT - AVOID BUILD UP OF HEAT BY APPLYING ONLY GENTLE PRESSURE AND KEEPING THE TOOL SPEED AS LOW AS POSSIBLE. USE TECHNIQUES WHICH ALLOW FOR PROGRESSIVE WEAR OF THE DRESSING MEDIA TO PRESENT A CONTINUALLY FRESH CUTTING SURFACE TO THE WORK PIECE. DO NOT DWELL ON ONE AREA OF THE COMPONENT. DRESS, WHERE POSSIBLE, IN A CIRCULAR MOTION, TAKING LIGHT CUTS TO AVOID OVERHEATING.
CAUTION
TITANIUM COMPONENT - YOU MUST MAKE SURE THAT WHEN YOU REMOVE MATERIAL, BLEND AND POLISH, TO MAKE SMOOTH, THAT NO SPARKS ARE PRODUCED AND THE ADJACENT AREA IS MASKED OFF.
CAUTION
TITANIUM COMPONENT - IF THE MATERIAL SHOWS A CHANGE IN COLOR DURING DRESSING TO DARKER THAN A LIGHT STRAW COLOR, THE COMPONENT IS TO BE REJECTED.
CAUTION
POWER BLENDING TOOLS CAN BE USED IF DAMAGED TITANIUM PART IS PERIODICALLY CHECKED FOR HEAT BUILD-UP BY TOUCHING OCCASIONALLY WITH UNGLOVED HAND. IF TITANIUM PART BECOMES TOO HOT TO TOUCH, ALLOW MATERIAL TO COOL BEFORE CONTINUING REPAIR.
CAUTION
THE FAN CASE IS MADE FROM TITANIUM ALLOY AND IS THIN IN SOME AREAS. IF YOU BLEND TOO MUCH, THE PART CANNOT BE SERVICEABLE AND WILL HAVE TO BE REPLACED.NOTE
Dull tools and worn or loaded abrasive equipment generated heat rapidly and should be checked frequently and replaced when necessary.The blend ratio, length do depth, must be a minimum of 30:1. Refer to Figure.Remove the minimum quantity of material necessary to remove the damage. All blends must be smooth and continuous.The surface finish of all the repaired surfaces must have the same or better quality to that of the adjacent, not damaged, areas.Blend the fan case surface damage such as dents, nicks, scratches, wear, fretting, galling distortion.
SUBTASK 72-32-85-350-111 Blend Repair the Fan Case (01-100)
Refer to SPM TASK 70-11-26-300-503. Use cleaning equipment.
Clean the repair area.
SUBTASK 72-32-85-110-078 Clean the Repaired Area
NOTE
Make sure that ultrasonic wall thickness measuring equipment was calibrated by the necessary procedure given in operation manuals of the measuring equipment or local regulations. Calibration piece to be made from the same material (Ti-6A1-4V) or a material with the same acoustic velocity as the part to be tested.The calibration piece thickness must be within the thickness limits of the part to be measured, refer to Figure.Make sure the surface finish is the same as the adjacent material.
If the repair is within Locations 7, 8 and/or 9, the minimum wall thickness must be measured. The thickness can be measured with ultrasonic wall thickness measuring equipment.
Visually examine and measure the dimensions of the repaired area.
Refer to Figure.
Measure the dimensions of the blended areas.
The blend area ratio, length to depth, must be a minimum of 30:1.
Examine the ratio of the blended area dimensionally.
SUBTASK 72-32-85-220-122 Examine the Blend Repaired Area of the Fan Case (01-100)
Refer to SPM TASK 70-11-26-300-503. Use cleaning equipment.
Clean the repair area.
Refer to SPM TASK 70-11-08-300-503.
Use chemical etching equipment.
Swab etch the repaired area(s).
SUBTASK 72-32-85-110-079 Do a Swab Etch
Refer to SPM TASK 70-23-05-230-501.
No cracks are permitted.
Do the test for cracks.
SUBTASK 72-32-85-230-065 Do a Crack Test
Refer to SPM TASK 70-11-26-300-503.

CAUTION
DO NOT GET CLEANING FLUID ON YOUR SKIN OR IN YOUR EYES. PUT ON PROTECTIVE CLOTHING, GOGGLES AND A FACE MASK. USE THE FLUID IN A WELL VENTILATED AREA. DO NOT BREATHE THE VAPOR. IF YOU GET THE CLEANING FLUID ON YOUR SKIN OR IN YOUR EYES FLUSH IT AWAY WITH WATER. GET MEDICAL AID IF YOUR SKIN OR EYES BECOME IRRITATED.NOTE
Always pour cleaning fluid on the cloth to avoid contaminating the cleaning fluid supply. Wash one small area at a time.It is important that the surface is dried with a second clean cloth prior to the cleaning fluid evaporating to prevent the redeposition of contaminants on the fan case surface.Remove all grease from the repaired area.
Apply a thin coat of CoMat 08-155 ADHESION PROMOTER to the cleaned surface by brush or clean gauze and allow to dry for approximately 30 minutes at room temperature.

WARNING
YOU MUST FIND AND OBEY THE MANUFACTURER'S HEALTH AND SAFETY DATA FOR THE MATERIAL (MSDS). YOU MUST ALSO REFER TO LOCAL REGULATIONS TO MAKE SURE THAT THE PROCEDURES ARE DONE SAFELY. IF YOU DO NOT DO THIS, AN INJURY OR ENVIRONMENTAL DAMAGE CAN OCCUR.Apply the primer.
Use CoMat 08-024 SEALANT 75 parts of base compound and 10 parts of curing compound (accelerator) by weight. Mix the two parts by kneading until the color of compound is constant quality. No streaks permitted.
Prepare the sealant.
Prepare the adhesive.

WARNING
YOU MUST FIND AND OBEY THE MANUFACTURER'S HEALTH AND SAFETY DATA FOR THE MATERIAL (MSDS). YOU MUST ALSO REFER TO LOCAL REGULATIONS TO MAKE SURE THAT THE PROCEDURES ARE DONE SAFELY. IF YOU DO NOT DO THIS, AN INJURY OR ENVIRONMENTAL DAMAGE CAN OCCUR.NOTE
You must use the plastic gloves, during preparation and use of the sealant, to prevent contamination of the skin.The life of the mixed sealant is approximately half an hour, at 77 deg F (25 deg C).Apply the adhesive.
Remove all unwanted sealant, when it starts to feel hard. If the remaining sealant material around the repair area is not more than 0.020 in. (0.50 mm), dress the sealant material with CoMat 05-020 WATERPROOF SILICON CARBIDE, if necessary.
SUBTASK 72-32-85-360-108 Fill the Repaired Area, if the Blended Depth is more than 0.010 in. (0.25 mm) at the Location 4 and 5E
Refer to SPM TASK 70-09-00-400-501.
Use vibro-engraving equipment.
If the repair has been performed in Location 7 make a mark VRS1805-7, in Location 8 make a mark VRS1805-8 and in Location 9 make a mark VRS1805-9.
Make a mark VRS1805 adjacent to the part number.
SUBTASK 72-32-85-350-141 Identify the Repair
Figure: Repair Details and Dimensions
Repair Details and Dimensions

Figure: Repair Details and Dimensions
Repair Details and Dimensions

Figure: Repair Details and Dimensions
Repair Details and Dimensions

Figure: Repair Details and Dimensions
Repair Details and Dimensions

Figure: Repair Details and Dimensions
Repair Details and Dimensions

Figure: Repair Details and Dimensions
Repair Details and Dimensions

Figure: Repair Details and Dimensions
Repair Details and Dimensions

