Export Control
EAR Export Classification: Not subject to the EAR per 15 C.F.R. Chapter 1, Part 734.3(b)(3), except for the following Service Bulletins which are currently published as EAR Export Classification 9E991: SBE70-0992, SBE72-0483, SBE72-0580, SBE72-0588, SBE72-0640, SBE73-0209, SBE80-0024 and SBE80-0025.Copyright
© IAE International Aero Engines AG (2001, 2014 - 2021) The information contained in this document is the property of © IAE International Aero Engines AG and may not be copied or used for any purpose other than that for which it is supplied without the express written authority of © IAE International Aero Engines AG. (This does not preclude use by engine and aircraft operators for normal instructional, maintenance or overhaul purposes.).Applicability
All
Common Information
TASK 72-41-15-300-017 HPC Stage 9 Rotor Blade - Weld Repair The Airfoil, Repair-017 (VRS6055)
Effectivity
FIG/ITEM | PART NO. | ASSEMBLY |
|---|---|---|
02-470 | 6A3252 | A |
02-470 | 6A4366 | A |
02-470 | 6A4420 | A |
02-470 | 6A4726 | B |
02-470 | 6A6566 | B |
02-485 | 6A3253 | A |
02-485 | 6A4367 | A |
02-485 | 6A4846 | B |
02-485 | 6A5637 | A |
02-485 | 6A5638 | A |
02-485 | 6A5645 | B |
02-500 | 6A3251C01 | A |
02-500 | 6A4211C01 | B |
02-500 | 6A4365C01 | A |
02-500 | 6A4419COI | A |
02-515 | 6A3251C01 | A |
02-515 | 6A4211C01 | B |
02-515 | 6A4365C01 | A |
02-515 | 6A4419C01 | A |
02-517 | 6A3251CO2 | A |
02-517 | 6A4211C02 | B |
02-517 | 6A4365C02 | A |
02-517 | 6A4419C02 | A |
Material of component
PART IDENT | SYMBOL | MATERIAL |
|---|---|---|
HP Compressor rotor blade - Stage 9 | QMP | 52 percent Nickel 19 percent Chromium 18 percent Iron 5 percent Niobium |
General
This repair must only be done when the instruction to do so is given in 72-41-15 Inspection/Check.
This repair restores the HP compressor rotor blade, stage 9 tip length by welding.
The practices and processes referred to in the procedure by the TASK/SUBTASK numbers are in the SPM.
This is a Source Demonstration Repair which can only be done by approved vendors.
To keep the HP compressor efficiency, rotor blades are repaired as near to the new blade condition as possible.
Rotor blades must be repaired as soon as damage or wear is monitored, to get back HP compressor efficiency and extend the rotor blade life.
This repair can be done again to the welded rotor blades if:
- The minimum airfoil dimensions are as given in 72-41-15 Inspection/Check.
- The airfoil surface has been polished up to two times, refer to VRS6150, TASK 72-41-15-300-040 (REPAIR-040).
Price and Availability.
Refer to International Aero Engines.
Related Repairs
HP Compressor - Stages 3 to 12 - Rotor blades - Restore airfoil surface finish. Refer to Repair VRS6150, TASK 72-41-15-300-040 (REPAIR-040).
NOTE
NOTE
Preliminary Requirements
Pre-Conditions
NONESupport Equipment
| Name | Manufacturer | Part Number / Identification | Quantity | Remark |
|---|---|---|---|---|
| Chemical cleaning equipment | LOCAL | Chemical cleaning equipment | ||
| Penetrant Crack Test Equipment | LOCAL | Penetrant crack test equipment | ||
| Vapor blast equipment | LOCAL | Vapor blast equipment | ||
| Welding equipment | LOCAL | Welding equipment | Argonarc | |
| Heat treatment equipment | LOCAL | Heat treatment equipment | ||
| Hardness tester | LOCAL | Hardness tester | ||
| Grinding machine | LOCAL | Grinding machine | ||
| Standard workshop equipment | LOCAL | Standard workshop equipment | ||
| Radiographic equipment | LOCAL | Radiographic equipment |
Consumables, Materials and Expendables
| Name | Manufacturer | Part Number / Identification | Quantity | Remark |
|---|---|---|---|---|
| CoMat 02-001 ADHESIVE TAPE (MASKING) | LOCAL | CoMat 02-001 | ||
| CoMat 03-284 WELDING FILLER WIRE, NiBASE | LOCAL | CoMat 03-284 | ||
| CoMat 05-003 ABRASIVE MEDIUM ALUMINUM OXIDE, 120/220 GRADE | LOCAL | CoMat 05-003 |
Spares
NONESafety Requirements
NONEProcedure
The Source Demonstration requirements of this repair means that any facility not authorized to accomplish this repair either, utilize the Authorized Repair Vendors listed below or contact the IAE Repair Services Group to determine if a qualification program can be initiated at their facility.
IAE International Aero Engines AG
400 Main Street
M/S 121-10
East Hartford CT 06118
U.S.A.
Attn: Manager Technical Services
Authorized Repair Vendors for Repair VRS6055 are listed below:
Chromalloy Dallas
14042 Distribution Way
DALLAS, TX 75234
U.S.A.
MTU Maintenance GmbH
Flughafen Hannover
Muncher Strasse 31
30855 LANGENHAGEN
GERMANY
Rolls-Royce
Aero-Engine Services Ltd.
Component Refurbishment
Mavor Avenue
Nerston
EAST KILBRIDE
Glasgow
G74 4PY
SCOTLAND
Airfoil Technologies International (ATI)
High Holborn Road
Codnor
Ripley
Derbyshire
DE5 3NW
ENGLAND
Ishikawajima-Harima Heavy Indusries Co. Ltd.
229 Tonogaya, Mizuho-Machi
Nishitama-gun
Tokyo 190-1297
JAPAN
Airfoil Services Sdn Bhd (ASSB)
No.12 Jalan Teknologi
Taman Sains Selangor 1
Kota Damansara PJU5
47810 Petailing Jaya
Selangor Darul Ehsan
MALAYSIA
Turbine Overhaul Services Pte, Ltd. (TOS)
5 Tuas Drive Two - Mail Stop 107-58
Singapore 638639
Tel: 65-6860-2260
Fax: 65-6862-1068
Rolls-Royce Inchinnan
Inchinnan Drive
Inchinnan Business Park
Inchinnan, PA4 9AF
Scotland
The designation by IAE of an Authorized Repair Vendor indicates that the Repair Vendor has demonstrated the necessary capability to enable it to carry out the listed repair work. However, IAE makes no warranties or representations concerning the qualifications or quality standards of the Repair Vendors to carry out the repair work, and accepts no responsibility whatsoever for any work that may be carried out by a Repair Vendor other than when IAE is listed as the Repair Vendor. Authorized Repair Vendors do not act as agents or representatives of IAE.
Repair Facilities
Refer to TASK 72-41-15-100-000 (CLEANING-000).
Use chemical cleaning equipment.
Chemically clean the blades.
SUBTASK 72-41-15-110-104 Clean the Stage 9 Rotor Blades
Refer to TASK 72-41-15-200-000 (INSPECTION/CHECK-000).
Use penetrant crack test equipment.
Discard any cracked blades.
Do a penetrant crack test.
SUBTASK 72-41-15-230-086 Do a Crack Test
Refer to the SPM TASK 70-12-01-120-501.
Use CoMat 05-003 ABRASIVE MEDIUM ALUMINUM OXIDE, 120/220 GRADE, with vapor blast equipment.
Vapor blast areas of the blade to be welded.
SUBTASK 72-41-15-120-064-A00 Vapor Blast the Stage 9 Rotor Blades - Assembly A
Refer to the SPM TASK 70-12-01-120-501.
Use CoMat 05-003 ABRASIVE MEDIUM ALUMINUM OXIDE, 120/220 GRADE, with vapor blast equipment.
Vapor blast areas of the blade to be welded.
SUBTASK 72-41-15-120-064-B00 Vapor Blast the Stage 9 Rotor Blades - Assembly B
Refer to the SPM TASK 70-11-01-300-503.
Use chemical cleaning equipment.
Chemically clean the blades.
SUBTASK 72-41-15-110-105 Clean the Stage 9 Rotor Blades
Refer to the SPM TASK 70-31-02-310-501-001.
Use CoMat 03-284 WELDING FILLER WIRE, NiBASE, with argonarc welding equipment.

CAUTION
YOU MUST PREVENT ARCING ON THE BLADE DURING THE WELD PROCEDURE.NOTE
An increase in blade length of up to a maximum of 0.060in. (1.52 mm) is permitted by this Repair.Build up the blade tip with weld to restore the length.
SUBTASK 72-41-15-310-057-A00 Weld the Stage 9 Rotor Blade Tip, Assembly A
Refer to the SPM TASK 70-31-02-310-501-001.
Use CoMat 03-284 WELDING FILLER WIRE, NiBASE, with argonarc welding equipment.

CAUTION
YOU MUST PREVENT ARCING ON THE BLADE DURING THE WELD PROCEDURE.NOTE
An increase in blade length of up to a maximum of 0.060in. (1.52 mm) is permitted by this Repair.Build up the blade tip with weld to restore the length.
SUBTASK 72-41-15-310-057-B00 Weld the Stage 9 Rotor Blade Tip, Assembly B
Refer to the SPM TASK 70-31-02-310-501-001.
Use heat treatment equipment.
NOTE
Heat-treat Data.Heat to a temperature of 1400 deg.F. (760 deg.C.) and hold for 2 hours in a vacuum or argon.Furnace cool at a rate of 100 deg.F. (56 deg.C.) per hour to 1150 deg.F. (621 deg.C.) and hold for 4 hours.Cool down to room temperature in air.Heat-treat the blade in a vacuum or controlled atmosphere.
SUBTASK 72-41-15-370-057 Heat-Treat the Stage 9 Rotor Blades
SUBTASK 72-41-15-220-226 Do a Hardness Check
SUBTASK 72-41-15-350-113-B00 Put the Shape Back on the Stage 9 Rotor Blade Contour and Height - Assembly B
If scratches or scores are shown on the airfoil surface, do Step.
SUBTASK 72-41-15-220-227-A00 Examine the Stage 9 Rotor Blades - Assembly A
If scratches or scores are shown on the airfoil surface, do Step.
SUBTASK 72-41-15-220-227-B00 Examine the Stage 9 Rotor Blades - Assembly B
Refer to the SPM TASK 70-11-39-300-503, SUBTASK 70-11-39-300-001.
Use chemical cleaning equipment.
Swab etch the repaired area(s).
SUBTASK 72-41-15-110-135 Cold Ferric Chloride Etch
Refer to the SPM TASK 70-23-04-230-501.
Use penetrant crack test equipment.
Cracks are not permitted.
Do a penetrant crack test.
SUBTASK 72-41-15-230-087 Do a Crack Test
Pores larger than 0.006in. (0.15 mm) diameter are not permitted.
Pores with a distance of less than 0.200in. (5.10 mm) between them, are not permitted.
Surfaces broken by pores are not permitted.
Pores are not permitted less than 0.040 in. (1.00 mm) from the leading and trailing edges.
Use radiographic equipment.
NOTE
Radiographic Data.Refer to approved vendor in 4. Repair Facilities, Para B, for the appropriate data card, and Radiographic Examination parameters.Radiographically examine the welded blade tip.
SUBTASK 72-41-15-260-078 Radiographically Examine the Stage 9 Rotor Blades
Refer to VRS6150, TASK 72-41-15-300-040 (REPAIR-040).
Restore the airfoil surface finish.
SUBTASK 72-41-15-380-088 Restore the Airfoil Surface Finish
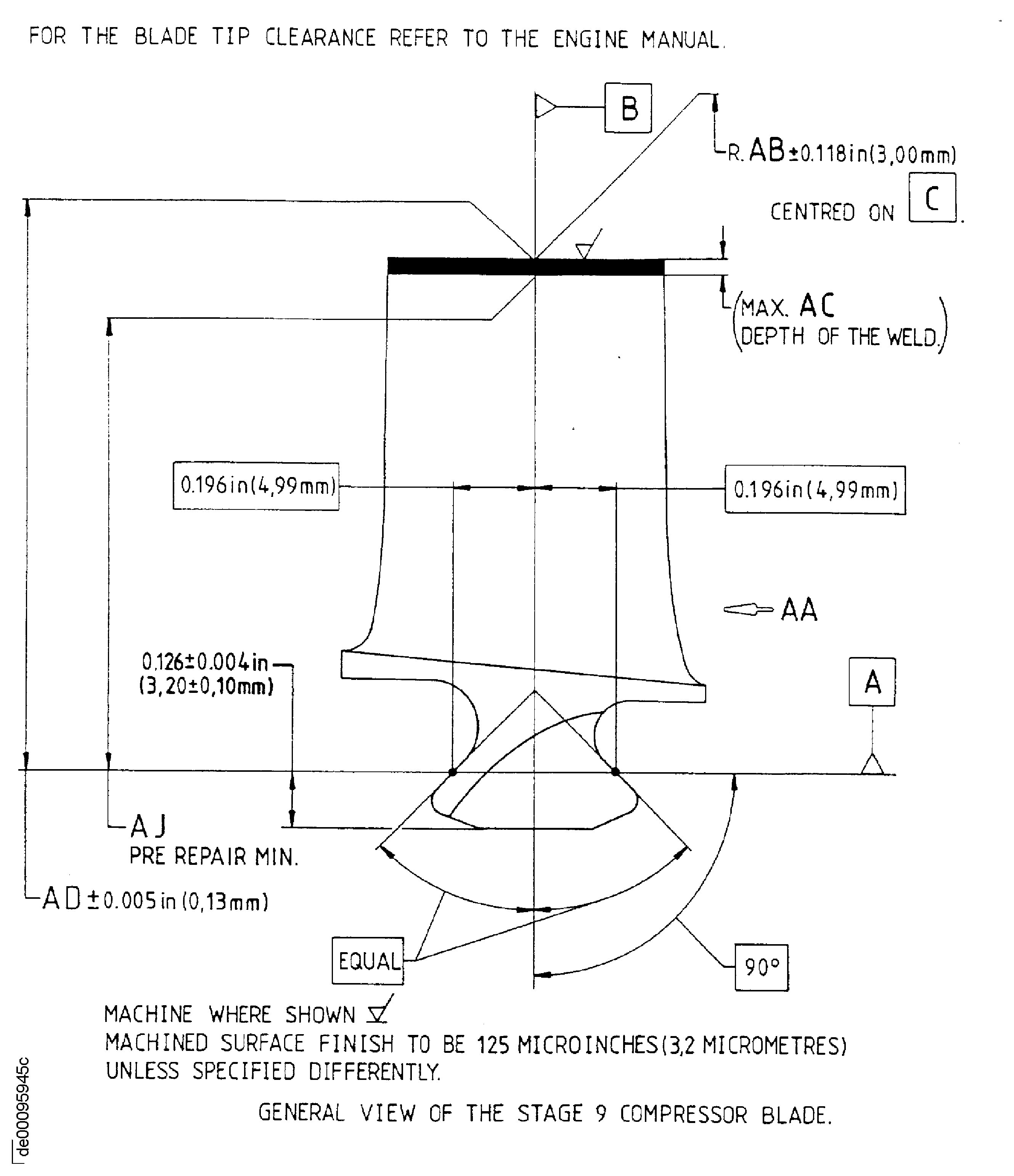
Figure: Repair details and dimensions - Assembly A and Assembly B
Repair details and dimensions - Assembly A and Assembly B

Figure: Repair details and dimensions - Assembly A and Assembly B
Repair details and dimensions - Assembly A and Assembly B

Figure: Repair details and dimensions - Assembly A and Assembly B
Repair details and dimensions - Assembly A and Assembly B

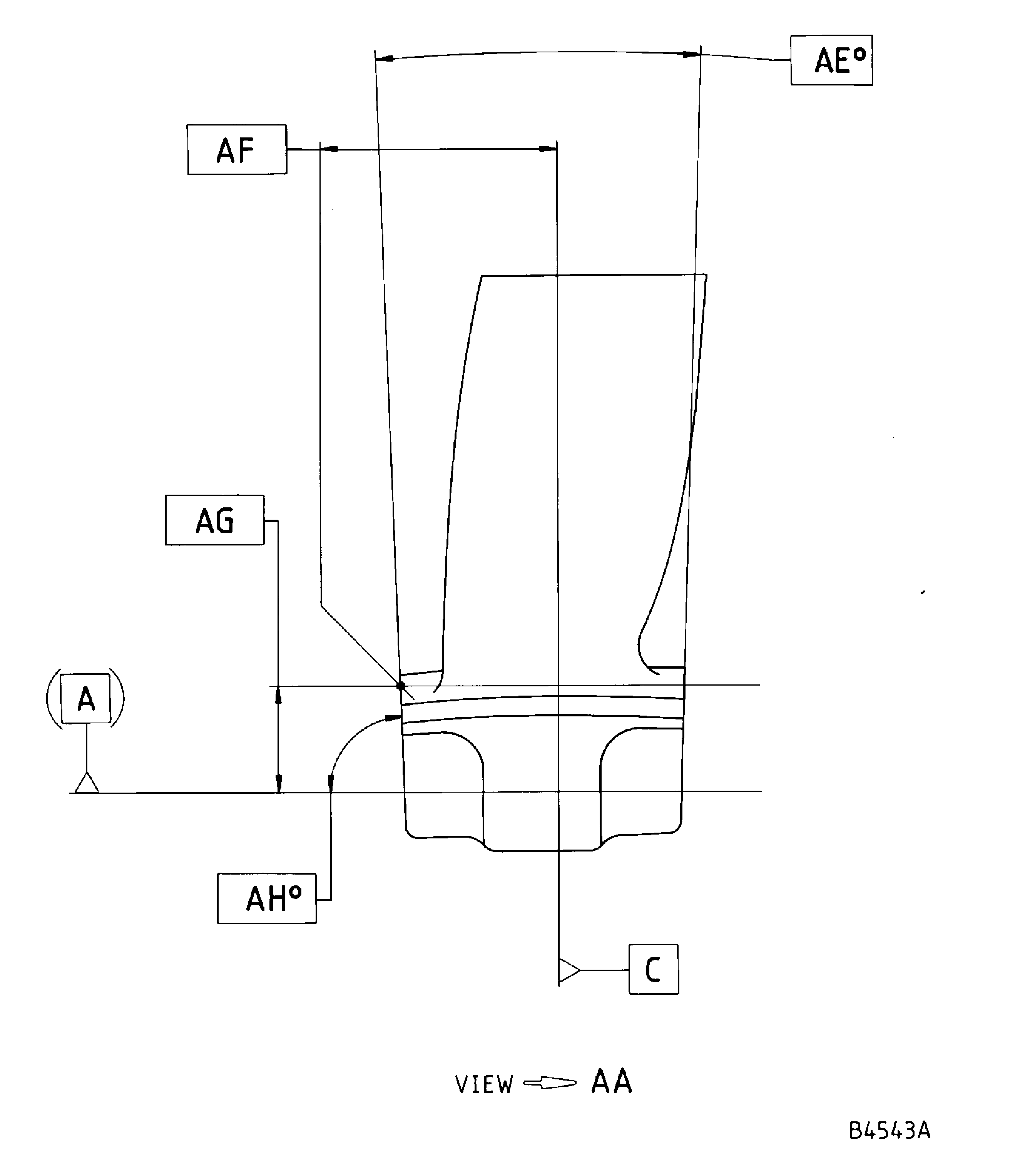
Figure: Repair details and dimensions - Assembly A
Repair details and dimensions - Assembly A

Figure: Repair details and dimensions - Assembly B
Repair details and dimensions - Assembly B

Figure: Repair details and dimensions - Assembly A
Repair details and dimensions - Assembly A

Figure: Repair details and dimensions - Assembly B
Repair details and dimensions - Assembly B

Figure: Repair details and dimensions - Assembly A
Repair details and dimensions - Assembly A

Figure: Repair details and dimensions - Assembly B
Repair details and dimensions - Assembly B

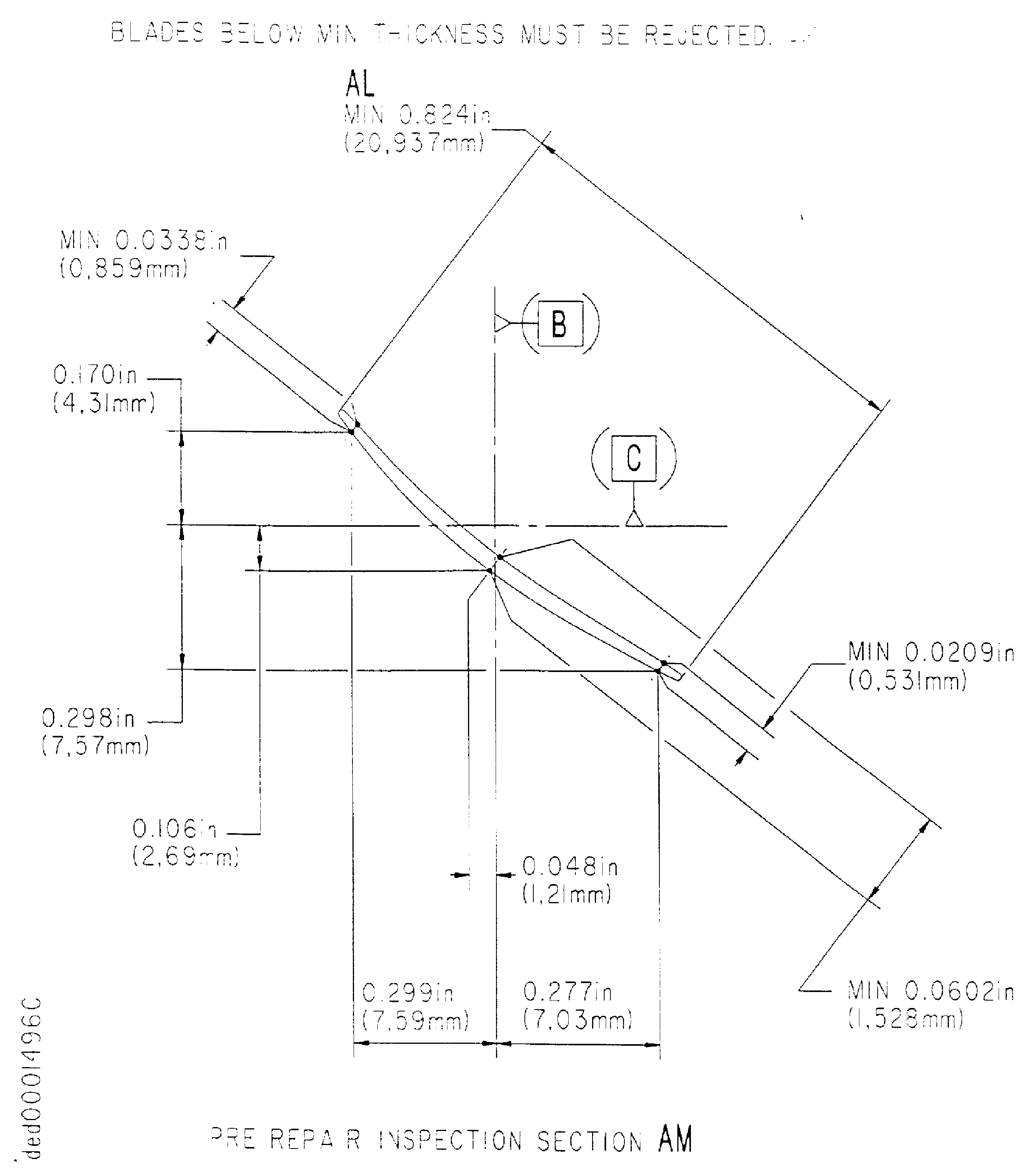
Figure: Repair details and dimensions - Assembly A and Assembly B
Repair details and dimensions - Assembly A and Assembly B

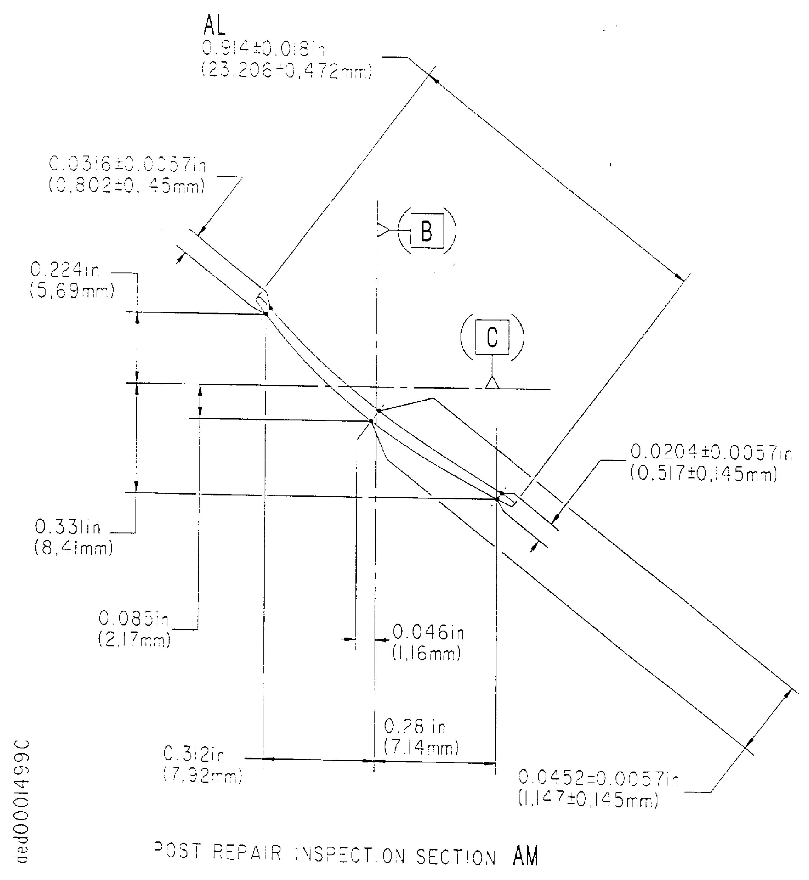
Figure: Repair details and dimensions - Assembly A and Assembly B
Repair details and dimensions - Assembly A and Assembly B

