Export Control
EAR Export Classification: Not subject to the EAR per 15 C.F.R. Chapter 1, Part 734.3(b)(3), except for the following Service Bulletins which are currently published as EAR Export Classification 9E991: SBE70-0992, SBE72-0483, SBE72-0580, SBE72-0588, SBE72-0640, SBE73-0209, SBE80-0024 and SBE80-0025.Copyright
© IAE International Aero Engines AG (2001, 2014 - 2021) The information contained in this document is the property of © IAE International Aero Engines AG and may not be copied or used for any purpose other than that for which it is supplied without the express written authority of © IAE International Aero Engines AG. (This does not preclude use by engine and aircraft operators for normal instructional, maintenance or overhaul purposes.).Applicability
All
Common Information
TASK 72-41-31-300-017 HPC Front Case - Dowel Holes, Oversize w/Bushing Repair, Repair-017 (VRS9343)
General
This repair must only be done when the instruction to do so is given in TASK 72-41-31-200-000 (INSPECTION-000).
Preliminary Requirements
Pre-Conditions
| Action/Condition | Data Module/Technical Publication |
|---|---|
| Make sure that all the cleaning and inspection procedures are done before this repair. |
Support Equipment
NONEConsumables, Materials and Expendables
| Name | Manufacturer | Part Number / Identification | Quantity | Remark |
|---|---|---|---|---|
| CoMat 08-122 RETAINING ADHESIVE | 05972 | CoMat 08-122 |
Spares
NONESafety Requirements
NONEProcedure
Oversize damaged dowel pin hole(s) to 0.309 in. - 0.338 in. (7.84 mm - 8.60 mm) to remove damage while ensuring a minimum strap thickness of 0.104 in. (2.64 mm) is maintained.
Break sharp edges 0.004 in. - 0.019 in. (0.10 mm - 0.50 mm).
SUBTASK 72-41-31-320-005 Machine to Oversize Dowel Pin Hole(s)
Refer to SPM TASK 70-11-26-300-503.
Locally clean the machined dowel hole(s).
SUBTASK 72-41-31-110-138 Locally Clean the Repair Area(s)
Refer to the SPM TASK 70-23-05-230-501. Use medium sensitivity penetrant.
Cracks are not permitted.
Do a local penetrant crack test on the repair area(s).
SUBTASK 72-41-31-230-132 Do a Fluorescent Penetrant Inspection
Refer to Figure.
Use MSRR 8652, AMS 4911, or AMS 4928.
Locally manufacture bushing(s) to the specified dimensions.
Break sharp edges 0.004 in. - 0.019 in. (0.10 mm - 0.50 mm).
SUBTASK 72-41-31-350-116 Locally Fabricate Bushing(s)
Refer to SPM TASK 70-23-02-230-501 or TASK 70-23-01-230-501.
Cracks are not permitted.
Do a penetrant crack test of the fabricated bushing(s).
SUBTASK 72-41-31-230-133 Do a Fluorescent Penetrant Inspection
Refer to SPM TASK 70-11-03-300-503.
Clean the locally fabricated bushing(s).
Refer to SPM TASK 70-11-26-300-503.
Clean the machined dowel pin hole(s).
SUBTASK 72-41-31-110-139 Locally Clean the Repair Area(s)
Refer to Figure.
Refer to SPM TASK 70-46-04-400-501.
Chill the bushing.
Use CoMat 08-122 RETAINING ADHESIVE or suitable alternative.
Apply retaining adhesive to the machined dowel pin hole.
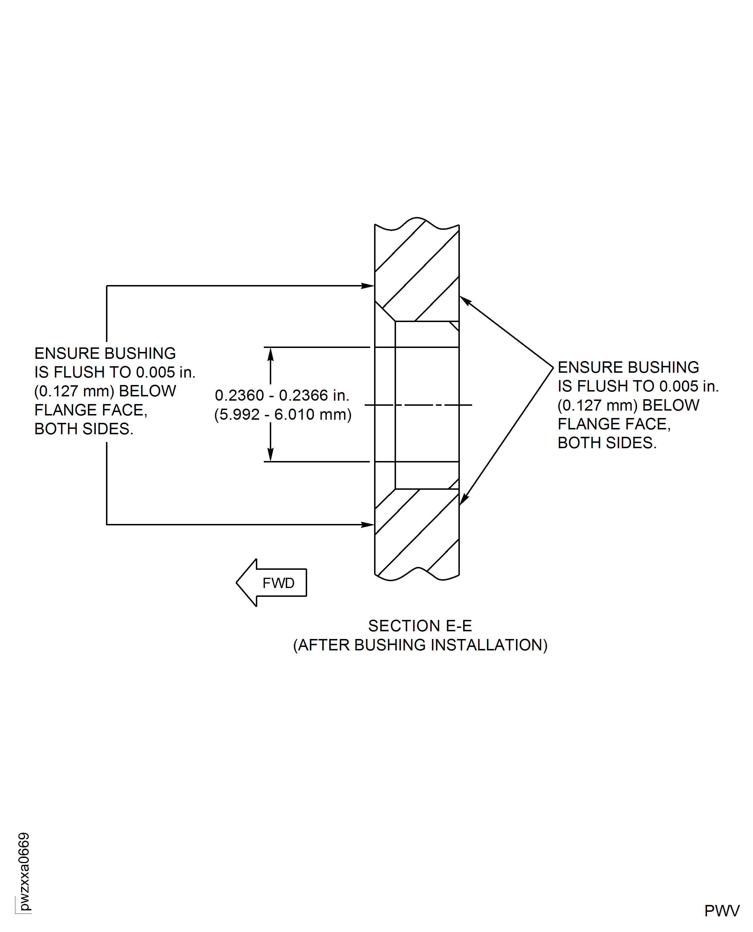
Install the locally fabricated bushing into the appropriate oversized dowel pin hole while the adhesive is wet. Wipe off any excess adhesive after installation.
Allow the part to reach room temperature.
SUBTASK 72-41-31-350-128 Install the Fabricated Bushing(s) Into the Oversized Dowel Pin Hole(s)
Refer to Figure.
Machine the installed bushing(s) inner diameter(s) to the specified limits.
SUBTASK 72-41-31-320-006 Machine the Bushing Inner Diameter(s)
Refer to SPM TASK 70-11-03-300-503.
Chemically clean.
SUBTASK 72-41-31-110-140 Clean the Assembly
Refer to SPM TASK 70-09-00-400-501, SUBTASK 70-09-00-400-001.
Vibration peen VRS9343 adjacent to the part number.
SUBTASK 72-41-31-350-129 Identify the Repair
Figure: HP Compressor Front Split Case - Repair Zone - Location 18
HP Compressor Front Split Case - Repair Zone - Location 18

HP Compressor Front Split Case - Repair Zone - Location 18

Figure: HP Compressor Front Split Case - Repair Details and Dimensions - Location 18
HP Compressor Front Split Case - Repair Details and Dimensions - Location 18

Figure: HP Compressor Front Split Case - Bushing - Location 18
HP Compressor Front Split Case - Bushing - Location 18

Figure: HP Compressor Front Split Case - Installation - Location 18
HP Compressor Front Split Case - Installation - Location 18

