Export Control
EAR Export Classification: Not subject to the EAR per 15 C.F.R. Chapter 1, Part 734.3(b)(3), except for the following Service Bulletins which are currently published as EAR Export Classification 9E991: SBE70-0992, SBE72-0483, SBE72-0580, SBE72-0588, SBE72-0640, SBE73-0209, SBE80-0024 and SBE80-0025.Copyright
© IAE International Aero Engines AG (2001, 2014 - 2021) The information contained in this document is the property of © IAE International Aero Engines AG and may not be copied or used for any purpose other than that for which it is supplied without the express written authority of © IAE International Aero Engines AG. (This does not preclude use by engine and aircraft operators for normal instructional, maintenance or overhaul purposes.).Applicability
All
Common Information
TASK 72-41-32-300-013 HP Compressor Variable Stator Vane, Stage 3 - Repair Worn/Damaged Inner And/Or Outer Pivot Journal By Metal Spray, Repair-013 (VRS6182)
Effectivity
FIG/ITEM | PART NO. | ASSEMBLY |
|---|---|---|
02-500 | 6A3813 | A |
02-500 | 6A3883 | B |
02-500 | 6A8068 | C |
02-500 | 6A8063 | D |
02-500 | 6A4401 | B |
02-500 | 6A5677 | G |
02-500 | 6A7476 | B |
02-500 | 6A7729 | H |
02-500 | 6A8720 | H |
02-500 | 6B1171 | L |
02-500 | 6B1271 | M |
02-550 | 6A9021 | N |
02-550 | 6B1273 | P |
02-600 | 6A3815 | E |
02-600 | 6A3884 | E |
02-600 | 6A8067 | F |
02-600 | 6A8062 | F |
02-600 | 6A4402 | E |
02-600 | 6A5678 | J |
02-600 | 6A7477 | E |
02-600 | 6A7730 | K |
02-600 | 6A8721 | K |
02-600 | 6A8836 | Q |
02-600 | 6B1272 | R |
Materials of Components
PART IDENT | SYMBOL | MATERIAL |
|---|---|---|
HP Compressor Stage 3 Variable Stator Vane | ECP | Corrosion Resistant Steel |
Or | ||
QMP | Heat Resisting Alloy | |
Or | ||
EYG | Corrosion Resistant Steel |
General
This TASK gives the procedure to repair a worn or damaged inner and/or outer pivot journal on the HP Compressor Variable Stator Vane, Stage 3, by metal spray.
CAUTION
TASKS identified by SPM TASK are in the Standard Practices Manual.
Price and Availability
Refer to International Aero Engines (IAE)
NOTE
NOTE
NOTE
NOTE
Preliminary Requirements
Pre-Conditions
NONESupport Equipment
| Name | Manufacturer | Part Number / Identification | Quantity | Remark |
|---|---|---|---|---|
| Abrasive blast equipment | LOCAL | Abrasive blast equipment | ||
| Chemical cleaning equipment | LOCAL | Chemical cleaning equipment | ||
| Dial test indicator | LOCAL | Dial test indicator | ||
| External grinding equipment | LOCAL | External grinding equipment | ||
| Lathe | LOCAL | Lathe | ||
| Metal spray equipment | LOCAL | Metal spray equipment | ||
| Penetrant Crack Test Equipment | LOCAL | Penetrant crack test equipment | ||
| Standard workshop equipment | LOCAL | Standard workshop equipment | ||
| Vibro-engraving equipment | LOCAL | Vibro-engraving equipment | ||
| Workshop inspection equipment | LOCAL | Workshop inspection equipment |
Consumables, Materials and Expendables
| Name | Manufacturer | Part Number / Identification | Quantity | Remark |
|---|---|---|---|---|
| CoMat 02-198 ADHESIVE TAPE (MASKING METAL SPRAY) | LOCAL | CoMat 02-198 | ||
| CoMat 03-320 METAL SPRAYING POWDER,WC/Co | LOCAL | CoMat 03-320 | ||
| CoMat 03-456 METAL SPRAY POWDER WC-17CO | 39918 | CoMat 03-456 | ||
| CoMat 05-001 ABRASIVE MEDIUM, ALUMINIUM OXIDE, 20/30 GRADE | LOCAL | CoMat 05-001 | ||
| CoMat 05-002 ABRASIVE MEDIUM, ALUMINUM OXIDE | LOCAL | CoMat 05-002 | ||
| CoMat 06-063 FLUORESCENT PENETRANT (POST-EMULSIFIED MEDIUM SENSITIVITY) | LOCAL | CoMat 06-063 |
Spares
NONESafety Requirements
CAUTION
Procedure
For Assembly A, B and E, refer to Figure and Figure. For Assembly C, D and F, refer to Figure and Figure. For Assembly G and J, refer to Figure and Figure. For Assembly H and K, refer to Figure and Figure. For Assembly L, refer to Figure and Figure. For Assembly M, refer to Figure and Figure. For Assembly N and Q, refer to Figure and Figure. For Assembly P and R, refer to Figure and Figure.
SUBTASK 72-41-32-220-141 Examine the HP Compressor Variable Stator Vane, Stage 3
For Assembly A, B and E, refer to Figure and Figure. For Assembly C, D and F, refer to Figure and Figure. For Assembly G and J, refer to Figure and Figure. For Assembly H and K, refer to Figure and Figure. For Assembly L, refer to Figure and Figure. For Assembly M, refer to Figure and Figure. For Assembly N and Q, refer to Figure and Figure. For Assembly P and R, refer to Figure and Figure.
Use a Lathe and a Dial test indicator.
Set up the HP Compressor Variable Stator Vane, Stage 3, to run true.
Continue to remove material until all the damage is removed.
Make sure that all the damage is removed and the area is made smooth into the adjacent material.
Use a Lathe.
NOTE
The minimum diameter of the inner pivot journal, after the wear and/or damage is removed must be 0.2609 in. (6.627 mm).NOTE
The minimum diameter of the outer pivot journal, after the wear and/or damage is removed must be 0.6160 in. (15.646 mm).
Turn to remove damage and/or wear from the inner and/or outer pivot journal.
SUBTASK 72-41-32-325-054 Remove Damage from the HP Compressor Variable Stator Vane, Stage 3

CAUTION
DO NOT REMOVE MATERIAL FROM THE HP COMPRESSOR VARIABLE STATOR VANE, STAGE 3, INNER AND OUTER RADII.For Assembly A, B and E, refer to Figure and Figure. For Assembly C, D and F, refer to Figure and Figure. For Assembly G and J, refer to Figure and Figure. For Assembly H and K, refer to Figure and Figure. For Assembly L, refer to Figure and Figure. For Assembly M, refer to Figure and Figure. For Assembly N and Q, refer to Figure and Figure. For Assembly P and R, refer to Figure and Figure.
SUBTASK 72-41-32-220-142 Examine the HP Compressor Variable Stator Vane, Stage 3
Refer to SPM TASK 70-11-03-300-503.
Chemically clean.
SUBTASK 72-41-32-110-085 Chemically Clean
Refer to the SPM TASK 70-11-39-300-503, SUBTASK 70-11-39-300-001.
Swab etch the repaired area.
SUBTASK 72-41-32-110-086 Do a Swab Etch
Refer to SPM TASK 70-23-01-230-501.
Cracks are not permitted.
Do a penetrant crack test on the repair area.
SUBTASK 72-41-32-230-078 Do a Crack Test
For Assembly A, B and E, refer to Figure and Figure. For Assembly C, D and F, refer to Figure and Figure. For Assembly G and J, refer to Figure and Figure. For Assembly H and K, refer to Figure and Figure. For Assembly L, refer to Figure and Figure. For Assembly M, refer to Figure and Figure. For Assembly N and Q, refer to Figure and Figure. For Assembly P and R, refer to Figure and Figure.

CAUTION
DO NOT TOUCH SURFACE(S) TO BE REPAIRED AFTER THEY ARE CLEANED.TOO MUCH ABRASIVE BLAST CAN CAUSE DETERIORATION OF THE REPAIRED SURFACE CONDITION AND MUST BE PREVENTED.Mask the surfaces not to be repaired.
Refer to the SPM TASK 70-12-02-120-501.
Abrasive blast the surfaces to be repaired.
SUBTASK 72-41-32-120-058 Prepare the Surfaces for Repair
For Assembly A, refer to Figure, Figure, Figure, Figure and Figure. For Assembly B, Figure, Figure, Figure, Figure and Figure. For Assembly C, refer to Figure, Figure, Figure, Figure and Figure. For Assembly D, refer to Figure, Figure, Figure, Figure and Figure. For Assembly E, refer to Figure, Figure, Figure, Figure and Figure. For Assembly F, refer to Figure, Figure, Figure, Figure and Figure. For Assembly G, refer to Figure, Figure, Figure, Figure and Figure. For Assembly H, refer to Figure, Figure, Figure, Figure and Figure. For Assembly J, refer to Figure, Figure, Figure, Figure and Figure. For Assembly K, refer to Figure, Figure, Figure, Figure and Figure. For Assembly L, refer to Figure, Figure, Figure, Figure and Figure. For Assembly M, refer to Figure, Figure, Figure, Figure and Figure. For Assembly N, refer to Figure, Figure, Figure, Figure and Figure. For Assembly P, refer to Figure, Figure, Figure, Figure and Figure. For Assembly Q, refer to Figure, Figure, Figure, Figure and Figure. For Assembly R, refer to Figure, Figure, Figure, Figure and Figure.
Refer to the SPM TASK 70-34-01-340-501, SUBTASK 70-34-01-340-014.
Apply a layer of sufficient thickness, to get the correct dimensions after the component is machined.
Apply the metal spray to the HP Compressor Variable Stator Vane, Stage 3, inner and/or outer pivot journal.
SUBTASK 72-41-32-340-057 Apply the Metal Spray Coat
For Assembly A, refer to Figure, Figure, Figure, Figure and Figure. For Assembly B, Figure, Figure, Figure, Figure and Figure. For Assembly C, refer to Figure, Figure, Figure, Figure and Figure. For Assembly D, refer to Figure, Figure, Figure, Figure and Figure. For Assembly E, refer to Figure, Figure, Figure, Figure and Figure. For Assembly F, refer to Figure, Figure, Figure, Figure and Figure. For Assembly G, refer to Figure, Figure, Figure, Figure and Figure. For Assembly H, refer to Figure, Figure, Figure, Figure and Figure. For Assembly J, refer to Figure, Figure, Figure, Figure and Figure. For Assembly K, refer to Figure, Figure, Figure, Figure and Figure. For Assembly L, refer to Figure, Figure, Figure, Figure and Figure. For Assembly M, refer to Figure, Figure, Figure, Figure and Figure. For Assembly N, refer to Figure, Figure, Figure, Figure and Figure. For Assembly P, refer to Figure, Figure, Figure, Figure and Figure. For Assembly Q, refer to Figure, Figure, Figure, Figure and Figure. For Assembly R, refer to Figure, Figure, Figure, Figure and Figure.
Refer to SPM TASK 70-34-01-340-501, SUBTASK 70-34-01-340-002.
Make sure there is a layer of sufficient thickness, to get the correct dimensions, after the component is machined.
Visually examine and measure the dimensions of the sprayed coating.
SUBTASK 72-41-32-220-143 Examine the HP Compressor Variable Stator Vane, Stage 3
For Assembly A, refer to Figure, Figure, Figure, Figure and Figure. For Assembly B, Figure, Figure, Figure, Figure and Figure. For Assembly C, refer to Figure, Figure, Figure, Figure and Figure. For Assembly D, refer to Figure, Figure, Figure, Figure and Figure. For Assembly E, refer to Figure, Figure, Figure, Figure and Figure. For Assembly F, refer to Figure, Figure, Figure, Figure and Figure. For Assembly G, refer to Figure, Figure, Figure, Figure and Figure. For Assembly H, refer to Figure, Figure, Figure, Figure and Figure. For Assembly J, refer to Figure, Figure, Figure, Figure and Figure. For Assembly K, refer to Figure, Figure, Figure, Figure and Figure. For Assembly L, refer to Figure, Figure, Figure, Figure and Figure. For Assembly M, refer to Figure, Figure, Figure, Figure and Figure. For Assembly N, refer to Figure, Figure, Figure, Figure and Figure. For Assembly P, refer to Figure, Figure, Figure, Figure and Figure. For Assembly Q, refer to Figure, Figure, Figure, Figure and Figure. For Assembly R, refer to Figure, Figure, Figure, Figure and Figure.
Remove unwanted metal spray from all other surfaces to the dimensions given.
SUBTASK 72-41-32-324-056 Grind the HP Compressor Variable Stator Vane, Stage 3
Refer to SPM TASK 70-11-03-300-503.
Chemically clean.
SUBTASK 72-41-32-110-087 Chemically Clean
For Assembly A, refer to Figure, Figure, Figure, Figure and Figure. For Assembly B, Figure, Figure, Figure, Figure and Figure. For Assembly C, refer to Figure, Figure, Figure, Figure and Figure. For Assembly D, refer to Figure, Figure, Figure, Figure and Figure. For Assembly E, refer to Figure, Figure, Figure, Figure and Figure. For Assembly F, refer to Figure, Figure, Figure, Figure and Figure. For Assembly G, refer to Figure, Figure, Figure, Figure and Figure. For Assembly H, refer to Figure, Figure, Figure, Figure and Figure. For Assembly J, refer to Figure, Figure, Figure, Figure and Figure. For Assembly K, refer to Figure, Figure, Figure, Figure and Figure. For Assembly L, refer to Figure, Figure, Figure, Figure and Figure. For Assembly M, refer to Figure, Figure, Figure, Figure and Figure. For Assembly N, refer to Figure, Figure, Figure, Figure and Figure. For Assembly P, refer to Figure, Figure, Figure, Figure and Figure. For Assembly Q, refer to Figure, Figure, Figure, Figure and Figure. For Assembly R, refer to Figure, Figure, Figure, Figure and Figure.
SUBTASK 72-41-32-220-146 Examine the HP Compressor Variable Stator Vane, Stage 3
For Assembly A, B and E, refer to Figure. For Assembly C, D and F, refer to Figure. For Assembly G and J, refer to Figure. For Assembly H and K, refer to Figure. For Assembly L, refer to Figure. For Assembly M, refer to Figure. For Assembly N and Q, refer to Figure. For Assembly P and R, refer to Figure.
Refer to SPM TASK 70-09-00-400-501, SUBTASK 70-09-00-400-001.
Remove all burrs and raised material made by vibro-engraving.
Vibro-engrave VRS6182 adjacent to the part number of the HP Compressor Variable Stator Vane, Stage 3.
SUBTASK 72-41-32-350-086 Identify the Repair
NOTE
If the HP Compressor Variable Stator Vanes, Stage 3 are already identified with the repair scheme number ''VRS6182" by vibropeen process from the previous repair application, further identification is not required.
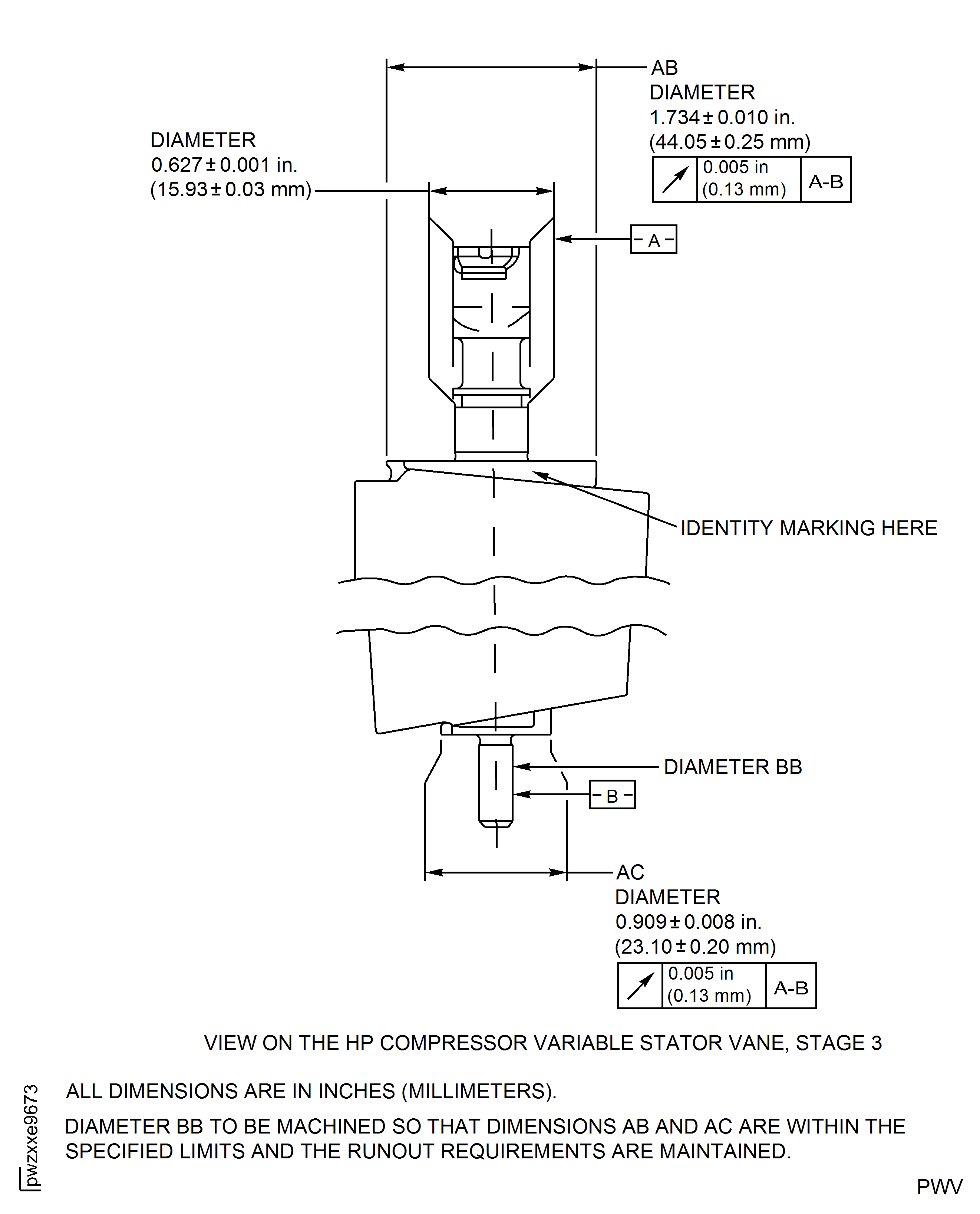
Figure: Repair Details and Dimensions - Assembly A, B and E
Repair Details and Dimensions - Assembly A, B and E

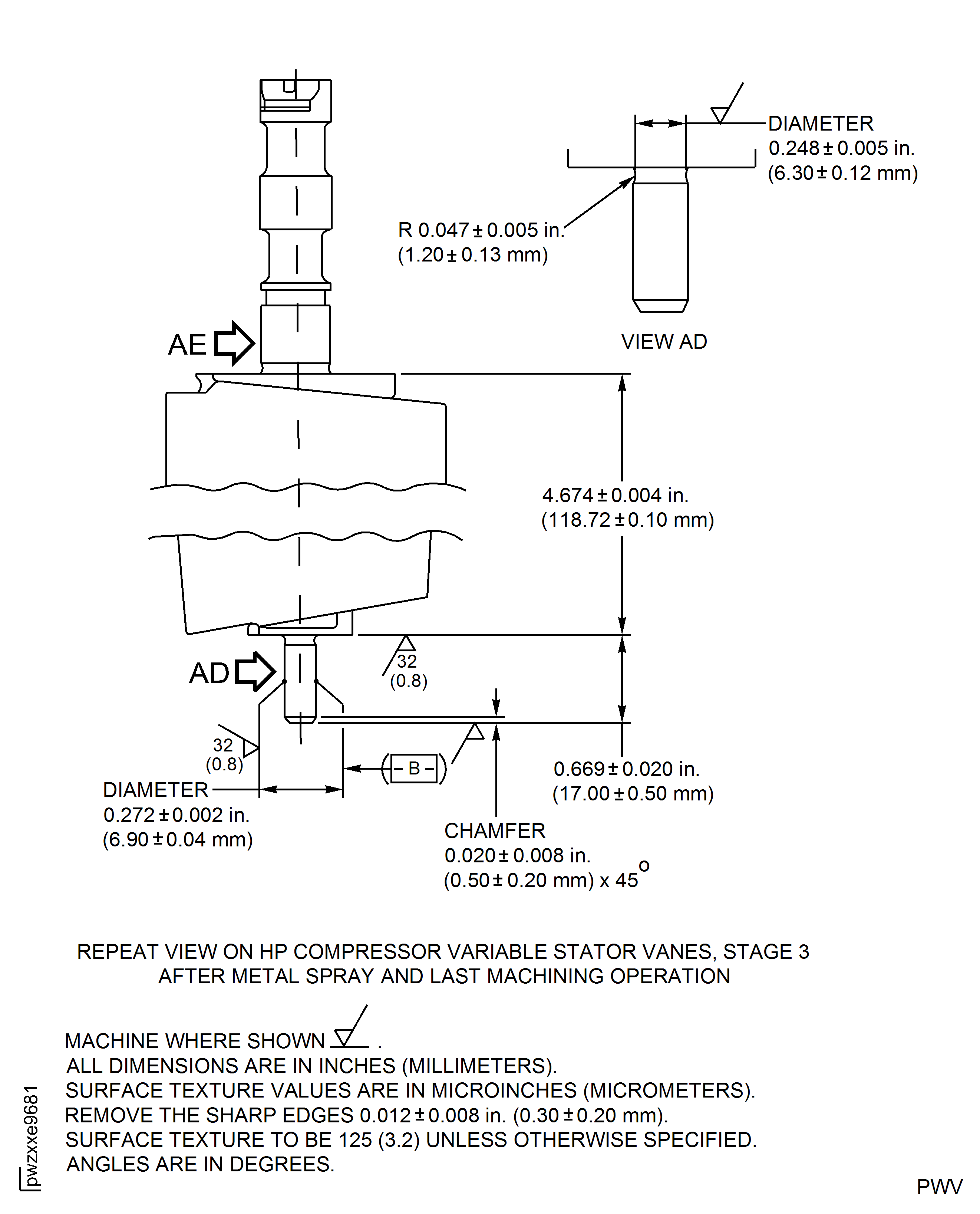
Figure: Repair Details and Dimensions - Assembly C, D and F
Repair Details and Dimensions - Assembly C, D and F

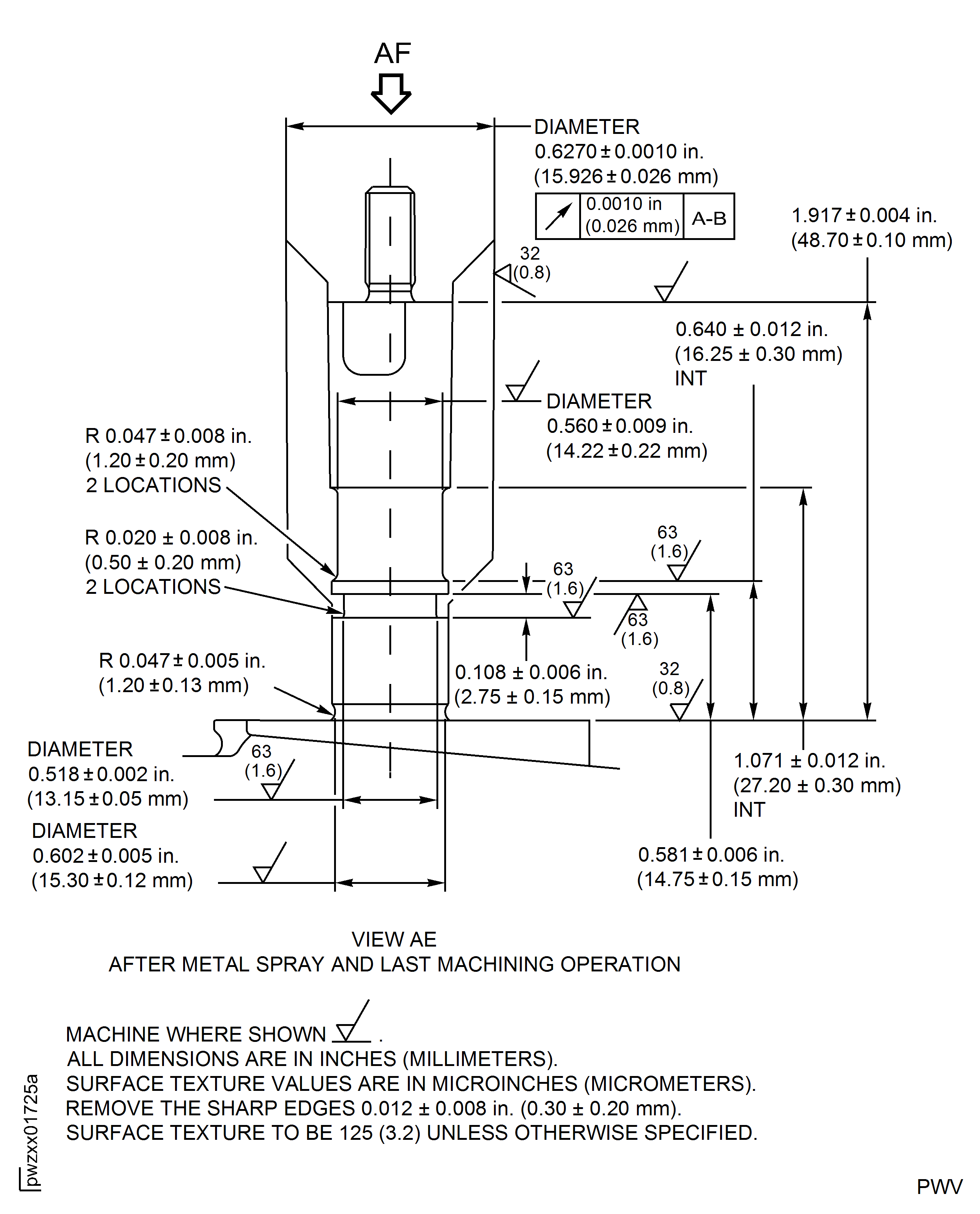
Figure: Repair Details and Dimensions - Assembly G and J
Repair Details and Dimensions - Assembly G and J

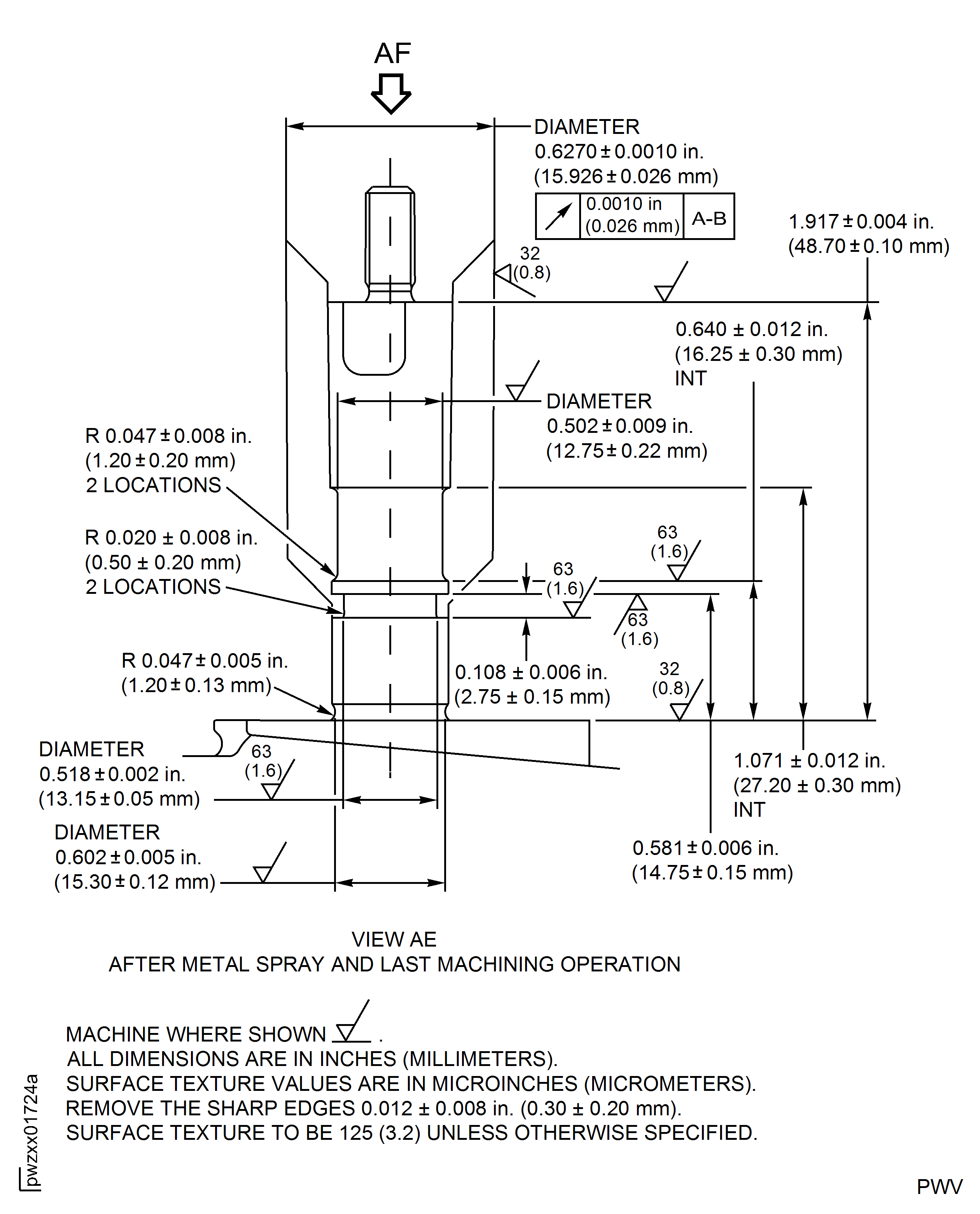
Figure: Repair Details and Dimensions - Assembly H and K
Repair Details and Dimensions - Assembly H and K

Figure: Repair Details and Dimensions - Assembly L
Repair Details and Dimensions - Assembly L

Figure: Repair Details and Dimensions - Assembly M
Repair Details and Dimensions - Assembly M

Figure: Repair Details and Dimensions - Assembly N and Q
Repair Details and Dimensions - Assembly N and Q

Figure: Repair Details and Dimensions - Assembly P and R
Repair Details and Dimensions - Assembly P and R

Figure: Repair Details and Dimensions - Assembly A, B, E, G and J
Repair Details and Dimensions - Assembly A, B, E, G and J

Figure: Repair Details and Dimensions - Assembly C, D, F, H and K
Repair Details and Dimensions - Assembly C, D, F, H and K

Figure: Repair Details and Dimensions - Assembly L and M
Repair Details and Dimensions - Assembly L and M

Figure: Repair Details and Dimensions - Assembly N, P, Q and R
Repair Details and Dimensions - Assembly N, P, Q and R

Figure: Repair Details and Dimensions - Assembly A, B and E
Repair Details and Dimensions - Assembly A, B and E

Figure: Repair Details and Dimensions - Assembly C, D and F
Repair Details and Dimensions - Assembly C, D and F

Figure: Repair Details and Dimensions - Assembly G and J
Repair Details and Dimensions - Assembly G and J

Figure: Repair Details and Dimensions - Assembly H and K
Repair Details and Dimensions - Assembly H and K

Figure: Repair Details and Dimensions - Assembly L
Repair Details and Dimensions - Assembly L

Figure: Repair Details and Dimensions - Assembly M
Repair Details and Dimensions - Assembly M

Figure: Repair Details and Dimensions - Assembly N and Q
Repair Details and Dimensions - Assembly N and Q

Figure: Repair Details and Dimensions - Assembly P and R
Repair Details and Dimensions - Assembly P and R

Figure: Repair Details and Dimensions - Assembly A and C
Repair Details and Dimensions - Assembly A and C

Figure: Repair Details and Dimensions - Assembly B, D, G and H
Repair Details and Dimensions - Assembly B, D, G and H

Figure: Repair Details and Dimensions - Assembly E and F
Repair Details and Dimensions - Assembly E and F

Figure: Repair Details and Dimensions - Assembly J and K
Repair Details and Dimensions - Assembly J and K

Figure: Repair Details and Dimensions - Assembly L
Repair Details and Dimensions - Assembly L

Figure: Repair Details and Dimensions - Assembly M
Repair Details and Dimensions - Assembly M

Figure: Repair Details and Dimensions - Assembly N
Repair Details and Dimensions - Assembly N

Figure: Repair Details and Dimensions - Assembly P
Repair Details and Dimensions - Assembly P

Figure: Repair Details and Dimensions - Assembly Q
Repair Details and Dimensions - Assembly Q

Figure: Repair Details and Dimensions - Assembly R
Repair Details and Dimensions - Assembly R

Figure: Repair Details and Dimensions - Assembly A, B, C, D, G and H
Repair Details and Dimensions - Assembly A, B, C, D, G and H

Figure: Repair Details and Dimensions - Assembly E, F, J and K
Repair Details and Dimensions - Assembly E, F, J and K

Figure: Repair Details and Dimensions - Assembly L
Repair Details and Dimensions - Assembly L

Figure: Repair Details and Dimensions - Assembly M
Repair Details and Dimensions - Assembly M

Figure: Repair Details and Dimensions - Assembly N
Repair Details and Dimensions - Assembly N

Figure: Repair Details and Dimensions - Assembly P
Repair Details and Dimensions - Assembly P

Figure: Repair Details and Dimensions - Assembly Q
Repair Details and Dimensions - Assembly Q

Figure: Repair Details and Dimensions - Assembly R
Repair Details and Dimensions - Assembly R

