Export Control
EAR Export Classification: Not subject to the EAR per 15 C.F.R. Chapter 1, Part 734.3(b)(3), except for the following Service Bulletins which are currently published as EAR Export Classification 9E991: SBE70-0992, SBE72-0483, SBE72-0580, SBE72-0588, SBE72-0640, SBE73-0209, SBE80-0024 and SBE80-0025.Copyright
© IAE International Aero Engines AG (2001, 2014 - 2021) The information contained in this document is the property of © IAE International Aero Engines AG and may not be copied or used for any purpose other than that for which it is supplied without the express written authority of © IAE International Aero Engines AG. (This does not preclude use by engine and aircraft operators for normal instructional, maintenance or overhaul purposes.).Applicability
All
Common Information
TASK 72-41-32-300-015 HP Compressor Variable Stator Vane, Stage 5 - Repair Worn/Damaged Inner And/or Outer Pivot Journal, By Metal Spray, Repair-015 (VRS6184)
Effectivity
FIG/ITEM | PART NO. | ASSEMBLY |
|---|---|---|
04-500 | 6A3697 | A |
04-500 | 6A3881 | B |
04-500 | 6A4331 | C |
04-500 | 6A5762 | D |
04-500 | 6A7479 | C |
04-500 | 6A7559 | E |
04-500 | 6A8065 | F |
04-500 | 6A8070 | G |
04-500 | 6A8725 | E |
04-500 | 6A8840 | H |
04-500 | 6B1277 | J |
04-600 | 6A3698 | K |
04-600 | 6A3882 | L |
04-600 | 6A4332 | M |
04-600 | 6A5763 | N |
04-600 | 6A7480 | M |
04-600 | 6A7560 | P |
04-600 | 6A8066 | Q |
04-600 | 6A8071 | R |
04-600 | 6A8728 | P |
04-600 | 6A8839 | S |
04-600 | 6B1276 | T |
Material of component
PART IDENT | SYMBOL | MATERIAL |
|---|---|---|
HP Compressor Variable Stator Vane, Stage 5 | EYG or ECP | Heat Resisting Alloy |
Corrosion Resistant Alloy |
General
This TASK gives the procedure to repair a worn or damaged inner and/or outer pivot journal on the HP Compressor Stage 5 Variable Stator Vane, by metal spray.
TASKS identified by SPM TASK are in the Standard Practices Manual.
Price and Availability.
Refer to International Aero Engines.
Related Repairs.
None.
NOTE
Equipment and materials necessary to do this repair are in the SPM TASKS given below: SPM TASK 70-09-00-400-501
NOTE
NOTE
NOTE
Preliminary Requirements
Pre-Conditions
NONESupport Equipment
| Name | Manufacturer | Part Number / Identification | Quantity | Remark |
|---|---|---|---|---|
| Chemical cleaning equipment | LOCAL | Chemical cleaning equipment | ||
| Penetrant Crack Test Equipment | LOCAL | Penetrant crack test equipment | ||
| Lathe | LOCAL | Lathe | ||
| Dial test indicator | LOCAL | Dial test indicator | ||
| Abrasive Blast Equipment | LOCAL | Abrasive Blast Equipment | ||
| Metal spray equipment | LOCAL | Metal spray equipment | ||
| External grinding equipment | LOCAL | External grinding equipment | ||
| Standard Workshop Equipment | LOCAL | Standard Workshop Equipment | ||
| Vibro-engraving equipment | LOCAL | Vibro-engraving equipment | ||
| Workshop inspection equipment | LOCAL | Workshop inspection equipment |
Consumables, Materials and Expendables
| Name | Manufacturer | Part Number / Identification | Quantity | Remark |
|---|---|---|---|---|
| CoMat 02-198 ADHESIVE TAPE (MASKING METAL SPRAY) | 07512 | CoMat 02-198 | ||
| CoMat 03-320 METAL SPRAYING POWDER,WC/Co | LOCAL | CoMat 03-320 | ||
| CoMat 03-456 METAL SPRAY POWDER WC-17CO | 39918 | CoMat 03-456 | ||
| CoMat 05-001 ABRASIVE MEDIUM, ALUMINIUM OXIDE, 20/30 GRADE | LOCAL | CoMat 05-001 | ||
| CoMat 05-002 ABRASIVE MEDIUM, ALUMINUM OXIDE | LOCAL | CoMat 05-002 | ||
| CoMat 06-063 FLUORESCENT PENETRANT (POST-EMULSIFIED MEDIUM SENSITIVITY) | X222X | CoMat 06-063 |
Spares
NONESafety Requirements
CAUTION
Procedure
The minimum worn or damaged diameter of the inner pivot and outer pivot journal that can be repaired is 0.2619 in. (6.653 mm) and 0.6170 in. (15.672 mm) respectively.
Continue with this repair.
If dimensions are within the limits.
Reject the vane.
if dimensions are not within the limits.
Examine the HP Compressor Variable Stator Vane, Stage 5, inner and/or outer pivot journal.
SUBTASK 72-41-32-220-133 Examine the HP Compressor Variable Stator Vane, Stage 5
Use a Lathe and a Dial test indicator.
Set up the HP Compressor Variable Stator Vane, Stage 5, to run true.
Make sure that all the damage is removed and the area is made smooth into the adjacent material.
Use a Lathe.
NOTE
The minimum diameter of the inner pivot journal must be 0.2609 in. (6.627 mm) after the wear and/or damage removed.
The minimum diameter of the outer pivot journal must be 0.4585 in. (11.646 mm) after the wear and/or damage removed.
Turn to remove damage and/or wear from the inner and/or outer pivot journal.
SUBTASK 72-41-32-325-052 Remove Damage from the HP Compressor Variable Stator Vane, Stage 5

CAUTION
DO NOT REMOVE MATERIAL FROM THE HP COMPRESSOR VARIABLE STATOR VANE, STAGE 5, INNER AND OUTER RADII.SUBTASK 72-41-32-220-134 Examine the HP Compressor Variable Stator Vane, Stage 5
Refer to SPM TASK 70-11-03-300-503.
Chemically clean.
SUBTASK 72-41-32-110-077 Chemically Clean
Refer to SPM TASK 70-11-39-300-503, SUBTASK 70-11-39-300-001.
Swab etch the repaired area.
SUBTASK 72-41-32-110-078 Do a Swab Etch
Refer to SPM TASK 70-23-01-230-501.
Cracks are not permitted.
Do a penetrant crack test on the repair area.
SUBTASK 72-41-32-230-074 Do a Crack Test
Refer to SPM TASK 70-12-02-120-501.
Abrasive blast the surfaces to be repaired.
SUBTASK 72-41-32-120-054 Prepare the Surfaces for Repair

CAUTION
DO NOT TOUCH SURFACES TO BE REPAIRED AFTER THEY HAVE BEEN CLEANED.
CAUTION
TOO MUCH ABRASIVE BLAST CAN CAUSE DETERIORATION OF THE PREPARED SURFACE CONDITION AND MUST BE PREVENTED.Refer to SPM TASK 70-34-01-340-501, SUBTASK 70-34-01-340-014.
Apply a layer of sufficient thickness to get the correct dimensions after the component is machined.
Apply the metal spray to the HP Compressor Variable Stator Vane, Stage 5, inner and/or outer pivot journal.
Remove the masking tape.
SUBTASK 72-41-32-340-052 Apply the Metal Spray Coat
Refer to SPM TASK 70-34-01-340-501, SUBTASK 70-34-01-340-002.
Make sure there is a layer of sufficient thickness to get the correct dimensions, after the component is machined.
Visually examine and measure the dimensions of the sprayed coating.
SUBTASK 72-41-32-220-135 Examine the HP Compressor Variable Stator Vane, Stage 5
Use an External grinding equipment and a Dial test indicator.
Set up the HP Compressor Variable Stator Vane, Stage 5, to run true.
Remove unwanted metal spray from all other surfaces to the dimensions given.
SUBTASK 72-41-32-324-053 Grind the HP Compressor Variable Stator Vane, Stage 5, Inner and/or Outer Pivot Journal
Refer to SPM TASK 70-11-03-300-503.
Chemically clean.
SUBTASK 72-41-32-110-079 Chemically Clean
NOTE
If the HP Compressor Variable Stator Vanes, Stage 5 are already identified with the repair scheme number "VRS6184" by vibro peen process from the previous repair application, further identification is not required.For Assembly A, Assembly B, Assembly C, Assembly K, Assembly L and Assembly M, refer to Figure.
For Assembly D and Assembly N, refer to Figure.
For Assembly E and Assembly P, refer to Figure.
For Assembly F, Assembly G, Assembly Q and Assembly R, refer to Figure.
For Assembly H and Assembly S, refer to Figure.
For Assembly J and Assembly T, refer to Figure.
Refer to SPM TASK 70-09-00-400-501, SUBTASK 70-09-00-400-001.
Remove all burrs and raised material made by vibro-engraving.
Vibro-engrave VRS6184, adjacent to the assembly number.
SUBTASK 72-41-32-350-084 Identify the Repair
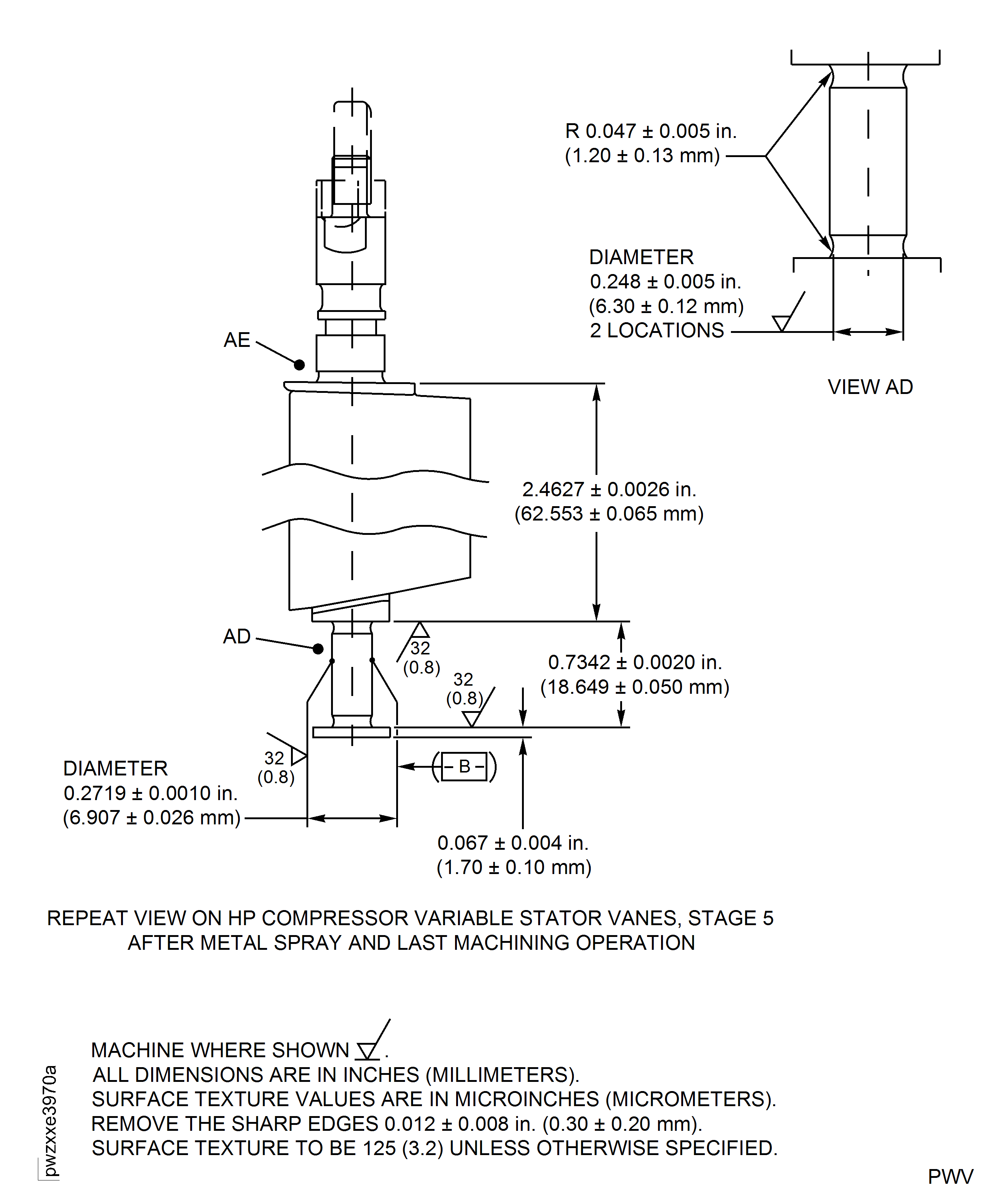
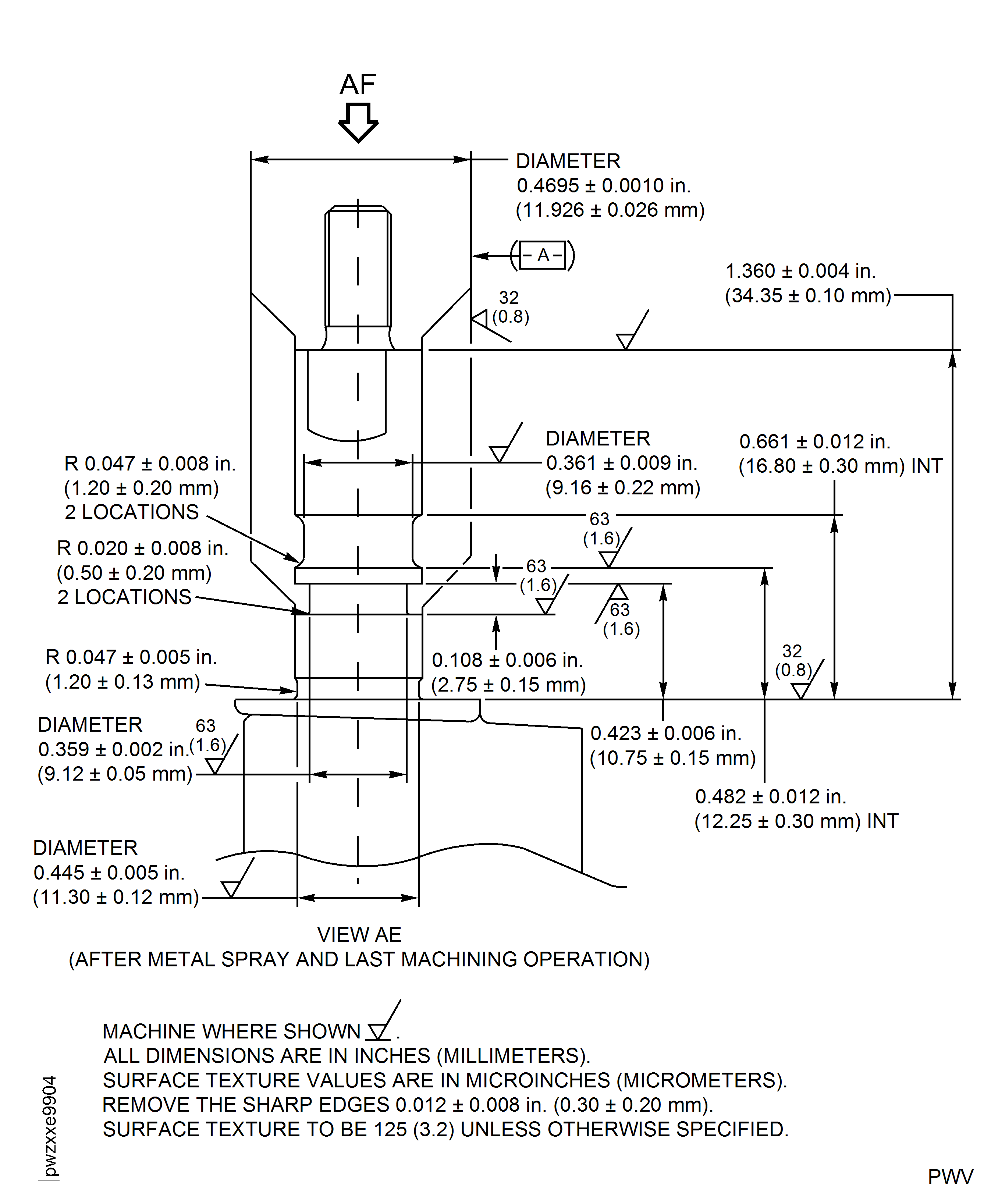
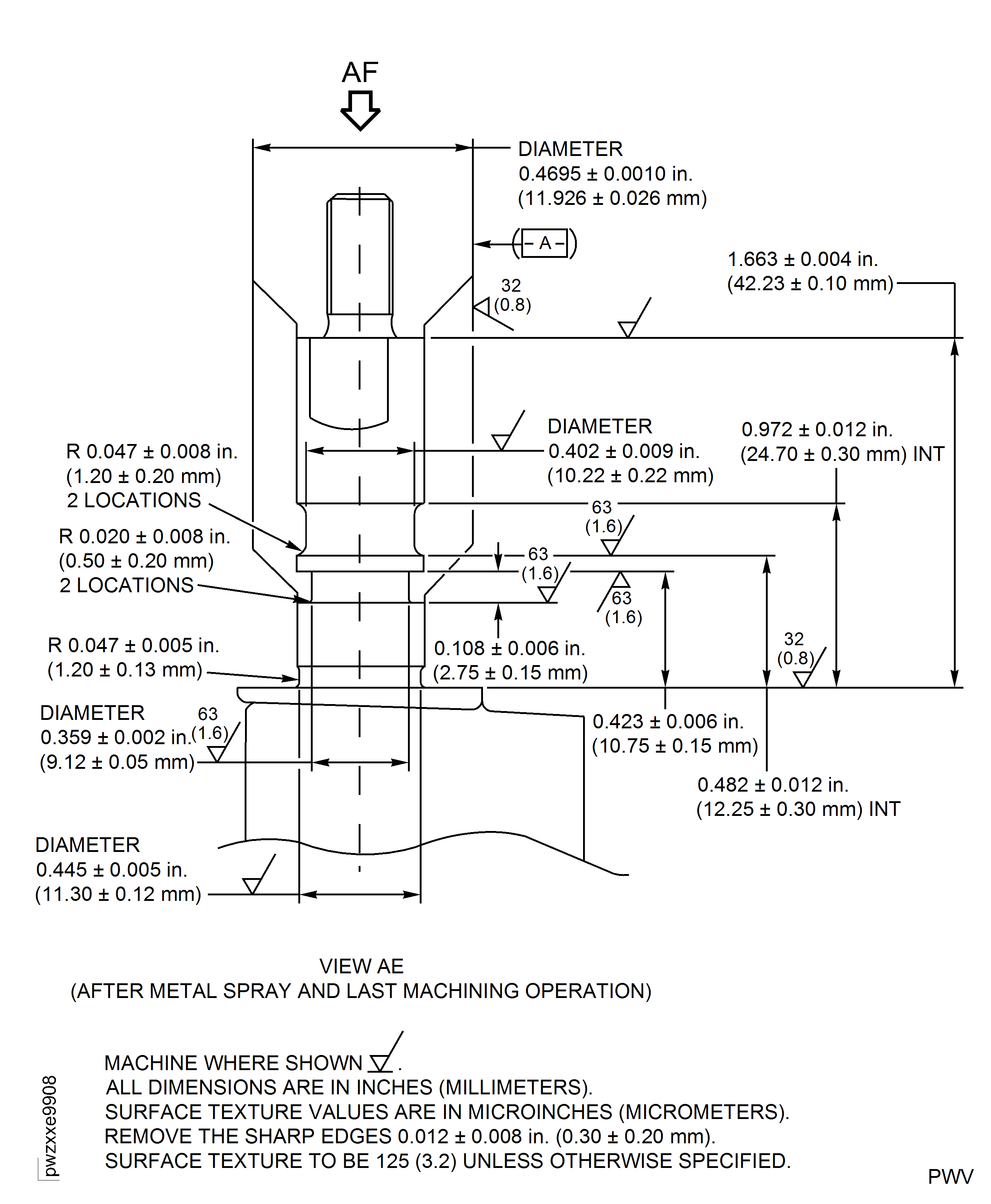
Figure: Repair Details and Dimensions - Assembly A, Assembly B, Assembly C, Assembly K, Assembly L and Assembly M
Repair Details and Dimensions - Assembly A, Assembly B, Assembly C, Assembly K, Assembly L and Assembly M

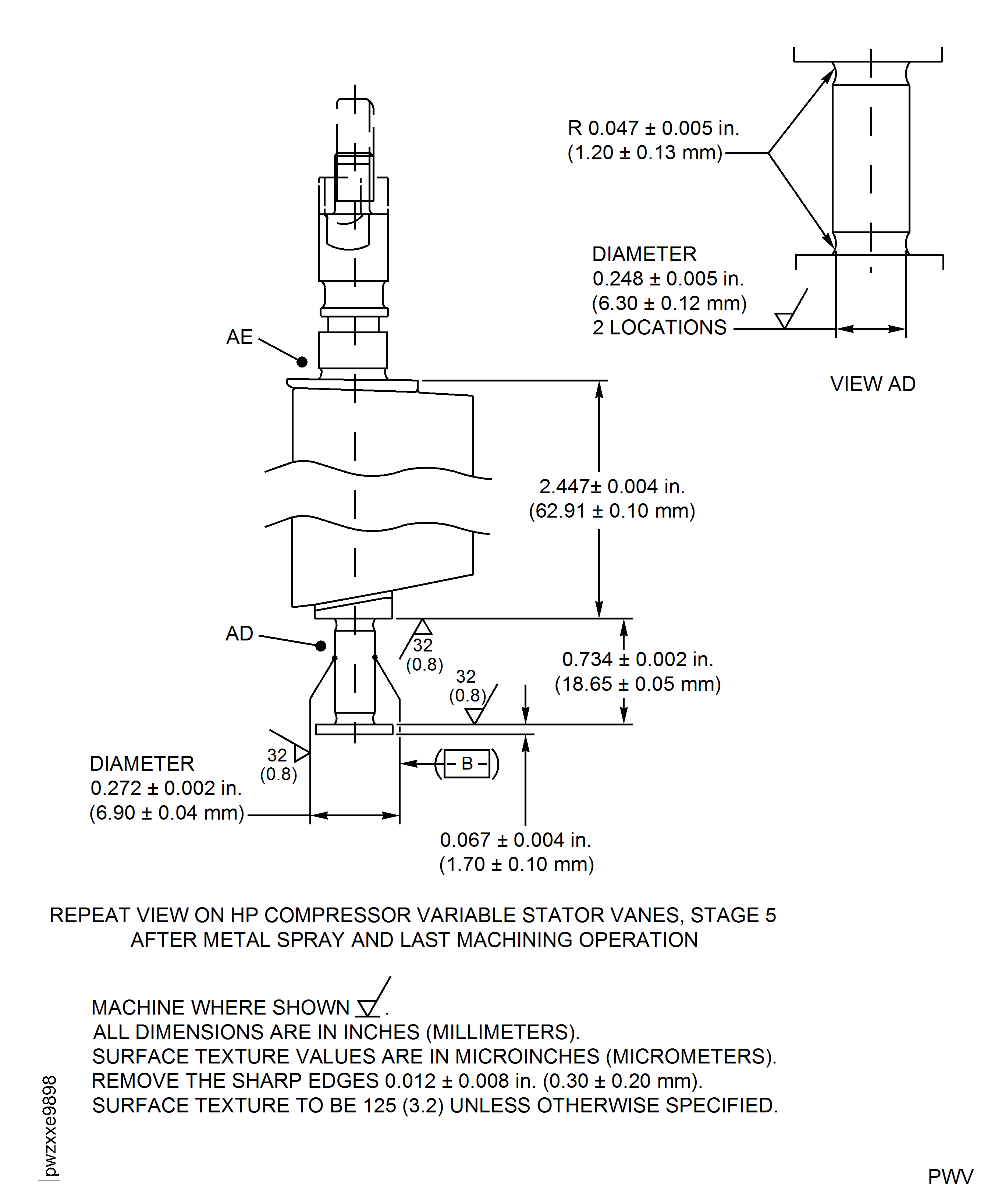
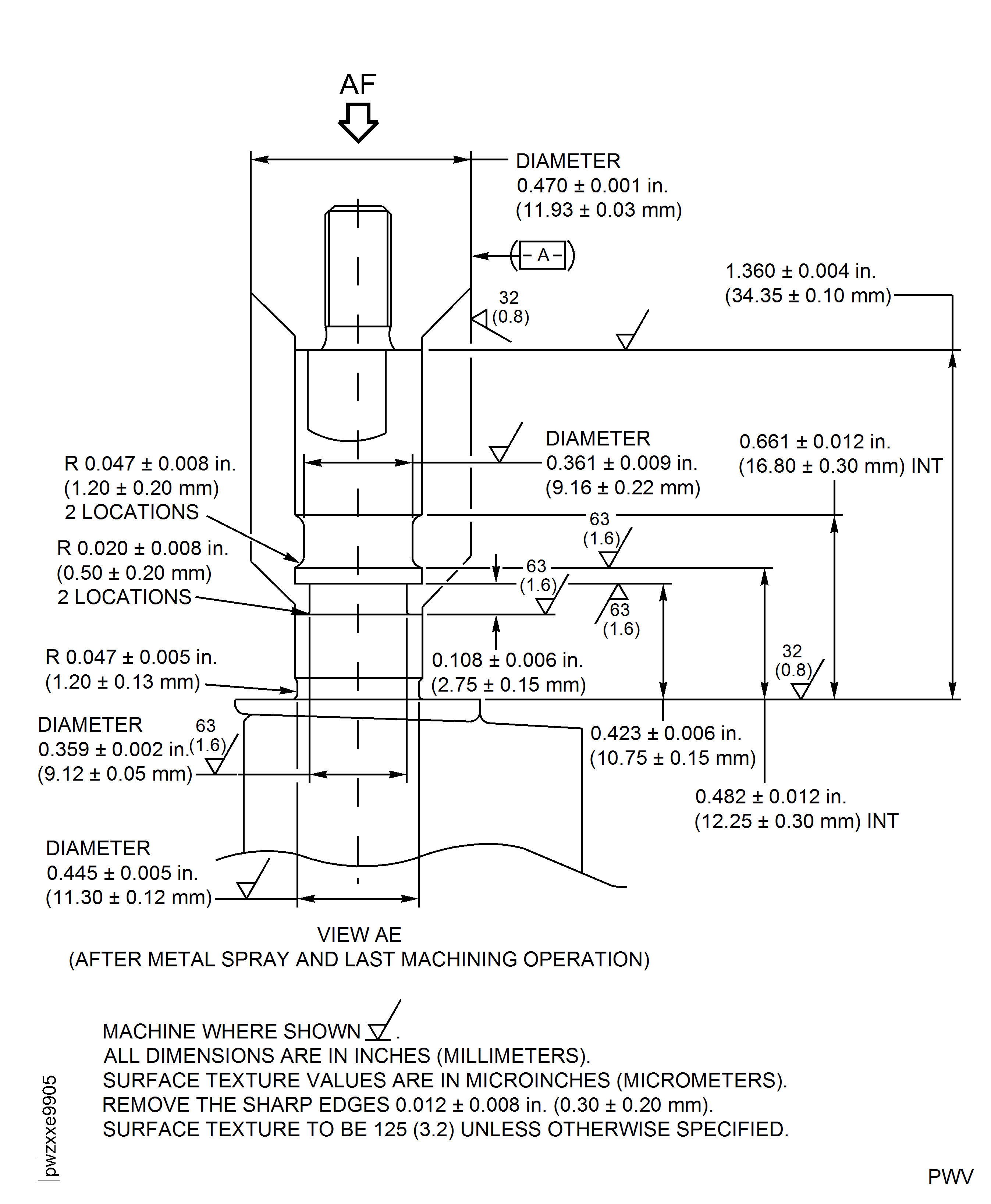
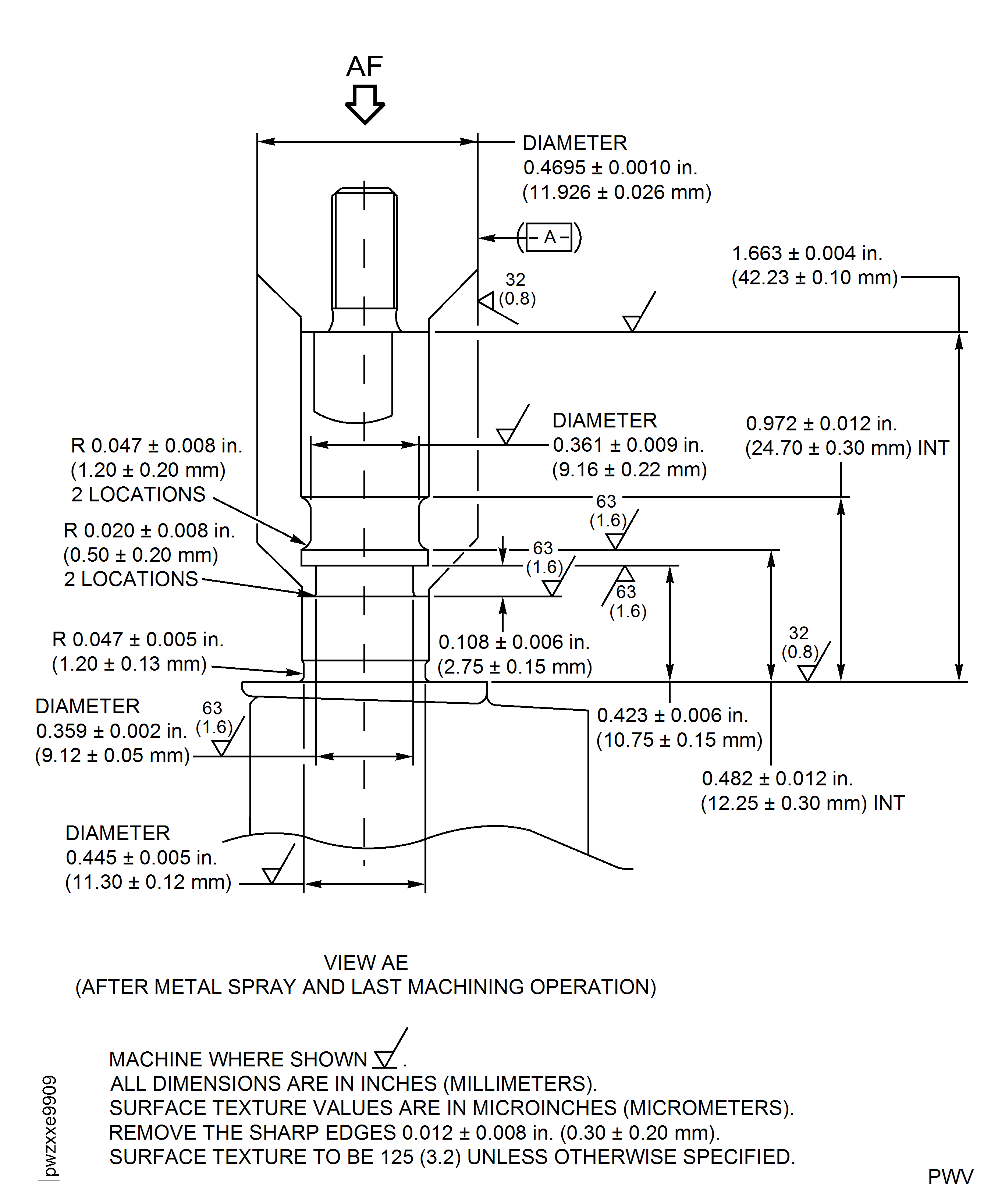
Figure: Repair Details and Dimensions - Assembly D and Assembly N
Repair Details and Dimensions - Assembly D and Assembly N

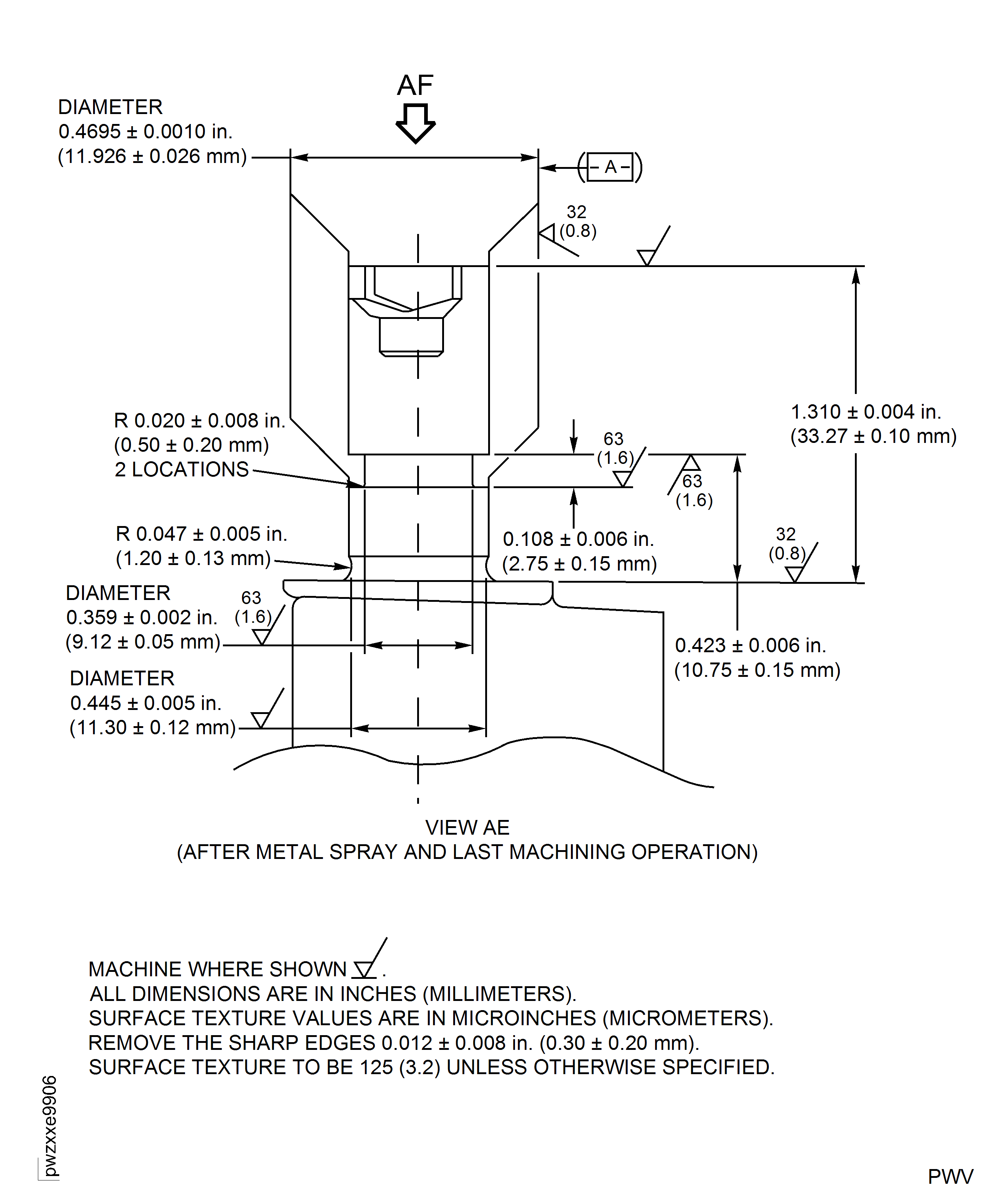
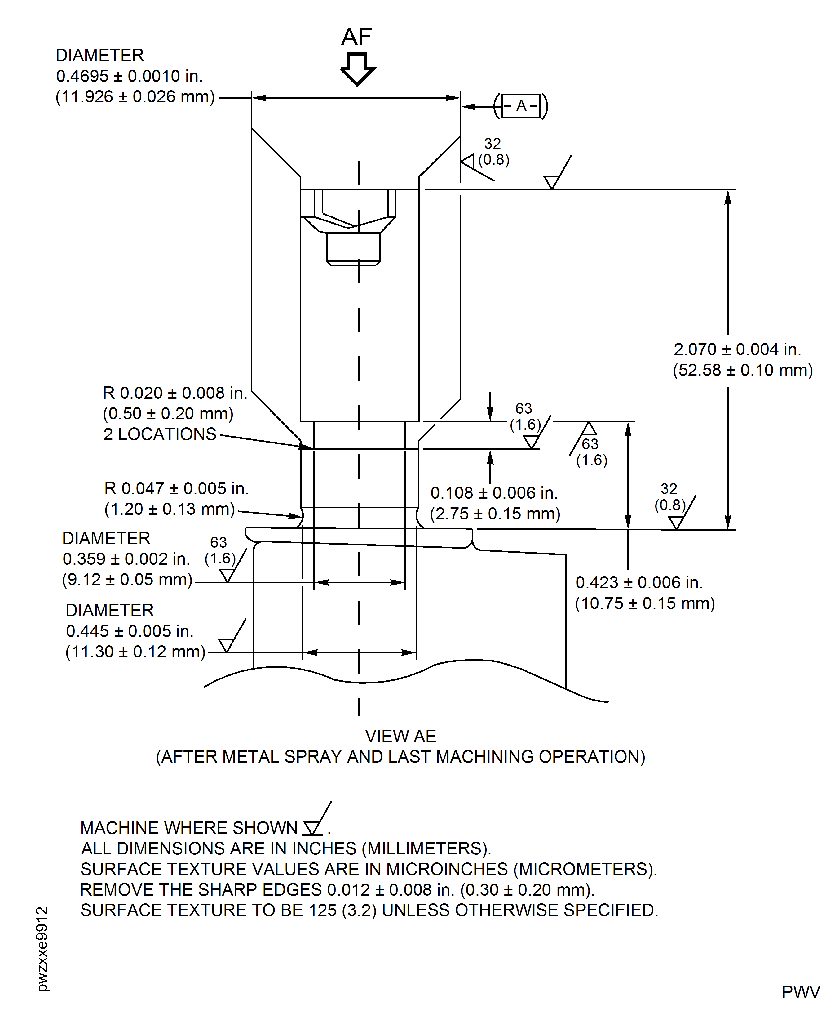
Figure: Repair Details and Dimensions - Assembly E and Assembly P
Repair Details and Dimensions - Assembly E and Assembly P

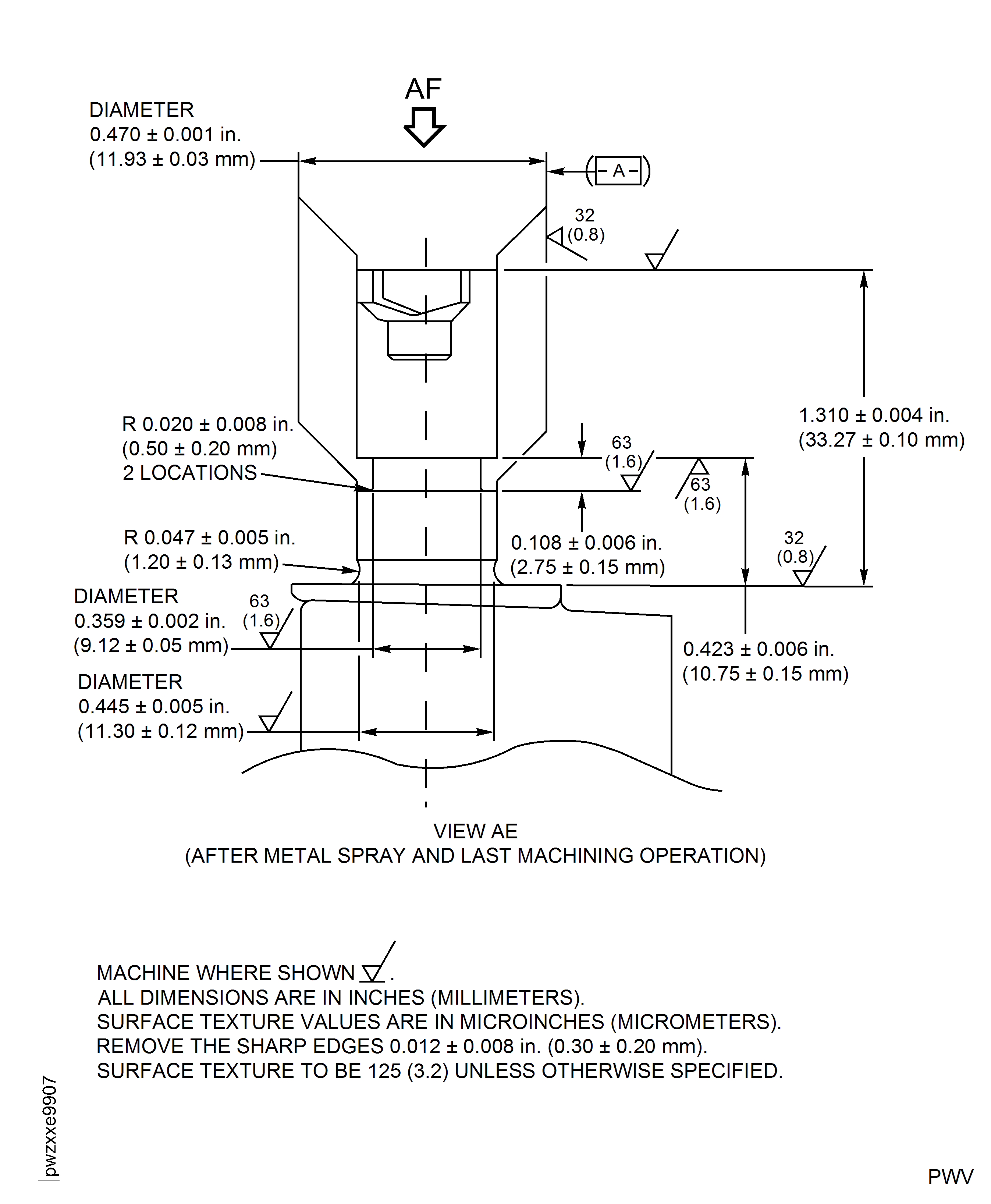
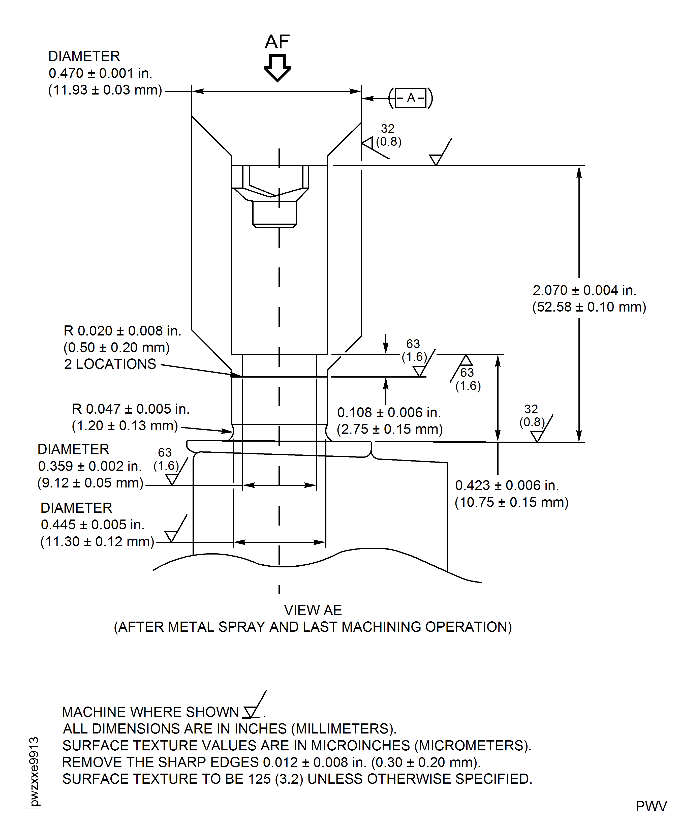
Figure: Repair Details and Dimensions - Assembly F, Assembly G, Assembly Q and Assembly R
Repair Details and Dimensions - Assembly F, Assembly G, Assembly Q and Assembly R

Figure: Repair Details and Dimensions - Assembly H and Assembly S
Repair Details and Dimensions - Assembly H and Assembly S

Figure: Repair Details and Dimensions - Assembly J and Assembly T
Repair Details and Dimensions - Assembly J and Assembly T

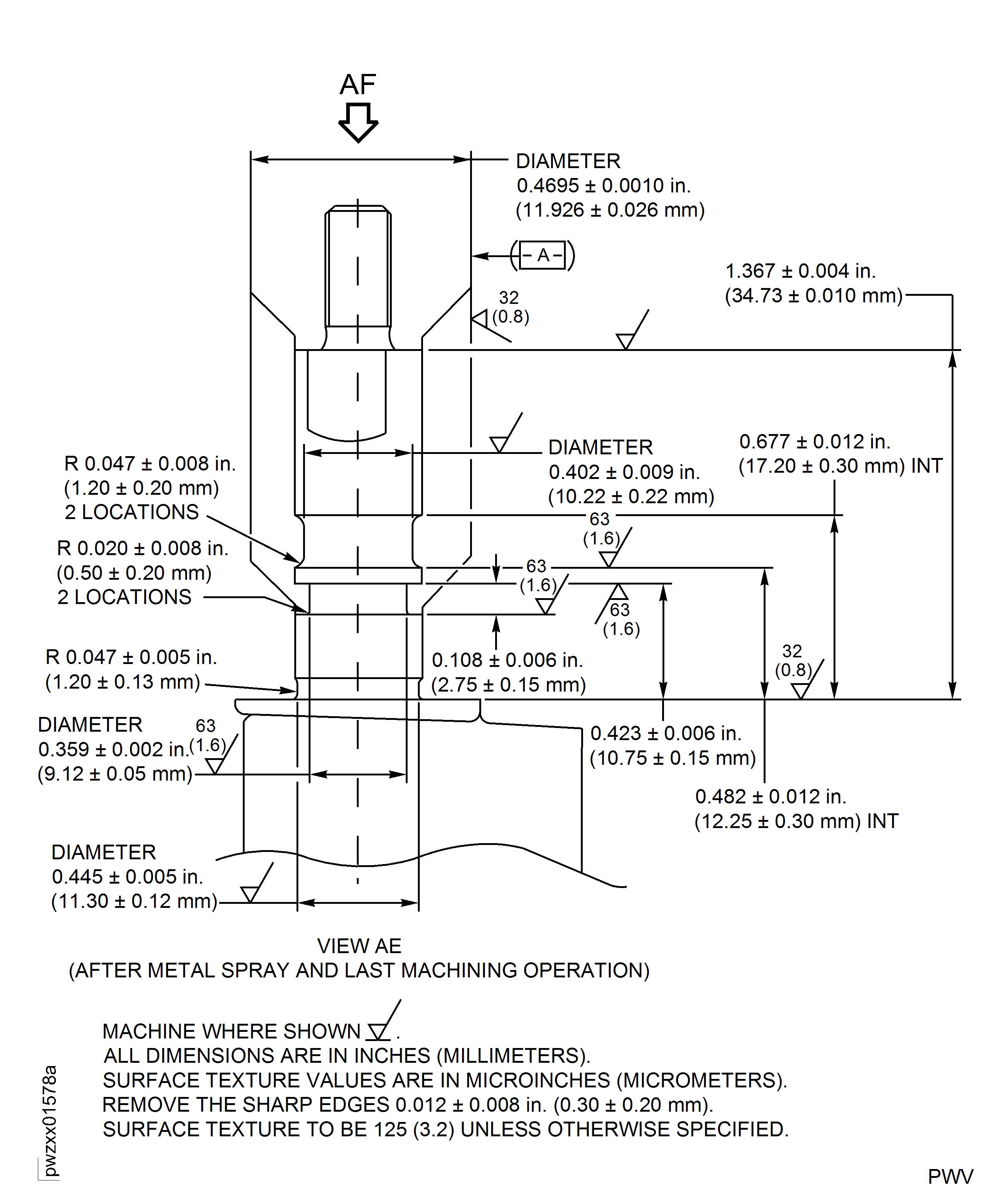
Figure: Repair Details and Dimensions - Assembly A, Assembly B, Assembly C, Assembly D, Assembly K, Assembly L, Assembly M and Assembly N
Repair Details and Dimensions - Assembly A, Assembly B, Assembly C, Assembly D, Assembly K, Assembly L, Assembly M and Assembly N

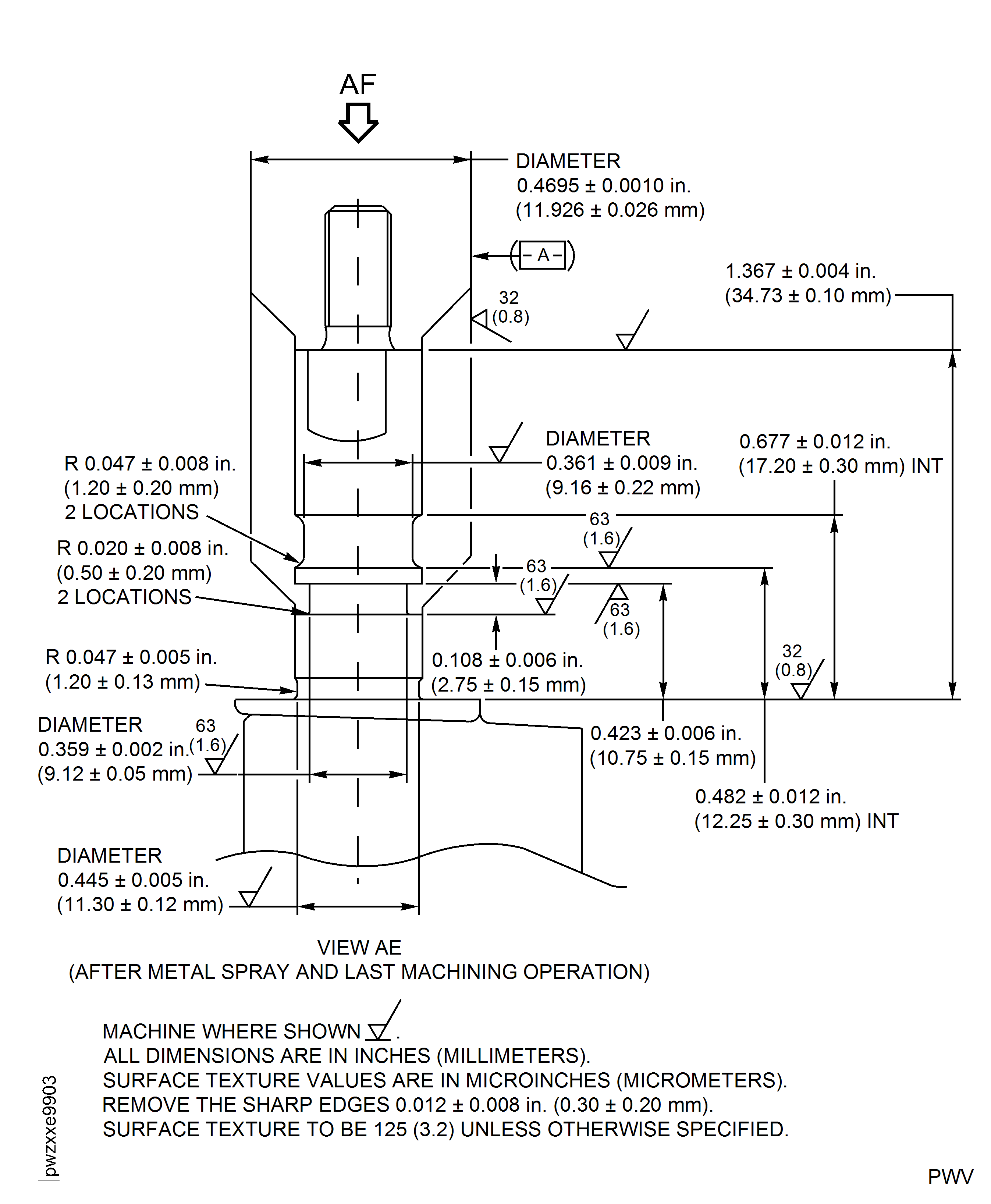
Figure: Repair Details and Dimensions - Assembly E, Assembly F, Assembly G, Assembly P, Assembly Q and Assembly R
Repair Details and Dimensions - Assembly E, Assembly F, Assembly G, Assembly P, Assembly Q and Assembly R

Figure: Repair Details and Dimensions - Assembly H, Assembly J, Assembly S and Assembly T
Repair Details and Dimensions - Assembly H, Assembly J, Assembly S and Assembly T

Figure: Repair Details and Dimensions - Assembly A, Assembly B, Assembly K and Assembly L
Repair Details and Dimensions - Assembly A, Assembly B, Assembly K and Assembly L

Figure: Repair Details and Dimensions - Assembly C and Assembly M
Repair Details and Dimensions - Assembly C and Assembly M

Figure: Repair Details and Dimensions - Assembly D and Assembly N
Repair Details and Dimensions - Assembly D and Assembly N

Figure: Repair Details and Dimensions - Assembly E and Assembly P
Repair Details and Dimensions - Assembly E and Assembly P

Figure: Repair Details and Dimensions - Assembly F, Assembly G, Assembly Q and Assembly R
Repair Details and Dimensions - Assembly F, Assembly G, Assembly Q and Assembly R

Figure: Repair Details and Dimensions - Assembly H and Assembly S
Repair Details and Dimensions - Assembly H and Assembly S

Figure: Repair Details And Dimensions - Assembly J And Assembly T
Repair Details And Dimensions - Assembly J And Assembly T

Figure: Repair Details and Dimensions - Assembly A and Assembly G
Repair Details and Dimensions - Assembly A and Assembly G

Figure: Repair Details and Dimensions - Assembly B and Assembly F
Repair Details and Dimensions - Assembly B and Assembly F

Figure: Repair Details and Dimensions - Assembly C
Repair Details and Dimensions - Assembly C

Figure: Repair Details and Dimensions - Assembly D and Assembly E
Repair Details and Dimensions - Assembly D and Assembly E

Figure: Repair Details and Dimensions - Assembly H
Repair Details and Dimensions - Assembly H

Figure: Repair Details and Dimensions - Assembly J
Repair Details and Dimensions - Assembly J

Figure: Repair Details and Dimensions - Assembly K and Assembly R
Repair Details and Dimensions - Assembly K and Assembly R

Figure: Repair Details and Dimensions - Assembly L and Assembly Q
Repair Details and Dimensions - Assembly L and Assembly Q

Figure: Repair Details and Dimensions - Assembly M
Repair Details and Dimensions - Assembly M

Figure: Repair Details and Dimensions - Assembly N and Assembly P
Repair Details and Dimensions - Assembly N and Assembly P

Figure: Repair Details and Dimensions - Assembly S
Repair Details and Dimensions - Assembly S

Figure: Repair Details and Dimensions - Assembly T
Repair Details and Dimensions - Assembly T

Figure: Repair Details and Dimensions - Assembly A, Assembly B, Assembly F and Assembly G
Repair Details and Dimensions - Assembly A, Assembly B, Assembly F and Assembly G

Figure: Repair Details and Dimensions - Assembly C, Assembly D and Assembly E
Repair Details and Dimensions - Assembly C, Assembly D and Assembly E

Figure: Repair Details and Dimensions - Assembly H
Repair Details and Dimensions - Assembly H

Figure: Repair Details and Dimensions - Assembly J
Repair Details and Dimensions - Assembly J

Figure: Repair Details and Dimensions - Assembly K, Assembly L, Assembly Q and Assembly R
Repair Details and Dimensions - Assembly K, Assembly L, Assembly Q and Assembly R

Figure: Repair Details and Dimensions - Assembly M, Assembly N and Assembly P
Repair Details and Dimensions - Assembly M, Assembly N and Assembly P

Figure: Repair Details and Dimensions - Assembly S
Repair Details and Dimensions - Assembly S

Figure: Repair Details and Dimensions - Assembly T
Repair Details and Dimensions - Assembly T

