DMC:V2500-A0-72-42-3100-00A-933A-CIssue No:001.00Issue Date:2013-11-01
Export Control
EAR Export Classification: Not subject to the EAR per 15 C.F.R. Chapter 1, Part 734.3(b)(3), except for the following Service Bulletins which are currently published as EAR Export Classification 9E991: SBE70-0992, SBE72-0483, SBE72-0580, SBE72-0588, SBE72-0640, SBE73-0209, SBE80-0024 and SBE80-0025.Copyright
© IAE International Aero Engines AG (2001, 2014 - 2021) The information contained in this document is the property of © IAE International Aero Engines AG and may not be copied or used for any purpose other than that for which it is supplied without the express written authority of © IAE International Aero Engines AG. (This does not preclude use by engine and aircraft operators for normal instructional, maintenance or overhaul purposes.).Applicability
All
Common Information
TASK 72-42-31-840-001 No. 4 Bearing Support - Rework The Support, Rework-001 - SBE 72-0040
General
The practices and processes referred to in the procedure by the TASK numbers are in the SPM.
Refer to the indicated Service Bulletin for specific application requirements.
NOTE
To identify the consumable materials refer to the PCI.
Preliminary Requirements
Pre-Conditions
NONESupport Equipment
NONEConsumables, Materials and Expendables
| Name | Manufacturer | Part Number / Identification | Quantity | Remark |
|---|---|---|---|---|
| CoMat 05-033 CAST STEEL SHOT DELETED | 0AM53 | CoMat 05-033 |
Spares
NONESafety Requirements
NONEProcedure
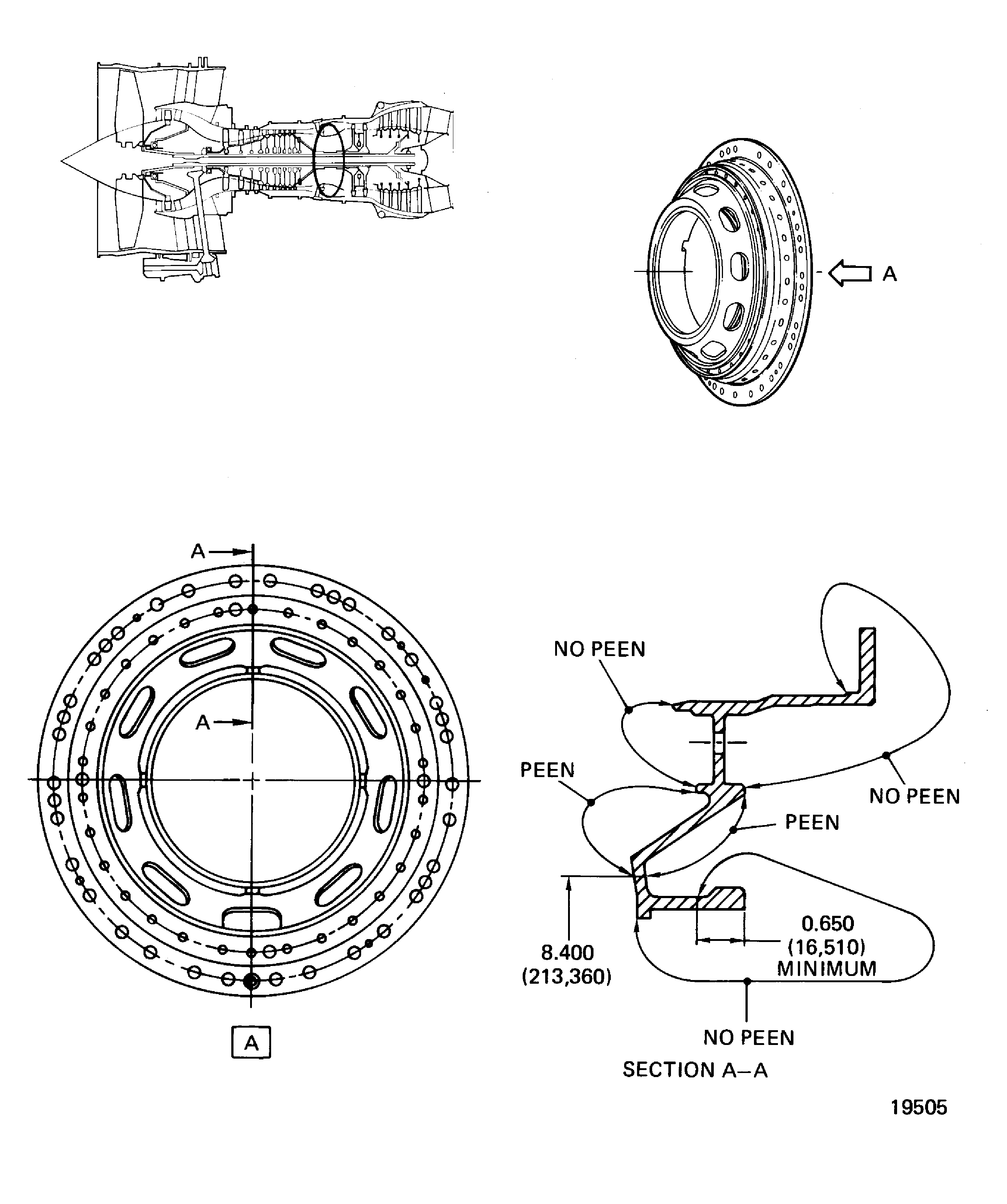
Refer to Figure.
Round the edges of all the slots.
SUBTASK 72-42-31-350-051 Round the Edges of all the Slots in the No. 4 Bearing Support Assembly
Refer to Figure and TASK 70-38-13-380-501.
NOTE
Overspray is permitted on all other surfaces unless specified differently.
Shotpeen the support assembly at an intensity of 6A. Use CoMat 05-033 CAST STEEL SHOT DELETED (hardness 45 - 55 HRC or equivalent).
SUBTASK 72-42-31-380-051 Shotpeen the No. 4 Bearing Support Assembly
Figure: Rework the No. 4 bearing support assembly
Rework the No. 4 bearing support assembly

Figure: Rework the No. 4 bearing support assembly
Rework the No. 4 bearing support assembly

