Export Control
EAR Export Classification: Not subject to the EAR per 15 C.F.R. Chapter 1, Part 734.3(b)(3), except for the following Service Bulletins which are currently published as EAR Export Classification 9E991: SBE70-0992, SBE72-0483, SBE72-0580, SBE72-0588, SBE72-0640, SBE73-0209, SBE80-0024 and SBE80-0025.Copyright
© IAE International Aero Engines AG (2001, 2014 - 2021) The information contained in this document is the property of © IAE International Aero Engines AG and may not be copied or used for any purpose other than that for which it is supplied without the express written authority of © IAE International Aero Engines AG. (This does not preclude use by engine and aircraft operators for normal instructional, maintenance or overhaul purposes.).Applicability
All
Common Information
TASK 72-50-23-300-025 LPT Stage 3 Outer Shroud Seal Segment - Plasma Spray The Front Location Groove, Repair-025 (VRS4105)
General
Price and availability - none
The practices and processes referred to in the procedure by the TASK number are in the SPM.
NOTE
NOTE
NOTE
Preliminary Requirements
Pre-Conditions
NONESupport Equipment
| Name | Manufacturer | Part Number / Identification | Quantity | Remark |
|---|---|---|---|---|
| Dial caliper | LOCAL | Dial caliper | ||
| External micrometer | LOCAL | External micrometer | ||
| Radius gage set | LOCAL | Radius gage set | ||
| Roughness microtester | LOCAL | Roughness microtester | ||
| Turntable | LOCAL | Turntable | ||
| Vertical turning lathe | LOCAL | Vertical turning lathe | ||
| IAE 3M14261 Turning fixture | 0AM53 | IAE 3M14261 | 1 | |
| IAE 3M14276 Masking fixture | 0AM53 | IAE 3M14276 | 1 | |
| IAE 3M14277 Masking fixture | 0AM53 | IAE 3M14277 | 1 | |
| IAE 3M14288 Adapter | 0AM53 | IAE 3M14288 | 1 | |
| IAE 3M14342 Base plate | 0AM53 | IAE 3M14342 | 1 | |
| IAE 3M14343 Masking fixture | 0AM53 | IAE 3M14343 | 1 | |
| IAE 3M14344 Masking fixture | 0AM53 | IAE 3M14344 | 1 | |
| IAE 3M14345 Silicone rubber cover | 0AM53 | IAE 3M14345 | 1 |
Consumables, Materials and Expendables
| Name | Manufacturer | Part Number / Identification | Quantity | Remark |
|---|---|---|---|---|
| CoMat 02-047 TAPE, HEAT REFLECTIVE | 52152 | CoMat 02-047 | ||
| CoMat 02-050 HIGH TEMPERATURE GLASS CLOTH TAPE | 76381 | CoMat 02-050 | ||
| CoMat 03-089 METAL SPRAYING POWDER Ni/Al (95/5) | 00741 | CoMat 03-089 | ||
| CoMat 03-090 METAL SPRAYING POWDER Ni/Al (95/5) | 0AM53 | CoMat 03-090 | ||
| CoMat 05-046 ALUMINUM OXIDE GRIT | 62596 | CoMat 05-046 |
Spares
NONESafety Requirements
NONEProcedure
Use IAE 3M14261 Turning fixture 1 off and vertical turning lathe.
Refer to Figure.
Remove old coating and damage fully. Keep material removal to the minimum to allow subsequent repairs.
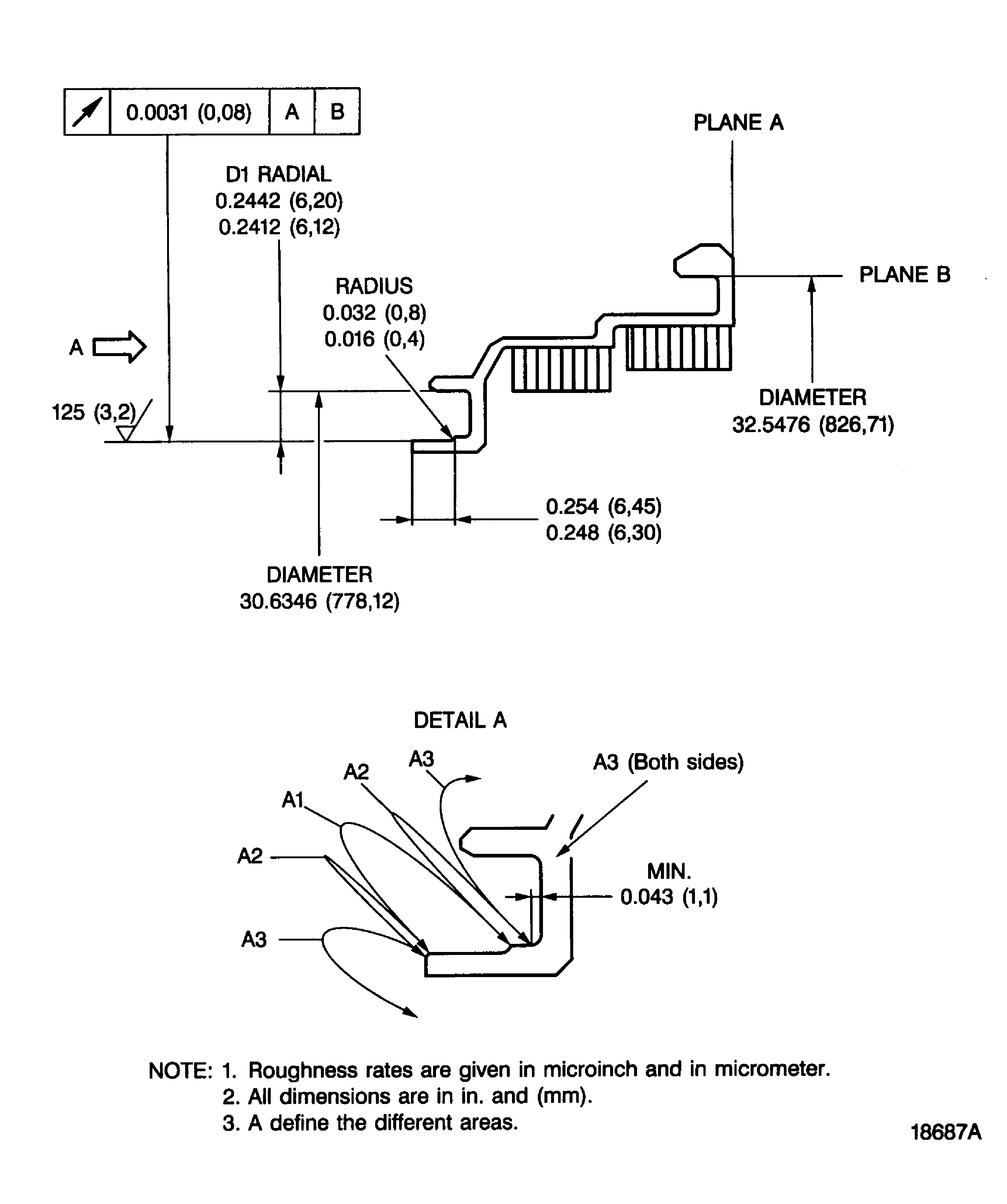
Machine the radial dimension D1.
SUBTASK 72-50-23-325-055 Machine the Radial Dimension D1
NOTE
If the shroud seal segment was plasma spray repaired before remove the old coating fully.Refer to the SPM TASK 70-11-01-300-503.
Vapor degrease.
SUBTASK 72-50-23-110-062 Clean the Shroud Seal Segment
Install IAE 3M14342 Base plate 1 off and IAE 3M14288 Adapter 1 off.
Install the shroud seal segment on to the base plate.
Install IAE 3M14276 Masking fixture 1 off.
Use IAE 3M14345 Silicone rubber cover 1 off or CoMat 02-047 TAPE, HEAT REFLECTIVE or CoMat 02-050 HIGH TEMPERATURE GLASS CLOTH TAPE.
Refer to Figure.
Make sure that the surfaces have full protection.
Mask the areas A3.
The surface texture must be 120 to 200 microinch RMS (3.0 to 5.0 micrometer ra). Blasting in area A2 is permitted.
Refer to Figure.
Refer to the SPM TASK 70-23-03-340-501.
Use roughness microtester.
Grit blast the area A1.
SUBTASK 72-50-23-340-057 Prepare the Surfaces for the Plasma Spray Procedure
Install IAE 3M14277 Masking fixture 1 off and IAE 3M14344 Masking fixture 1 off with the shroud seal segment on to turntable.
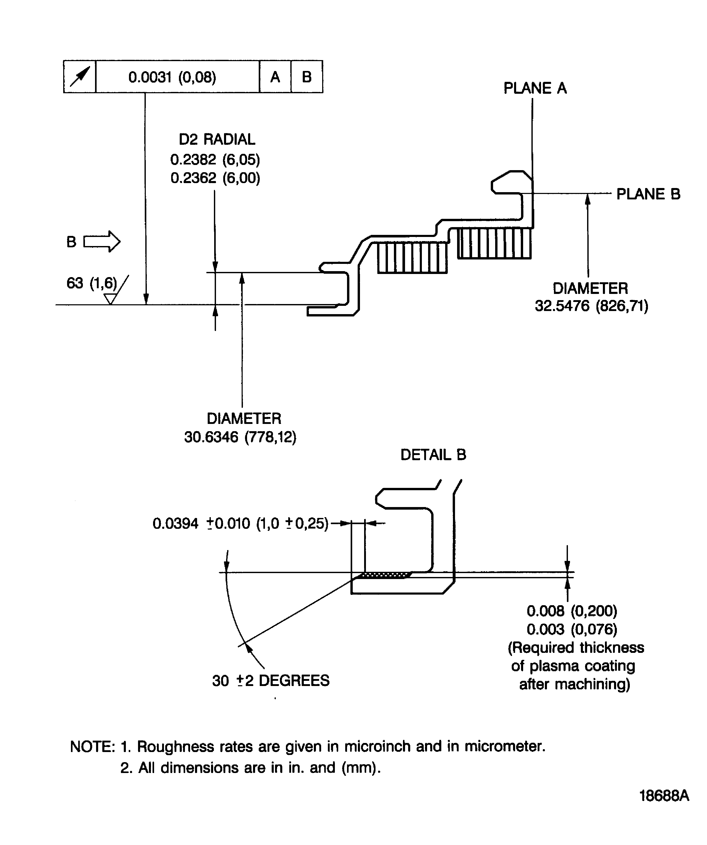
Overspray in area A2 is permitted.
Refer to Figure.
Make sure that there is sufficient material sprayed on to do last machining.
Refer to the SPM TASK 70-34-03-340-501.
Plasma spray the area A1.
SUBTASK 72-50-23-340-058 Plasma Spray the Prepared Surface
Refer to the SPM TASK 70-11-01-300-503.
Vapor degrease.
SUBTASK 72-50-23-110-063 Clean the Shroud Seal Segment
Overspray in area A2 to be removed fully.
Use the IAE 3M14261 Turning fixture 1 off.
For dimensions refer to Figure.
Refer to the SPM TASK 70-34-03-340-501.
Use vertical turning lathe.
Machine the coated area and chamfer.
SUBTASK 72-50-23-325-057 Machine the Radial Dimension D2
Refer to the SPM TASK 70-11-01-300-503.
Vapor degrease.
SUBTASK 72-50-23-110-064 Clean the Shroud Seal Segment
To calculate the coating thickness subtract the radial dimension D2 from the radial dimension D1.
Refer to Figure.
Use dial caliper, external micrometer and roughness microtester.
Dimensionally examine the machined area.
Refer to the SPM TASK 70-34-03-340-501.
Examine the coating.
SUBTASK 72-50-23-220-085 Do the Post Repair Inspection
Refer to the SPM TASK 70-09-00-400-501.
Vibropeen VRS4105 and applicable beehive symbol adjacent to the part number.
SUBTASK 72-50-23-350-055 Make a Mark to Identify the Repair
Figure: Dimensions and areas before plasma spraying
Dimensions and areas before plasma spraying

Figure: Dimensions after plasma spraying
Dimensions after plasma spraying

