Export Control
EAR Export Classification: Not subject to the EAR per 15 C.F.R. Chapter 1, Part 734.3(b)(3), except for the following Service Bulletins which are currently published as EAR Export Classification 9E991: SBE70-0992, SBE72-0483, SBE72-0580, SBE72-0588, SBE72-0640, SBE73-0209, SBE80-0024 and SBE80-0025.Copyright
© IAE International Aero Engines AG (2001, 2014 - 2021) The information contained in this document is the property of © IAE International Aero Engines AG and may not be copied or used for any purpose other than that for which it is supplied without the express written authority of © IAE International Aero Engines AG. (This does not preclude use by engine and aircraft operators for normal instructional, maintenance or overhaul purposes.).Applicability
All
Common Information
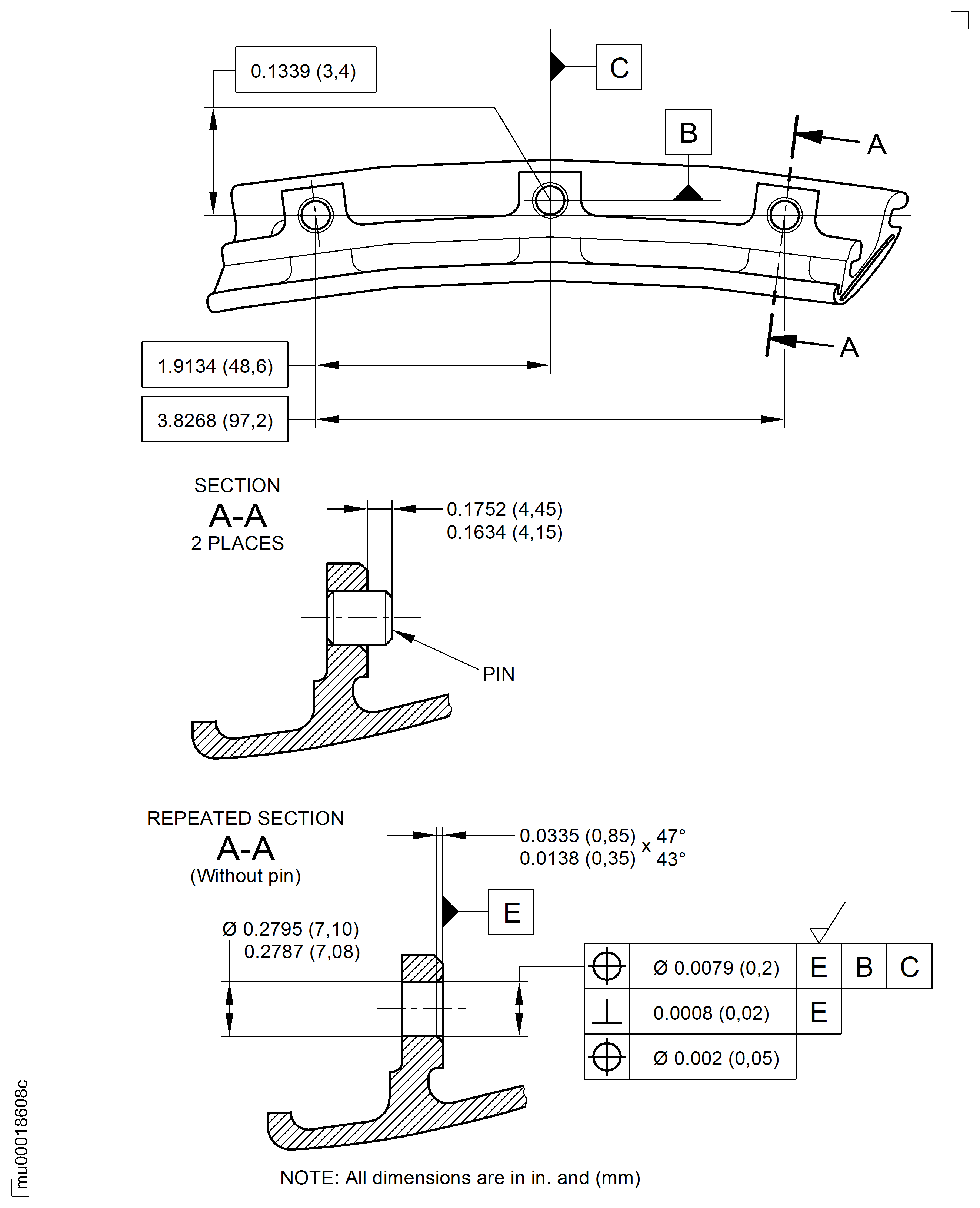
TASK 72-50-25-300-015 LPT Outer Diffuser Segment - Replace The Pin, Repair-015 (VRS4152)
General
Price and availability - none
The practices and processes referred to in the procedure by the TASK number are in the SPM.
Make sure that the necessary cleaning and inspection procedures are done before this repair.
NOTE
NOTE
Preliminary Requirements
Pre-Conditions
NONESupport Equipment
| Name | Manufacturer | Part Number / Identification | Quantity | Remark |
|---|---|---|---|---|
| Electro discharge machine | LOCAL | Electro discharge machine |
Consumables, Materials and Expendables
| Name | Manufacturer | Part Number / Identification | Quantity | Remark |
|---|---|---|---|---|
| CoMat 03-148 BRAZING FILLER POWDER | LOCAL | CoMat 03-148 | ||
| CoMat 03-151 HIGH TEMP. BRAZING FILLERPOWDER | LOCAL | CoMat 03-151 | ||
| CoMat 03-227 WHITE STOP OFF | D3309 | CoMat 03-227 |
Spares
| Name | Manufacturer | Part Number / Identification | Quantity | Remark |
|---|---|---|---|---|
| Pin | 3A0092 | 2 |
Safety Requirements
NONEProcedure
Refer to Figure.
Electro discharge metal removal according to the SPM TASK 70-35-23-320-501 is permitted.
Do not remove parent material.
To get the hole dimensions traces of braze may stay.
Machine off the worn 3A0092 .
SUBTASK 72-50-25-326-051 Remove the Worn Pin
Refer to the SPM TASK 70-11-03-300-503.
Aqueous cleaning
SUBTASK 72-50-25-110-060 Clean the Outer Diffuser Segment Assembly
Refer to Figure.
SUBTASK 72-50-25-220-080 Examine the Outer Diffuser Segment Assembly
Refer to the SPM TASK 70-33-06-300-503.
Coating thickness to be between 0.0001 to 0.0003 in. (0.003 to 0.008 mm).
Nickel plate surfaces if necessary.
SUBTASK 72-50-25-330-053 Nickel Plate the Areas
Refer to Figure.
Use CoMat 03-151 HIGH TEMP. BRAZING FILLERPOWDER or CoMat 03-148 BRAZING FILLER POWDER, and CoMat 03-227 WHITE STOP OFF.
Refer to the SPM TASK 70-31-09-310-501 and SPM TASK 70-31-06-310-501 for braze cycle.
Braze the 3A0092 in position.
SUBTASK 72-50-25-310-051 Braze in the New Pin
Refer to the SPM TASK 70-11-03-300-503.
Make sure that CoMat 03-227 WHITE STOP OFF is completely removed.
Aqueous cleaning
SUBTASK 72-50-25-110-061 Clean the Outer Diffuser Segment Assembly
Refer to Figure.
Refer to the SPM TASK 70-31-09-310-501.
Examine the repaired areas visually.
SUBTASK 72-50-25-220-081 Do the Post Repair Inspection
Figure: Repair Details and Dimensions
Repair Details and Dimensions

