Export Control
EAR Export Classification: Not subject to the EAR per 15 C.F.R. Chapter 1, Part 734.3(b)(3), except for the following Service Bulletins which are currently published as EAR Export Classification 9E991: SBE70-0992, SBE72-0483, SBE72-0580, SBE72-0588, SBE72-0640, SBE73-0209, SBE80-0024 and SBE80-0025.Copyright
© IAE International Aero Engines AG (2001, 2014 - 2021) The information contained in this document is the property of © IAE International Aero Engines AG and may not be copied or used for any purpose other than that for which it is supplied without the express written authority of © IAE International Aero Engines AG. (This does not preclude use by engine and aircraft operators for normal instructional, maintenance or overhaul purposes.).Applicability
All
Common Information
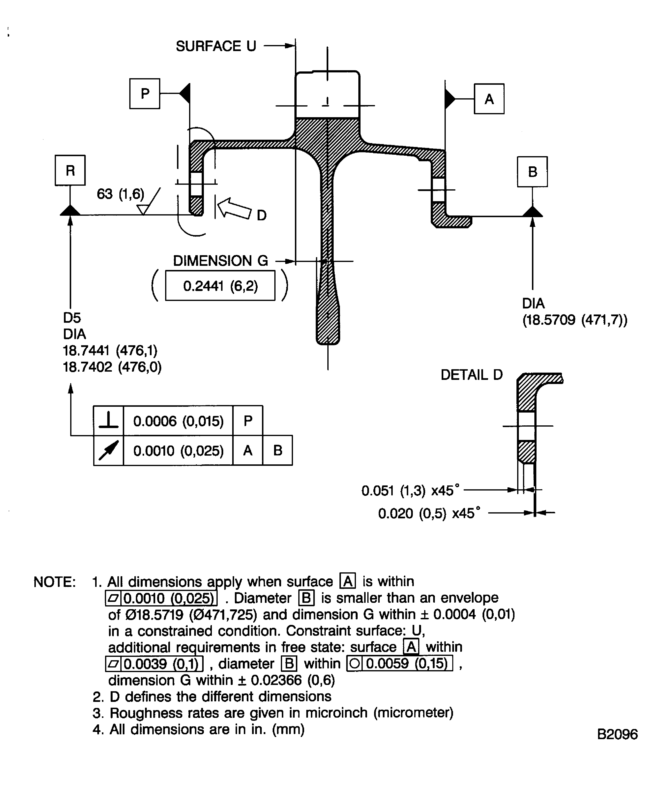
TASK 72-50-31-300-018 LPT Stage 3 Disk - Plasma Spray The Front Snap Diameter, Repair-018 (VRS4175)
General
Price and availability - none
The practices and processes referred to in the procedure by the TASK number are in the SPM.
Repair Facilities
The Source Demonstration requirements of this repair means that any facility not authorized to accomplish this repair either, utilize the Authorized Repair Vendors listed below or contact the IAE Repair Services Group to determine if a qualification program can be initiated at their facility.
IAE INTERNATIONAL AERO ENGINES AG
400 Main Street, M/S 121-10
East Hartford, CT 06108
USA
Attn: Manager Repair Services
Authorized Repair Vendors for Repair VRS4175 (REPAIR-018) are listed below:
MTU AERO ENGINES GMBH
Dachauer Strasse 665
80995 Munchen
Germany
MTU MAINTENANCE GMBH
Munchner Str.31
30855 Langenhagen
Germany
The designation by IAE of an authorized repair vendor indicates that the repair vendor has demonstrated the necessary capability to enable it to carry out the listed repair work. However, IAE makes no warranties or representations concerning the qualifications or quality standards of the repair vendors to carry out the repair work, and accepts no responsibility whatsoever or any work that may be carried out by repair vendor, other than when IAE is listed as the repair vendor. Authorized repair vendors do not act as agents or representatives of IAE.
Preliminary Requirements
Pre-Conditions
NONESupport Equipment
| Name | Manufacturer | Part Number / Identification | Quantity | Remark |
|---|---|---|---|---|
| Dial caliper | LOCAL | Dial caliper | ||
| Inner diameter and outer diameter micrometer | LOCAL | Inner diameter and outer diameter micrometer | ||
| Illuminated magnifier (portable) | LOCAL | Illuminated magnifier (portable) | ||
| Roughness microtester | LOCAL | Roughness microtester |
Consumables, Materials and Expendables
NONESpares
NONESafety Requirements
NONEProcedure
Use a dial caliper, inner diameter and outer diameter micrometer and roughness microtester.
Refer to Figure.
Examine the machined areas dimensionally.
Refer to the SPM TASK 70-34-03-340-501. Use an illuminated magnifier.
Examine the coating.
SUBTASK 72-50-31-220-185 Do the Post Repair Inspection
Refer to TASK 72-50-31-300-019, VRS4176 (REPAIR-019).
Rebalance the stage 3 turbine disk.
SUBTASK 72-50-31-350-107 Do the Post Repair
Figure: Dimensions and areas before plasma spraying
Dimensions and areas before plasma spraying

Figure: Dimensions and areas after plasma spraying
Dimensions and areas after plasma spraying

