Export Control
EAR Export Classification: Not subject to the EAR per 15 C.F.R. Chapter 1, Part 734.3(b)(3), except for the following Service Bulletins which are currently published as EAR Export Classification 9E991: SBE70-0992, SBE72-0483, SBE72-0580, SBE72-0588, SBE72-0640, SBE73-0209, SBE80-0024 and SBE80-0025.Copyright
© IAE International Aero Engines AG (2001, 2014 - 2021) The information contained in this document is the property of © IAE International Aero Engines AG and may not be copied or used for any purpose other than that for which it is supplied without the express written authority of © IAE International Aero Engines AG. (This does not preclude use by engine and aircraft operators for normal instructional, maintenance or overhaul purposes.).Applicability
All
Common Information
TASK 72-60-21-300-023 Main Gearbox Casing - Repair The Bearing Mating Surface Of The Fuel Pump By Bushing, Repair-023 (VRS5261)
Material of component
PART IDENT | SYMBOL | MATERIAL |
|---|---|---|
Casing | - | Aluminum alloy |
Bushing | - | Wrought aluminum base alloy |
General
NOTE
NOTE
Preliminary Requirements
Pre-Conditions
NONESupport Equipment
| Name | Manufacturer | Part Number / Identification | Quantity | Remark |
|---|---|---|---|---|
| Arbor Press | LOCAL | Arbor press | ||
| Freezer | LOCAL | Freezer | ||
| IAE 3F10337 Drift, bushing (dia 74) | 0AM53 | IAE 3F10337 | ||
| IAE 3F10428 Guide pin | 0AM53 | IAE 3F10428 | 1 | |
| Magnifying Glass | LOCAL | Magnifying Glass | ||
| Oven | LOCAL | Oven | ||
| Workshop inspection equipment | LOCAL | Workshop inspection equipment |
Consumables, Materials and Expendables
NONESafety Requirements
NONEProcedure
Refer to Repair VRS5255 TASK 72-60-21-300-004 (REPAIR-004).
Remove the studs and lock rings.
SUBTASK 72-60-21-350-114 Remove the Studs
Refer to the SPM TASK 70-38-02-300-503.
Apply the chromate conversion coating to the machined surfaces.
SUBTASK 72-60-21-330-093 Apply the Chromate Conversion Coating
Put IAE 3F10428 Guide pin threaded guide pin in threaded hole on bearing mating surface, adjacent to machined bore.
Install the guide pin.
Install the bushing on the IAE 3F10337 Drift, bushing (dia 74).
Do not increase the temperature of the housing above 284 deg F (140 deg C).
Do not decrease the temperature of the assembled drift and bushing below minus 58 deg F (minus 50 deg C).

WARNING
DO NOT TOUCH THE HOT PARTS WITHOUT PROTECTIVE GLOVES.
WARNING
HOT PARTS CAN CAUSE REDDENING AND BLISTERING OF THE SKIN IF THE HANDS ARE NOT PROTECTED.
WARNING
IMMERSE THE CONTACTED AREA IN COLD WATER FOR 10 MINUTES IF THE SKIN IS BURNED. IMMEDIATELY GET THE MEDICAL ATTENTION IF PAIN OR BLISTERING PERSISTS.Increase the temperature of the gearbox casing and/or decrease the temperature of the assembled drift and bushing.
Give sufficient back-up support at bushing bore area, to prevent casing distortion when you install the bushing.
Use IAE 3F10337 Drift, bushing (dia 74) and an arbor press.

CAUTION
INSTALL BUSHING IN MACHINED BORE IMMEDIATELY AFTER REMOVAL FROM FREEZER, OTHERWISE BUSHING CANNOT BE CORRECTLY INSTALLED.Install the bushing into machined bore.
SUBTASK 72-60-21-350-115 Install the Bushing
Refer to the SPM TASK 70-38-02-300-503.
Apply the chromate conversion coating to the machined surfaces of the bushing.
SUBTASK 72-60-21-330-094 Apply the Chromate Conversion Coating
Refer to Repair VRS5255, TASK 72-60-21-300-004 (REPAIR-004).
Install the new studs and the new lock rings.
SUBTASK 72-60-21-350-116 Install the New Studs
Refer to the SPM TASK 70-09-00-400-501, SUBTASK 70-09-00-400-001.
Make a mark VRS5261 adjacent to the part number.
SUBTASK 72-60-21-350-117 Identify the Repair
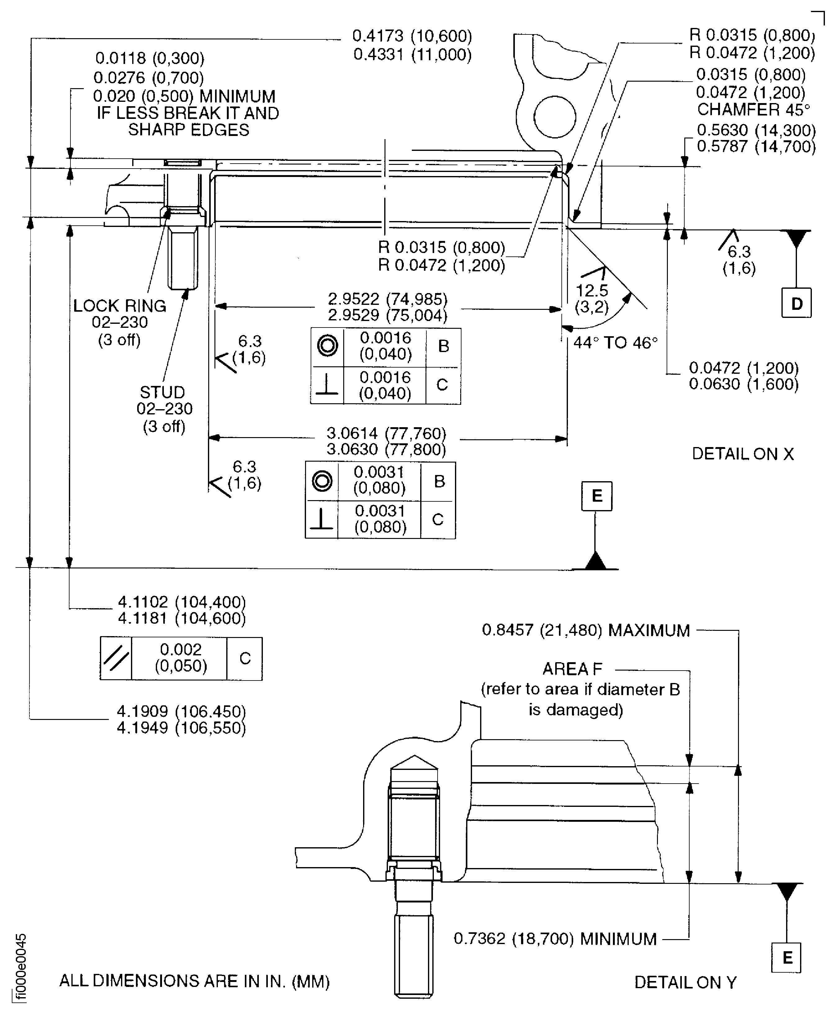
Figure: Repair Details And Dimensions
Sheet 1

Figure: Repair Details And Dimensions
Sheet 2

