Export Control
EAR Export Classification: Not subject to the EAR per 15 C.F.R. Chapter 1, Part 734.3(b)(3), except for the following Service Bulletins which are currently published as EAR Export Classification 9E991: SBE70-0992, SBE72-0483, SBE72-0580, SBE72-0588, SBE72-0640, SBE73-0209, SBE80-0024 and SBE80-0025.Copyright
© IAE International Aero Engines AG (2001, 2014 - 2021) The information contained in this document is the property of © IAE International Aero Engines AG and may not be copied or used for any purpose other than that for which it is supplied without the express written authority of © IAE International Aero Engines AG. (This does not preclude use by engine and aircraft operators for normal instructional, maintenance or overhaul purposes.).Applicability
All
Common Information
TASK 72-60-21-300-053 Main Gearbox Casing - Repair The Crank Cover Stud Holes By Bushing, Repair-053 (VRS5679)
Effectivity
FIG/ITEM | PART NO. |
|---|---|
02-050 | 4B0053 |
02-050 | 4B0054 |
02-050 | 4B0055 |
02-050 | 4B0057 |
02-050 | 4B0400 |
02-050 | 4B0402 |
02-050 | 4B0423 |
Material of component
DESCRIPTION | RR SYMBOL | MATERIAL |
|---|---|---|
Casing, Main Angle Gearbox | A357/T61 (AMS4219) | Aluminium alloy |
Bushing | A357-T61 Spec. AMS4219, or AMS 4120 (type 2024 T4fT351) | Aluminium alloy, Beryllium free |
General
Price and availability - None
The practices and processes referred to in the procedure by the TASK numbers are in the SPM.
For the removal of lock rings and studs, refer to (VRS5255) TASK 72-60-21-300-004, SUBTASKS 72-60-21-320-054 and 72-60-21-350-057.
For the installation of studs and lock rings, refer to (VRS5255) TASK 72-60-21-300-004, SUBTASKS 72-60-21-350-058 and 72-60-21-350-059.
Preliminary Requirements
Pre-Conditions
NONESupport Equipment
| Name | Manufacturer | Part Number / Identification | Quantity | Remark |
|---|---|---|---|---|
| Standard Workshop Equipment | LOCAL | Standard Workshop Equipment | ||
| FPI Equipment | LOCAL | FPI Equipment | ||
| Workshop Inspection Equipment | 0AM53 | Workshop Inspection Equipment | ||
| Magnifying Glass | LOCAL | Magnifying Glass | ||
| Vibration peen equipment | LOCAL | Vibration peen equipment |
Consumables, Materials and Expendables
| Name | Manufacturer | Part Number / Identification | Quantity | Remark |
|---|---|---|---|---|
| CoMat 01-459 AQUEOUS WIPE CLEANER | 71410 | CoMat 01-459 | ||
| CoMat 07-028 CHROMATE CONVERSION COATING FOR ALUMINUM | LOCAL | CoMat 07-028 | ||
| CoMat 06-063 FLUORESCENT PENETRANT (POST-EMULSIFIED MEDIUM SENSITIVITY) | LOCAL | CoMat 06-063 | ||
| CoMat 02-002 ADHESIVE TAPE GENERALPURPOSE PAPER | LOCAL | CoMat 02-002 |
Spares
NONESafety Requirements
NONEProcedure
Use CoMat 02-002 ADHESIVE TAPE GENERALPURPOSE PAPER (masking tape or similar).
Mask all bores, holes, passage ways in the proximity of the repair area.
SUBTASK 72-60-21-350-001 Mask the Gearbox Casing
Refer to Figure.
Inspect the holes to find if this repair was done before.
If it is not there, go to operation Step.

CAUTION
Use appropriate drilling equipment to remove the pin first, then remove the bushing. Make sure that you do not damage the gearbox casing.If it is there, it must be removed by machining. Go to Step.
Inspect the damaged holes.
Use a drilling tool with flat head. The diameter must be 0.599 - 0.602 in. (15.200 - 15.300 mm). Drill to depth of 0.252 - 0.259 in. (6.400 - 6.600 mm).
Drill the counterbores.
Use a magnifying glass. As an alternative, do a local fluorescent penetrant inspection.
Cracks are not allowed.
Inspect the holes for cracks.
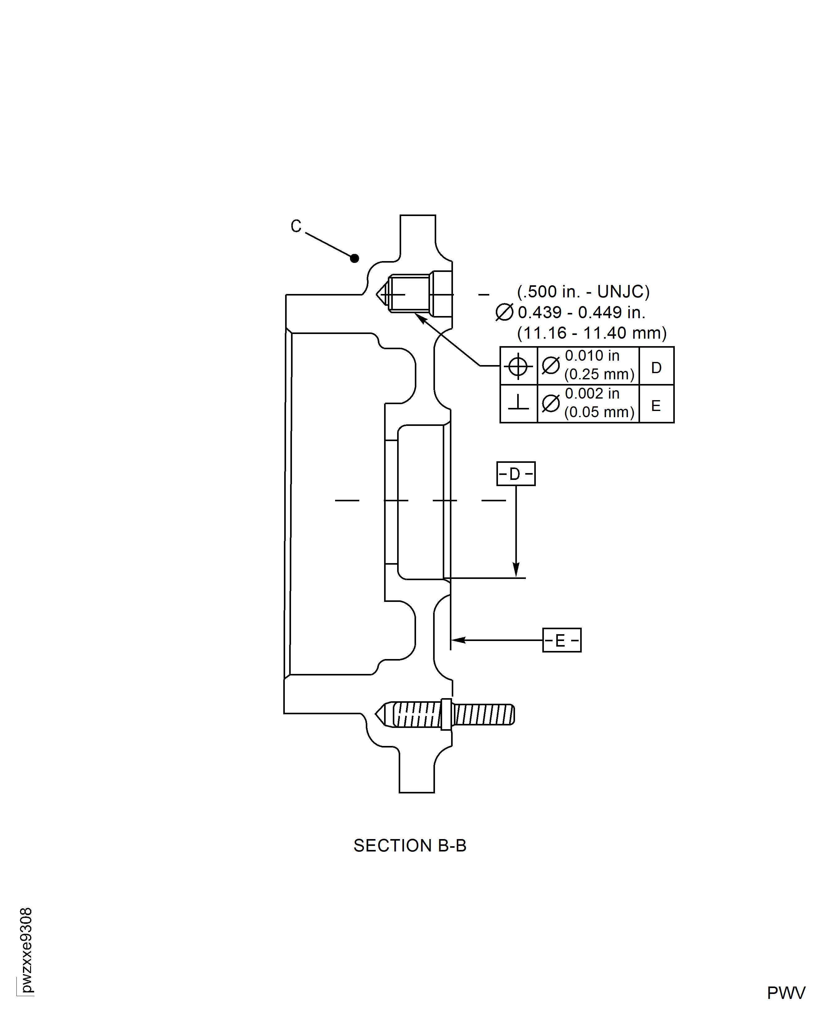
Tap the hole. The thread must be .500- UNJC. The depth of the thread must be 0.709 - 0.728 in. (18.000 - 18.500 mm) from the surface of the gearbox casing.
Tap the holes.
SUBTASK 72-60-21-320-001 Machine the Damaged Holes of the Gearbox Casing
Use a Magnifying Glass.
Inspect the gearbox casing for cracks in the area of the bore.
Refer to SPM TASK 70-38-02-300-503.
Locally restore the surface protection.
SUBTASK 72-60-21-220-001 Examine the Gearbox Casing
Refer to Figure.
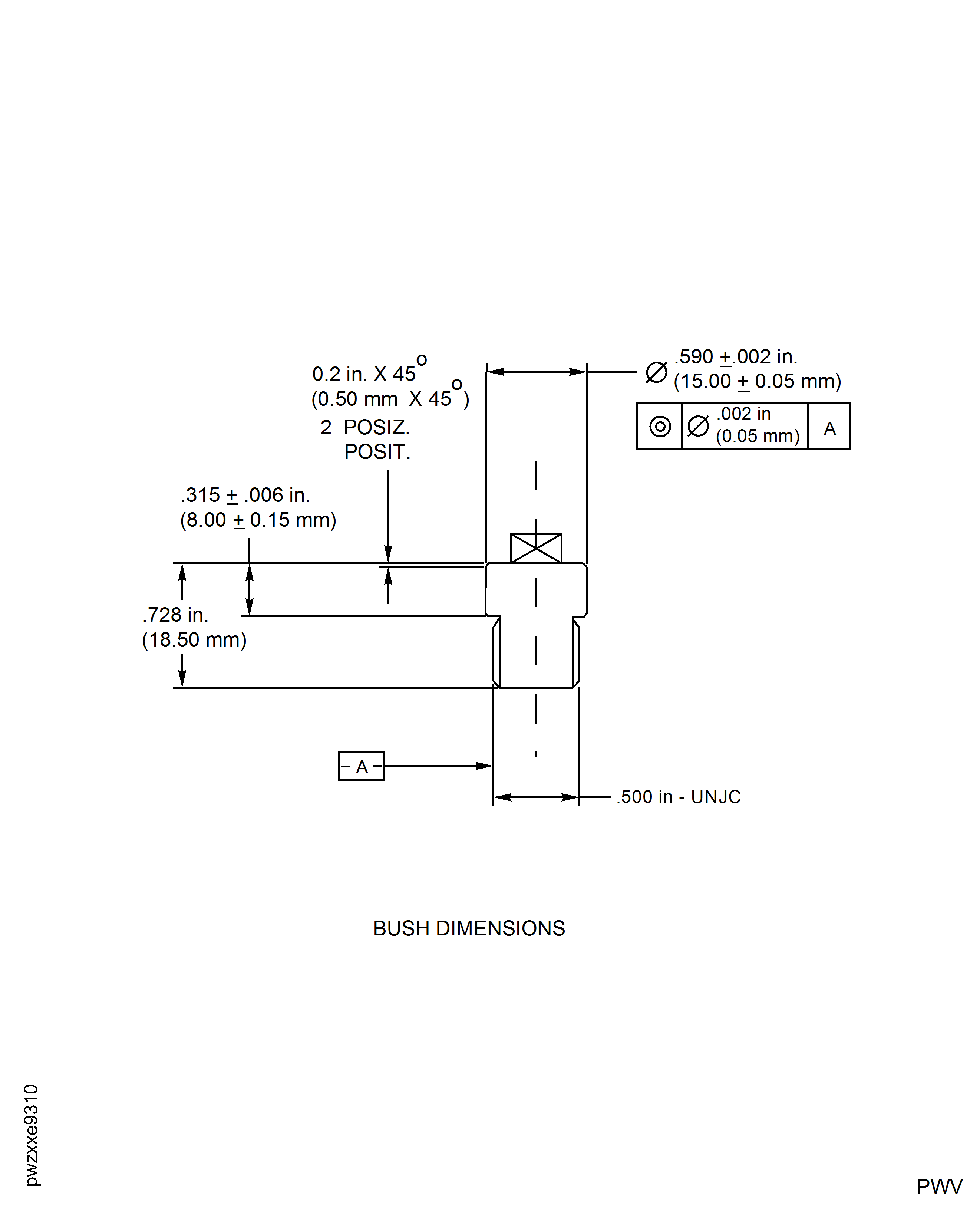
Use the specified types of Aluminium alloy. Do not use other types of material. Refer to Figure.
Make sure you comply with dimensions and tolerances.
NOTE
A convenient fixture to torque the bushing into its position in the main gearbox casing can be machined on the external flat surface.
Machine the bushing.
Refer to SPM TASK 70-38-02-300-503.
Apply the chromate conversion coating to the bushing.
SUBTASK 72-60-21-320-002 Produce a Bushing
Refer to Figure.
Drill a hole axially across the counter bore between the gearbox casing and the bushing. The diameter of the hole must be between 0.077 - 0.079 in. (1.950 - 2.000 mm). The tolerance for the perpendicularity of the hole axis is the same as for the previous drilling. Hole depth is 0.193 - 0.200 in. (4.900- 5.100 mm).
Drill the pin hole.
Machine a pin to fit into the pin hole with an interference between 0.0004 - 0.0007 in. (0 .010 - 0.020 mm). Pin length is 0.256 in. (6.500 mm).
Make a Pin.
Refer to SPM TASK 70-38-02-300-503.
Apply surface protection coating to the pin.
Refer to Figure.
Install the anti-rotation pin within the dedicate hole. Freeze the pin up to -60°C. Use of nitrogen liquid is also allowed. Machine the pin end flush with the bushing surface.
Install the anti-rotation pin.
SUBTASK 72-60-21-350-003 Install an Anti-Rotation Pin
Refer to Figure.
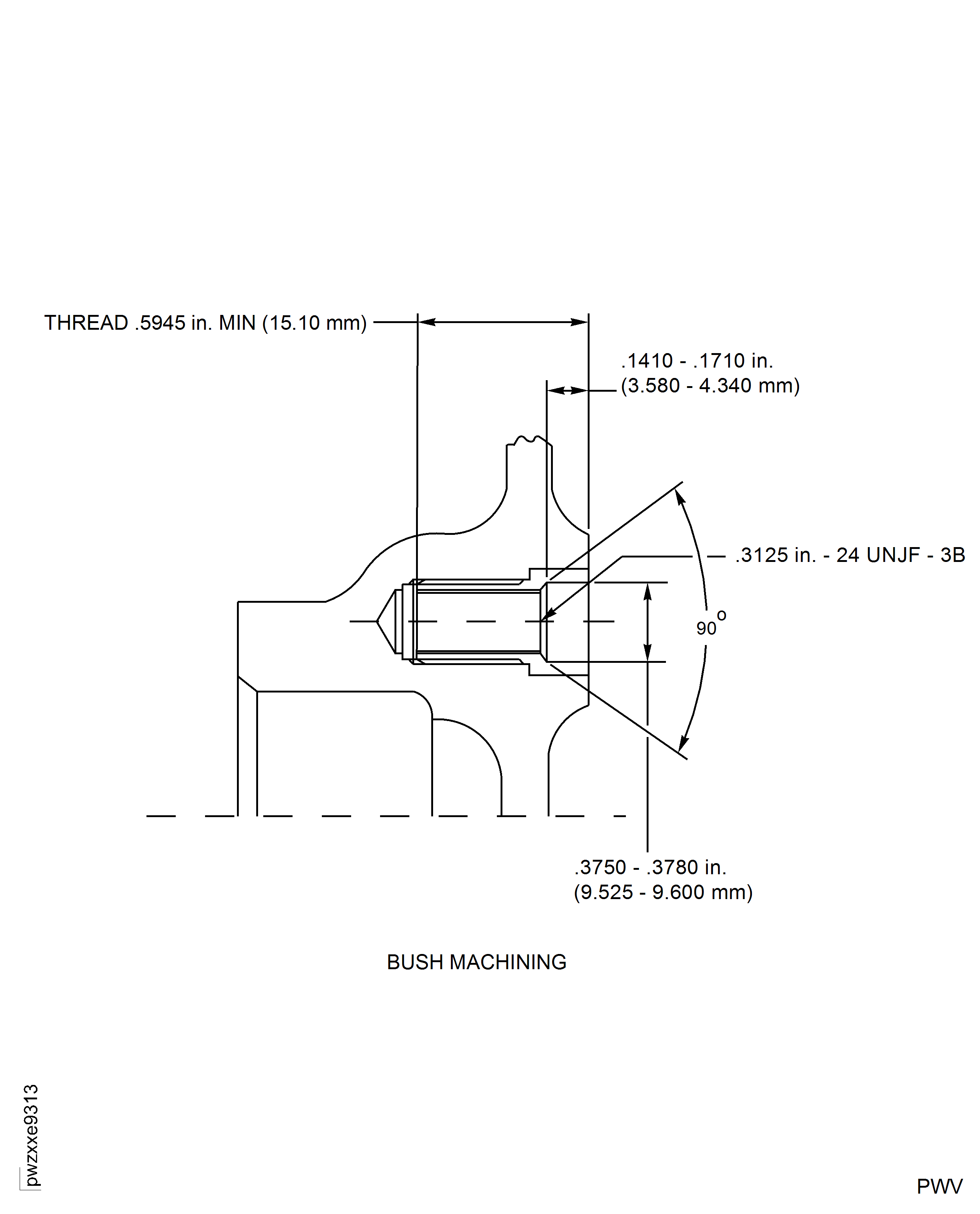
Use a drilling tool with flat head. The diameter of the hole must be 0.272 - 0.280 in. (6.910 - 7.100 mm). Drill to a maximum depth of 0.74 in. (18.800 mm).
Drill the stud holes.
Use a drilling tool with flat head. The diameter must be 0.375 - 0.378 in. (9.525 - 9.600 mm). Drill to depth of 0.141- 0.171 in. (3.580 - 4.340 mm).
Drill the counterbores.
Use a Magnifying Glass. As an alternative, do a local fluorescent penetrant inspection. Follow SPM TASK 70-23-05-230-501, use CoMat 06-063 FLUORESCENT PENETRANT (POST-EMULSIFIED MEDIUM SENSITIVITY).
Cracks are not allowed.
Inspect the holes for cracks.
SUBTASK 72-60-21-320-002 Drill and Tap the Stud Holes in the Bushings
Install the studs and locking rings per VRS5255, SUBTASK 72-60-21-350-058 and 72-60-21-350-059.
Install the studs and locking rings.
Refer to SPM TASK 70-38-02-300-503.
Apply surface protection coating.
SUBTASK 72-60-21-350-004 Install New Studs
Use vibro engraving equipment. Refer to TASK 70-09-00-400-501 and SUBTASK 70-09-00-400-001.
Make a mark VRS5679 adjacent to the part number.
Do the touch up process. Refer to SPM TASK 70-38-02-300-503.
Protect the marked area.
SUBTASK 72-60-21-350-005 Identify the Repair
Figure: Repair details and dimensions
Repair details and dimensions

Figure: Repair all details and dimensions
Repair all details and dimensions

Figure: Repair details and dimensions
Repair details and dimensions

Figure: Repair details and dimensions
Repair details and dimensions

Figure: Repair details and dimensions
Repair details and dimensions

Figure: Repair details and dimensions
Repair details and dimensions

Figure: Repair details and dimensions
Repair details and dimensions

Figure: Repair details and dimensions
Repair details and dimensions

