Export Control
EAR Export Classification: Not subject to the EAR per 15 C.F.R. Chapter 1, Part 734.3(b)(3), except for the following Service Bulletins which are currently published as EAR Export Classification 9E991: SBE70-0992, SBE72-0483, SBE72-0580, SBE72-0588, SBE72-0640, SBE73-0209, SBE80-0024 and SBE80-0025.Copyright
© IAE International Aero Engines AG (2001, 2014 - 2021) The information contained in this document is the property of © IAE International Aero Engines AG and may not be copied or used for any purpose other than that for which it is supplied without the express written authority of © IAE International Aero Engines AG. (This does not preclude use by engine and aircraft operators for normal instructional, maintenance or overhaul purposes.).Applicability
All
Common Information
TASK 72-60-23-300-018 Hydraulic Pump Drive Gear - Chromium Plate The Front Bearing Shoulder, Repair-018 (VRS5138)
General
NOTE
Preliminary Requirements
Pre-Conditions
NONESupport Equipment
| Name | Manufacturer | Part Number / Identification | Quantity | Remark |
|---|---|---|---|---|
| Workshop inspection equipment | LOCAL | Workshop inspection equipment | ||
| Grinding machine | LOCAL | Grinding machine | ||
| Magnetizing unit | LOCAL | Magnetizing unit | ||
| Demagnetizing unit | LOCAL | Demagnetizing unit | ||
| Hot oil tank | LOCAL | Hot oil tank | ||
| Pressure shotpeen system | LOCAL | Pressure shotpeen system | ||
| Basket | LOCAL | Basket | ||
| Vapor degreaser | LOCAL | Vapor degreaser | ||
| Process Plating Tanks | LOCAL | Process plating tanks | ||
| Oven | LOCAL | Oven | ||
| Magnifying glass, 5X | LOCAL | Magnifying glass, 5X | ||
| Vibrating marking pencil | LOCAL | Vibrating marking pencil |
Consumables, Materials and Expendables
| Name | Manufacturer | Part Number / Identification | Quantity | Remark |
|---|---|---|---|---|
| CoMat 01-001 SOLVENT, DELETED | 0AM53 | CoMat 01-001 | ||
| CoMat 01-023 CHROMIUM TRIOXIDE CrO3(CHROM.ACID) | LOCAL | CoMat 01-023 | ||
| CoMat 02-017 WAX | LOCAL | CoMat 02-017 | ||
| CoMat 02-034 METALLIC MASKING TAPE(LEAD FOIL) | 76381 | CoMat 02-034 | ||
| CoMat 05-030 CAST STEEL SHOT DELETED | 0AM53 | CoMat 05-030 | ||
| CoMat 10-023 MINERAL OIL | 73277 | CoMat 10-023 |
Spares
NONESafety Requirements
NONEProcedure
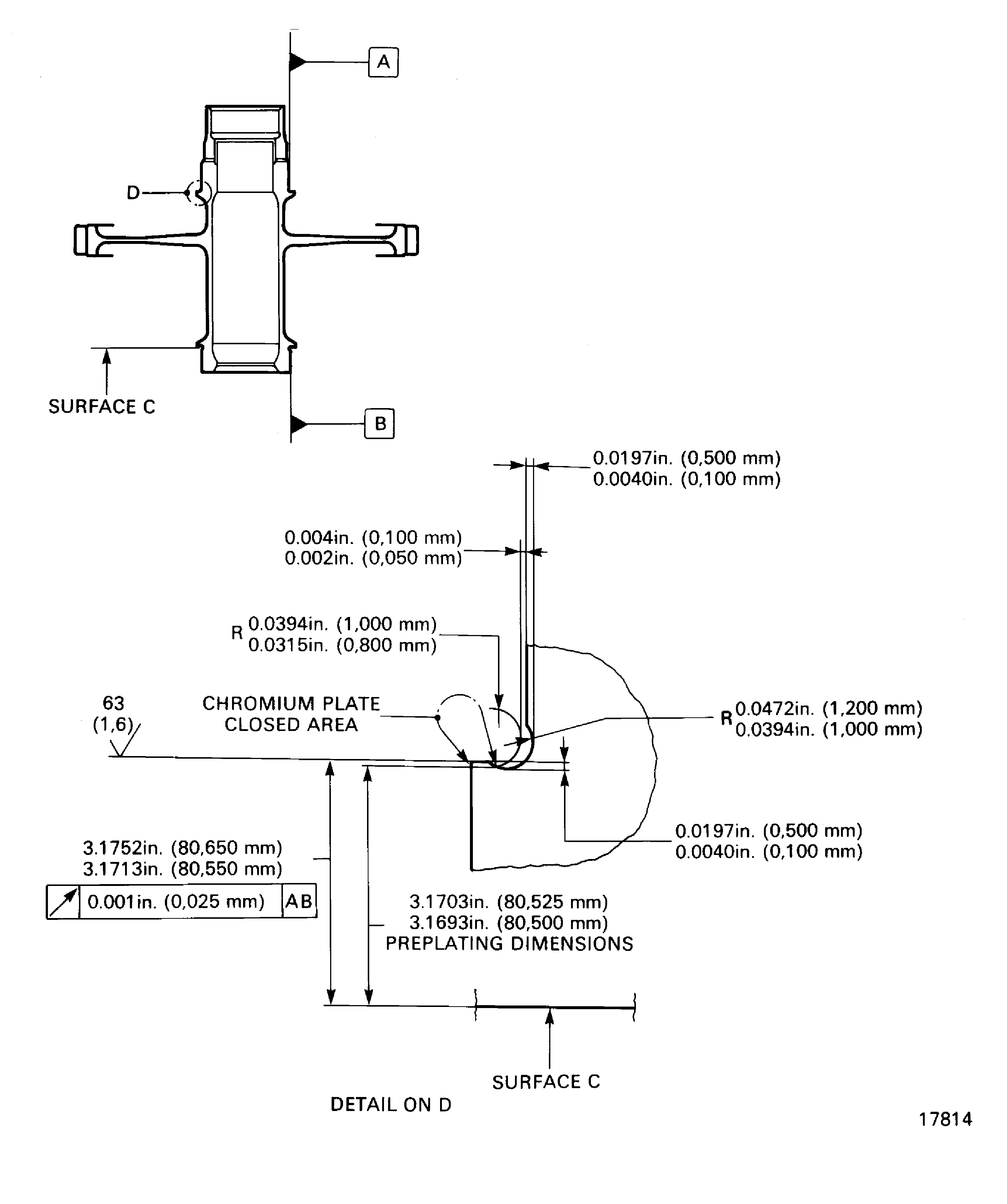
Refer to Figure.
SUBTASK 72-60-23-320-061 Machine the Front Bearing Shoulder
Refer to the SPM TASK 70-24-01-240-501.
No cracks are permitted.
Do the magnetic particle inspection for cracks.
SUBTASK 72-60-23-240-056 Examine the Hydraulic Pump Drive Gearshaft
Refer to the SPM TASK 70-21-02-210-501.
Machine the front bearing shoulder if there is sign of burned metal.
Keep the removal of material to the minimum necessary to remove the damage.
Do the nital etch on the front bearing shoulder to find sign of burned metal.
SUBTASK 72-60-23-210-055 Nital Etch the Front Bearing Shoulder
Refer to the SPM TASK 70-38-04-300-503.
Shot-peen the front bearing shoulder surface to an intensity of 6 to 8A.
SUBTASK 72-60-23-380-055 Shot-peen the Front Bearing Shoulder
Refer to the SPM TASK 70-11-01-300-503.
Do the vapor degreasing.
SUBTASK 72-60-23-110-055 Clean the Hydraulic Pump Drive Gearshaft
Refer to Figure.
Use CoMat 02-017 WAX.
Mask the areas of the gearshaft not to be plated.
Refer to the SPM TASK 70-33-02-330-501.
Plate to a sufficient thickness to permit the machining to the last dimensions.
The plating out of the front bearing shoulder area is permitted but must be removed.
Do the chromium plating.
SUBTASK 72-60-23-330-057 Chromium Plate the Front Bearing Shoulder
Refer to Figure.
SUBTASK 72-60-23-320-062 Machine the Front Bearing Shoulder
Figure: Repair details and dimensions
Repair details and dimensions

