Export Control
EAR Export Classification: Not subject to the EAR per 15 C.F.R. Chapter 1, Part 734.3(b)(3), except for the following Service Bulletins which are currently published as EAR Export Classification 9E991: SBE70-0992, SBE72-0483, SBE72-0580, SBE72-0588, SBE72-0640, SBE73-0209, SBE80-0024 and SBE80-0025.Copyright
© IAE International Aero Engines AG (2001, 2014 - 2021) The information contained in this document is the property of © IAE International Aero Engines AG and may not be copied or used for any purpose other than that for which it is supplied without the express written authority of © IAE International Aero Engines AG. (This does not preclude use by engine and aircraft operators for normal instructional, maintenance or overhaul purposes.).Applicability
All
Common Information
TASK 72-60-24-300-011 Input Gearshaft - Chromium Plate The Inner Diameter, Repair-011 (VRS5141)
General
NOTE
Preliminary Requirements
Pre-Conditions
NONESupport Equipment
| Name | Manufacturer | Part Number / Identification | Quantity | Remark |
|---|---|---|---|---|
| Grinding machine | LOCAL | Grinding machine | ||
| Hot oil tank | LOCAL | Hot oil tank | ||
| Pressure shotpeen system | LOCAL | Pressure shotpeen system | ||
| Process Plating Tanks | LOCAL | Process plating tanks | ||
| Oven | LOCAL | Oven | ||
| Magnifying glass, 5X | LOCAL | Magnifying glass, 5X | ||
| Vibrating marking pencil | LOCAL | Vibrating marking pencil |
Consumables, Materials and Expendables
| Name | Manufacturer | Part Number / Identification | Quantity | Remark |
|---|---|---|---|---|
| CoMat 01-001 SOLVENT, DELETED | 0AM53 | CoMat 01-001 | ||
| CoMat 02-017 WAX | LOCAL | CoMat 02-017 | ||
| CoMat 02-034 METALLIC MASKING TAPE(LEAD FOIL) | 76381 | CoMat 02-034 | ||
| CoMat 05-030 CAST STEEL SHOT DELETED | 0AM53 | CoMat 05-030 |
Spares
NONESafety Requirements
NONEProcedure
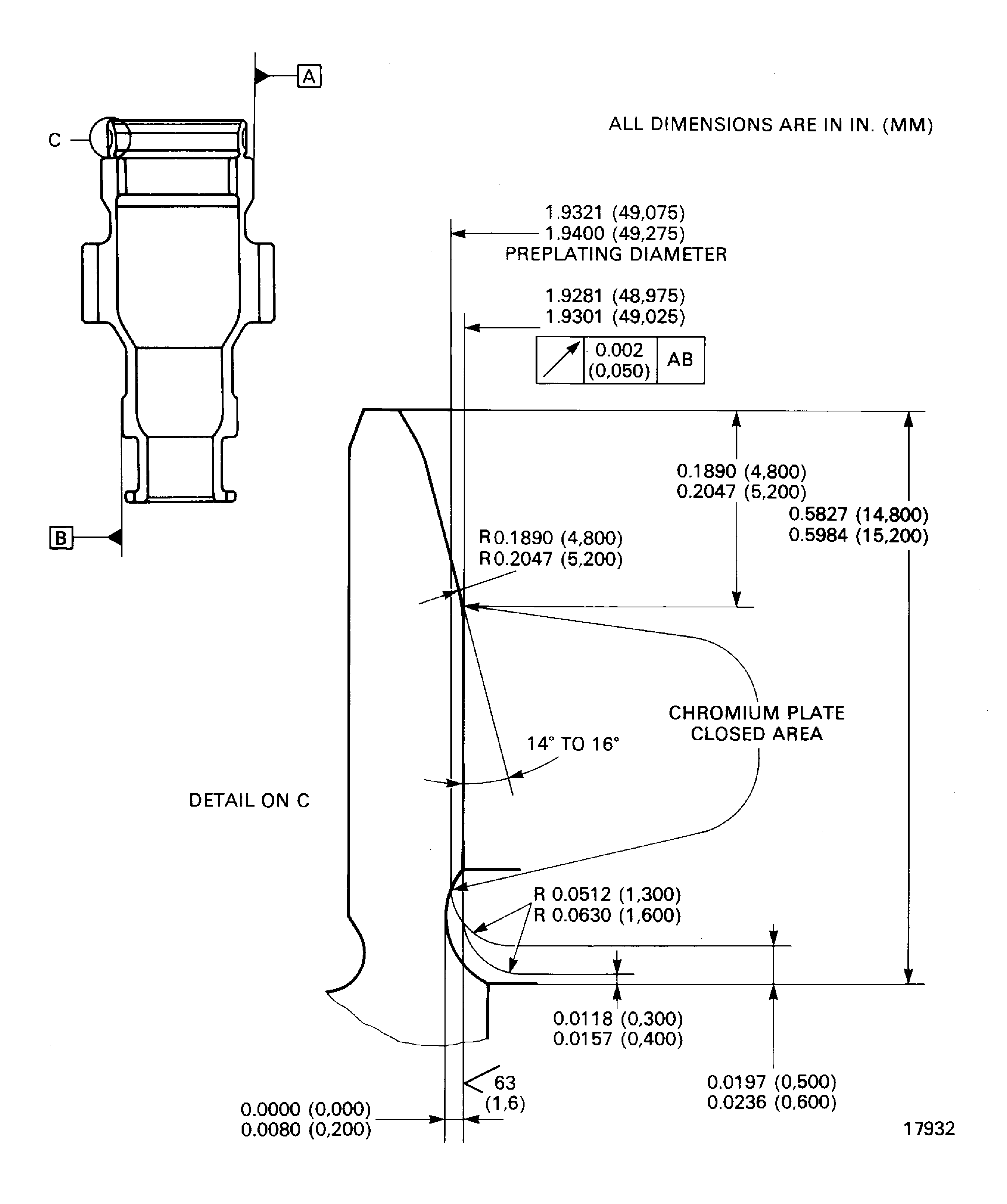
Refer to Figure.
SUBTASK 72-60-24-320-058 Machine the Inner Diameter of the Gearshaft
Refer to the SPM TASK 70-24-01-240-501.
Cracks are not permitted.
Do the magnetic particle inspection for cracks.
SUBTASK 72-60-24-240-053 Examine the Gearshaft
Refer to the SPM TASK 70-21-02-210-501.
Machine the inner diameter if there are signs of burnt metal.
Keep the removal of material to the minimum necessary to remove the damage.
Do the nital etch on the inner diameter to find signs of burnt metal.
SUBTASK 72-60-24-210-052 Nital Etch the Inner Diameter
Refer to the SPM TASK 70-38-04-300-503.
Use pressure shotpeen system.
Shot-peen the inner diameter surface to an intensity of 0.006 A to 0.008 Ain.
SUBTASK 72-60-24-380-052 Shot-peen the Inner Diameter
Refer to the SPM TASK 70-11-01-300-503.
Vapour degrease the gearshaft.
SUBTASK 72-60-24-110-052 Clean the Gearshaft
Refer to Figure.
Use CoMat 02-017 WAX.
Mask the areas of the gear not to be plated.
Refer to the SPM TASK 70-33-02-330-501.
Plate to a sufficient thickness to permit the machining to the last dimensions.
The plating out of the inner diameter area is permitted but must be removed.
Use process plating tanks.
Chromium plate the inner diameter.
SUBTASK 72-60-24-330-055 Chromium Plate the Inner Diameter of the Gearshaft
Refer to Figure.
SUBTASK 72-60-24-320-059 Machine the Inner Diameter of the Gearshaft
Refer to Figure.
SUBTASK 72-60-24-220-077 Examine the Chromium Plated Area
Figure: Chromium plate the inner diameter of the gearshaft
Chromium plate the inner diameter of the gearshaft

