Export Control
EAR Export Classification: Not subject to the EAR per 15 C.F.R. Chapter 1, Part 734.3(b)(3), except for the following Service Bulletins which are currently published as EAR Export Classification 9E991: SBE70-0992, SBE72-0483, SBE72-0580, SBE72-0588, SBE72-0640, SBE73-0209, SBE80-0024 and SBE80-0025.Copyright
© IAE International Aero Engines AG (2001, 2014 - 2021) The information contained in this document is the property of © IAE International Aero Engines AG and may not be copied or used for any purpose other than that for which it is supplied without the express written authority of © IAE International Aero Engines AG. (This does not preclude use by engine and aircraft operators for normal instructional, maintenance or overhaul purposes.).Applicability
All
Common Information
TASK 72-60-28-300-021 Generator Drive Gear - Chromium Plate The Rear Bearing Journal, Repair-021 (VRS5164)
General
Price and availability - none
The practices and processes referred to in the procedure by the TASK numbers are in the SPM.
NOTE
To identify the consumable materials refer to the PCI.
Other consumable materials are given in SPM.
Preliminary Requirements
Pre-Conditions
NONESupport Equipment
| Name | Manufacturer | Part Number / Identification | Quantity | Remark |
|---|---|---|---|---|
| Workshop inspection equipment | LOCAL | Workshop inspection equipment | ||
| Grinding machine | LOCAL | Grinding machine | ||
| Magnetizing unit | LOCAL | Magnetizing unit | ||
| Demagnetizing unit | LOCAL | Demagnetizing unit | ||
| Hot oil tank | LOCAL | Hot oil tank | ||
| Pressure shotpeen system | LOCAL | Pressure shotpeen system | ||
| Basket | LOCAL | Basket | ||
| Vapor degreaser | LOCAL | Vapor degreaser | ||
| Process Plating Tanks | LOCAL | Process plating tanks | ||
| Oven | LOCAL | Oven | ||
| Magnifying glass | LOCAL | Magnifying glass | ||
| Vibrating marking pencil | LOCAL | Vibrating marking pencil |
Consumables, Materials and Expendables
| Name | Manufacturer | Part Number / Identification | Quantity | Remark |
|---|---|---|---|---|
| CoMat 01-001 SOLVENT, DELETED | 0AM53 | CoMat 01-001 | ||
| CoMat 01-023 CHROMIUM TRIOXIDE CrO3(CHROM.ACID) | LOCAL | CoMat 01-023 | ||
| CoMat 02-017 WAX | LOCAL | CoMat 02-017 | ||
| CoMat 02-034 METALLIC MASKING TAPE(LEAD FOIL) | 76381 | CoMat 02-034 | ||
| CoMat 05-030 CAST STEEL SHOT DELETED | 0AM53 | CoMat 05-030 | ||
| CoMat 10-023 MINERAL OIL | 73277 | CoMat 10-023 |
Spares
NONESafety Requirements
NONEProcedure
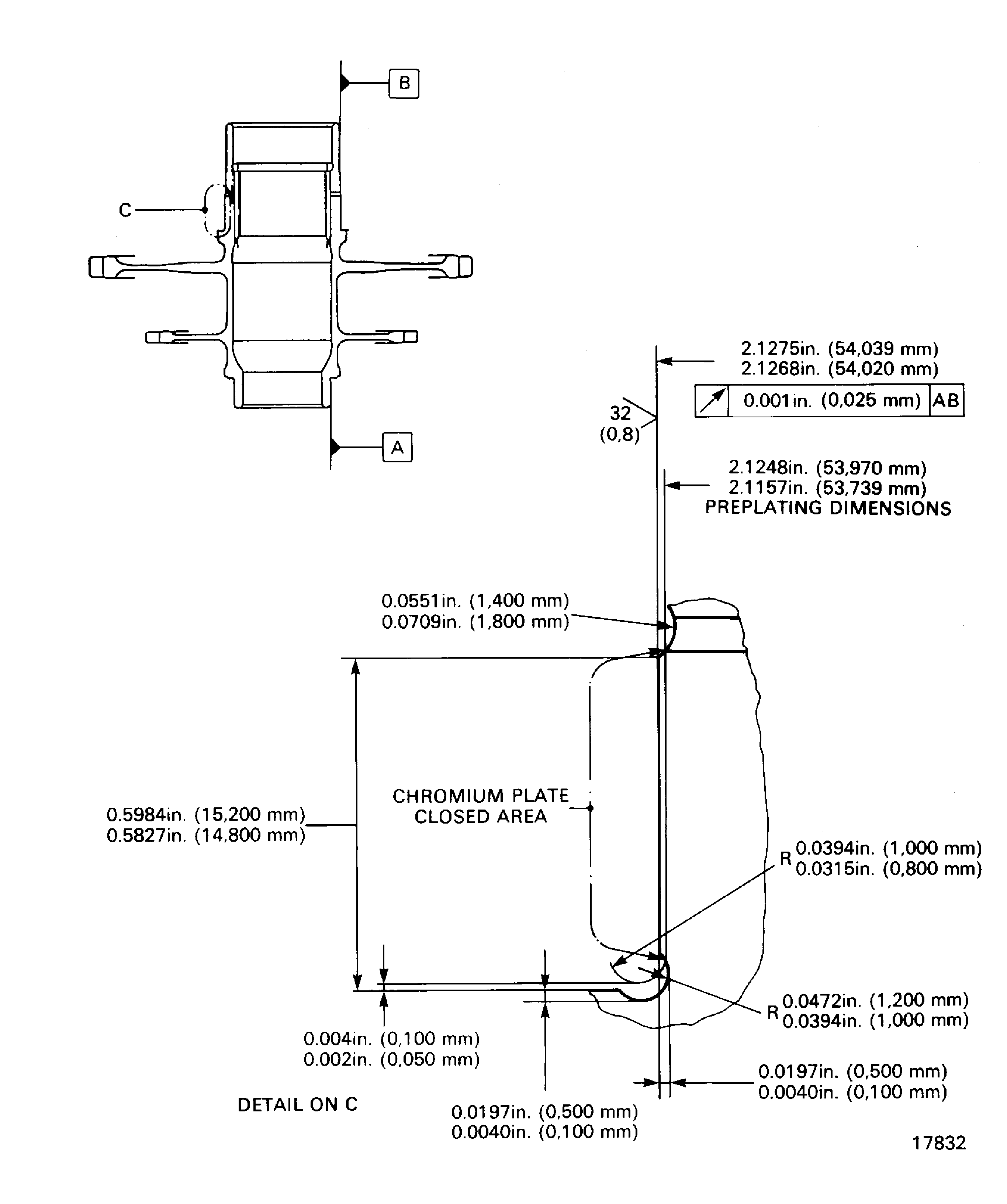
Refer to Figure.
SUBTASK 72-60-28-320-069 Machine the Rear Bearing Journal
Refer to the SPM TASK 70-24-01-240-501.
No cracks are permitted.
Do the magnetic particle inspection for cracks.
SUBTASK 72-60-28-240-059 Examine the Gear
Refer to the SPM TASK 70-21-02-210-501.
Machine the rear bearing journal if there are signs of burnt metal.
Keep the removal of material to the minimum necessary to remove the damage.
Do the nital etch on the rear bearing journal to find sign of burned metal.
SUBTASK 72-60-28-210-055 Nital Etch the Rear Bearing Journal
Refer to the SPM TASK 70-38-04-300-503.
Shot-peen the rear bearing journal to an intensity of 6 to 8 A.
SUBTASK 72-60-28-380-055 Shot-peen the Rear Bearing Journal
Refer to the SPM TASK 70-11-01-300-503.
Do the vapor degreasing.
SUBTASK 72-60-28-110-059 Clean the Gear
Refer to Figure.
Use CoMat 02-017 WAX.
Mask the areas of the gear not to be plated.
Refer to the SPM TASK 70-33-02-330-501.
Plate to a sufficient thickness to permit the machining to the last dimensions.
The plating out of the bearing journal area is permitted but must be removed.
Do the chromium plating.
SUBTASK 72-60-28-230-063 Chromium Plate the Rear Bearing Journal
Refer to Figure.
SUBTASK 72-60-28-320-070 Machine the Rear Bearing Journal
Figure: Repair details and dimensions
Repair details and dimensions

