Export Control
EAR Export Classification: Not subject to the EAR per 15 C.F.R. Chapter 1, Part 734.3(b)(3), except for the following Service Bulletins which are currently published as EAR Export Classification 9E991: SBE70-0992, SBE72-0483, SBE72-0580, SBE72-0588, SBE72-0640, SBE73-0209, SBE80-0024 and SBE80-0025.Copyright
© IAE International Aero Engines AG (2001, 2014 - 2021) The information contained in this document is the property of © IAE International Aero Engines AG and may not be copied or used for any purpose other than that for which it is supplied without the express written authority of © IAE International Aero Engines AG. (This does not preclude use by engine and aircraft operators for normal instructional, maintenance or overhaul purposes.).Applicability
All
Common Information
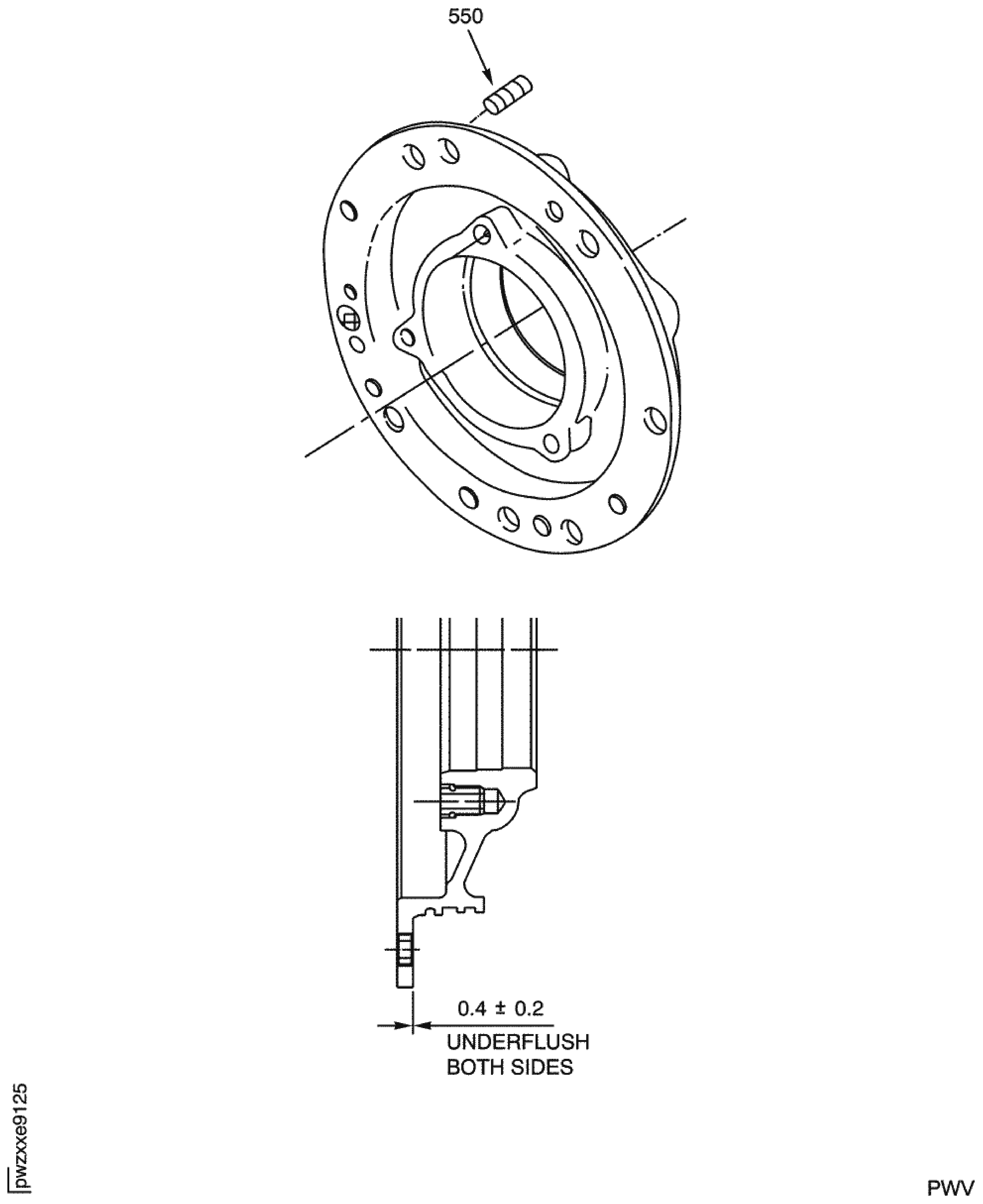
TASK 72-60-28-300-028 Generator Drive Gear Housing - Replace The Damaged Or Loose Screw Thread Inserts, Repair-028 (VRS5673)
General
Price and availability - none.
The practices and processes referred to in the procedure by the TASK numbers are in the SPM.
Preliminary Requirements
Pre-Conditions
NONESupport Equipment
| Name | Manufacturer | Part Number / Identification | Quantity | Remark |
|---|---|---|---|---|
| Standard workshop equipment | LOCAL | Standard workshop equipment | ||
| Drilling machine | LOCAL | Drilling machine | ||
| Drill | LOCAL | Drill | 0.354 in. (9.0 mm) diameter | |
| Drill puller | LOCAL | Drill puller | ||
| Vibration peen equipment | LOCAL | Vibration peen equipment |
Consumables, Materials and Expendables
NONESpares
| Name | Manufacturer | Part Number / Identification | Quantity | Remark |
|---|---|---|---|---|
| Insert, screw thread | 4T0318 | A/R |
Safety Requirements
NONEProcedure
Refer to Figure.
SUBTASK 72-60-28-350-116 Remove the Insert
Do the touch-up process. Refer to the SPM TASK 70-38-02-300-503.
Check the surface.
SUBTASK 72-60-28-330-091 Restore the Damaged Anodic Treatment
Refer to Figure.
SUBTASK 72-60-28-350-117 Install the New Insert
Do the touch-up process if the anodic treatment was damaged by insert installation, at the surface. Refer to the SPM TASK 70-38-02-300-503.
Check the surface.
SUBTASK 72-60-28-330-092 Restore the Damaged Anodic Treatment
Refer to TASK 72-60-28-200-002.
Do an inspection of the new insert.
SUBTASK 72-60-28-220-180 Inspect the Insert
Refer to the SPM TASK 70-09-00-400-501, SUBTASK 70-09-00-400-001. Use vibro-engraving equipment.
Vibration peen VRS5678 adjacent to the part number.
SUBTASK 72-60-28-350-118 Identify the Repair
Do the touch-up process on the marking area, if necessary. Refer to the SPM TASK 70-38-02-300-503.
Check the surface.
SUBTASK 72-60-28-330-093 Restore the Damaged Anodic Treatment
Figure: Repair Details and Dimensions
Repair Details and Dimensions

Figure: Repair Details and Dimensions
Repair Details and Dimensions

Figure: Repair Details and Dimensions
Repair Details and Dimensions

