DMC:V2500-A0-72-60-3304-01A-647A-CIssue No:001.00Issue Date:2013-11-01
Export Control
EAR Export Classification: Not subject to the EAR per 15 C.F.R. Chapter 1, Part 734.3(b)(3), except for the following Service Bulletins which are currently published as EAR Export Classification 9E991: SBE70-0992, SBE72-0483, SBE72-0580, SBE72-0588, SBE72-0640, SBE73-0209, SBE80-0024 and SBE80-0025.Copyright
© IAE International Aero Engines AG (2001, 2014 - 2021) The information contained in this document is the property of © IAE International Aero Engines AG and may not be copied or used for any purpose other than that for which it is supplied without the express written authority of © IAE International Aero Engines AG. (This does not preclude use by engine and aircraft operators for normal instructional, maintenance or overhaul purposes.).Applicability
All
Common Information
TASK 72-60-33-300-012 PMA Support - Chromium Plate The Stator Mating Surface, Repair-012 (VRS5185)
General
Price and availability - none
The practices and processes referred to in the procedure by the TASK numbers are in the SPM.
NOTE
To identify the consumable materials refer to the PCI.
Preliminary Requirements
Pre-Conditions
NONESupport Equipment
| Name | Manufacturer | Part Number / Identification | Quantity | Remark |
|---|---|---|---|---|
| Workshop inspection equipment | LOCAL | Workshop inspection equipment | ||
| Grinding machine | LOCAL | Grinding machine | ||
| Magnetizing unit | LOCAL | Magnetizing unit | ||
| Demagnetizing unit | LOCAL | Demagnetizing unit | ||
| Pressure shotpeen system | LOCAL | Pressure shotpeen system | ||
| Basket | LOCAL | Basket | ||
| Vapor degreaser | LOCAL | Vapor degreaser | ||
| Process Plating Tanks | LOCAL | Process plating tanks | ||
| Furnace | LOCAL | Furnace | ||
| Magnifying glass, 5x | LOCAL | Magnifying glass, 5x | ||
| Vibrating marking pencil | LOCAL | Vibrating marking pencil |
Consumables, Materials and Expendables
| Name | Manufacturer | Part Number / Identification | Quantity | Remark |
|---|---|---|---|---|
| CoMat 01-001 SOLVENT, DELETED | 0AM53 | CoMat 01-001 | ||
| CoMat 01-022 SODIUM HYDROXIDE NaOH (SOLID) | LOCAL | CoMat 01-022 | ||
| CoMat 01-023 CHROMIUM TRIOXIDE CrO3(CHROM.ACID) | LOCAL | CoMat 01-023 | ||
| CoMat 02-017 WAX | LOCAL | CoMat 02-017 | ||
| CoMat 02-034 METALLIC MASKING TAPE(LEAD FOIL) | 76381 | CoMat 02-034 | ||
| CoMat 05-030 CAST STEEL SHOT DELETED | 0AM53 | CoMat 05-030 |
Spares
NONESafety Requirements
NONEProcedure
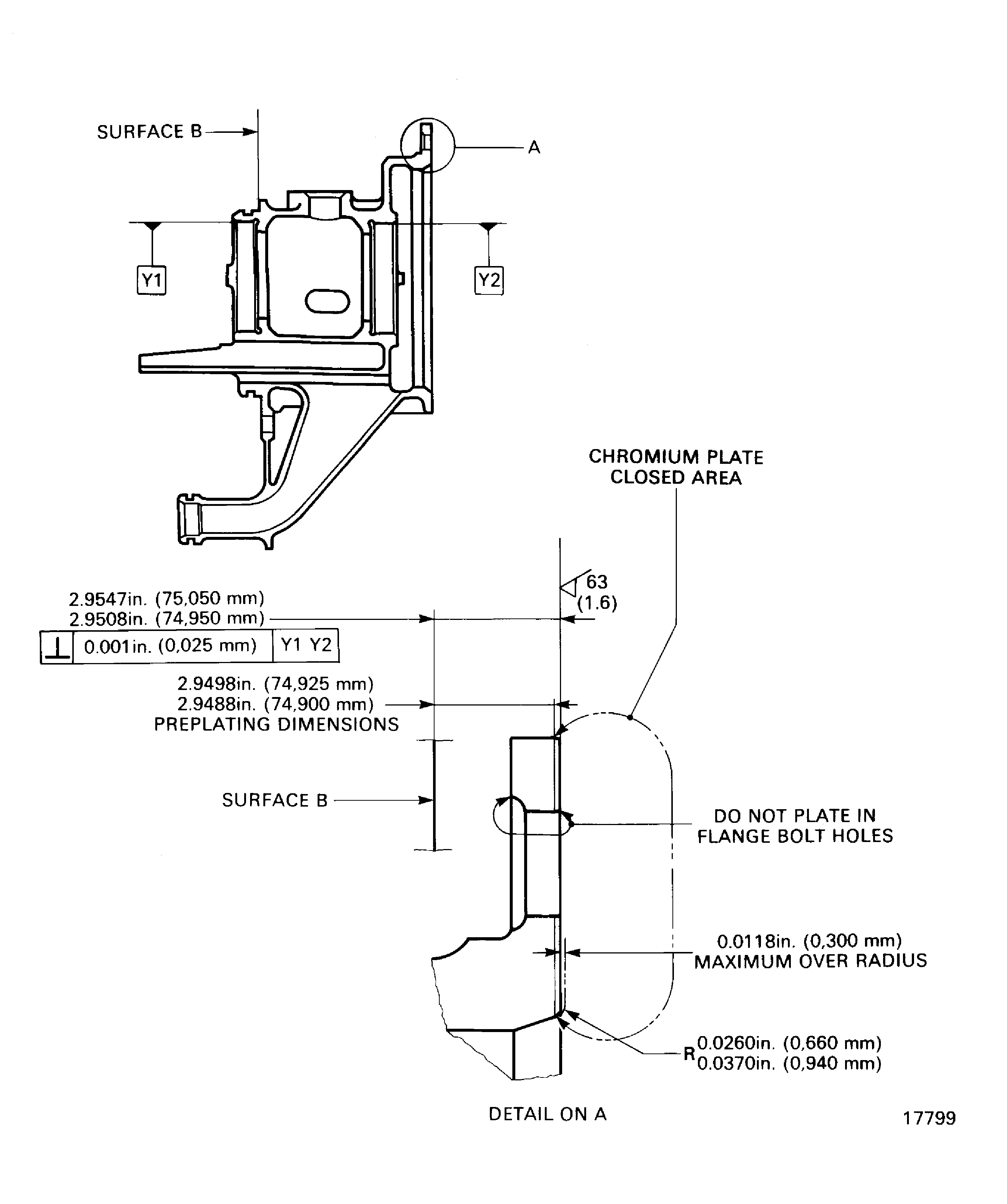
Refer to Figure.
SUBTASK 72-60-33-320-055 Machine the Stator Mating Surface
Refer to the SPM TASK 70-24-01-240-501.
No cracks are permitted.
Do the magnetic particle inspection for cracks.
SUBTASK 72-60-33-240-055 Examine the PMA Support
Refer to the SPM TASK 70-38-04-300-503.
Shot-peen the stator mating surface to an intensity of 0.006A to 0.008A in.
SUBTASK 72-60-33-380-052 Shot-peen the Stator Mating Surface
Refer to the SPM TASK 70-11-01-300-503.
Do the vapor degreasing.
SUBTASK 72-60-33-110-055 Clean the PMA Support
Refer to Figure.
Use CoMat 02-017 WAX.
Mask the areas not to be plated.
Refer to the SPM TASK 70-33-02-330-501.
Plate to a sufficient thickness to permit the machining to the last dimension.
The plate out of the stator mating surface area is permitted but must be removed.
Do the chromium plating.
SUBTASK 72-60-33-330-053 Chromium Plate the Stator Mating Surface
Refer to Figure.
SUBTASK 72-60-33-320-056 Machine the Stator Mating Surface
Figure: Chromium plate the stator mating surface
Chromium plate the stator mating surface

