Export Control
EAR Export Classification: Not subject to the EAR per 15 C.F.R. Chapter 1, Part 734.3(b)(3), except for the following Service Bulletins which are currently published as EAR Export Classification 9E991: SBE70-0992, SBE72-0483, SBE72-0580, SBE72-0588, SBE72-0640, SBE73-0209, SBE80-0024 and SBE80-0025.Copyright
© IAE International Aero Engines AG (2001, 2014 - 2021) The information contained in this document is the property of © IAE International Aero Engines AG and may not be copied or used for any purpose other than that for which it is supplied without the express written authority of © IAE International Aero Engines AG. (This does not preclude use by engine and aircraft operators for normal instructional, maintenance or overhaul purposes.).Applicability
All
Common Information
TASK 72-60-33-300-019 PMA Support - Chromium Plate The Rear Bearing Journal, Repair-019 (VRS5192)
General
Price and availability - none
The practices and processes referred to in the procedure by the TASK numbers are in the SPM.
NOTE
Preliminary Requirements
Pre-Conditions
NONESupport Equipment
| Name | Manufacturer | Part Number / Identification | Quantity | Remark |
|---|---|---|---|---|
| Workshop inspection equipment | LOCAL | Workshop inspection equipment | ||
| Grinding machine | LOCAL | Grinding machine | ||
| Magnetizing unit | LOCAL | Magnetizing unit | ||
| Demagnetizing unit | LOCAL | Demagnetizing unit | ||
| Pressure shotpeen system | LOCAL | Pressure shotpeen system | ||
| Basket | LOCAL | Basket | ||
| Vapor degreaser | LOCAL | Vapor degreaser | ||
| Process Plating Tanks | LOCAL | Process plating tanks | ||
| Furnace | LOCAL | Furnace | ||
| Magnifying glass, 5x | LOCAL | Magnifying glass, 5x | ||
| Vibrating marking pencil | LOCAL | Vibrating marking pencil |
Consumables, Materials and Expendables
| Name | Manufacturer | Part Number / Identification | Quantity | Remark |
|---|---|---|---|---|
| CoMat 01-001 SOLVENT, DELETED | 0AM53 | CoMat 01-001 | ||
| CoMat 01-022 SODIUM HYDROXIDE NaOH (SOLID) | LOCAL | CoMat 01-022 | ||
| CoMat 01-023 CHROMIUM TRIOXIDE CrO3(CHROM.ACID) | LOCAL | CoMat 01-023 | ||
| CoMat 02-017 WAX | LOCAL | CoMat 02-017 | ||
| CoMat 02-034 METALLIC MASKING TAPE(LEAD FOIL) | 76381 | CoMat 02-034 | ||
| CoMat 05-030 CAST STEEL SHOT DELETED | 0AM53 | CoMat 05-030 |
Spares
NONESafety Requirements
NONEProcedure
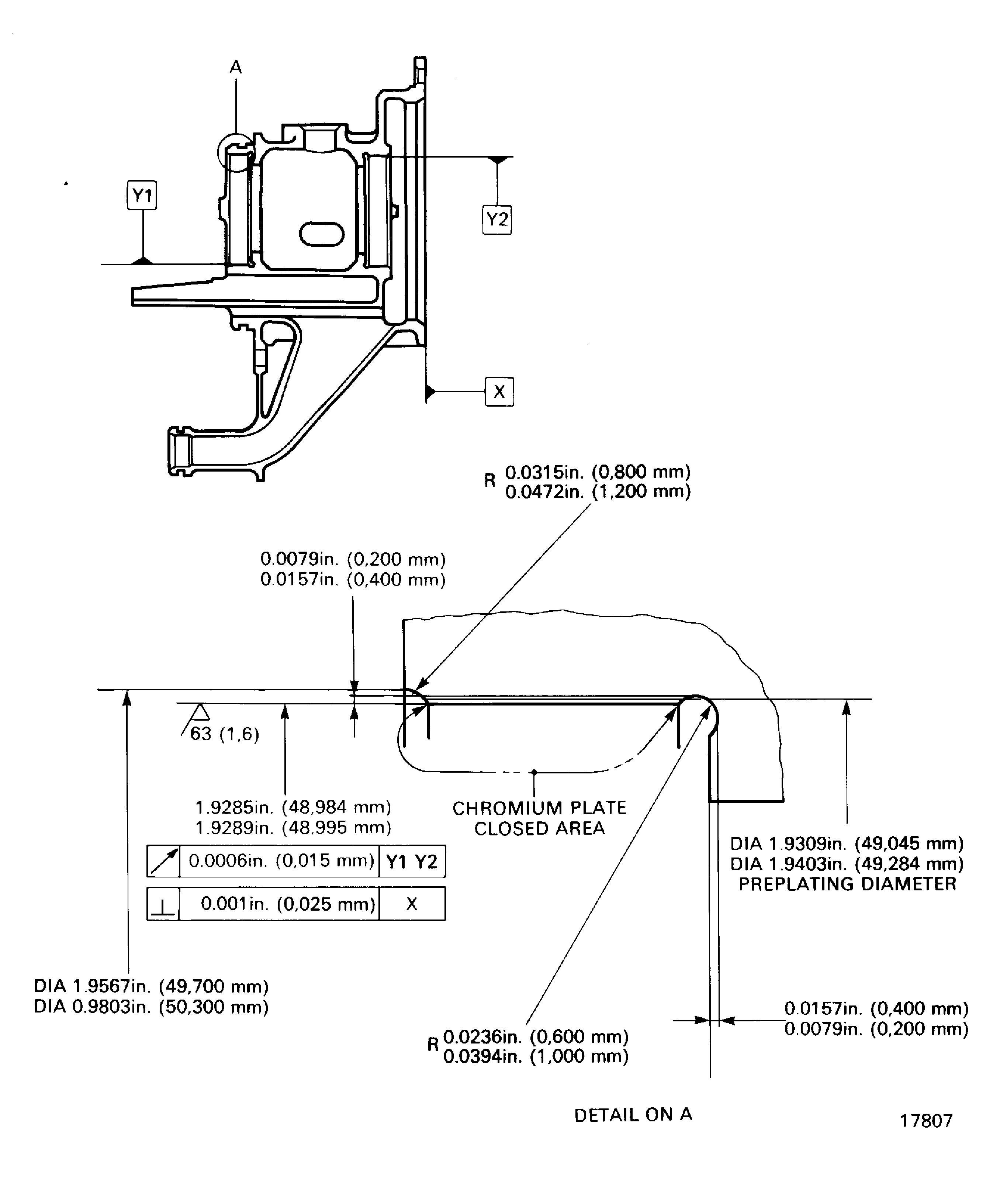
Refer to Figure.
SUBTASK 72-60-33-320-069 Machine the Rear Bearing Journal
Refer to the SPM TASK 70-24-01-240-501.
No cracks are permitted.
Do the magnetic particle inspection for cracks.
SUBTASK 72-60-33-240-062 Examine the PMA Support
Refer to the SPM TASK 70-38-04-300-503.
Shot-peen the rear bearing journal to an intensity of 0.006A to 0.008A in.
SUBTASK 72-60-33-380-059 Shot-peen the Rear Bearing Journal
Refer to the SPM TASK 70-11-01-300-503.
Do the vapor degreasing.
SUBTASK 72-60-33-110-062 Clean the PMA Support
Use CoMat 02-017 WAX.
Mask the areas not to be plated.
Refer to the SPM TASK 70-33-02-330-501.
Plate to a sufficient thickness to permit the machining to the last dimension.
The plate out of the rear bearing journal is permitted but must be removed.
Do the chromium plate.
SUBTASK 72-60-33-330-060 Chromium Plate the Rear Bearing Journal
Refer to Figure.
SUBTASK 72-60-33-320-070 Machine the Rear Bearing Journal
Use a Magnifying glass, 5x.
The natural network crack, emphasized by grinding, is permitted.
Do the visual inspection of the chromium plated area for cracks and adhesion.
SUBTASK 72-60-33-220-093 Examine the Chromium Plated Area
Use the Vibrating marking pencil.
Remove the metal lifted by marking the number.
Vibro engrave VRS5192 adjacent to the part number.
SUBTASK 72-60-33-350-061 Record the Repair
Figure: Chromium plate the rear bearing journal
Chromium plate the rear bearing journal

