Export Control
EAR Export Classification: Not subject to the EAR per 15 C.F.R. Chapter 1, Part 734.3(b)(3), except for the following Service Bulletins which are currently published as EAR Export Classification 9E991: SBE70-0992, SBE72-0483, SBE72-0580, SBE72-0588, SBE72-0640, SBE73-0209, SBE80-0024 and SBE80-0025.Copyright
© IAE International Aero Engines AG (2001, 2014 - 2021) The information contained in this document is the property of © IAE International Aero Engines AG and may not be copied or used for any purpose other than that for which it is supplied without the express written authority of © IAE International Aero Engines AG. (This does not preclude use by engine and aircraft operators for normal instructional, maintenance or overhaul purposes.).Applicability
All
Common Information
TASK 72-60-41-300-016 Repair The PTO Shaft Seal Tube Bore Of The Angle Gearbox Casing With Steel Bush, REPAIR-016 (VRS5703)
Material of component
PART IDENT | SYMBOL | MATERIAL |
|---|---|---|
Angle Gearbox Casing | A357-T61 (4716M/2) | Aluminium alloy |
Bushing | A286 (AMS5737) | Steel alloy |
General
Price and availability - None
The practices and processes referred to in this procedure by the TASK numbers are in the SPM.
Preliminary Requirements
Pre-Conditions
NONESupport Equipment
NONEConsumables, Materials and Expendables
| Name | Manufacturer | Part Number / Identification | Quantity | Remark |
|---|---|---|---|---|
| DELETED | LOCAL | DELETED | ||
| DELETED | LOCAL | DELETED | ||
| CoMat 08-180 RETAINING COMPOUND | 05972 | CoMat 08-180 | ||
| CoMat 10-140 DRY FILM LUBRICANT, MOLYBDENUM DISULFIDE | 818N1 | CoMat 10-140 |
Spares
NONESafety Requirements
NONEProcedure
Remove by machining the damaged bush from the gearbox casing bore.
If VRS5703 or VRS5690 is marked near the part number mark, remove the bush from the Gearbox Casing Bore.
SUBTASK 72-60-41-350-091 Remove the Bush from the Gearbox Casing Bore (If Necessary)
Machine Diameter U first.
If there is damage or unwanted runout, Diameter U can be increased to a maximum of 3.714 in. (94.34 mm). Keep material removal to a minimum.
Diameter U must be between 3.658 in. to 3.665 in. (92.913 mm to 93.091 mm).
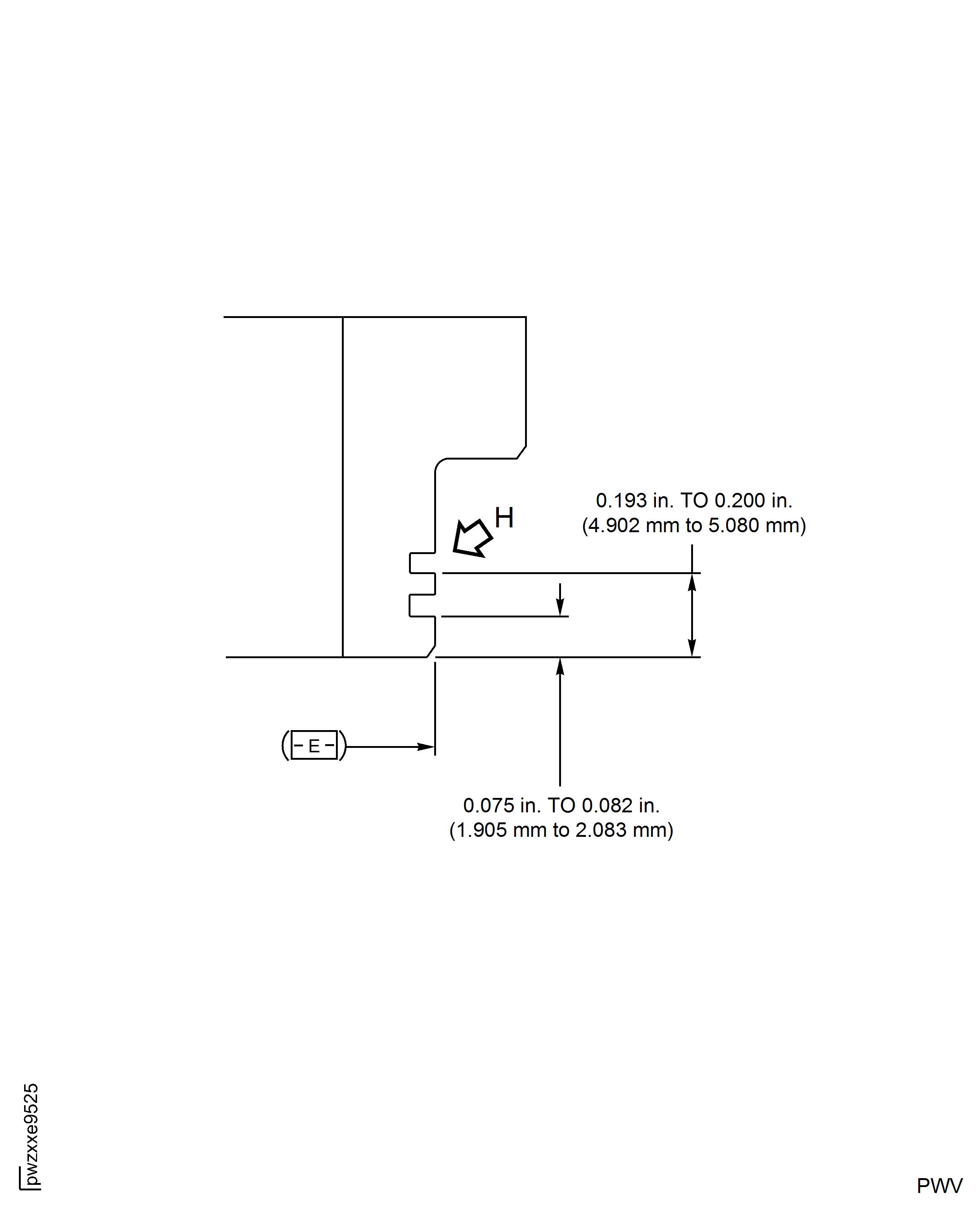
Axially machine Diameter U to 0.650 in. to 0.669 in. (16.510 mm to 16.993 mm).
If there is damage or unwanted runout, Diameter V can be increased to a maximum of 3.827 in. (97.21 mm). Keep material removal to a minimum.
Diameter V must be between 3.815 in. to 3.822 in. (96.901 mm to 97.079 mm).
If there is damage, the axial length of Diameter V (Distance D) can be increased to a maximum of 0.234 in. (5.94 mm).
Axially machine Diameter V to 0.153 in. to 0.161 in. (3.886 mm to 4.089 mm).
Make sure you comply with tolerances.
Record the actual dimensions of Diameter U, Diameter V, and Distance D.
Use a boring machine.
Machine the two diameters of the bore.
SUBTASK 72-60-41-320-080 Machine the Gearbox Casing Bore
Refer to TASK 72-60-00-100-000.
Clean the part.
Refer to SPM TASK 70-23-01-230-501.
Cracks are not allowed.
Inspect the casing for cracks in the area of the bore.
SUBTASK 72-60-41-220-105 Examine the Gearbox Casing Bore
Refer to Figure.
Refer to SPM TASK 70-38-02-300-503.
Apply the chromate conversion coating to the Diameter V, Diameter U and Surface S.
SUBTASK 72-60-41-330-081 Apply the Chromate Conversion Coating on Diameter V, Diameter U and Surface S
Use only steel alloy A286. Do not use other materials.
The outside diameters must be equal to U plus 0.0032 in. to 0.0039 in. (0.081 mm to 0.099 mm) and to V minus 0.0040 in. to 0.0078 in. (0.102 mm to 0.198 mm).
Make sure you comply with tolerances.
Use a grinding machine or a lathe.
Produce a bush.
SUBTASK 72-60-41-330-082 Produce a Bush
Refer to Figure.
Use an oven. Do not increase the temperature of the casing above 220° F (104° C).
NOTE
The difference in temperature between the parts must be 149° F (65° C).

WARNING
DO NOT TOUCH THE HOT PARTS WITHOUT PROTECTIVE GLOVES.HOT PARTS CAN CAUSE REDDENING AND BLISTERING OF THE SKIN IF THE HANDS ARE NOT PROTECTED.IMMERSE THE CONTACTED AREA IN COLD WATER FOR 10 MINUTES IF THE SKIN IS BURNED. IMMEDIATELY GET MEDICAL ATTENTION IF PAIN OR BLISTERING PERSISTS.Increase the temperature of the housing.
Use CoMat 08-180 RETAINING COMPOUND pressfit.
Apply glue in the bush grooves and on Diameter E.
Use protective gloves.

CAUTION
INSTALL BUSH INTO THE MACHINED BORE OF THE CASING IMMEDIATELY AFTER THE CASING REMOVAL FROM THE OVEN.Remove the casing from the oven.
Install the bush into the machined bore of the casing. Use an arbor press. Make sure that the casing is correctly installed on a support to prevent casing distortion when you install the bush.
Install the bush into the casing.
Let the parts get to room temperature at least for 48 hours to make sure sufficient cure time is given for glue.
Let the parts get to room temperature.
SUBTASK 72-60-41-350-092 Install the Bush
Flush the top land of the bush to 0.005 in. (0.127 mm) below the surface of the angle gearbox casing.
Use a grinding machine or a lathe.
The final dimension of the inner diameter of the bush must be between 3.5040 in. to 3.5053 in. (89.002 mm to 89.035 mm). Make sure you comply with tolerances.
Surface finish is 63 microinches (1.600 micrometers).
Use a boring machine.
Machine the top land and the inner diameter of the bush.
Surface finish is 63 microinches (1.600 micrometers).
Use a grinding machine or a lathe.
Machine the chamfer of the bush.
SUBTASK 72-60-41-320-081 Machine the Bush
Refer to SPM TASK 70-38-02-300-503.
Apply the chromate conversion coating to the machined surfaces of the housing.
SUBTASK 72-60-41-330-083 Apply the Chromate Conversion Coating
Use CoMat 10-140 DRY FILM LUBRICANT, MOLYBDENUM DISULFIDE according to SPM TASK 70-38-03-380-501.
Apply the dry film lubricant to the inner diameter.
SUBTASK 72-60-41-340-002 Apply the Dry Film Lubricant
Refer to SPM TASK 70-09-00-400-501, SUBTASK 70-09-00-400-001.
Used method 3 (Vibration peen).
Make a mark VRS5703 (if not already marked) adjacent to the part number.
Refer to SPM TASK 70-38-02-300-503.
Apply the chromate conversion coating to areas affected by marking.
SUBTASK 72-60-41-350-093 Identify the Repair
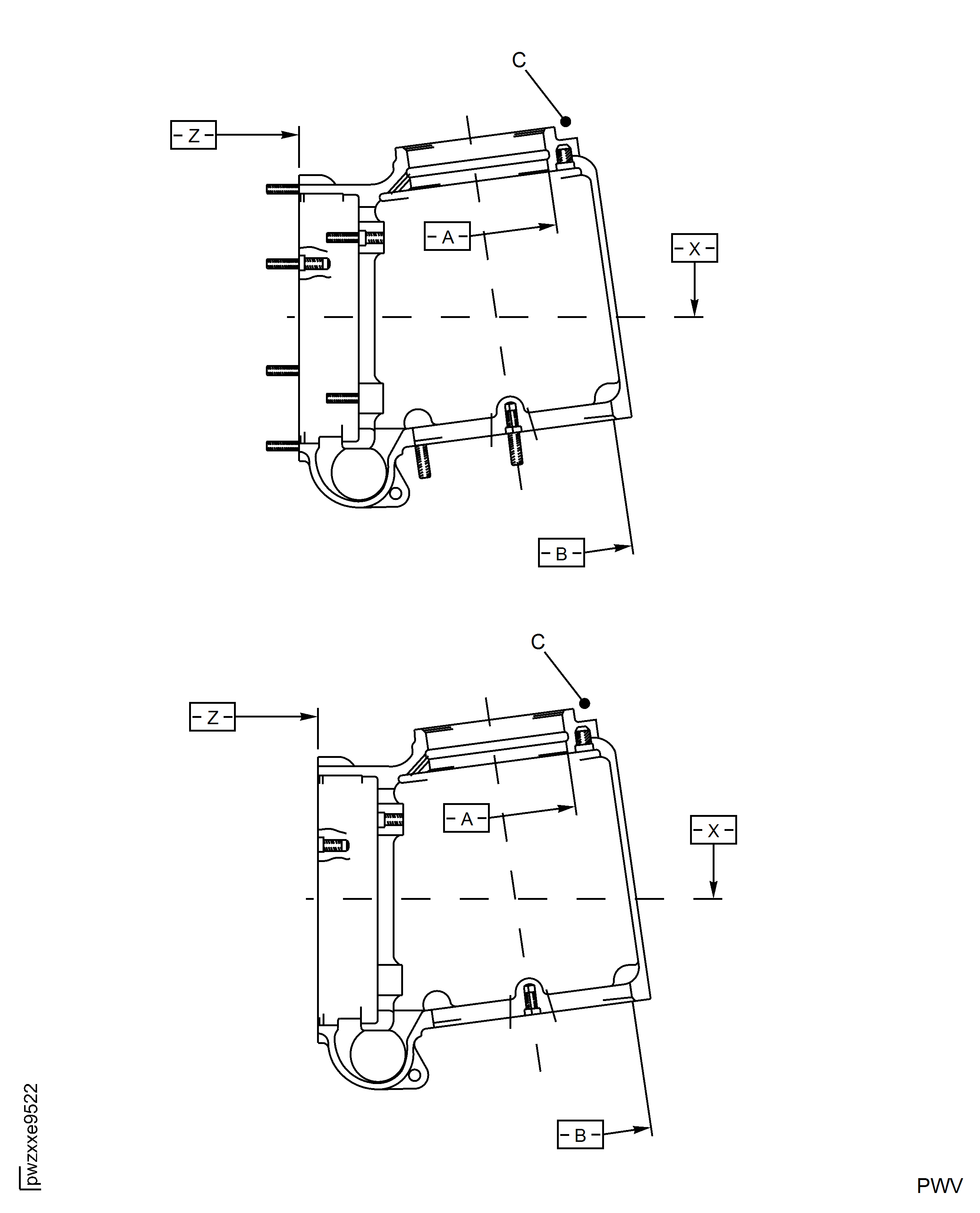
Figure: Repair Details Pre SBE 72-0492 and Post SBE 72-0492
Repair Details Pre SBE 72-0492 and Post SBE 72-0492

Figure: Machine the Gearbox Casing Bore
Machine the Gearbox Casing Bore

Figure: Bush
Bush

Figure: Bush
Bush

Figure: Detail H
Detail H

Figure: Install the Bushing
Install the Bushing

Figure: Machine the Bushing
Machine the Bushing

Figure: Machine the Bushing Chamfer
Machine the Bushing Chamfer

