Export Control
EAR Export Classification: Not subject to the EAR per 15 C.F.R. Chapter 1, Part 734.3(b)(3), except for the following Service Bulletins which are currently published as EAR Export Classification 9E991: SBE70-0992, SBE72-0483, SBE72-0580, SBE72-0588, SBE72-0640, SBE73-0209, SBE80-0024 and SBE80-0025.Copyright
© IAE International Aero Engines AG (2001, 2014 - 2021) The information contained in this document is the property of © IAE International Aero Engines AG and may not be copied or used for any purpose other than that for which it is supplied without the express written authority of © IAE International Aero Engines AG. (This does not preclude use by engine and aircraft operators for normal instructional, maintenance or overhaul purposes.).Applicability
All
Common Information
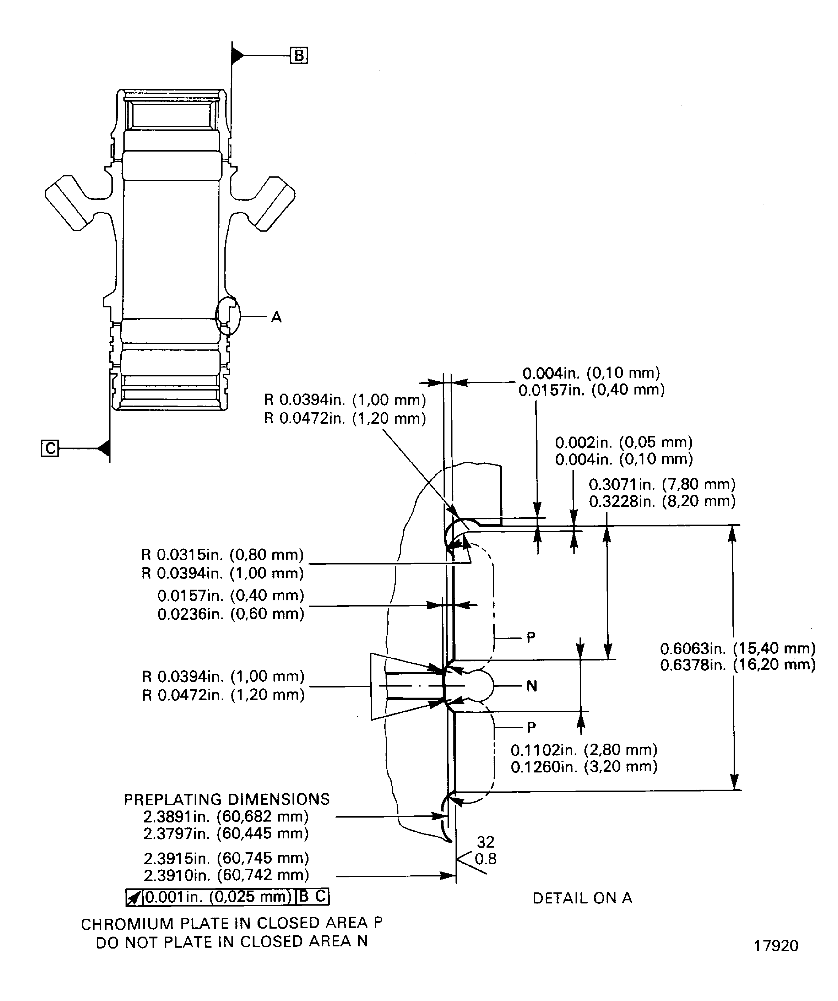
TASK 72-60-42-300-015 Angle Gearbox Driving Bevel Radial Gearshaft - Chromium Plate The Lower Ball Bearing Journal, Repair-015 (VRS5196)
General
Price and availability - none
The practices and processes referred to in the procedure by the TASK numbers are in the SPM.
NOTE
To identify consumable materials refer to the PCI.
Other consumable materials are given in SPM.
Preliminary Requirements
Pre-Conditions
NONESupport Equipment
| Name | Manufacturer | Part Number / Identification | Quantity | Remark |
|---|---|---|---|---|
| Workshop inspection equipment | LOCAL | Workshop inspection equipment | ||
| Grinding machine | LOCAL | Grinding machine | ||
| Magnetizing unit | LOCAL | Magnetizing unit | ||
| Demagnetizing unit | LOCAL | Demagnetizing unit | ||
| Hot oil tank | LOCAL | Hot oil tank | ||
| Pressure shotpeen system | LOCAL | Pressure shotpeen system | ||
| Basket | LOCAL | Basket | ||
| Vapor degreaser | LOCAL | Vapor degreaser | ||
| Oven | LOCAL | Oven | ||
| Process Plating Tanks | LOCAL | Process plating tanks | ||
| Magnifying glass | LOCAL | Magnifying glass | ||
| Vibrating marking pencil | LOCAL | Vibrating marking pencil |
Consumables, Materials and Expendables
| Name | Manufacturer | Part Number / Identification | Quantity | Remark |
|---|---|---|---|---|
| CoMat 01-001 SOLVENT, DELETED | 0AM53 | CoMat 01-001 | ||
| CoMat 01-023 CHROMIUM TRIOXIDE CrO3(CHROM.ACID) | LOCAL | CoMat 01-023 | ||
| CoMat 02-017 WAX | LOCAL | CoMat 02-017 | ||
| CoMat 02-034 METALLIC MASKING TAPE(LEAD FOIL) | 76381 | CoMat 02-034 | ||
| CoMat 05-030 CAST STEEL SHOT DELETED | 0AM53 | CoMat 05-030 | ||
| CoMat 10-023 MINERAL OIL | 73277 | CoMat 10-023 |
Spares
NONESafety Requirements
NONEProcedure
Refer to Figure.
SUBTASK 72-60-42-320-060 Machine the Lower Ball Bearing Journal
Refer to the SPM TASK 70-24-01-240-501.
No cracks are permitted.
Do the magnetic particle inspection for cracks.
SUBTASK 72-60-42-240-054 Examine the Bevel Radial Gearshaft
Refer to the SPM TASK 70-21-02-210-501.
Machine the lower ball bearing journal if there are signs of burnt metal.
Keep the removal of material to the minimum necessary to remove the damage.
Do the nital etch on the lower ball bearing journal to find sign of burned metal.
SUBTASK 72-60-42-210-053 Nital Etch the Lower Ball Bearing Journal
Refer to the SPM TASK 70-38-04-300-503.
Shot-peen the lower ball bearing journal to an intensity of 0.006A to 0.008A.
SUBTASK 72-60-42-380-053 Shot-Peen the Lower Ball Bearing Journal
Refer to the SPM TASK 70-11-01-300-503.

WARNING
WHEN YOU USE COMAT 01-001 INHIBITED AND STABLIZED TRICHLOROETHANE YOU MUST USE THE NECESSARY PROTECTIVE CLOTHING. DO NOT GET THE SOLVENT ON YOUR SKIN OR IN YOUR EYES. YOU MUST NOT SMOKE WHEN YOU USE THE SOLVENT AS THE VAPOR CHANGES AND BECOMES TOXIC.Do the vapor degreasing.
SUBTASK 72-60-42-110-055 Clean the Bevel Radial Gearshaft
Refer to Figure.
Use CoMat 02-017 WAX.
Mask the areas not to be plated.
Refer to the SPM TASK 70-33-02-330-501.
Plate to a sufficient thickness to permit the machining to the last dimensions.
The plating out of the lower ball bearing journal area is permitted but must be removed.
Do the chromium plating.
SUBTASK 72-60-42-330-056 Chromium Plate the Lower Ball Bearing Journal
Refer to Figure.
SUBTASK 72-60-42-320-061 Machine the Lower Ball Bearing Journal
Use a 5X Magnifying glass.
The natural network crack, emphasized by grinding, is permitted.
Do the visual inspection of the chromium plated area for cracks and adhesion.
SUBTASK 72-60-42-220-085 Examine the Chromium Plated Area
Figure: Chromium plate the lower ball bearing journal
Chromium plate the lower ball bearing journal

