Export Control
EAR Export Classification: Not subject to the EAR per 15 C.F.R. Chapter 1, Part 734.3(b)(3), except for the following Service Bulletins which are currently published as EAR Export Classification 9E991: SBE70-0992, SBE72-0483, SBE72-0580, SBE72-0588, SBE72-0640, SBE73-0209, SBE80-0024 and SBE80-0025.Copyright
© IAE International Aero Engines AG (2001, 2014 - 2021) The information contained in this document is the property of © IAE International Aero Engines AG and may not be copied or used for any purpose other than that for which it is supplied without the express written authority of © IAE International Aero Engines AG. (This does not preclude use by engine and aircraft operators for normal instructional, maintenance or overhaul purposes.).Applicability
All
Common Information
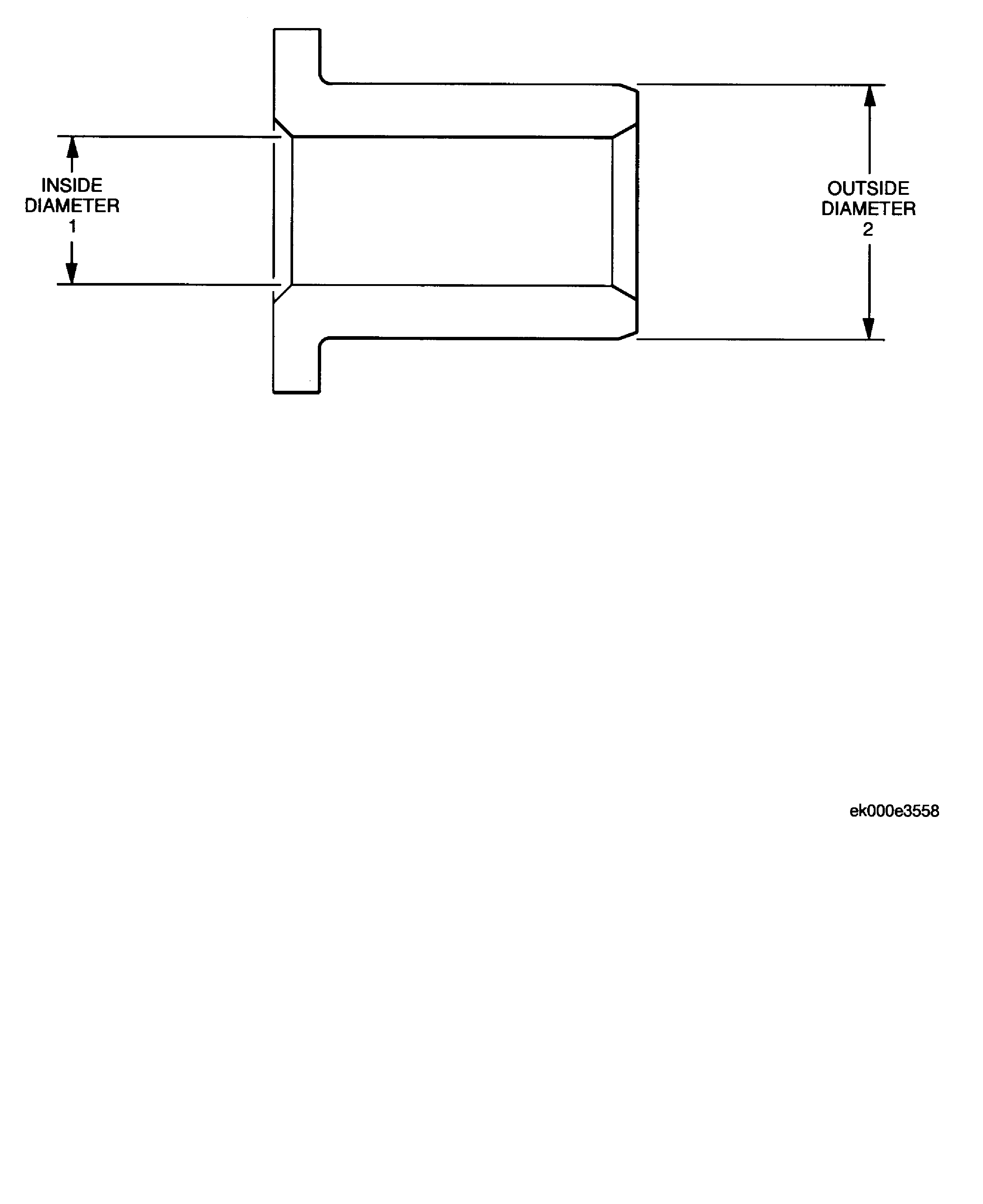
TASK 79-21-43-200-405-B00 Fuel Cooled Oil Cooler (FCOC) - Related Parts - Examine The Bushing, Inspection-005
General
This TASK gives the procedure for the inspection of the bushing. For the other parts of the fuel cooled oil cooler, refer to Inspection/Check-000 TASK 79-21-43-200-400.
Fig/item numbers in parentheses in the procedure agree with those used in the IPC. Only the primary Fig/item numbers are used. For the service bulletin alpha variants refer to the IPC.
All parts must be cleaned before they are examined. Refer to Cleaning-000 TASK 79-21-43-100-400.
All parts must be visually examined for damage, corrosion and wear. Defects that are not identified in the procedure must be referred to IAE.
Do not discard the part until you are sure there are no repairs available. Refer to the instructions in Repair before a discarded part is used again or oversize parts are installed.
Parts which should be discarded can be held although no repair is available. The repair of a discarded part could be shown to be necessary at a later date.
All parts must be examined to make sure that all repairs have been completed satisfactorily.
The practices and processes referred to in the procedure by the TASK numbers are in the SPM.
References
Refer to the SPM for the data on these items
Definitions of damages, SPM TASK 70-02-02-350-501.
Inspection of parts, SPM TASK 70-20-01-200-501.
Preliminary Requirements
Pre-Conditions
NONESupport Equipment
NONEConsumables, Materials and Expendables
NONESpares
NONESafety Requirements
NONEProcedure
Figure: Bushing Inspection Locations
Bushing Inspection Locations

