Export Control
EAR Export Classification: Not subject to the EAR per 15 C.F.R. Chapter 1, Part 734.3(b)(3), except for the following Service Bulletins which are currently published as EAR Export Classification 9E991: SBE70-0992, SBE72-0483, SBE72-0580, SBE72-0588, SBE72-0640, SBE73-0209, SBE80-0024 and SBE80-0025.Copyright
© IAE International Aero Engines AG (2001, 2014 - 2021) The information contained in this document is the property of © IAE International Aero Engines AG and may not be copied or used for any purpose other than that for which it is supplied without the express written authority of © IAE International Aero Engines AG. (This does not preclude use by engine and aircraft operators for normal instructional, maintenance or overhaul purposes.).Applicability
All
Common Information
TASK 72-41-34-300-065 HP Compressor VIGV, Stage 3, 4 and 5 Vane Centralising Pads and Housing - Replace Damaged Pad, Repair-065 (VRS9539)
Effectivity
FIG/ITEM | PART NO. | ASSEMBLY |
|---|---|---|
02-680 | 6B1066 | B |
03-680 | 6B1066 | B |
02-730 | 6B1067 | A |
03-730 | 6B1067 | A |
04-680 | 6B1080 | A |
05-680 | 6B1080 | A |
Material of component
PART IDENTIFICATION | RR SYMBOL | MATERIAL |
|---|---|---|
HP Compressor VIGV, Stage 3, 4 and 5 Vane Centralising Housing | LAH | Aluminium Alloy Bar |
HP Compressor VIGV, Stage 3, 4 and 5 Vane Centralising Pads | VYP | Graphite Filled Polyamide Moulding |
General
This TASK gives the procedure to repair the HP Compressor VIGV, Stage 3, 4 and 5 Vane Centralising Pads and Housing by replacing the damaged pad.
This repair must only be done when the instruction to do so is given in the relevant inspection procedures (identified by the applicable part number) located in Section 72-41-34.
Where reference is made to a SUBTASK within a TASK in the form"TASK, SUBTASK'' the operator must read and apply the complete TASK. The SUBTASK is listed only when the TASK gives options for the processing of the component. The specified SUBTASK instructs what option must be used during application of the TASK for the successful completion of the repair scheme VRS9539.
TASKs identified by SPM TASK are in the Standard Practices Manual (SPM).
NOTE
NOTE
NOTE
Preliminary Requirements
Pre-Conditions
NONESupport Equipment
| Name | Manufacturer | Part Number / Identification | Quantity | Remark |
|---|---|---|---|---|
| Abrasive blasting equipment | LOCAL | Abrasive blasting equipment | ||
| Chemical cleaning equipment | LOCAL | Chemical cleaning equipment | ||
| Dimensional inspection equipment | LOCAL | Dimensional inspection equipment | ||
| Fluorescent Penetrant Inspection Equipment | LOCAL | Fluorescent penetrant inspection equipment | ||
| Milling machine | LOCAL | Milling machine | ||
| Standard Workshop Equipment | LOCAL | Standard Workshop Equipment | ||
| Dial test indicator | LOCAL | Dial test indicator |
Consumables, Materials and Expendables
| Name | Manufacturer | Part Number / Identification | Quantity | Remark |
|---|---|---|---|---|
| CoMat 05-003 ABRASIVE MEDIUM ALUMINUM OXIDE, 120/220 GRADE | X222X | CoMat 05-003 | ||
| CoMat 05-127 ABRASIVE PAD | LOCAL | CoMat 05-127 | ||
| CoMat 06-063 FLUORESCENT PENETRANT (POST-EMULSIFIED MEDIUM SENSITIVITY) | X222X | CoMat 06-063 | ||
| CoMat 08-013 COLD CURING SILICONE COMPOUND | X222X | CoMat 08-013 |
Spares
| Name | Manufacturer | Part Number / Identification | Quantity | Remark |
|---|---|---|---|---|
| Bearing pad | LOCAL | 6B1620 | 1 | Assembly B |
| Bearing pad | LOCAL | 6B1620 | 1 | Assembly B |
| Bearing pad | LOCAL | 6B1621 | 1 | Assembly A |
| Bearing pad | LOCAL | 6B1621 | 1 | Assembly A |
| Bearing pad | LOCAL | 6B1621 | 1 | Assembly A |
| Bearing pad | LOCAL | 6B1621 | 1 | Assembly A |
Safety Requirements
NONEProcedure
Use the locally manufactured tools with a Milling machine and a Dial test indicator.
Assemble the fixture onto the machine.
Mill to remove the bearing pad material.
You must not remove material from the Centraliser Housing.
Disassemble the bolt(s) and put aside from re-assembly.
Assemble the HP Compressor VIGV, Stage 3, 4 and 5 Vane Centralising Pads and Housing onto the Milling machine to remove the bearing pad material.
SUBTASK 72-41-34-320-001 Machine to Remove the Bearing Pad Material from the Centralising Housing
Refer to TASK 72-41-34-100-003.
Degrease the Centraliser Housing.
Use adhesive masking tape or a suitable mechanical mask.
Mask the surfaces of the Centralising Housing that are not to be abrasive blasted.
Refer to SPM TASK 70-12-02-120-501.
Dry abrasive blast the repair area.
Use CoMat 05-003 ABRASIVE MEDIUM ALUMINUM OXIDE, 120/220 GRADE at 20 psi (140 kPa).
Use controlled Abrasive blasting equipment.
Abrasive blast the Centralising Housing to remove the remaining sealant.
Refer to TASK 72-41-34-100-003.
Degrease the Centralising Housing.
SUBTASK 72-41-34-120-001 Remove the Residual Sealant from the Centralising Housing
Reject.
If the repaired Centralising Housing is not within the given dimensions.
Continue with the repair.
If the repaired Centralising Housing is within the given dimensions.
Dimensionally inspect the abrasive blasted Centralising Housing.
SUBTASK 72-41-34-220-451 Dimensionally Inspect
Refer to SPM TASK 70-23-05-230-501.
Reject.
If cracking is detected.
Continue with the repair.
If no cracking is detected.
Inspect for cracking at the repair area on the Centralising Housing using fluorescent penetrant inspection.
SUBTASK 72-41-34-230-132 Fluorescent Penetrant Inspect
Refer to SPM TASK 70-38-02-300-503, SUBTASK 70-38-02-300-002.
Apply the surface protection.
SUBTASK 72-41-34-350-141 Touch-up the Coating on the Housing
Use CoMat 05-127 ABRASIVE PAD to abrade the Bearing Pad surfaces that are to be bonded.
Install the bolt(s) into the Centralising Housing.
Refer to SPM TASK 70-36-02-360-501, SUBTASK 70-36-02-360-020.
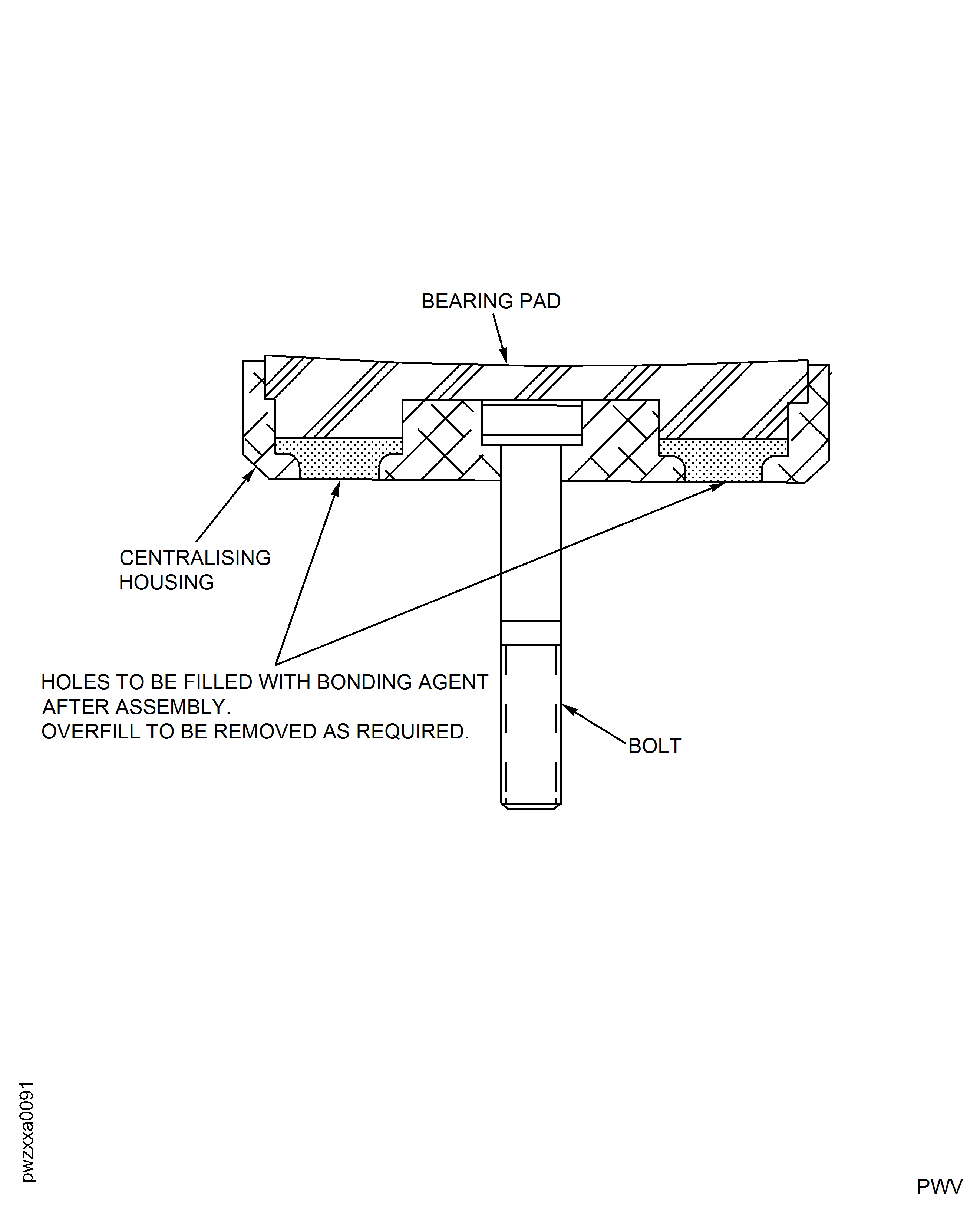
Apply CoMat 08-013 COLD CURING SILICONE COMPOUND sealant to the surface of the bearing pad and Centralising Housing that are to be bonded.
Install the bearing pad into the Centralising Housing.
Install the Bearing Pad into the Centralising Housing.
Refer to SPM TASK 70-36-02-360-501, SUBTASK 70-36-02-360-020.
Apply CoMat 08-013 COLD CURING SILICONE COMPOUND sealant to the Centralising Housing as required.
Remove excess sealant as required.
Apply sealant to the Centralising Housing.
Repeat the repair from Step.
If there is evidence of disbond or if there is sealant on the radius surface of the bearing pad.
Continue with the repair.
If there is no evidence of disbond or sealant on the radius surface of the bearing pad.
Visually inspect for complete bonding and no sealant on the radius of surface of the bearing pad.
Inspect the bonded joint.
SUBTASK 72-41-34-350-142 Assemble the Centralising Housing Bolt and Pad
Refer to SPM TASK 70-09-00-400-501, SUBTASK 70-09-00-400-001.
Use dot peen equipment.
Vibro-peen VRS9539 at the indicated location(s) on the HP Compressor VIGV, Stage 3, 4 and 5 Vane Centralising Pads and Housing.
Refer to SPM TASK 70-35-03-300-501.
Remove raised material, burrs and/or sharp edges at the vibro-peen marking area.
SUBTASK 72-41-34-350-143 Identify the Repair
Refer to SPM TASK 70-38-02-300-503, SUBTASK 70-38-02-300-002.
Apply the surface protection.
SUBTASK 72-41-34-350-144 Touch-up the Coating on the Housing
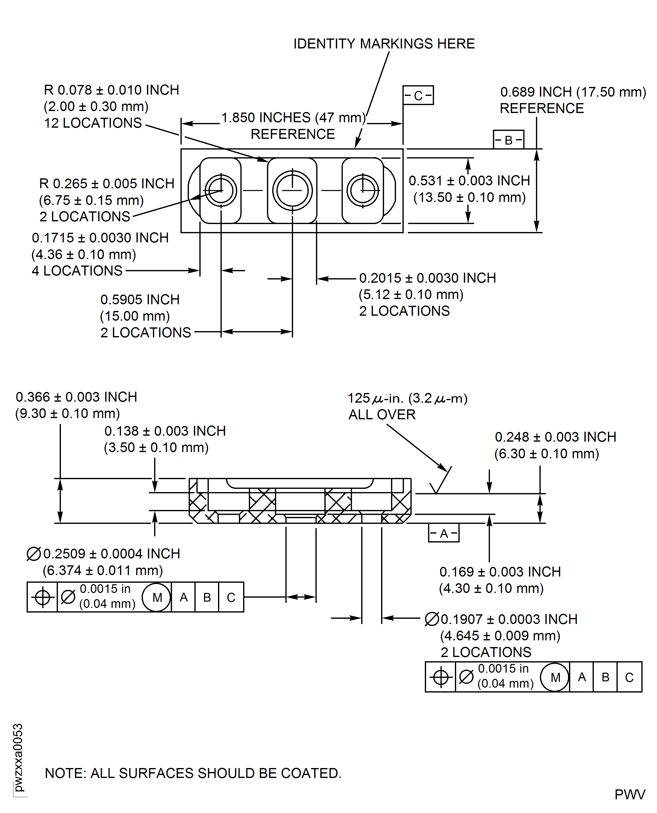
Figure: HP Compressor VIGV, Stage 3, 4 and 5 Vane Centralising Pads and Housing - Repair Details and Dimensions - Assembly A
HP Compressor VIGV, Stage 3, 4 and 5 Vane Centralising Pads and Housing - Repair Details and Dimensions - Assembly A

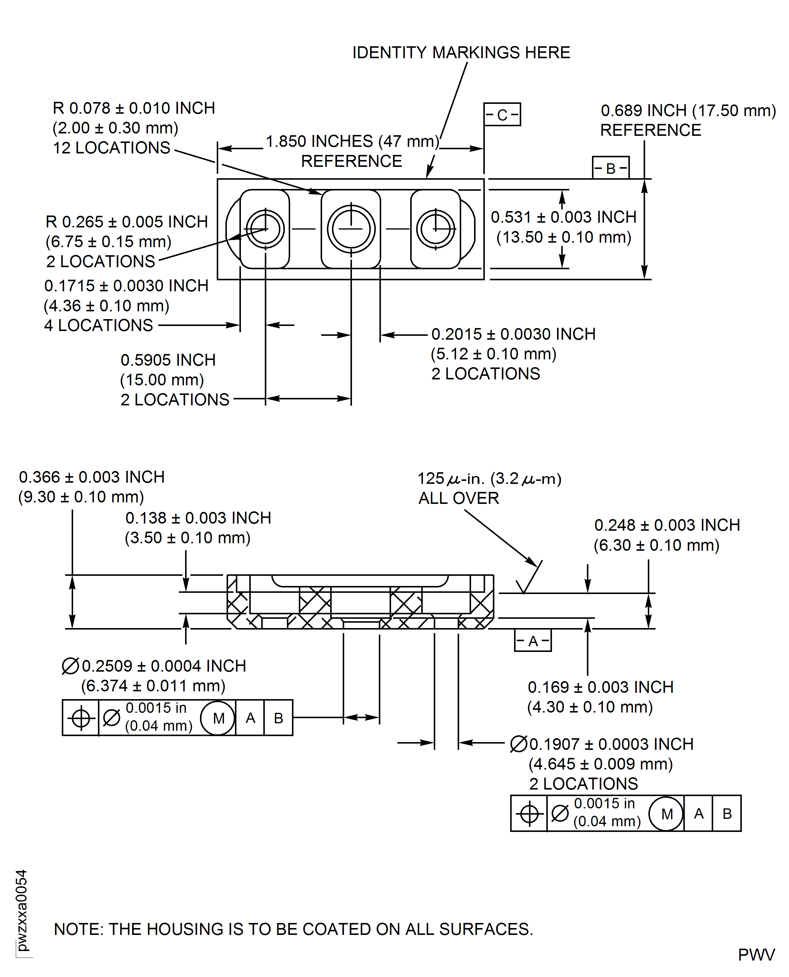
Figure: HP Compressor VIGV and Stage 3 Vane Centralising Pads and Housing - Repair Details and Dimensions - Assembly B
HP Compressor VIGV and Stage 3 Vane Centralising Pads and Housing - Repair Details and Dimensions - Assembly B

Figure: HP Compressor VIGV, Stage 3, 4 and 5 Vane Centralising Pads and Housing - Replacement Bearing Pad Details - Assembly A
HP Compressor VIGV, Stage 3, 4 and 5 Vane Centralising Pads and Housing - Replacement Bearing Pad Details - Assembly A

Figure: HP Compressor VIGV and Stage 3 Vane Centralising Pads and Housing - Replacement Bearing Pad Details - Assembly B
HP Compressor VIGV and Stage 3 Vane Centralising Pads and Housing - Replacement Bearing Pad Details - Assembly B

Figure: HP Compressor VIGV, Stage 3, 4 and 5 Vane Centralising Pads and Housing - Repair Details - Assembly A
HP Compressor VIGV, Stage 3, 4 and 5 Vane Centralising Pads and Housing - Repair Details - Assembly A

Figure: HP Compressor VIGV and Stage 3 Vane Centralising Pads and Housing - Repair Details - Assembly B
HP Compressor VIGV and Stage 3 Vane Centralising Pads and Housing - Repair Details - Assembly B

