DMC:V2500-A0-71-00-0000-05A-340A-BIssue No:002.00Issue Date:2021-05-01
Export Control
EAR Export Classification: Not subject to the EAR per 15 C.F.R. Chapter 1, Part 734.3(b)(3), except for the following Service Bulletins which are currently published as EAR Export Classification 9E991: SBE70-0992, SBE72-0483, SBE72-0580, SBE72-0588, SBE72-0640, SBE73-0209, SBE80-0024 and SBE80-0025.Copyright
© IAE International Aero Engines AG (2001, 2014 - 2021) The information contained in this document is the property of © IAE International Aero Engines AG and may not be copied or used for any purpose other than that for which it is supplied without the express written authority of © IAE International Aero Engines AG. (This does not preclude use by engine and aircraft operators for normal instructional, maintenance or overhaul purposes.).Applicability
All
Common Information
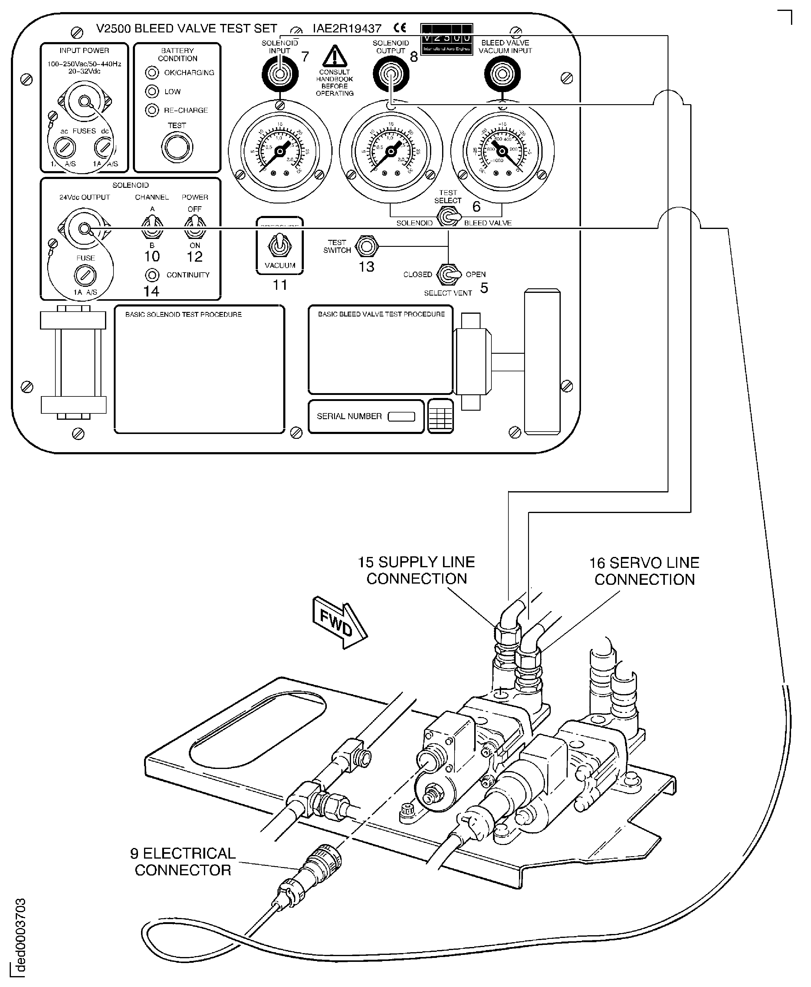
TASK 71-00-00-700-068 Functional Test Of The HPC Stage 10 Bleed Valve Solenoid, Testing-068
General
Fig/item numbers in parentheses in the procedure agree with those used in the IPC. Only the primary Fig/item numbers are used. For the service bulletin alpha-variants refer to the IPC.
Lubricate all threads with the approved engine oil, unless other lubricants are referred to in the procedure.
For the torque tightening procedure refer to SPM TASK 70-41-00-400-501 and SPM TASK 70-41-01-400-501. For the lockwire data refer to the SPM TASK 70-40-01-400-501.
For data on the electrical connectors refer to SPM TASK 70-43-00-400-501 and SPM TASK 70-43-01-400-501.
NOTE
To identify the consumable materials, refer to the PCI.
NOTE
The tools specified are the minimum standard for this TASK. For subsequent standards of tools refer to the Illustrated Tools and Equipment Manual (ITEM).
Preliminary Requirements
Pre-Conditions
NONESupport Equipment
| Name | Manufacturer | Part Number / Identification | Quantity | Remark |
|---|---|---|---|---|
| Torque wrench, range 96 to 900 lbf.in (10 to 100 Nm) | LOCAL | Torque Wrench 96-900 | ||
| IAE 2R19437 Test Set - Bleed valve | 0AM53 | IAE 2R19437 | 1 |
Consumables, Materials and Expendables
| Name | Manufacturer | Part Number / Identification | Quantity | Remark |
|---|---|---|---|---|
| CoMat 02-126 LOCKWIRE | K6835 | CoMat 02-126 |
Spares
NONESafety Requirements
NONEProcedure
Refer to Figure.
SUBTASK 71-00-00-030-002 Disconnect the Solenoid Supply and Servo Pipeline
Install the IAE 2R19437 Test Set - Bleed valve 1 off.
SUBTASK 71-00-00-430-002 Install the Test Set
Refer to Figure.
SUBTASK 71-00-00-720-002 Test the Stage 10 Solenoid Valve
Refer to Figure.
Safety the connectors with CoMat 02-126 LOCKWIRE.
SUBTASK 71-00-00-430-003 Connect the Solenoid Supply and Servo Pipeline
Figure: HPC stage 10 bleed valve solenoids
HPC stage 10 bleed valve solenoids

Figure: Bleed valve test set
Bleed valve test set

