Export Control
EAR Export Classification: Not subject to the EAR per 15 C.F.R. Chapter 1, Part 734.3(b)(3), except for the following Service Bulletins which are currently published as EAR Export Classification 9E991: SBE70-0992, SBE72-0483, SBE72-0580, SBE72-0588, SBE72-0640, SBE73-0209, SBE80-0024 and SBE80-0025.Copyright
© IAE International Aero Engines AG (2001, 2014 - 2021) The information contained in this document is the property of © IAE International Aero Engines AG and may not be copied or used for any purpose other than that for which it is supplied without the express written authority of © IAE International Aero Engines AG. (This does not preclude use by engine and aircraft operators for normal instructional, maintenance or overhaul purposes.).Applicability
All
Common Information
TASK 72-32-51-300-018 LP Rotor Center Shaft - Repair By Plasma Spraying The Snap Diameter, Repair-018 (VRS1942)
General
Price and availability
Refer to IAE for any of the following:
Tools
Engine parts
Repair of spares
The practices and processes referred to in the procedure by the TASK numbers are in the SPM.
This Repair scheme gives the procedure for plasma spraying the snap diameter of the rotor center shaft.
The use of clean gloves is necessary to carefully prevent contamination by perspiration or by salts.
NOTE
NOTE
Preliminary Requirements
Pre-Conditions
NONESupport Equipment
| Name | Manufacturer | Part Number / Identification | Quantity | Remark |
|---|---|---|---|---|
| Abrasive blasting facility | LOCAL | Abrasive blasting facility | ||
| Lathe | LOCAL | Lathe | ||
| Fluorescent Penetrant Inspection Equipment | LOCAL | Fluorescent Penetrant Inspection Equipment | ||
| Pressure Shotpeen System | LOCAL | Pressure Shotpeen System | ||
| Plasma spray equipment | LOCAL | Plasma spray equipment | ||
| Magnifying glass | LOCAL | Magnifying glass |
Consumables, Materials and Expendables
| Name | Manufacturer | Part Number / Identification | Quantity | Remark |
|---|---|---|---|---|
| CoMat 02-003 ADHESIVE TAPE BLACK WATERPROOF | LOCAL | CoMat 02-003 | ||
| CoMat 02-006 ADHESIVE TAPE ALUMINIUM FOIL | K0993 | CoMat 02-006 | ||
| CoMat 03-038 METAL SPRAYING POWDER NICKEL ALUMINIUM (95/5) | IE200 | CoMat 03-038 | ||
| CoMat 05-031 CAST STEEL SHOT DELETED | 0AM53 | CoMat 05-031 | ||
| CoMat 05-130 ABRASIVE DELETED | 0AM53 | CoMat 05-130 |
Spares
NONESafety Requirements
NONEProcedure
NOTE
Machining data is given for guidance only.Machining data
Machine speed
65.62 ft (20 m) per minute
Rate of feed
0.100 in. (2.54 mm) per revolution
NOTE
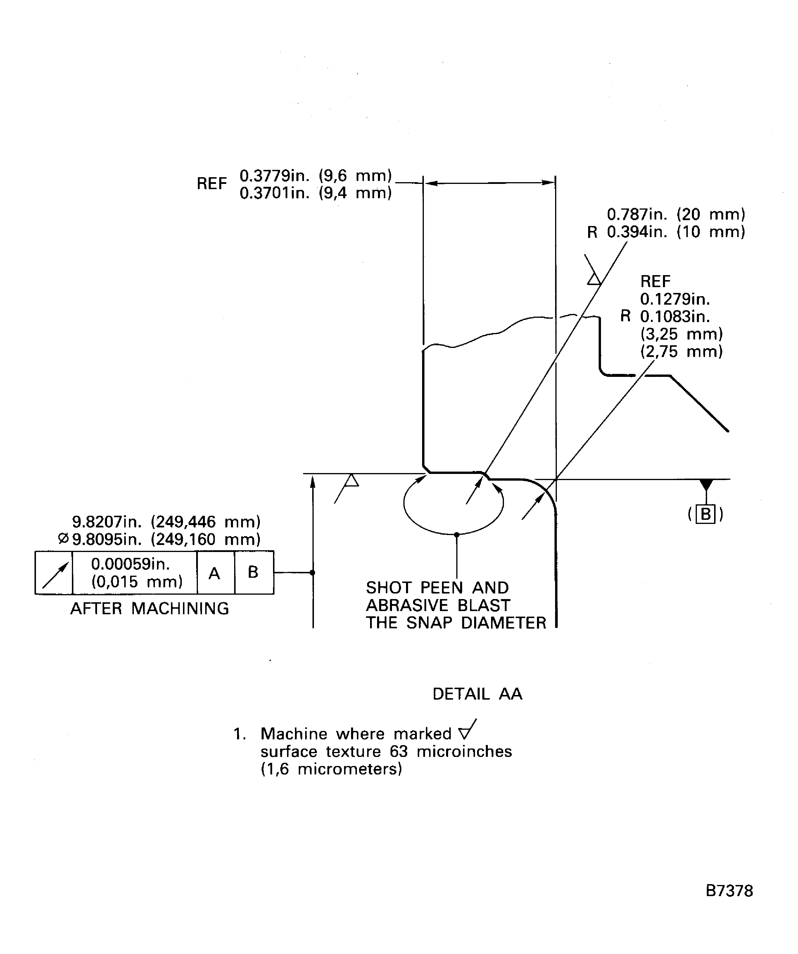
Hold the diameter to the minimum, to allow for subsequent repairs.Any previous coating and damage must be removed.If any worn area (scores, etc.) still exists, at the diameter 9.8207 in. (249.446 mm), reject the rotor center shaft.
Machine the snap diameter to between 9.8207 in (249.446 mm) and 9.8095 in. (249.160 mm) to remove the worn area. Break any sharp edges.
SUBTASK 72-32-51-325-056 Machine the Worn Snap Diameter
Refer to Figure.
Refer to the SPM TASK 70-21-01-220-501.
Do a visual inspection for the machined area.
SUBTASK 72-32-51-220-147 Inspect the Rotor Center Shaft
No cracks permitted.
Refer to the SPM TASK 70-23-03-230-501 or SPM TASK 70-23-04-230-501 or SPM TASK 70-23-08-230-501.
Do a crack test.
SUBTASK 72-32-51-230-065 Examine the Rotor Center Shaft for Cracks
Refer to Figure.
Complete coverage is required.
Do the procedure given in the SPM TASK 70-38-04-300-503.
Shot peen the snap diameter to an intensity of 6A.
SUBTASK 72-32-51-380-061 Shot Peen the Snap Diameter
Refer to Figure.
Refer to the SPM TASK 70-34-01-340-501.
Abrasive blast the rotor center shaft surface to be plasma sprayed.
SUBTASK 72-32-51-120-057 Abrasive Blast the Rotor Center Shaft
Refer to Figure.
Refer to the SPM TASK 70-34-01-340-501.
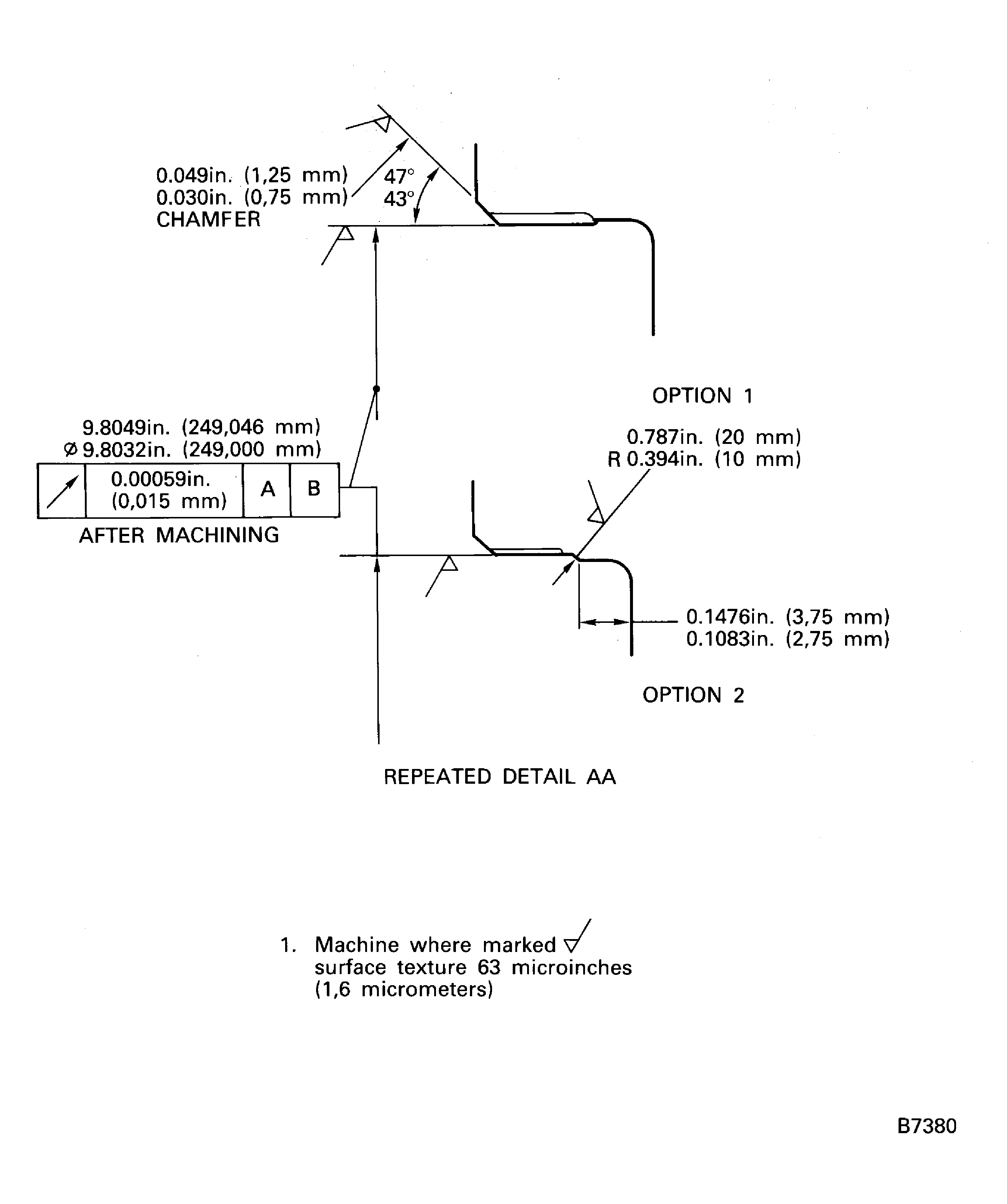
Apply plasma spray. Minimum diameter of 9.794in. (248.75 mm) is required after plasma spraying.
SUBTASK 72-32-51-340-057 Apply Plasma Spray on the Snap Diameter
Refer to Figure.
SUBTASK 72-32-51-324-063 Machine the Snap Diameter
Refer to Figure.
Use electrolytic permanent mark.
Make a permanent mark as given in the SPM TASK 70-09-00-400-501.
Make a beehive symbol mark with the letters PS inside the beehive and mark VRS1942 adjacent to the part number as shown.
SUBTASK 72-32-51-350-072 Identify the Repair
Figure: Rotor center shaft
Rotor center shaft

Figure: Before application of plasma spraying
Before application of plasma spraying

Figure: After application of plasma spraying
After application of plasma spraying

Figure: Final machining for the snap diameter
Final machining for the snap diameter

