Export Control
EAR Export Classification: Not subject to the EAR per 15 C.F.R. Chapter 1, Part 734.3(b)(3), except for the following Service Bulletins which are currently published as EAR Export Classification 9E991: SBE70-0992, SBE72-0483, SBE72-0580, SBE72-0588, SBE72-0640, SBE73-0209, SBE80-0024 and SBE80-0025.Copyright
© IAE International Aero Engines AG (2001, 2014 - 2021) The information contained in this document is the property of © IAE International Aero Engines AG and may not be copied or used for any purpose other than that for which it is supplied without the express written authority of © IAE International Aero Engines AG. (This does not preclude use by engine and aircraft operators for normal instructional, maintenance or overhaul purposes.).Applicability
All
Common Information
TASK 72-41-13-300-025 HPC Rear Shaft - Repair Of The Heatshield Snap Diameter By Plasma Spray, Repair-025 (VRS6510)
Effectivity
FIG/ITEM | PART NO. | ASSEMBLY |
|---|---|---|
01-900 | 6A4151 | A |
01-900 | 6A7708 | A |
01-900 | 6A4158 | B |
01-900 | 6A5868 | B |
01-900 | 6A7712 | B |
01-900 | 6A7714 | B |
General
This Repair must only be done when the instruction to do so is given in 72-41-13, Inspection.
The practices and processes referred to in the procedure by the TASK/SUBTASK numbers are in the SPM.
To put back the fatigue strength, it is necessary to shot peen surfaces, where the damaged material is removed prior to plasma spray.
This repair can only be done twice on the HP Compressor Rear Shaft Assembly.
Do not discard this component part until contact is made with the Manager Repair Services at International Aero Engines.
Price and availability - Refer to International Aero Engines
Related repairs - none
NOTE
NOTE
Preliminary Requirements
Pre-Conditions
NONESupport Equipment
| Name | Manufacturer | Part Number / Identification | Quantity | Remark |
|---|---|---|---|---|
| Chemical cleaning equipment | LOCAL | Chemical cleaning equipment | ||
| Penetrant Crack Test Equipment | LOCAL | Penetrant crack test equipment | ||
| Grinding machine | LOCAL | Grinding machine | Cylindrical | |
| Standard workshop equipment | LOCAL | Standard workshop equipment | ||
| Dial test indicators | LOCAL | Dial test indicators | ||
| Workshop inspection equipment | LOCAL | Workshop inspection equipment | ||
| Shot peening equipment | LOCAL | Shot peening equipment | Automatic | |
| Abrasive blast equipment | LOCAL | Abrasive blast equipment | ||
| Plasma spray equipment | LOCAL | Plasma spray equipment | ||
| Vibrating marking pencil | LOCAL | Vibrating marking pencil |
Consumables, Materials and Expendables
| Name | Manufacturer | Part Number / Identification | Quantity | Remark |
|---|---|---|---|---|
| CoMat 02-003 ADHESIVE TAPE BLACK WATERPROOF | LOCAL | CoMat 02-003 | ||
| CoMat 02-198 ADHESIVE TAPE (MASKING METAL SPRAY) | LOCAL | CoMat 02-198 | ||
| CoMat 03-265 NICKEL CHROMIUM ALUMINIUMPOWDER | LOCAL | CoMat 03-265 | ||
| CoMat 05-001 ABRASIVE MEDIUM, ALUMINIUM OXIDE, 20/30 GRADE | LOCAL | CoMat 05-001 | ||
| CoMat 05-029 CAST STEEL SHOT, S110 | LOCAL | CoMat 05-029 | ||
| CoMat 05-030 CAST STEEL SHOT DELETED | 0AM53 | CoMat 05-030 | ||
| CoMat 05-031 CAST STEEL SHOT DELETED | 0AM53 | CoMat 05-031 | ||
| CoMat 06-022 FLUORESCENT PENETRANT (POST-EMULSIFIED ULTRA HIGH SENSITIVITY) | LOCAL | CoMat 06-022 |
Spares
NONESafety Requirements
NONEProcedure
Refer to SPM TASK 72-41-13-100-000.
Use chemical cleaning equipment.
Chemically clean the assembly.
SUBTASK 72-41-13-110-076 Clean the HP Compressor Rear Shaft Assembly
Refer to SPM TASK 70-23-04-230-501.
Use penetrant crack test equipment.
Do a penetrant crack test on the assembly.
SUBTASK 72-41-13-230-089 Do a Crack Test
Refer to SPM TASK 70-11-01-300-503.
Use chemical cleaning equipment.
Chemically clean the assembly.
SUBTASK 72-41-13-110-064 Clean the HP Compressor Rear Shaft Assembly
Refer to Figure
Refer to SPM TASK 70-23-05-230-501.
Use CoMat 06-022 FLUORESCENT PENETRANT (POST-EMULSIFIED ULTRA HIGH SENSITIVITY) with penetrant crack test equipment.
Cracks are not permitted.
Do a local penetrant crack test on the heatshield snap diameter and location face, at location AB.
SUBTASK 72-41-13-230-079-A00 Do a Crack Test, Assembly A
Refer to Figure.
Refer to SPM TASK 70-23-05-230-501.
Use CoMat 06-022 FLUORESCENT PENETRANT (POST-EMULSIFIED ULTRA HIGH SENSITIVITY) crack test equipment.
Cracks are not permitted.
Do a local penetrant crack test on the heatshield snap diameter and location face, at location AB.
SUBTASK 72-41-13-230-079-B00 Do a Crack Test, Assembly B
Use CoMat 02-003 ADHESIVE TAPE BLACK WATERPROOF or a mechanical seal.
Seal the full assembly but for the area to be shot peened.
Use automatic shot peening equipment.
Shot-Peening Data
Machine Type
Metal shot peen
Process type/mode
Dry/auto
Shot type
Shot size
S110R
Coverage
100 percent minimum, 150 percent maximum
Nozzle/work distance
120 mm
Number of nozzles
1
Nozzle angle
40 degrees
Almen intensity
0.006 to 0.009 in. (0.15 to 0.23 mm) using
test strip 'A'
Refer to SPM TASK 70-38-04-300-503 SUBTASK 70-38-04-300-002. Use CoMat 05-029 CAST STEEL SHOT, S110, CoMat 05-030 CAST STEEL SHOT DELETED or CoMat 05-031 CAST STEEL SHOT DELETED to get an Almen intensity of 0.006 to 0.009 in. (0.15 to 0.23 mm) on 'A' type test strip A coverage of 100 percent minimum, 150 percent maximum must be applied.
Shot peen the HP Compressor rear shaft assembly heatshield snap diameter and location face, at location AB.
SUBTASK 72-41-13-380-060-A00 Shot Peen the Repaired Area, Assembly A
Use CoMat 02-003 ADHESIVE TAPE BLACK WATERPROOF or a mechanical seal.
Seal the full assembly but for the area to be shot peened.
Refer to SPM TASK 70-38-04-300-503 SUBTASK 70-38-04-300-002. Use CoMat 05-029 CAST STEEL SHOT, S110, CoMat 05-030 CAST STEEL SHOT DELETED or CoMat 05-031 CAST STEEL SHOT DELETED to get an Almen intensity of 0.006 to 0.009 in. (0.15 to 0.23 mm) on 'A' type test strip A coverage of 100 percent minimum, 150 percent maximum must be applied. Use automatic shot peening equipment.
Shot-Peening Data
Machine Type
Metal shot peen
Process type/mode
Dry/auto
Shot type
Shot size
S110R
Coverage
100 percent minimum, 150 percent maximum
Nozzle/work distance
120 mm
Number of nozzles
1
Nozzle angle
40 degrees
Almen intensity
0.006 to 0.009 in. (0.15 to 0.23 mm) using
test strip 'A'
Shot peen the HP Compressor rear shaft assembly heatshield snap diameter and location face, at location AB.
SUBTASK 72-41-13-380-060-B00 Shot Peen the Repaired Area, Assembly B
Refer to SPM TASK 70-34-01-340-501, SUBTASK 70-34-01-340-001.
Use CoMat 05-001 ABRASIVE MEDIUM, ALUMINIUM OXIDE, 20/30 GRADE, with abrasive blast equipment.
The maximum abrasive blast air pressure must not be more than 60 psi (414 kPa).
NOTE
The adhesive tape (masking metal spray), permits the blasting and plasma spray to be done in one operation.Lightly dry blast to prepare the surface for the plasma spray.
Refer to SPM TASK 70-34-01-340-501, SUBTASK 70-34-01-340-018.
Use CoMat 03-265 NICKEL CHROMIUM ALUMINIUMPOWDER with plasma spray equipment.
Apply sufficient metal spray powder, to get the correct dimensions when machined, refer to Step
NOTE
When plasma spray equipment is used, the CoMat 03-265 NICKEL CHROMIUM ALUMINIUMPOWDER is self-bonding.Apply the plasma spray to the heatshield snap diameter and location face, at location AB.
SUBTASK 72-41-13-340-053-A00 Apply the Plasma Spray to the Surface(s) to be Repaired, Assembly A
Refer to SPM TASK 70-34-01-340-501, SUBTASK 70-34-01-340-001.
The maximum abrasive blast air pressure must not be more than 60 psi (414 kPa).
Use CoMat 05-001 ABRASIVE MEDIUM, ALUMINIUM OXIDE, 20/30 GRADE, with abrasive blast equipment.
NOTE
The adhesive tape (masking metal spray), permits the blasting and plasma spray to be done in one operation.Lightly dry blast to prepare the surface for the plasma spray.
Refer to SPM TASK 70-34-01-340-501, SUBTASK 70-34-01-340-018.
Use CoMat 03-265 NICKEL CHROMIUM ALUMINIUMPOWDER with plasma spray equipment.
Apply sufficient metal spray powder, to get the correct dimensions when machined, refer to Step
NOTE
When plasma spray equipment is used, the CoMat 03-265 NICKEL CHROMIUM ALUMINIUMPOWDER is self-bonding.Apply the plasma spray to the heatshield snap diameter and location face, at location AB.
SUBTASK 72-41-13-340-053-B00 Apply the Plasma Spray to the Surface(s) to be Repaired, Assembly B,and 907)
Refer to SPM TASK 70-34-01-340-501, SUBTASK 70-34-01-340-002.
Visually examine the plasma sprayed coat.
SUBTASK 72-41-13-220-157 Visually Examine
Refer to SPM TASK 70-11-01-300-503. Use chemical cleaning equipment.
Chemically clean the assembly.
SUBTASK 72-41-13-110-065 Clean the HP Compressor Rear Shaft Assembly
Refer to SPM TASK 70-09-00-400-501, SUBTASK 70-09-00-400-001. Use vibro-engraving equipment If this is the first time that the shaft assembly has been repaired to this scheme then vibro-engrave VRS6510/1. If this is the second time that the shaft assembly has been repaired to this scheme then vibro-engrave VRS6510/2.
Make a mark adjacent to the assembly number.
SUBTASK 72-41-13-350-076 Identify the Repair
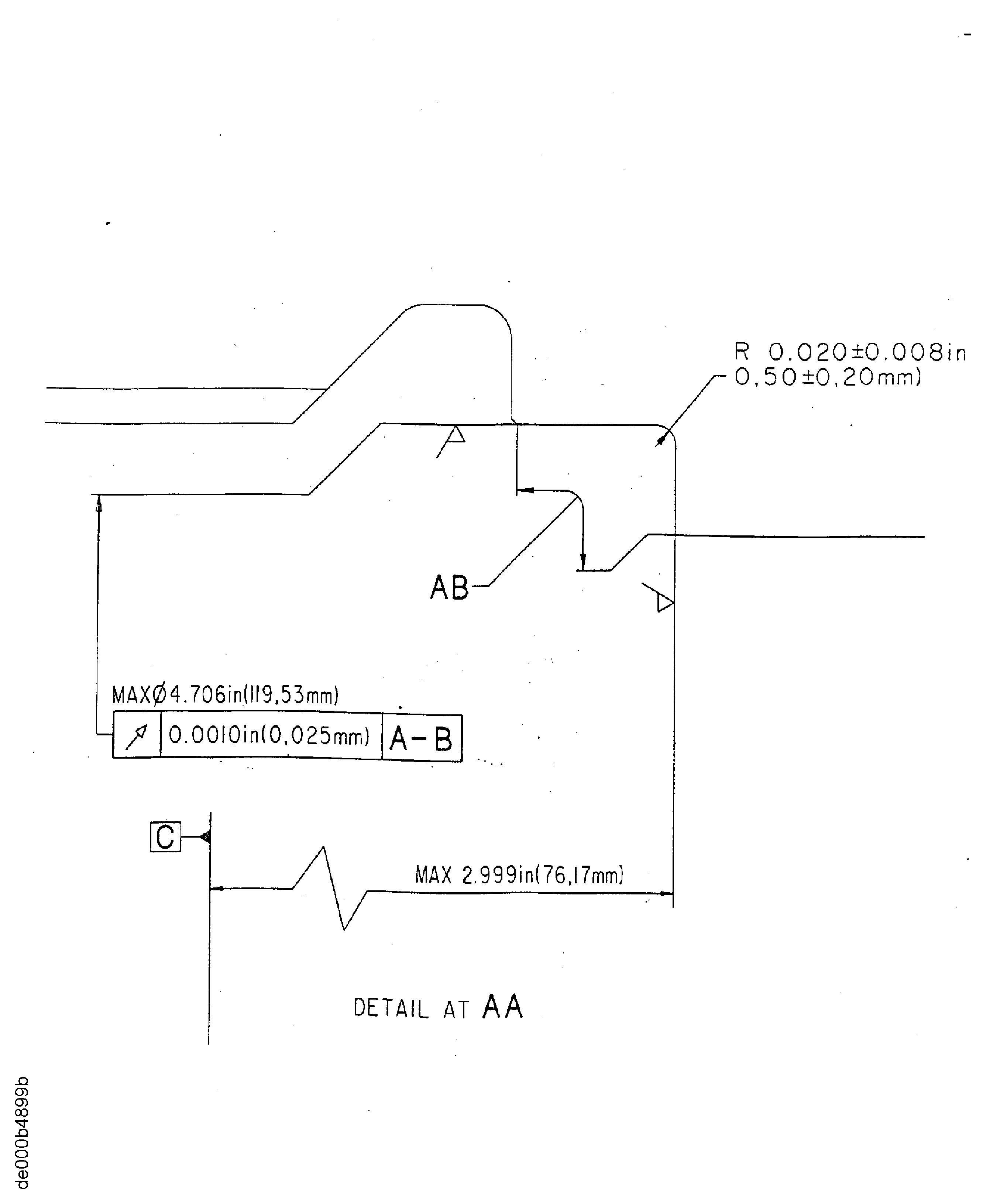
Figure: Repair details and dimension - Assembly A
Repair details and dimension - Assembly A

Figure: Repair details and dimensions - Assembly B
Repair details and dimensions - Assembly B

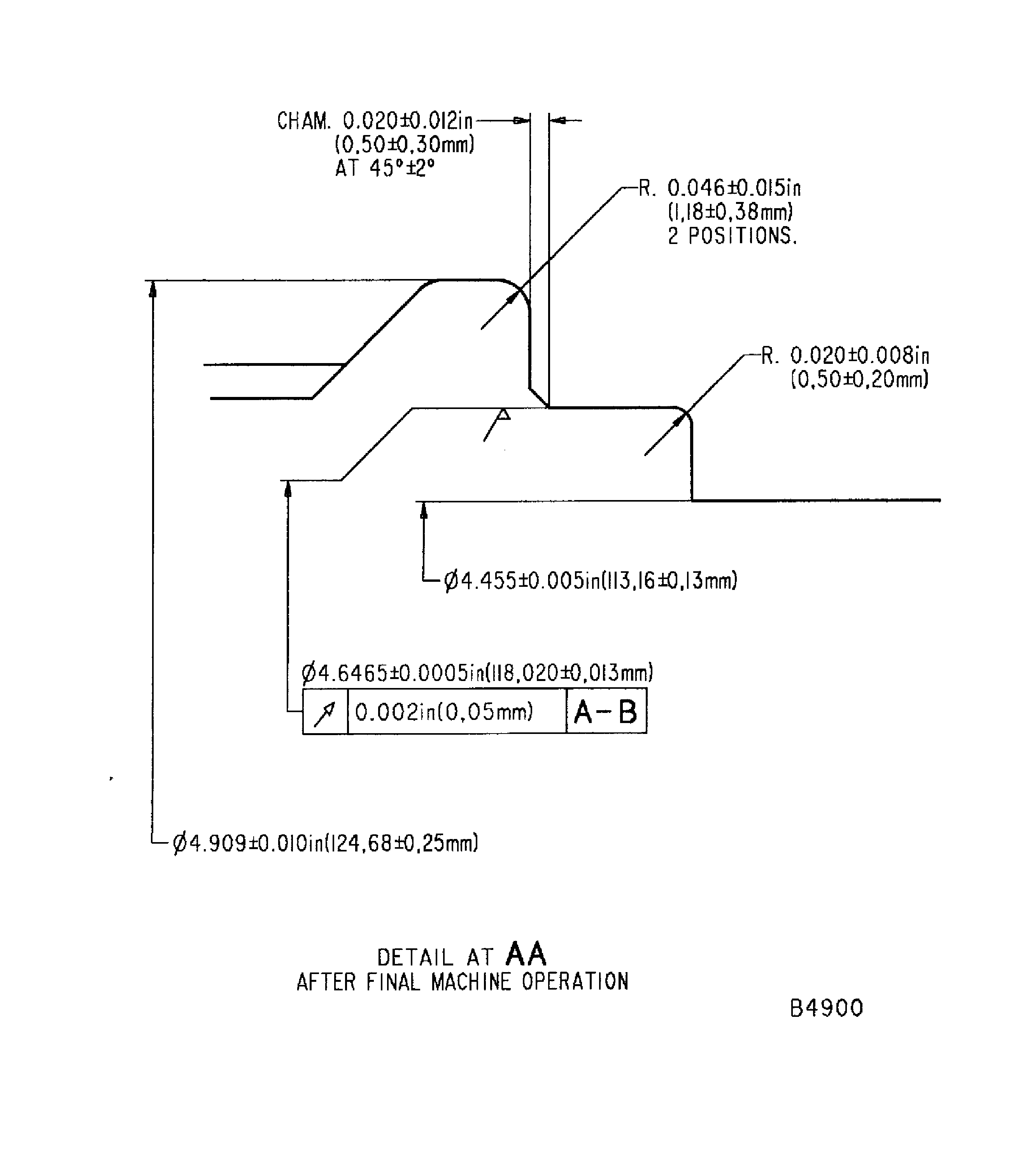
Figure: Repair details and dimensions - Assembly A
Repair details and dimensions - Assembly A

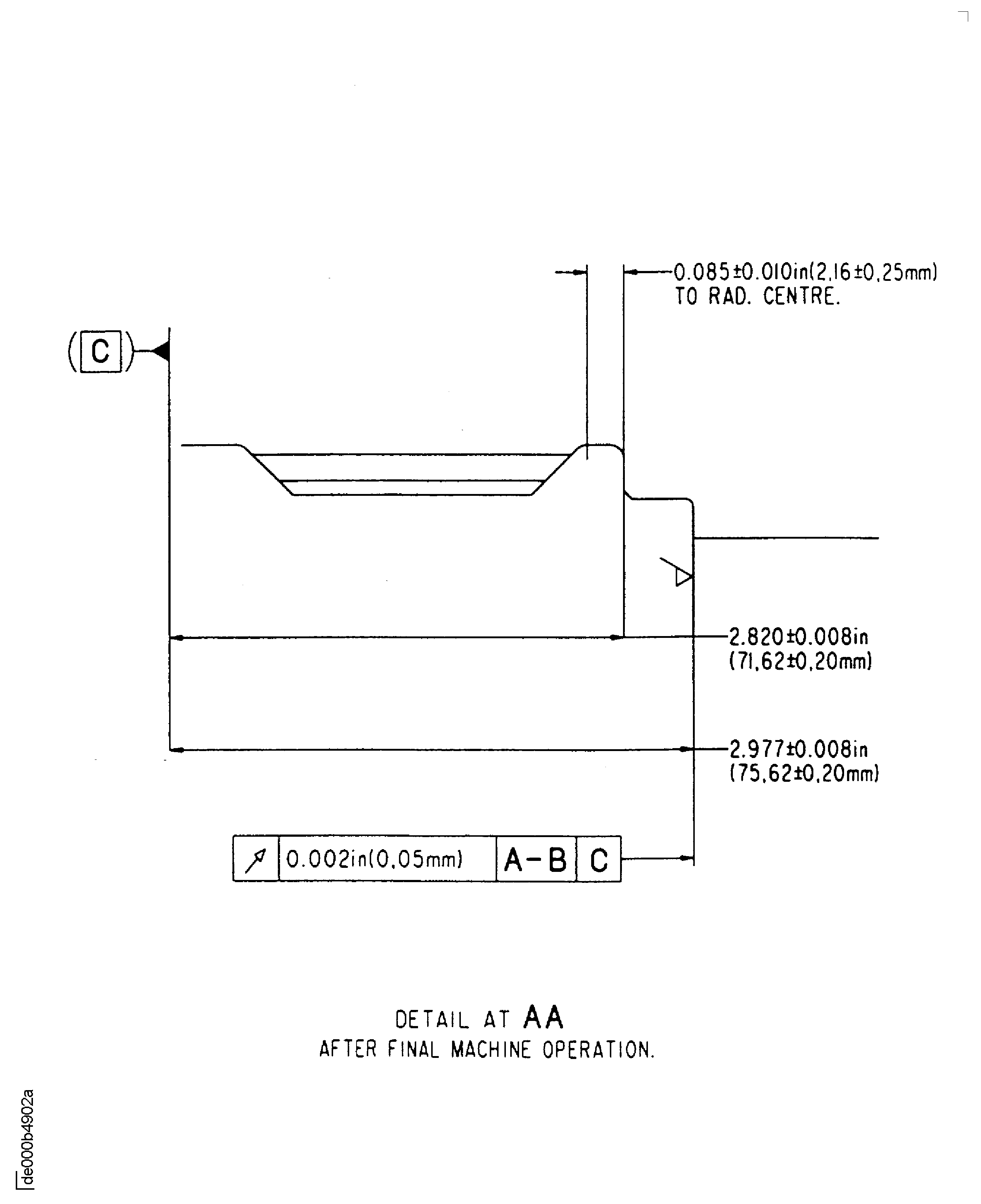
Figure: Repair details and dimensions - Assembly B
Repair details and dimensions - Assembly B

Figure: Repair details and dimensions - Assembly A and Assembly B
Repair details and dimensions - Assembly A and Assembly B

Figure: Repair details and dimensions - Assembly A
Repair details and dimensions - Assembly A

Figure: Repair details and dimensions - Assembly B
Repair details and dimensions - Assembly B

