Export Control
EAR Export Classification: Not subject to the EAR per 15 C.F.R. Chapter 1, Part 734.3(b)(3), except for the following Service Bulletins which are currently published as EAR Export Classification 9E991: SBE70-0992, SBE72-0483, SBE72-0580, SBE72-0588, SBE72-0640, SBE73-0209, SBE80-0024 and SBE80-0025.Copyright
© IAE International Aero Engines AG (2001, 2014 - 2021) The information contained in this document is the property of © IAE International Aero Engines AG and may not be copied or used for any purpose other than that for which it is supplied without the express written authority of © IAE International Aero Engines AG. (This does not preclude use by engine and aircraft operators for normal instructional, maintenance or overhaul purposes.).Applicability
All
Common Information
TASK 72-41-22-300-008 HPC Stage 8 Stator Vane - Weld Repair The Airfoil, Repair-008 (VRS6061)
Effectivity
FIG/ITEM | PART NO. | ASSEMBLY |
|---|---|---|
03-150 | 6A3409 | A |
03-150 | 6A4250 | B |
03-200 | 6A3407 | A |
03-200 | 6A4246 | B |
03-250 | 6A3408 | A |
03-250 | 6A4248 | B |
03-350 | 6A3410 | A |
03-350 | 6A4249 | B |
03-400 | 6A3267C01 | A |
03-400 | 6A4245C01 | B |
03-448 | 6A3267C01 | A |
03-448 | 6A4245C01 | B |
03-450 | 6A3267C02 | A |
03-450 | 6A4245C02 | B |
Material of component
PART IDENT | SYMBOL | MATERIAL |
|---|---|---|
HP Compressor stator vane | QMP | 52 percent Nickel 19 percent Chromium 18 percent Iron 5 percent Niobium |
General
This repair must only be done when the instruction to do so is given in 72-41-22, Inspection/Check.
This repair restores the HP compressor stator vanes, stage 8 tip length by welding.
The practices and processes referred to in the procedure by the TASK/SUBTASK numbers are in the SPM.
This is a Source Demonstration Repair which can only be done by Approved Vendors.
To keep the HP compressor efficiency, stator vanes are repaired as near to the new vane condition as possible.
Stator vanes must be repaired as soon as damage or wear is monitored, to get back HP compressor efficiency and extend the stator vane life.
This repair can be done again to the welded stator vanes if:
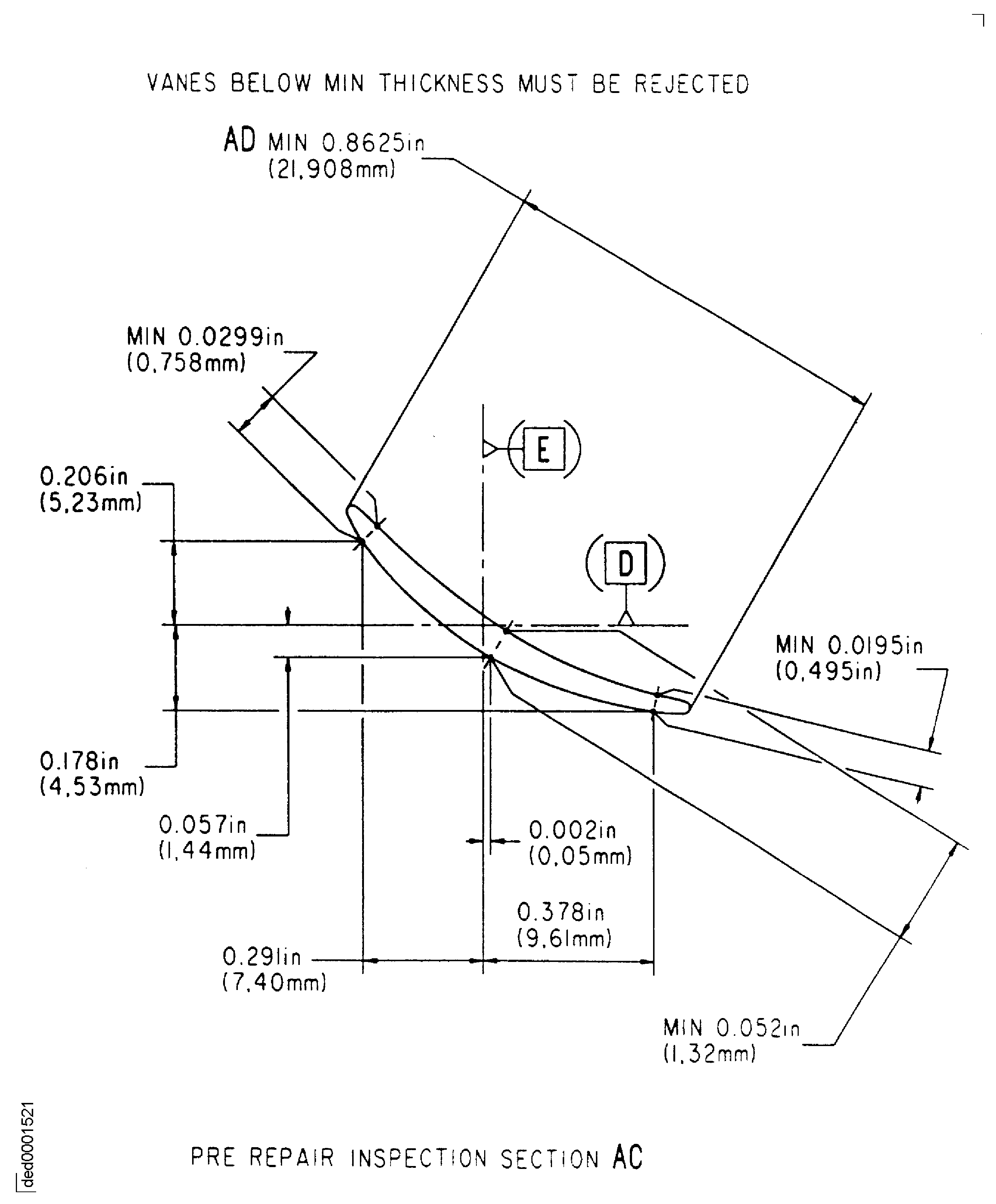
- The minimum airfoil dimensions are as given in 72-41-22, Inspection/Check.
- The airfoil surface has been polished up to two times, refer to Repair VRS6210, TASK 72-41-22-300-022 (REPAIR-022).
Price and Availability.
Refer to International Aero Engines.
Related Repairs.
HP Compressor - Stages 7 to 11 - Stator vanes - Restore airfoil surface finish, refer to Repair VRS6210, TASK 72-41-22-300-022 (REPAIR-022).
NOTE
NOTE
Preliminary Requirements
Pre-Conditions
NONESupport Equipment
| Name | Manufacturer | Part Number / Identification | Quantity | Remark |
|---|---|---|---|---|
| Chemical cleaning equipment | LOCAL | Chemical cleaning equipment | ||
| Penetrant Crack Test Equipment | LOCAL | Penetrant crack test equipment | ||
| Abrasive Blast Equipment | LOCAL | Abrasive Blast Equipment | ||
| Welding equipment | LOCAL | Welding equipment | Argonarc | |
| Heat Treatment Equipment | LOCAL | Heat Treatment Equipment | ||
| Hardness Tester | LOCAL | Hardness Tester | ||
| Grinding Machine | LOCAL | Grinding machine | ||
| Hand Tools | LOCAL | Tools, Hand | ||
| Radiographic Equipment | LOCAL | Radiographic Equipment | ||
| Vibrating Marking Pencil | LOCAL | Vibrating Marking Pencil |
Consumables, Materials and Expendables
| Name | Manufacturer | Part Number / Identification | Quantity | Remark |
|---|---|---|---|---|
| CoMat 02-001 ADHESIVE TAPE (MASKING) | LOCAL | CoMat 02-001 | ||
| CoMat 03-284 WELDING FILLER WIRE, NiBASE | LOCAL | CoMat 03-284 | ||
| CoMat 05-003 ABRASIVE MEDIUM ALUMINUM OXIDE, 120/220 GRADE | X222X | CoMat 05-003 |
Spares
NONESafety Requirements
NONEProcedure
The Source Demonstration requirements of this repair means that any facility not authorised to accomplish this repair either, utilize the Authorized Repair Vendors listed below or contact the IAE Repair Services Group to determine if a qualification program can be initiated at their facility.
IAE International Aero Engines AG
400 Main Street
M/S 121-10
East Hartford CT 06118
U.S.A.
Attn: Manager Technical Services
Authorized Repair Vendors for repair VRS6061 are listed below:
CHROMALLOY DALLAS
14042 DISTRIBUTION WAY
DALLAS
TEXAS 75234
U.S.A
MTU MAINTENANCE GMBH
FLUGHAFEN HANNOVER
MUNCHER STRASSE 31
30855 LANGENHAGEN
GERMANY
ROLLS-ROYCE
AERO ENGINE SERVICES LTD.
COMPONENT REFURBISHMENT
MAVOR AVENUE
NERSTON
EAST KILBRIDE
GLASGOW
G74 4PY
SCOTLAND
AIRFOIL TECHNOLOGIES INTERNATIONAL (ATI)
HIGH HOLBORN ROAD
CODNOR
RIPLEY
DERBYSHIRE
DE5 3NW
ENGLAND
ISHIKAWAJIMA-HARIMA HEAVY INDUSTRIES CO. LTD.
229 TONOGAYA, MIZUHO-MACHI
NISHITAMA-GUN
TOKYO 190-1297
JAPAN
AIRFOIL SERVICES SDN BHD (ASSB)
NO.12 JALAN TEKNOLOGI
TAMAN SAINS SELANGOR 1
KOTA DAMANSARA PJU5
47810 PETAILING JAYA
SELANGOR DARUL EHSAN
MALAYSIA
TURBINE OVERHAUL SERVICES PTE, LTD. (TOS)
5 TUAS DRIVE TWO - MAIL STOP 107-58
SINGAPORE 638639
TEL: 65-6860-2260
FAX: 65-6862-1068
Rolls-Royce Inchinnan
Inchinnan Drive
Inchinnan Business Park
Inchinnan, PA4 9AF
Scotland
The designation by IAE of an Authorized Repair Vendor indicates that the Repair Vendor has demonstrated the necessary capability to enable it to carry out the listed repair work. However, IAE makes no warranties or representations concerning the qualifications or quality standards of the Repair Vendors to carry out the repair work, and accepts no responsibility whatsoever for any work that may be carried out by a Repair Vendor other than when IAE is listed as the Repair Vendor. Authorized Repair Vendors do not act as agents or representatives of IAE.
Repair Facilities
Use chemical cleaning equipment.
Refer to the SPM TASK 70-11-01-300-503.
Chemically clean the vanes.
SUBTASK 72-41-22-220-081 Clean the stage 8 Stator Vanes
The vanes must be easily identified to allow dimensions before and after repair to be checked.
Record the vane length.
Refer to TASK 72-41-22-200-000 (INSPECTION/CHECK-000) for Inspection Standards.
Examine the vanes, to make sure the vanes can be repaired.
SUBTASK 72-41-22-220-175-A00 Examine the Stage 8 Stator Vanes, Assembly A
Refer to TASK 72-41-22-200-000 (INSPECTION/CHECK-000) for Inspection Standards.
The vanes must be easily identified to allow dimensions before and after repair to be checked.
Record the vane length.
Examine the vanes, to make sure the vanes can be repaired.
SUBTASK 72-41-22-220-175-B00 Examine the Stage 8 Stator Vanes, Assembly B
Refer to the SPM TASK 70-23-04-230-501.
Use penetrant crack test equipment.
Discard any cracked vanes.
Do a penetrant crack test.
SUBTASK 72-41-22-230-063 Do a Crack Test
Refer to the SPM TASK 70-12-01-120-501.
Use CoMat 05-003 ABRASIVE MEDIUM ALUMINUM OXIDE, 120/220 GRADE with abrasive blast equipment.
Vapor blast areas of the vane to be welded.
SUBTASK 72-41-22-120-052-A00 Vapor Blast the Stage 8 Stator Vanes, Assembly A
Refer to the SPM TASK 70-12-01-120-501.
Use CoMat 05-003 ABRASIVE MEDIUM ALUMINUM OXIDE, 120/220 GRADE with abrasive blast equipment.
Vapor blast areas of the vane to be welded.
SUBTASK 72-41-22-120-052-B00 Vapor Blast the Stage 8 Stator Vanes, Assembly B
Refer to the SPM TASK 70-31-02-310-501-001.
Use CoMat 03-284 WELDING FILLER WIRE, NiBASE, with argonarc welding equipment.
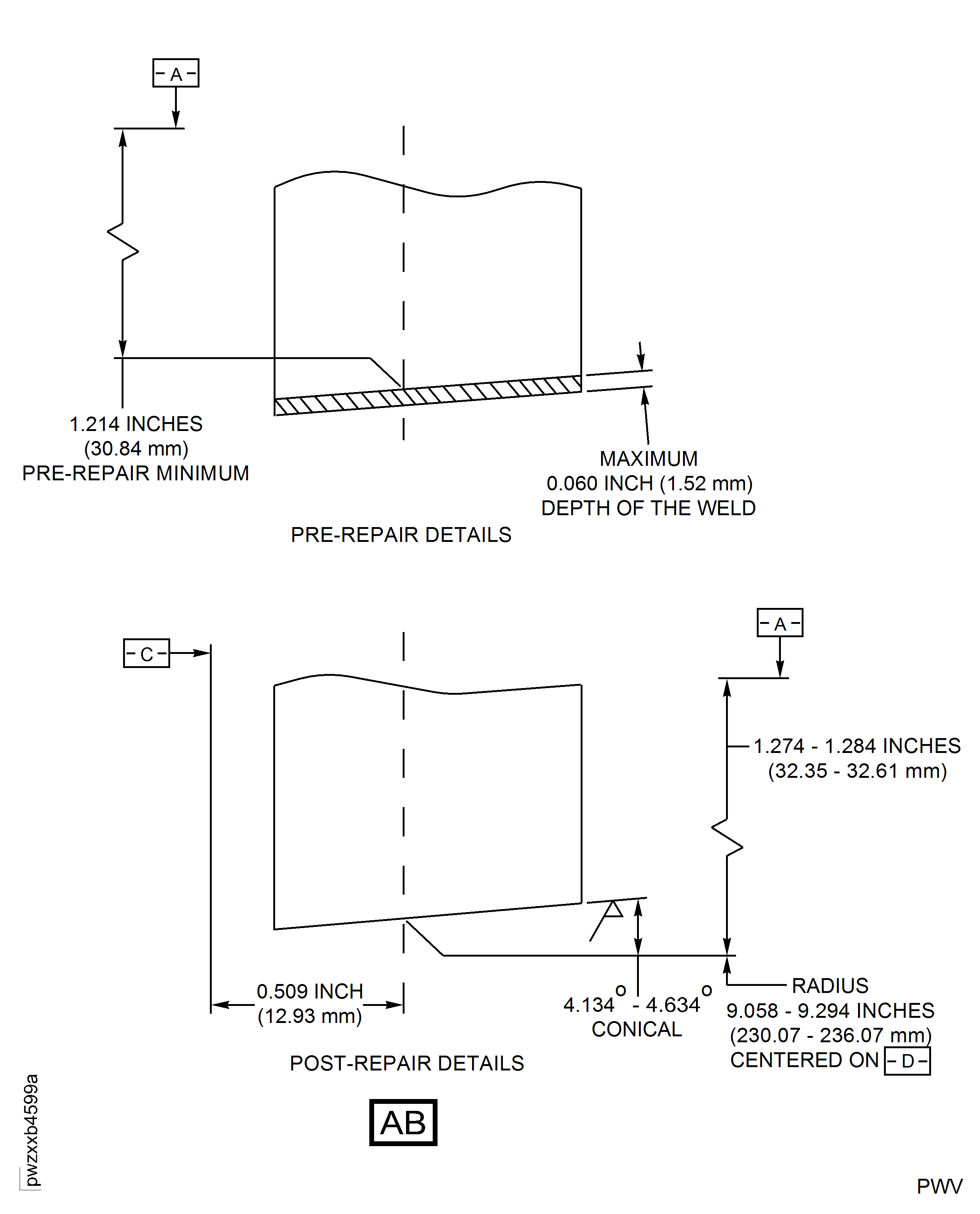
Build up the vane tip with weld to restore the length.
SUBTASK 72-41-22-310-059-A00 Weld the Stage 8 Stator Vane Tip, Assembly A
Refer to the SPM TASK 70-31-02-310-501-001.
Use CoMat 03-284 WELDING FILLER WIRE, NiBASE, with argonarc welding equipment.
Build up the vane tip with weld to restore the length.
SUBTASK 72-41-22-310-059-B00 Weld the Stage 8 Stator Vane Tip, Assembly B
If scratches or scores are shown on the airfoil surface, do Step.
SUBTASK 72-41-22-220-177-A00 Examine the Stage 8 Stator Vanes, Assembly A
If scratches or scores are shown on the airfoil surface, do Step.
SUBTASK 72-41-22-220-177-B00 Examine the Stage 8 Stator Vanes, Assembly B
Refer to the SPM TASK 70-23-04-230-501.
Use penetrant crack test equipment.
Discard any cracked vanes.
Do a penetrant crack test.
SUBTASK 72-41-22-230-064 Do a Crack Test
Cracks or unwanted material are not permitted.
Pores larger than 0.006in. (0,15mm) diameter are not permitted.
Pores with a distance of less than 0.200in. (5,10mm) between them, are not permitted.
Surfaces broken by pores are not permitted.
Pores are not permitted less than 0.040in. (1.00 mm) from the leading and trailing edges.
Use radiographic equipment.
Radiographically examine the welded vane tip.
SUBTASK 72-41-22-260-057 Radiographically Examine the Stage 8 Stator Vanes
Refer to VRS6210, TASK 72-41-22-300-022(REPAIR-022, page-901).
Restore the airfoil surface finish.
SUBTASK 72-41-22-380-066 Restore the Airfoil Surface Finish
Refer to Figure.
SUBTASK 72-41-22-350-112 Identify the Repair
Figure: Repair details and dimensions - Assembly A
Repair details and dimensions - Assembly A

Figure: Repair details and dimensions - Assembly B
Repair details and dimensions - Assembly B

Figure: Repair details and dimensions - Assembly A and Assembly B
Repair details and dimensions - Assembly A and Assembly B

Figure: Repair Details And Dimensions - Assembly A
Repair Details And Dimensions - Assembly A

Figure: Repair details and dimensions - Assembly B
Repair details and dimensions - Assembly B

Figure: Repair details and dimensions - Assembly A
Repair details and dimensions - Assembly A

Figure: Repair details and dimensions - Assembly B
Repair details and dimensions - Assembly B

Figure: Repair details and dimensions - Assembly A
Repair details and dimensions - Assembly A

Figure: Repair details and dimensions - Assembly B
Repair details and dimensions - Assembly B

Figure: Repair details and dimensions - Assembly A
Repair details and dimensions - Assembly A

Figure: Repair details and dimensions - Assembly B
Repair details and dimensions - Assembly B

Figure: Repair details and dimensions - Assembly A and Assembly B
Repair details and dimensions - Assembly A and Assembly B

Figure: Repair details and dimensions - Assembly A and Assembly B
Repair details and dimensions - Assembly A and Assembly B

