Export Control
EAR Export Classification: Not subject to the EAR per 15 C.F.R. Chapter 1, Part 734.3(b)(3), except for the following Service Bulletins which are currently published as EAR Export Classification 9E991: SBE70-0992, SBE72-0483, SBE72-0580, SBE72-0588, SBE72-0640, SBE73-0209, SBE80-0024 and SBE80-0025.Copyright
© IAE International Aero Engines AG (2001, 2014 - 2021) The information contained in this document is the property of © IAE International Aero Engines AG and may not be copied or used for any purpose other than that for which it is supplied without the express written authority of © IAE International Aero Engines AG. (This does not preclude use by engine and aircraft operators for normal instructional, maintenance or overhaul purposes.).Applicability
All
Common Information
TASK 72-41-22-200-004-C00 HPC Stage 10 Stator Vane - Examine, Inspection-004
Effectivity
FIG/ITEM | PART NO. |
|---|---|
05-350 | 6A7429 |
05-350 | 6A7495 |
05-350 | 6A8786 |
05-355 | 6A7430 |
05-355 | 6A7496 |
05-355 | 6A8785 |
05-400 | 6A7428C01 |
05-400 | 6A7497C01 |
05-400 | 6A8783 |
05-448 | 6A7428C01 |
05-448 | 6A7497C01 |
05-448 | 6A8783 |
05-450 | 6A7428C02 |
05-450 | 6A7497C02 |
05-450 | 6A8784 |
General
This TASK gives the procedure for the inspection of the HP Compressor Stage 10 Stator Vanes.
Nicks and dents 0.005 in. (0.13 mm) or less are acceptable without limit to the airfoil and gas washed surfaces of the platforms.
Fig./item numbers in parentheses in the procedure agree with those given in the IPC. Only the primary Fig./item numbers are used. For the service bulletin alpha variants refer to the IPC.
The policy that is necessary for inspection is given in the SPM TASK 70-20-01-200-501.
All the parts must be cleaned before any part is examined (CLEANING-000).
All the parts must be visually examined for damage, corrosion and wear. Any defects that are not identified in the procedure must be referred to IAE.
The procedure for those parts which must have a crack test is given in Step. Do the crack test before the part is visually examined.
Do not discard any part until you are sure there are no repairs available. Refer to the instructions in repair before a discarded part is used again or oversize parts are installed.
Parts which should be discarded can be held although no repair is available. The repair of a discarded part can be shown to be necessary at a subsequent date.
All the parts must be examined to make sure that all the repairs have been completed satisfactorily.
The practices and processes referred to in the procedure by the TASK number are in the SPM.
References
Refer to SPM for data on these items:
Definition of Damage, SPM TASK 70-02-02-350-501,
Inspection of Parts, SPM TASK 70-20-01-200-501.
Some data on these items is contained in this TASK. For more data on these items refer to SPM:
Method of Testing for Crack Indications,
Chemical Processes,
Surface Protection.
Preliminary Requirements
Pre-Conditions
NONESupport Equipment
NONEConsumables, Materials and Expendables
NONESpares
NONESafety Requirements
NONEProcedure
Clean the parts. Refer to TASK 72-41-22-100-000 (CLEANING-000).
Refer to Step.
Airfoil tips.
Cracked.
Do the test for cracks on the parts that are given below.
PART IDENT
TASK/SUBTASK
Stage 10 Stator Vanes
SUBTASK 72-41-22-230-071 Examine the Stage 10 Stator Vanes for Cracks
Reject.
NOTE
A Tallysurf measuring instrument must not be used.
More than the Step.
Nicked.
Reject.
More than in Step.
Dented.
Repair, VRS6083 TASK 72-41-22-300-014 (REPAIR-014)
More than in Step.
Measure the surface finish of the vanes. Use 10 percent of the vanes that have been removed.
SUBTASK 72-41-22-220-146-001 Examine the Stage 10 Stator Vanes ((72-41-22,05-350), (72-41-22,05-355), (72-41-22,05-400), (72-41-22,05-448) and (72-41-22,05-450)) Concave and Convex Airfoil Surfaces at Locations 1 and 2 (Pre SBE 70-0714 and SBE 70-0726)
Reject.
More than the Step.
Nicked
Reject.
More than in Step.
Dented.
Repair, VRS6083 TASK 72-41-22-300-014 (REPAIR-014)
More than in Step.
Surface finish.
SUBTASK 72-41-22-220-146-002 Examine the Stage 10 Stator Vanes Concave and Convex Airfoil Surfaces at Locations 1 and 2 (SBE 70-0714 and SBE 72-0561)
Refer to Figure.
SUBTASK 72-41-22-220-148 Examine the Stage 10 Stator Vanes Faces at Locations 8 and 9
Repair, VRS6063 TASK 72-41-22-300-016 (REPAIR-016) or Repair, VRS9535 TASK 72-41-22-300-026 (REPAIR-026).
Cracked
Tip radius measurement recorded in TASK 72-41-00-040-001-B00 are in limits
Repair, VRS6063 TASK 72-41-22-300-016 (REPAIR-016) or Repair, VRS9535 TASK 72-41-22-300-026 (REPAIR-026).
Vanes identified with a radius more than the minimum value in TASK 72-41-00-040-001-B00 or vanes not part of a set
Rubbed
SUBTASK 72-41-22-220-150 Examine the Stage 10 Stator Vanes Airfoil Tips for Cracks and Rubs at Locations 1060
Refer to Figure.
More than in Step.
Surface finish.
Refer to SPM TASK 70-35-03-300-501 to remove score.
On face edge.
Scored/Scratched.
Reject.
More than Step.
Nicked.
Reject.
More than in Step.
Dented.
SUBTASK 72-41-22-220-217 Examine the Stage 10 Stator Vanes Platform at Location 15 (SBE 70-0714 and SBE 72-0561)
NOTE
Class identification marks as scores.Refer to SPM TASK 70-35-03-300-501 to remove score
On face edge
Part marking and repair symbol location 16.
Refer to SPM TASK 70-35-03-300-501 to remove score.
On face edge
Examine the stage 10 stator vane at location 17.
SUBTASK 72-41-22-220-257 Examine the Stage 10 Stator Vanes Platform (Bottom Face)
More than in Step.
Nicked, dented or scored/scratched.
SUBTASK 72-41-22-220-153 Examine the Stage 10 Stator Vanes all Remaining Surfaces
Refer to Figure.
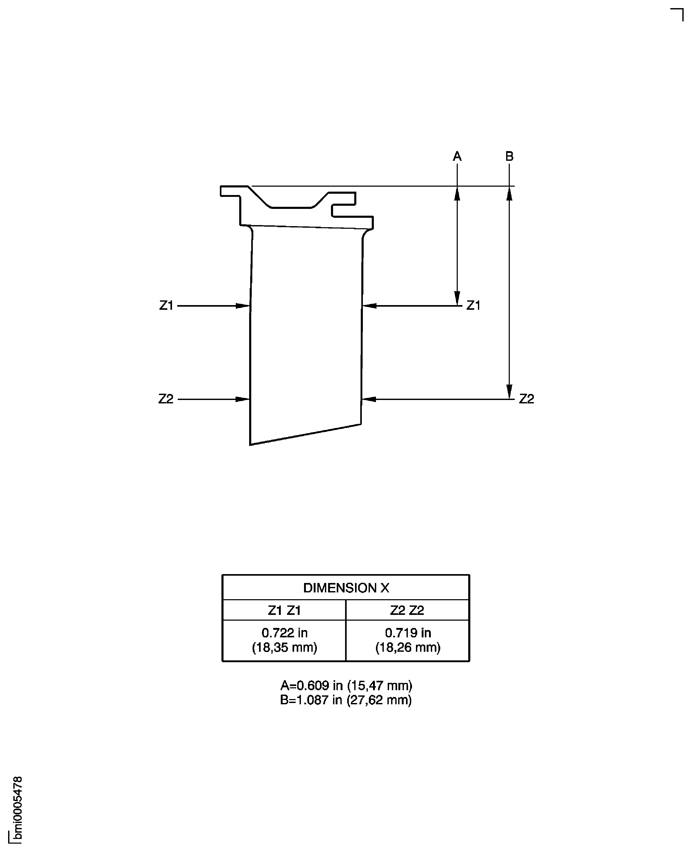
SUBTASK 72-41-22-220-261 Examine the Stage 10 Stator Vanes Chordal Width
Figure: Stage 10 Stator Vanes - Inspection Locations
Sheet 1

Figure: Stage 10 Stator Vanes - Inspection Locations
Sheet 2

Figure: Stage 10 Stator Vanes - Inspection Locations
Sheet 3

Figure: Stage 10 Stator Vanes - Chordal Checks
Sheet 4

