Export Control
EAR Export Classification: Not subject to the EAR per 15 C.F.R. Chapter 1, Part 734.3(b)(3), except for the following Service Bulletins which are currently published as EAR Export Classification 9E991: SBE70-0992, SBE72-0483, SBE72-0580, SBE72-0588, SBE72-0640, SBE73-0209, SBE80-0024 and SBE80-0025.Copyright
© IAE International Aero Engines AG (2001, 2014 - 2021) The information contained in this document is the property of © IAE International Aero Engines AG and may not be copied or used for any purpose other than that for which it is supplied without the express written authority of © IAE International Aero Engines AG. (This does not preclude use by engine and aircraft operators for normal instructional, maintenance or overhaul purposes.).Applicability
All
Common Information
TASK 72-41-31-300-026 HPC Front Cases - Replace The Stage 4 And Stage 6 Segment Anti-Rotation Stop Pin(s), Repair-026 (VRS6624)
Material of component
PART IDENT | SYMBOL | MATERIAL |
|---|---|---|
HP Compressor Front Case Assembly | TEG | 6 percent aluminum 4 percent vanadium alloy |
Anti-Rotation Stop Pin | EAF | Chromium-Nickel Steel |
General
This Repair must only be done when the instruction to do so is given in 72-41-31 Inspection-002.
This Repair replaces the Stage 4 and Stage 6 Segment Anti-Rotation Stop Pin(s) in the HP Compressor Front Case Assembly.
The practices and processes referred to in the procedure by the TASK/SUBTASK numbers are in the SPM.
Price and Availability
Refer to International Aero Engines
Related repairs - none
NOTE
Equivalent materials or equipment can be used.
More equipment and materials necessary to do this Repair are in the SPM TASKS given below:
TASK 70-09-00-400-501
TASK 70-11-08-300-503
TASK 70-11-26-300-503
TASK 70-23-05-230-501
NOTE
Preliminary Requirements
Pre-Conditions
NONESupport Equipment
| Name | Manufacturer | Part Number / Identification | Quantity | Remark |
|---|---|---|---|---|
| Standard workshop equipment | LOCAL | Standard workshop equipment | ||
| Cloth | LOCAL | Cloth | Soft clean | |
| Dry Blast Equipment | LOCAL | Dry Blast Equipment | ||
| Chemical cleaning equipment | LOCAL | Chemical Cleaning Equipment | ||
| Penetrant Crack Test Equipment | LOCAL | Penetrant Crack Test Equipment | ||
| Binoculars | LOCAL | Binoculars | 7x or 10x | |
| Heat protection gloves | LOCAL | Heat protection gloves | ||
| Vibrating Marking Pencil | LOCAL | Vibrating Marking Pencil |
Consumables, Materials and Expendables
| Name | Manufacturer | Part Number / Identification | Quantity | Remark |
|---|---|---|---|---|
| CoMat 03-026 LIQUID NITROGEN | LOCAL | CoMat 03-026 | ||
| CoMat 06-022 FLUORESCENT PENETRANT (POST-EMULSIFIED ULTRA HIGH SENSITIVITY) | LOCAL | CoMat 06-022 |
Spares
| Name | Manufacturer | Part Number / Identification | Quantity | Remark |
|---|---|---|---|---|
| Stage 4 Anti-rotation stop pin | LOCAL | AS20678 | 2 | |
| Stage 6 Anti-rotation stop pin | LOCAL | 6A4354 | 2 |
Safety Requirements
NONEProcedure

CAUTION
TITANIUM COMPONENT - YOU MUST USE SILICON CARBIDE TYPE ABRASIVE WHEELS, STONES AND PAPERS TO DRESS, BLEND AND POLISH THIS COMPONENT.
CAUTION
TITANIUM COMPONENT - DO NOT USE FORCE WITH MECHANICAL CUTTERS OR THE MATERIAL WILL BECOME TOO HOT.
CAUTION
TITANIUM COMPONENT - IF THE MATERIAL SHOWS A CHANGE IN COLOR, TO DARKER THAN A LIGHT STRAW COLOR, THE COMPONENT IS TO BE REJECTED.Remove the damaged anti-rotation stop pin(s) from the HP Compressor front case assembly.
SUBTASK 72-41-31-350-088 Remove the Anti-Rotation Stop Pin(s)
Refer to the SPM TASK 70-23-05-230-501.
Use CoMat 06-022 FLUORESCENT PENETRANT (POST-EMULSIFIED ULTRA HIGH SENSITIVITY), with penetrant crack test equipment.
Cracks are not permitted.
Do a local penetrant crack test around the location hole(s).
SUBTASK 72-41-31-230-088 Do a Crack Test
Weld repair per Repair, VRS3861 TASK 72-41-31-300-023 (REPAIR-023).
Hole diameter(s) larger than in Step.
Visually examine and measure the dimensions of the location hole(s).
SUBTASK 72-41-31-210-051 Examine the HP Compressor Front Case Assembly
Freeze the pin(s) to -30 degrees F.
Use CoMat 03-026 LIQUID NITROGEN, with standard workshop equipment.
Use heat protective gloves.
Use the appropriate part number for Stage 4 and/or Stage 6 pin(s).
Freeze the pin(s).
SUBTASK 72-41-31-350-089 Install the Anti-Rotation Stop Pin(s)
Refer to the SPM TASK 70-23-05-230-501.
Use CoMat 06-022 FLUORESCENT PENETRANT (POST-EMULSIFIED ULTRA HIGH SENSITIVITY), with penetrant crack test equipment.
Cracks are not permitted.
Do a local penetrant crack test around the location hole(s).
SUBTASK 72-41-31-230-089 Do a Crack Test
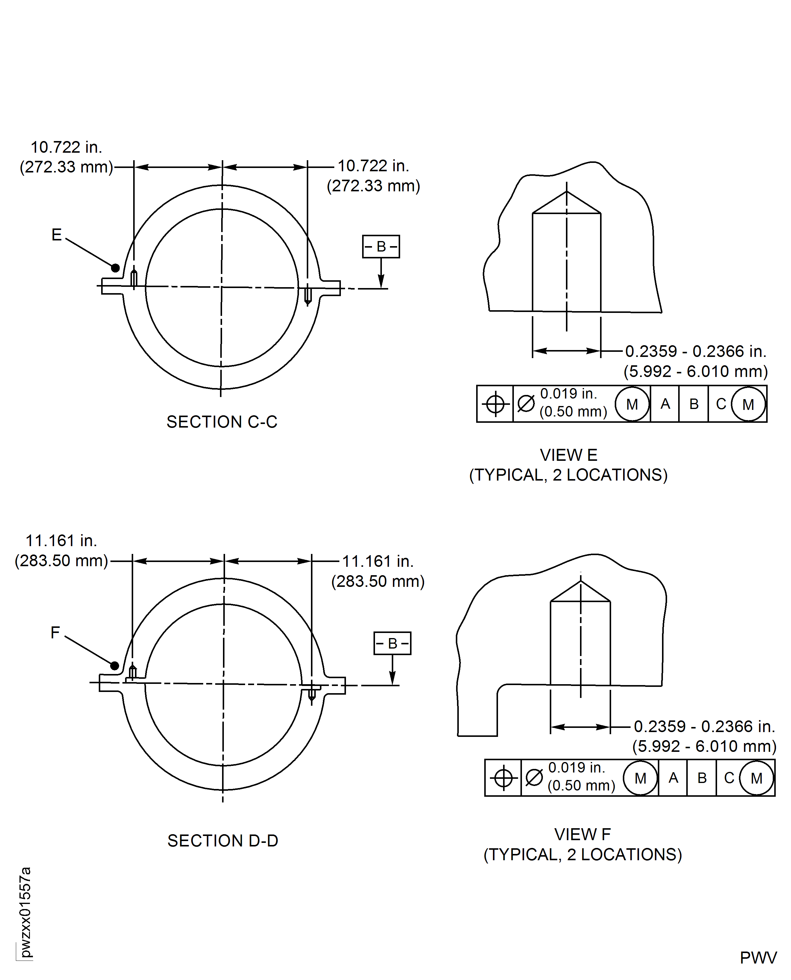
Figure: Repair Details And Dimensions
Repair Details And Dimensions

Figure: Repair Details And Dimensions
Repair Details And Dimensions

Figure: Pin Installation
Pin Installation

