Export Control
EAR Export Classification: Not subject to the EAR per 15 C.F.R. Chapter 1, Part 734.3(b)(3), except for the following Service Bulletins which are currently published as EAR Export Classification 9E991: SBE70-0992, SBE72-0483, SBE72-0580, SBE72-0588, SBE72-0640, SBE73-0209, SBE80-0024 and SBE80-0025.Copyright
© IAE International Aero Engines AG (2001, 2014 - 2021) The information contained in this document is the property of © IAE International Aero Engines AG and may not be copied or used for any purpose other than that for which it is supplied without the express written authority of © IAE International Aero Engines AG. (This does not preclude use by engine and aircraft operators for normal instructional, maintenance or overhaul purposes.).Applicability
All
Common Information
TASK 72-41-32-300-011 HPC Stage 6 Variable Stator Vane - Weld Repair The Airfoil By Weld, Repair-011 (VRS6059)
General
This repair must only be done when the instruction to do so is given in TASK 72-41-32Inspection/Check.
This repair restores the H.P compressor stage 6, variable stator vane tip length by welding.
The practices and processes referred to in the procedure by the TASK/SUBTASK numbers are in the SPM.
This is a Source Demonstration Repair which can only be done by approved vendors.
Sermatech Repair Services Ltd. are approved for assembly B and Assembly D Part numbers only.
IHI Heavy Industries Co. Ltd. are approved for Assembly B and Assembly D Part Numbers only.
Airfoil Services Sdn Bhd are approved for Assembly B and Assembly D Part Numbers only.
To keep the H.P compressor efficiency, the stage 6 variable stator vane is repaired as near to the new vane condition as possible.
Variable stator vanes must be repaired as soon as damage or wear is monitored, to get back H.P compressor efficiency and extend the stage 6 variable stator vane life.
This repair can be done again to the welded stage 6 variable stator vane if:
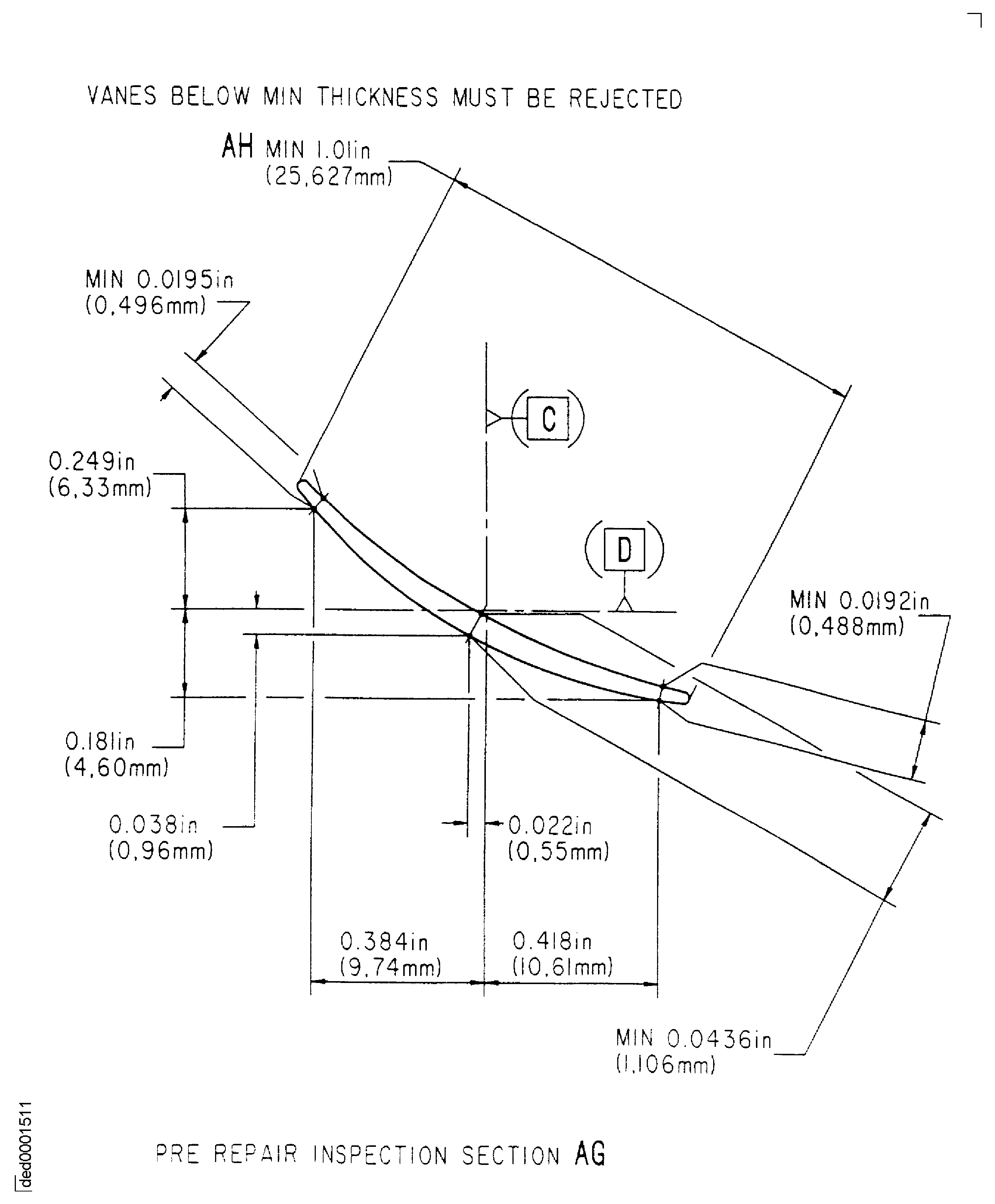
- The minimum airfoil dimensions are as given in TASK 72-41-32 Inspection/Check.
- The airfoil surface has been polished up to two times, refer to VRS6044, TASK 72-41-32-300-018.
DESCRIPTION SYMBOL MATERIAL | ||
|---|---|---|
H.P Compressor - Stage 6 | EAX | Creep resisting - |
variable stator vane | Ferritic steel - | |
Assembly A and Assembly C | Vacuum melted | |
or | ||
Assembly B and Assembly D | QMP | 52 percent Nickel |
19 percent Chromium | ||
18 percent Iron and | ||
5 percent Niobium | ||
Price and Availability
Refer to International Aero Engines
Related Repairs
H.P compressor stage 6 variable stator vane - Restore airfoil surface finish. Refer to repair VRS6044, TASK 72-41-32-300-018 (REPAIR-018).
Repair Facilities
The Source Demonstration requirements of this repair means that any facility not authorized to accomplish this repair either, utilize the Authorized Repair Vendors listed below or contact the IAE Repair Services Group to determine if a qualification program can be initiated at their facility.
IAE - International Aero Engines AG
C/O Rolls-Royce Plc.
P.O. Box 31
Derby De 24 8BJ
England
Attn: Manager technical Services
Authorized Repair Vendors for Repair VRS6059 are listed below:
Chromalloy Dallas
14042 Distribution Way,
Dallas,
Texas 75234
U.S.A.
MTU Maintenance GmbH
Flughafen Hannover,
Muncher Strasse 31,
30855 Langenhagen
GERMANY
Rolls-Royce Aero-Engine Services Ltd
Component Refurbishment,
Mavor Avenue,
Nerston,
East Kilbride,
Glasgow, G74 4PY
SCOTLAND
Airfoil Technologies International (ATI)
High Holborn Road
Codnor
Ripley
Debyshire DE5 3NW
ENGLAND
Ishikawajima-Harima Heavy Industries Co. Ltd.
229 Tonogaya, Mizuho-Machi
Nishitama-Gun
Tokyo 190-1297
JAPAN
Airfoil Services Sdn Bhd (ASSB)
No.12 Jalan Teknologi
Taman Sains Selangor 1
Kota Damansara PJU5
47810 Petailing Jaya
Selangor Darul Ehsan
MALAYSIA
The designation by IAE of an Authorized Repair Vendor indicates that the Repair Vendor has demonstrated the necessary capability to enable it to carry out the listed repair work. However, IAE makes no warranties or representations concerning the qualifications or quality of the Repair Vendors to carry out the repair work, and accepts no responsibility whatsoever for any work that may be carried out by a Repair Vendor other than when IAE is listed as the Repair Vendor. Authorized Repair Vendors do not act as agents or representatives of IAE.
NOTE
NOTE
Preliminary Requirements
Pre-Conditions
NONESupport Equipment
| Name | Manufacturer | Part Number / Identification | Quantity | Remark |
|---|---|---|---|---|
| Chemical cleaning equipment | LOCAL | Chemical cleaning equipment | ||
| Penetrant Crack Test Equipment | LOCAL | Penetrant crack test equipment | ||
| Abrasive blast equipment | LOCAL | Abrasive blast equipment | ||
| Welding equipment | LOCAL | Welding equipment | Argonarc | |
| Heat treatment equipment | LOCAL | Heat treatment equipment | ||
| Hardness tester | LOCAL | Hardness tester | ||
| Grinding machine | LOCAL | Grinding machine | ||
| Hand tools | LOCAL | Tools, hand | ||
| Radiographic equipment | LOCAL | Radiographic equipment | ||
| Vibrating marking pencil | LOCAL | Vibrating marking pencil |
Consumables, Materials and Expendables
| Name | Manufacturer | Part Number / Identification | Quantity | Remark |
|---|---|---|---|---|
| CoMat 02-001 ADHESIVE TAPE (MASKING) | LOCAL | CoMat 02-001 | ||
| CoMat 03-181 WELDING WIRE 12% Cr. STEEL | LOCAL | CoMat 03-181 | ||
| CoMat 03-284 WELDING FILLER WIRE, NiBASE | LOCAL | CoMat 03-284 | ||
| CoMat 05-003 ABRASIVE MEDIUM ALUMINUM OXIDE, 120/220 GRADE | LOCAL | CoMat 05-003 |
Spares
NONESafety Requirements
NONEProcedure
Refer to TASK 72-41-32-200-000 (INSPECTION/CHECK-000) for Inspection Standards.
The vanes must be easily identified to allow dimensions before and after repair to be checked.
Record the vane length.
Examine the vanes to make sure the vanes can be repaired.
SUBTASK 72-41-32-220-114-001 Examine the Stage 6 Variable Stator Vanes
NOTE
This SUBTASK only applies to Assembly A and Assembly B.Refer to TASK 72-41-32-200-000 (INSPECTION/CHECK-000) for inspection standards.
The vanes must be easily identified to allows dimensions before and after repair to be checked.
Record the vane length.
Examine the vanes to make sure the vanes can be repaired.
SUBTASK 72-41-32-220-114-002 Examine the Stage 6 Variable Stator Vanes
Refer to the SPM TASK 70-23-04-230-501.
Use penetrant crack test equipment.
Discard any cracked vanes.
Do a penetrant crack test.
SUBTASK 72-41-32-230-062 Do a Crack Test
Refer to the SPM TASK 70-12-01-120-501.
Use CoMat 05-003 ABRASIVE MEDIUM ALUMINUM OXIDE, 120/220 GRADE, with abrasive blast equipment.
Vapour blast areas of the vane to be welded.
SUBTASK 72-41-32-120-051-001 Vapour Blast the Stage 6 Variable Stator Vanes
Refer to the SPM TASK 70-12-01-120-501.
Use CoMat 05-003 ABRASIVE MEDIUM ALUMINUM OXIDE, 120/220 GRADE, with abrasive blast equipment.
Vapour blast areas of vane to be welded.
SUBTASK 72-41-32-120-051-002 Vapour Blast the Stage 6 variable Stator Vanes
Refer to the SPM TASK 70-31-02-310-501-001.
Use CoMat 03-181 WELDING WIRE 12% Cr. STEEL, with argonarc welding equipment.
Build up the vane tip with weld to restore the length.
SUBTASK 72-41-32-310-051-001 Weld the Stage 6 Variable Stator Vane Tip
NOTE
This SUBTASK only applies to Assembly A.Refer to SPM TASK 70-31-02-310-501-001.
Use CoMat 03-284 WELDING FILLER WIRE, NiBASE, with argonarc welding equipment.
Build up the vane tip with weld to restore the length.
SUBTASK 72-41-32-310-051-002 Weld the Stage 6 Variable Stator Vane Tip
NOTE
This SUBTASK only applies to Assembly B.Refer to the SPM TASK 70-31-02-310-501-001.
Use CoMat 03-181 WELDING WIRE 12% Cr. STEEL, with argonarc welding equipment.
Build up the vane tip with weld to restore the length.
SUBTASK 72-41-32-310-051-003 Weld the Stage 6 variable Stator Vane Tip
Refer to the SPM TASK 70-31-02-310-501-001.
Use CoMat 03-284 WELDING FILLER WIRE, NiBASE, with argonarc welding equipment.
Build up the vane tip with weld to restore the length.
SUBTASK 72-41-32-310-051-004 Weld the Stage 6 variable Stator Vane Tip
Refer to approved vendor in 4.
Repair Facilities, Para. B.
Do a hardness check across the weld material, heat affected zone and base material.
The hardness value of the parent metal is 334 to 366 HV.
The minimum hardness value of the weld area is 300 HV.
The maximum variation from the parent metal is 30 HV.
Use a hardness tester.
NOTE
If the hardness value is below 300 HV minimum, then additional sample vanes should be selected for metallurgical examination.
Do a hardness check on a longitudinal cross section of a sample vane.
SUBTASK 72-41-32-220-115-001 Do a Hardness Check
NOTE
This SUBTASK only applies to Assembly A and Assembly C.Refer to approved vendor in 4.
Repair Facilities, Para. B.
Do a hardness check across the weld material, heat affected zone and base material.
The minimum hardness value should be 361 HV.
Use a hardness tester.
NOTE
If the hardness value is below 361 HV minimum, then additional sample vanes should be selected for metallurgical examination.
Do a hardness check on a longitudinal cross section of a sample vane.
SUBTASK 72-41-32-220-115-002 Do a Hardness Check
NOTE
This SUBTASK only applies to Assembly B and Assembly D.If scratches or scores are shown on the airfoil surface, do Step.
SUBTASK 72-41-32-220-116-001 Examine the Stage 6 Variable Stator Vanes
NOTE
This SUBTASK only applies to Assembly A and Assembly B.If scratches or scores are shown on the airfoil surface, do Step.
SUBTASK 72-41-32-220-116-002 Examine the Stage 6 Variable Stator Vanes
NOTE
This SUBTASK only applies to Assembly C and Assembly D.Refer to the SPM TASK 70-23-04-230-501.
Use penetrant crack test equipment.
Discard any cracked vanes.
Swab etch the repaired area.
SUBTASK 72-41-32-110-103 Cold ferric Chloride Etch
Refer to the SPM TASK 70-23-04-230-501.
Use penetrant crack test equipment.
Discard any cracked vanes.
Do a penetrant crack test.
SUBTASK 72-41-32-230-063 Do a Crack Test
Cracks or unwanted material are not permitted.
Pores larger than 0.006in. (0.15 mm) diameter are not permitted.
Pores with a distance of less than 0.200in. (5.10 mm) between them, are not permitted.
Surfaces broken by pores are not permitted.
Pores are not permitted less than 0.040in. (1.00 mm) from the leading and trailing edges.
Use radiographic equipment.
Radiographically examine the welded vane tip.
SUBTASK 72-41-32-260-052 Radiographically Examine the Stage 6 Variable Stator Vanes
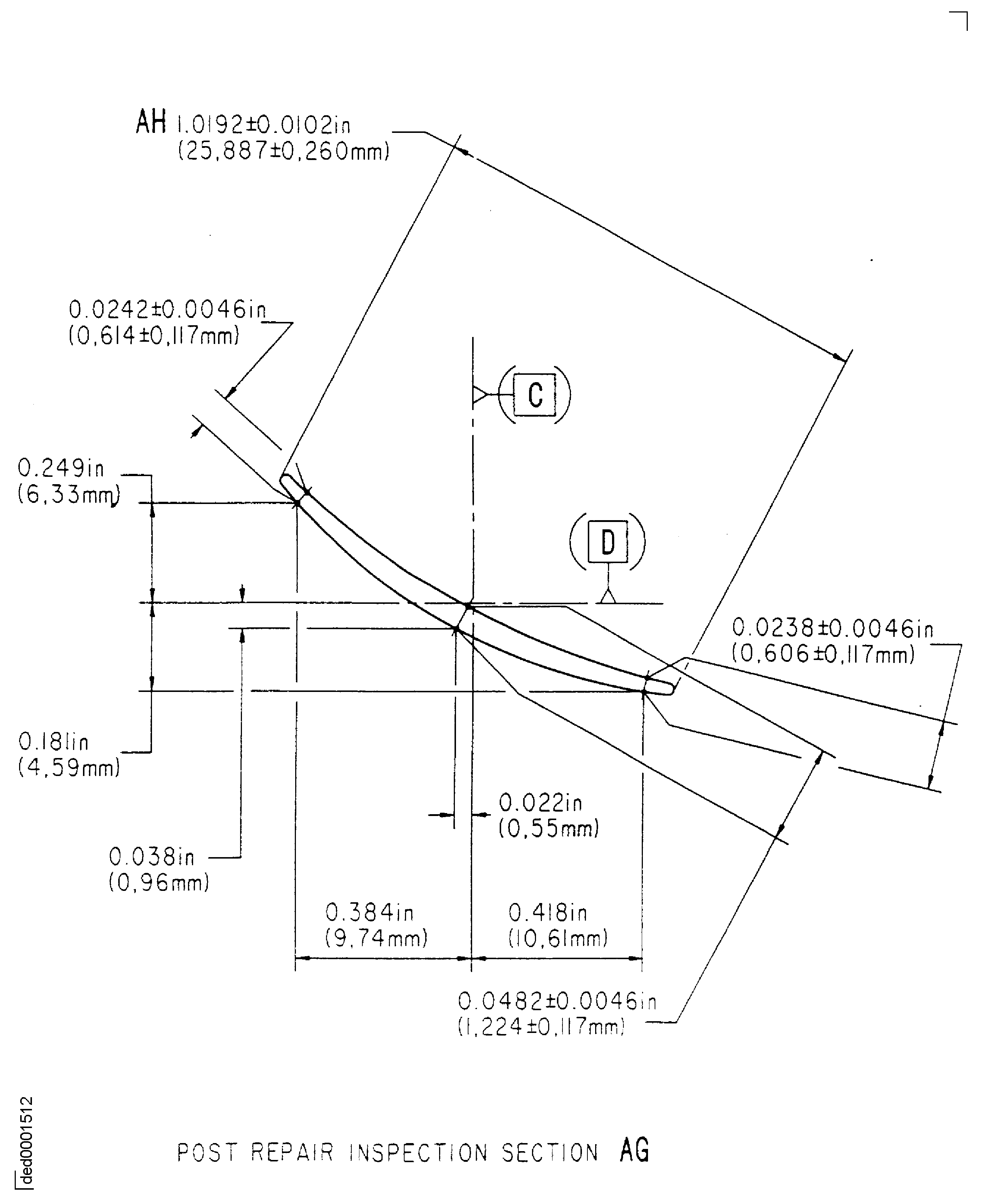
Refer to VRS6044, TASK 72-41-32-300-018 (REPAIR-018).
Restore the airfoil surface finish.
SUBTASK 72-41-32-380-056 Restore the Airfoil Surface Finish
Refer to Figure.
SUBTASK 72-41-32-350-070 Identify the Repair

CAUTION
DO NOT VIBRO-ENGRAVE ON THE VANE AIRFOIL OR LOCATION FACES.
Figure: Repair details and dimensions
Repair details and dimensions

Figure: Repair details and dimensions
Repair details and dimensions

Figure: Repair details and dimensions
Repair details and dimensions

Figure: Repair details and dimensions - Assembly A and Assembly B
Repair details and dimensions - Assembly A and Assembly B

Figure: Repair details and dimensions - Assembly C and Assembly D
Repair details and dimensions - Assembly C and Assembly D

Figure: Repair details and dimensions
Repair details and dimensions

Figure: Repair details and dimensions
Repair details and dimensions

Figure: Repair details and dimensions
Repair details and dimensions

Figure: Repair details and dimensions
Repair details and dimensions

Figure: Repair details and dimensions
Repair details and dimensions

Figure: Repair details and dimensions
Repair details and dimensions

Figure: Repair details and dimensions
Repair details and dimensions

