Export Control
EAR Export Classification: Not subject to the EAR per 15 C.F.R. Chapter 1, Part 734.3(b)(3), except for the following Service Bulletins which are currently published as EAR Export Classification 9E991: SBE70-0992, SBE72-0483, SBE72-0580, SBE72-0588, SBE72-0640, SBE73-0209, SBE80-0024 and SBE80-0025.Copyright
© IAE International Aero Engines AG (2001, 2014 - 2021) The information contained in this document is the property of © IAE International Aero Engines AG and may not be copied or used for any purpose other than that for which it is supplied without the express written authority of © IAE International Aero Engines AG. (This does not preclude use by engine and aircraft operators for normal instructional, maintenance or overhaul purposes.).Applicability
All
Common Information
TASK 72-43-12-200-001 No. 4 Bearing Seal Spacer - Examine, Inspection-001
General
This TASK gives the procedure for the inspection of the No. 4 bearing seal spacer.
Fig/item numbers in parentheses in the procedure agree with those used in the IPC.
The policy that is necessary for inspection is given in SPM TASK 70-20-00-200-501.
All the parts must be cleaned before any part is examined. Refer to SPM TASK 70-10-00-100-501.
All parts must be visually examined for damage, corrosion and wear. Any defects that are not identified in the procedure must be referred to IAE.
The procedure for those parts which must have a crack test is given in SUBTASK 72-43-12-230-051. Do the test before the part is visually examined.
Do not discard any part until you are sure there are no repairs available. Refer to the instructions in Repair before a discarded part is used again or oversize parts are installed.
Parts which should be discarded can be held although no repair is available. The repair of a discarded part could be shown to be necessary at a later date.
All parts must be examined to make sure that all the repairs have been completed satisfactorily.
The practices and processes referred to in the procedure by the TASK numbers are in the SPM.
References
Refer to the SPM for data on these items.
Definitions of Damage, SPM TASK 70-02-02-350-501
Inspection of Parts, SPM TASK 70-02-01-220-501
Some data on these items is contained in this TASK. For more data on these items refer to the SPM.
Method of Testing for Crack Indications
Chemcial Processes
Surface Protection
Preliminary Requirements
Pre-Conditions
NONESupport Equipment
NONEConsumables, Materials and Expendables
NONESpares
NONESafety Requirements
NONEProcedure
Clean the part. Refer to TASK 72-43-12-100-000.
SUBTASK 72-43-12-230-051-001 Examine the No. 4 Bearing Seal Spacer (01-010) for Cracks
Clean the part. Refer to TASK 72-43-12-100-000.
SUBTASK 72-43-12-230-051-002 Examine the No. 4 Bearing Seal Spacer (01-010) for Cracks
Refer to Figure.
Repair, VRS3105 TASK 72-43-12-300-002 (REPAIR-002)
Not more than 0.006 in. (0.15 mm) depth and 0.036 in. (0.94 mm) width
Nicks, dents and damage.
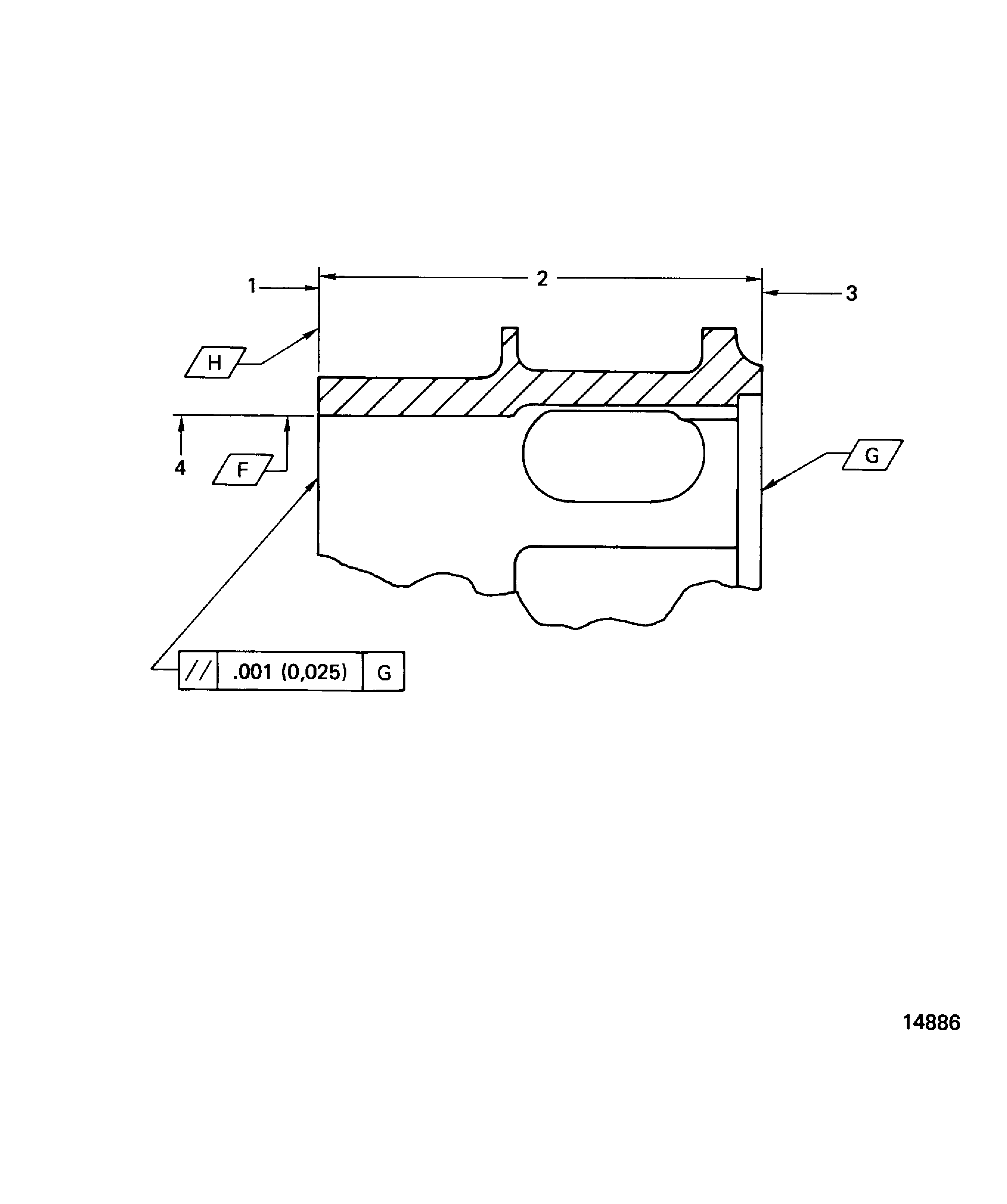
Examine the seal for wear, nicks, dents and damage at locations 1 and 3.
SUBTASK 72-43-12-220-051 Examine the No. 4 Bearing Seal Spacer (01-010) for Wear, Nicks, Dents and Damage on the Front and Rear Contact Surfaces
Refer to: Figure
NOTE
If the measure diameter in a free condition is not satisfactory, a held condition is permitted. All dimensions apply when Surface G is flat by 0.001in. (0.025 mm) and Diameter F maintains a clearance envelope of 5.130in. (130.302 mm) in a free or held condition. Hold the spacer only on Surfaces G, H and Diameter F.Repair, VRS3104 TASK 72-43-12-300-001
Other than (a)
Diameter.
Examine the spacer inner diameter at location 4. (Reference No. 2228).
SUBTASK 72-43-12-220-052 Examine the No. 4 Bearing Seal Spacer (01-010) Inner Diameter
Refer to: Figure
Repair, VRS3105 TASK 72-43-12-300-002
Other than (a)
Axial length.
Examine the spacer for the axial length at location 2.
SUBTASK 72-43-12-220-053 Examine the No. 4 Bearing Seal Spacer (01-010) for the Axial Length
Refer to: Figure
Repair, VRS3105 TASK 72-43-12-300-002
Other than (a)
Parallelism.
Examine the spacer for parallelism only if visual wear is shown on the front contact surface, location 1 or rear contact surface, location 3.
SUBTASK 72-43-12-220-054 Examine the No. 4 Bearing Seal Spacer (01-010) for the Parallelism
Figure: No. 4 Bearing Seal Spacer
No. 4 Bearing Seal Spacer

