Export Control
EAR Export Classification: Not subject to the EAR per 15 C.F.R. Chapter 1, Part 734.3(b)(3), except for the following Service Bulletins which are currently published as EAR Export Classification 9E991: SBE70-0992, SBE72-0483, SBE72-0580, SBE72-0588, SBE72-0640, SBE73-0209, SBE80-0024 and SBE80-0025.Copyright
© IAE International Aero Engines AG (2001, 2014 - 2021) The information contained in this document is the property of © IAE International Aero Engines AG and may not be copied or used for any purpose other than that for which it is supplied without the express written authority of © IAE International Aero Engines AG. (This does not preclude use by engine and aircraft operators for normal instructional, maintenance or overhaul purposes.).Applicability
V2500-A5
Common Information
TASK 72-45-00-030-001-B00 HP Turbine (HPT) Rotor And Stator Assembly - Disassemble The HPT Rotor And Stator Assembly, Disassembly-001
General
Fig/item numbers in parentheses in the procedure agree with those used in the IPC. Only the primary Fig/item numbers are used. For the service bulletin alpha variants refer to the IPC.
Remove and discard the lockwire before parts are disconnected or removed.
Discard all rubber seal rings, cotter pins and seal washers removed in this procedure.
Refer to TASK 72-45-00-990-501 (DESCRIPTION AND OPERATION) for a sectional view of the HP turbine rotor and stator assembly.
NOTE
Preliminary Requirements
Pre-Conditions
NONESupport Equipment
| Name | Manufacturer | Part Number / Identification | Quantity | Remark |
|---|---|---|---|---|
| IAE 1F10026 Hydraulic hand pump | 0AM53 | IAE 1F10026 | 1 | |
| IAE 1F10052 Two cables sling | 0AM53 | IAE 1F10052 | 1 | |
| IAE 1P16028 Build stand | 0AM53 | IAE 1P16028 | 1 | |
| IAE 1P16046 Removal/Installation fixture | 0AM53 | IAE 1P16046 | 1 | |
| IAE 1P16047 Hydraulic adapter | 0AM53 | IAE 1P16047 | 1 | |
| IAE 1P16051 Clamp | 0AM53 | IAE 1P16051 | 1 | |
| IAE 1P16055 Locator plug | 0AM53 | IAE 1P16055 | 1 | |
| IAE 1P16063 Fixture | 0AM53 | IAE 1P16063 | 1 | |
| IAE 1P16140 Support base | 0AM53 | IAE 1P16140 | 1 | |
| IAE 1P16173 Lift sling | 0AM53 | IAE 1P16173 | 1 | |
| IAE 1P16219 remove puller | 0AM53 | IAE 1P16219 | 1 | |
| IAE 1P16272 Adapter | 0AM53 | IAE 1P16272 | ||
| IAE 1P16543 Removal/Installation fixture | 0AM53 | IAE 1P16543 | 1 | |
| IAE 1P17021 Separate pusher | 0AM53 | IAE 1P17021 | 1 | |
| IAE 1P17022 Removal/installation jaws assembly | 0AM53 | IAE 1P17022 | 1 | |
| IAE 1P17024 Lift fixture | 0AM53 | IAE 1P17024 | 1 | |
| IAE 1P17026 Lift fixture | 0AM53 | IAE 1P17026 | ||
| IAE 1P17758 Protective cover | 0AM53 | IAE 1P17758 | 1 |
Consumables, Materials and Expendables
| Name | Manufacturer | Part Number / Identification | Quantity | Remark |
|---|---|---|---|---|
| CoMat 02-149 DRY ICE | LOCAL | CoMat 02-149 |
Spares
NONESafety Requirements
NONEProcedure
Refer to Figure.
Remove the IAE 1P17758 Protective cover 1 off from the rear of the HP Turbine Rotor And Stator Assembly.
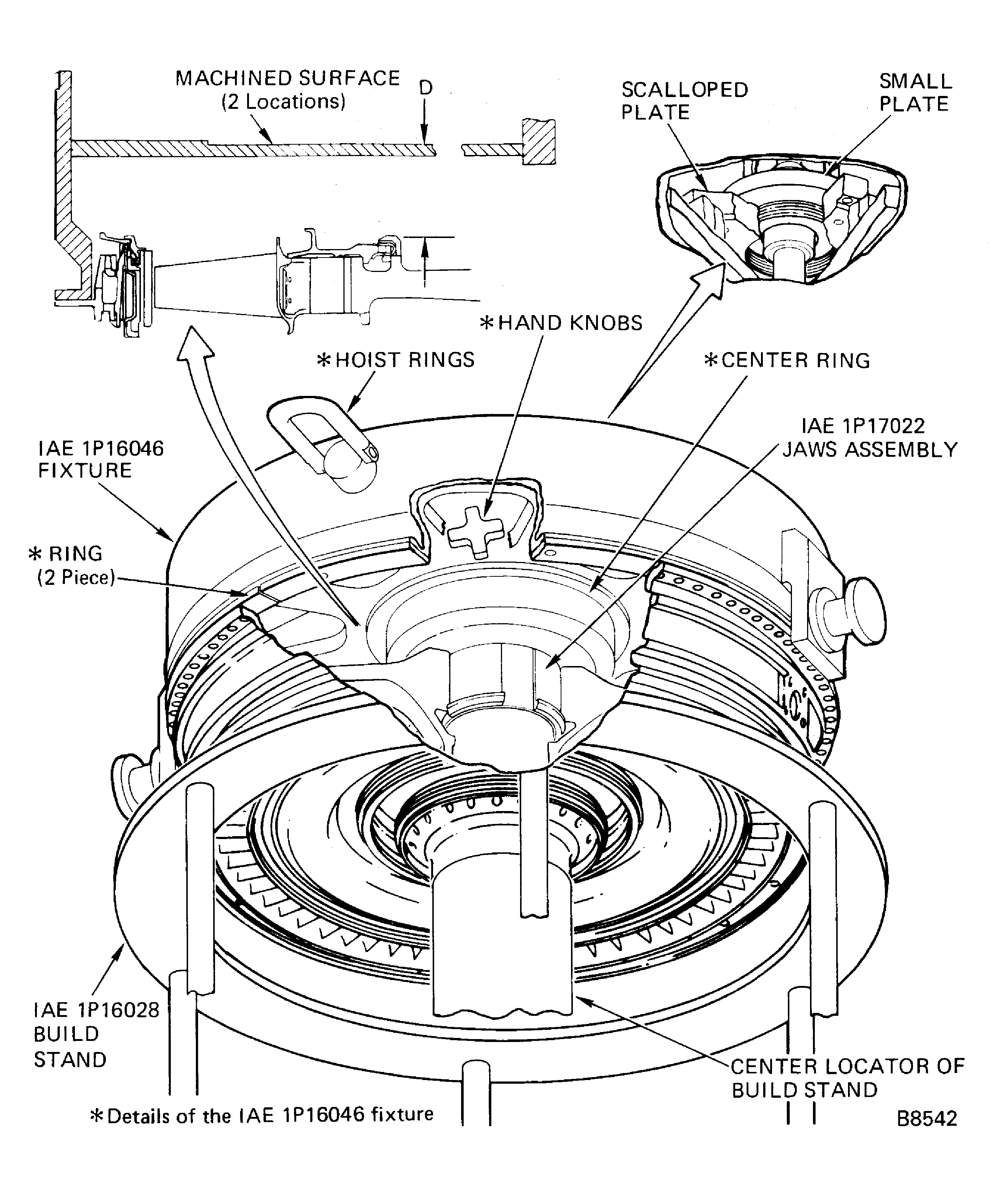
Install the IAE 1P16046 Removal/Installation fixture or IAE 1P16543 Removal/Installation fixture 1 off.
Install the IAE 1P17022 Removal/installation jaws assembly 1 off.
SUBTASK 72-45-00-030-062 Install the Tooling to Position the HP Turbine Rotor and Stator Assembly
Attach the scalloped plate of the IAE 1P16047 Hydraulic adapter 1 off to the center ring on the fixture with the 12 tool bolts. Tighten the bolts.
Install the smaller plate to the center of the scalloped plate, Figure.
Attach the IAE 1F10052 Two cables sling 1 off with a hoist to the trunnion spools on the fixture and lift the assembly from the build stand, Figure.
Turn the assembly to the front end up position and lower into the IAE 1P16028 Build stand 1 off.
Remove the locator from the center adapter on the build stand and install the hydraulic cylinder detail of the IAE 1P16272 Adapter (with the threaded end down) to the center adapter on the stand.
Attach the IAE 1F10026 Hydraulic hand pump 1 off to the hydraulic adapter.
Install the IAE 1P16051 Clamp 1 off and the hydraulic cylinder, Figure.
SUBTASK 72-45-00-030-063 Remove the Ladder Lock
Install the plug and rod assembly down through the rotor and through the IAE 1P16047 Hydraulic adapter at the base of the IAE 1P16046 Removal/Installation fixture or IAE 1P16543 Removal/Installation fixture with the plug positioned in to the stage 1 turbine hub.
Install the IAE 1P16055 Locator plug 1 off, Figure.
Attach IAE 1F10052 Two cables sling 1 off with a hoist to the trunnion spools on the fixture, Figure.
SUBTASK 72-45-00-030-064 Turn the HP Turbine Rotor and Stator Assembly
Refer to Figure.
Remove the IAE 1P17022 Removal/installation jaws assembly 1 off from the fixture.
Remove the IAE 1P16046 Removal/Installation fixture or IAE 1P16543 Removal/Installation fixture from the turbine rotor and stator assembly.
SUBTASK 72-45-00-030-065 Remove the Tooling from the HP Turbine Rotor and Stator Assembly
Refer to Figure.
Install the hook assemblies that remain by the procedure given in Step.
Prepare the IAE 1P16063 Fixture 1 off.
SUBTASK 72-45-00-030-066 Install the Retaining Fixture to the Stage 2 Turbine Rotor Assembly
Attach the IAE 1F10026 Hydraulic hand pump 1 off to the hydraulic cylinder.
Install the IAE 1P17021 Separate pusher 1 off, Figure.
Lower the Stage 2 Turbine Rotor to the IAE 1P16140 Support base 1 off and remove the hoist, Figure.
Install the IAE 1P17026 Lift fixture 1 off, Figure.
SUBTASK 72-45-00-030-067 Remove the Stage 2 Turbine Rotor Assembly from the Stage 1 Turbine Rotor Assembly
Remove No. 4 bearing spacer HP Turbine (HPT) Rotor And Stator Assembly (72-45-00, 01-061) thru HP Turbine (HPT) Rotor And Stator Assembly (72-45-00, 01-070) from the stage 1 turbine rotor assembly.
SUBTASK 72-45-00-030-073 Remove Spacer
Refer to Figure.
SUBTASK 72-45-00-030-068 Remove the Lift Fixture
Refer to Figure.
SUBTASK 72-45-00-030-069 Remove the Retaining Fixture
Examine the Stage 2 Rotor Assembly for soot and oil. If soot and oil found, do inspection of HPT for possible oil ignition event. Refer to TASK 72-45-00-200-801. Report all findings to IAE Technical Services.
SUBTASK 72-45-00-220-242 Inspect HPT Stage 2 Rotor
Refer to Figure.
Attach the IAE 1P16173 Lift sling 1 off to a hoist and to the rear flange of the HP Turbine Case.
Install the IAE 1P17758 Protective cover 1 off on the rear flange of the case and vane assembly.
SUBTASK 72-45-00-030-070 Remove the HP Turbine Case and Vane Assembly
Refer to Figure.
Use SPOP 209 (TASK 70-11-03-300-503) wipes to remove dirt and residue from rear flange and bore surface of the Stage 2 HP Turbine Airseal.
If bore axial position out of limit, do inspection of HPT for possible oil ignition event. Refer to TASK 72-45-00-200-801. Report all findings to IAE Technical Services.
If bore axial position is within the limits, make a record in the relevant part and engine documents.
Measure the bore drop of the Stage 2 HP Turbine Airseal per limits in TASK 72-45-00-200-000.
SUBTASK 72-45-00-220-243 Measure Bore Drop of the Stage 2 HP Turbine Airseal Installed on HPT Stage 1 Rotor Assembly
Install the lift assembly of the IAE 1P16055 Locator plug 1 off to the center of the stage 1 HP Turbine Hub and attach to the detail plug, Figure.
Lift the Stage 1 Rotor Assembly and airseal from the build stand and install in to the IAE 1P16140 Support base 1 off. Remove the hoist, Figure.
Attach the IAE 1F10026 Hydraulic hand pump 1 off to the puller.
Install the IAE 1P16219 remove puller 1 off, Figure.
SUBTASK 72-45-00-030-071-A00 Remove the Stage 2 HP Turbine Airseal (Pre SBE 72-0158)
Install the lift assembly detail of the IAE 1P16055 Locator plug 1 off to the center of the stage 1 HP Turbine Hub and attach it to the detail plug.
Lift the Stage 1 Rotor Assembly and airseal from the build stand and install it into the IAE 1P16140 Support base 1 off. Remove the hoist.
Cool the Stage 2 HPT Airseal with CoMat 02-149 DRY ICE around the front flange.
If the Stage 2 Airseal cannot be removed with the CoMat 02-149 DRY ICE, use IAE 1P16219 remove puller tool.
Remove the Stage 2 HP Turbine Airseal from the Stage 1 Turbine Rotor Assembly.
Attach the IAE 1F10026 Hydraulic hand pump 1 off to the puller.
Install the IAE 1P16219 remove puller 1 off.
SUBTASK 72-45-00-030-071-B00 Remove the Stage 2 HP Turbine Airseal (SBE 72-0158)
SBE 72-0158: 72-0158': Remove the stage 1 and 2 turbine wire seal
Examine the Stage 2 HP Turbine Airseal for soot and oil. If soot and oil found, do inspection of HPT for possible oil ignition event. Refer to TASK 72-45-00-200-801. Report all findings to IAE Technical Services.
Examine the Stage 2 HP Turbine Airseal Part Numbers 2A1160, 2A3108, 2A3179, 2A3425, 2A3596 for cracks. Refer to TASK 72-45-00-200-000.
SUBTASK 72-45-00-220-244 Inspect the Stage 2 HP Turbine Airseal, Regardless of Whether the Seal is to be Returned to Service or Not
Figure: Install tooling for the HP Turbine Rotor and Stator Assembly
Install tooling for the HP Turbine Rotor and Stator Assembly

Figure: Turn HP Turbine Rotor and Stator Assembly
Turn HP Turbine Rotor and Stator Assembly

Figure: HP Turbine Rotor and Stator Assembly Clamp Installation
HP Turbine Rotor and Stator Assembly Clamp Installation

Figure: Locator Plug Installation
Locator Plug Installation

Figure: HP Turbine Rotor and Stator Locator Plug Installation
HP Turbine Rotor and Stator Locator Plug Installation

Figure: IAE 1P16063 Retaining Fixture Installation
IAE 1P16063 Retaining Fixture Installation

Figure: IAE 1P17021 Separate Pusher
IAE 1P17021 Separate Pusher

Figure: Remove Stage 2 Turbine Rotor Assembly
Remove Stage 2 Turbine Rotor Assembly

Figure: Install the Stage 2 Turbine Rotor Assembly To The Support
Install the Stage 2 Turbine Rotor Assembly To The Support

Figure: Remove the HP Turbine Case and Vane Assembly
Remove the HP Turbine Case and Vane Assembly

Figure: Remove the Stage 1 Rotor Assembly and Airseal From The Build Stand
Remove the Stage 1 Rotor Assembly and Airseal From The Build Stand

Figure: Stage 1 HP Turbine Rotor Assembly and Airseal
Stage 1 HP Turbine Rotor Assembly and Airseal

Figure: Pre SBE 72-0158: Remove the Stage 2 HPT Airseal
Pre SBE 72-0158: Remove the Stage 2 HPT Airseal

Figure: SBE 72-0158: Remove the Stage 2 HPT Airseal
SBE 72-0158: Remove the Stage 2 HPT Airseal

Figure: Measure the Stage 2 HP Turbine Airseal
Measure the Stage 2 HP Turbine Airseal

Figure: Cool The Stage 2 HP Turbine Airseal
Cool The Stage 2 HP Turbine Airseal

