Export Control
EAR Export Classification: Not subject to the EAR per 15 C.F.R. Chapter 1, Part 734.3(b)(3), except for the following Service Bulletins which are currently published as EAR Export Classification 9E991: SBE70-0992, SBE72-0483, SBE72-0580, SBE72-0588, SBE72-0640, SBE73-0209, SBE80-0024 and SBE80-0025.Copyright
© IAE International Aero Engines AG (2001, 2014 - 2021) The information contained in this document is the property of © IAE International Aero Engines AG and may not be copied or used for any purpose other than that for which it is supplied without the express written authority of © IAE International Aero Engines AG. (This does not preclude use by engine and aircraft operators for normal instructional, maintenance or overhaul purposes.).Applicability
All
Common Information
TASK 72-50-21-300-038 LPT Case - Plasma Spray The Stage 3 To 7 Rear Vane Hook Diameters, Repair-038 (VRS4471)
General
Price and availability - none
The practices and processes referred to in the procedure by the TASK number are in the SPM.
NOTE
NOTE
NOTE
Preliminary Requirements
Pre-Conditions
NONESupport Equipment
| Name | Manufacturer | Part Number / Identification | Quantity | Remark |
|---|---|---|---|---|
| Dial caliper | LOCAL | Dial caliper | ||
| Dry blast cabinet | LOCAL | Dry blast cabinet | ||
| Micrometer | 0AM53 | Micrometer | ||
| Illuminated magnifier (portable) | LOCAL | Illuminated magnifier (portable) | ||
| Radius gage set | LOCAL | Radius gage set | ||
| Roughness microtester | LOCAL | Roughness microtester | ||
| Vertical turning lathe | LOCAL | Vertical turning lathe | ||
| IAE 3M14318 Turning fixture | 0AM53 | IAE 3M14318 | 1 |
Consumables, Materials and Expendables
| Name | Manufacturer | Part Number / Identification | Quantity | Remark |
|---|---|---|---|---|
| CoMat 02-047 TAPE, HEAT REFLECTIVE | 52152 | CoMat 02-047 | ||
| CoMat 02-050 HIGH TEMPERATURE GLASS CLOTH TAPE | 76381 | CoMat 02-050 | ||
| CoMat 03-080 METAL SPRAYING POWDER,Co BASE ALLOY | IE426 | CoMat 03-080 | ||
| CoMat 05-046 ALUMINUM OXIDE GRIT | 62596 | CoMat 05-046 | ||
| CoMat 05-047 DELETED | 0AM53 | CoMat 05-047 |
Spares
NONESafety Requirements
NONEProcedure
Refer to the SPM TASK 70-11-03-300-503.
Aqueous degrease.
SUBTASK 72-50-21-110-105 Clean the LP Turbine Case
Make sure that all adjacent surfaces have full protection. Use CoMat 02-047 TAPE, HEAT REFLECTIVE or CoMat 02-050 HIGH TEMPERATURE GLASS CLOTH TAPE.
Mask the areas A3.
Use dry blast cabinet, CoMat 05-046 ALUMINUM OXIDE GRIT or CoMat 05-047 DELETED.
The surface texture must be 120 to 200 microinch RMS (3.0 to 5.0 micrometer Ra). Blasting in area A2 is permitted.
Grit blast the area A1.
SUBTASK 72-50-21-340-063 Prepare the Surfaces for the Plasma Spray Procedure
Overspray in area A2 is permitted if it was blasted before, refer to Figure, Figure, Figure, Figure, and Figure. Make sure that there is sufficient material to do last machining. Refer to the SPM TASK 70-34-03-340-501. Use CoMat 03-080 METAL SPRAYING POWDER,Co BASE ALLOY.
Plasma spray the area A1.
SUBTASK 72-50-21-340-064 Plasma Spray the Prepared Surfaces
Use IAE 3M14318 Turning fixture 1 off and vertical turning lathe.
For dimensions refer to Figure, Figure, Figure and the SPM TASK 70-34-03-340-501.
Machine the coated areas.
SUBTASK 72-50-21-325-006 Machine the Coated Areas
Refer to the SPM TASK 70-11-03-300-503.
Aqueous degrease.
SUBTASK 72-50-21-110-106 Clean the LP Turbine Case
Refer to the SPM TASK 70-34-03-340-501 and SPM TASK 70-34-03-340-501-002 for acceptance standards.
Use illuminated magnifier.
Examine the coating.
SUBTASK 72-50-21-220-168 Do the Post Repair Inspection
Refer to the SPM TASK 70-09-00-400-501.
Suffix for Stage 3 to 7 areas as follows:
Stage 3 rear hook diameter VRS4471A.
Stage 4 rear hook diameter VRS4471B.
Stage 5 rear hook diameter VRS4471C.
Stage 6 rear hook diameter VRS4471D.
Stage 7 rear hook diameter VRS4471E.
Vibropeen VRS4471 and applicable bee-hive symbol adjacent to the part number.
SUBTASK 72-50-21-380-055 Make a Mark to Identify the Repair
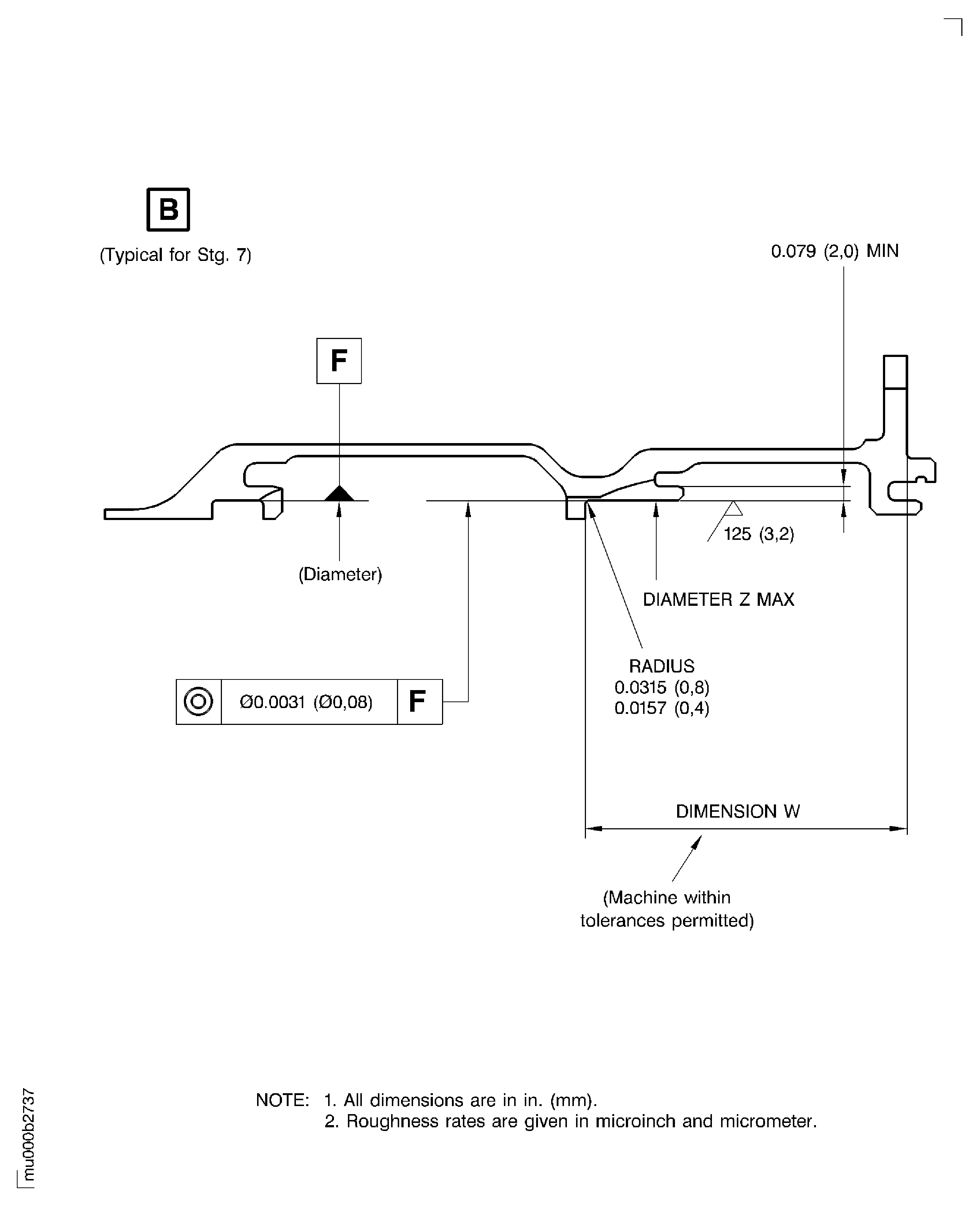
Figure: LP turbine case rear vane hook diameters before plasma spraying
LP turbine case rear vane hook diameters before plasma spraying

Figure: LP turbine case rear vane hook diameters before plasma spraying
LP turbine case rear vane hook diameters before plasma spraying

Figure: LP turbine case rear vane hook diameters before plasma spraying
LP turbine case rear vane hook diameters before plasma spraying

Figure: LP turbine case rear vane hook diameters before plasma spraying
LP turbine case rear vane hook diameters before plasma spraying

Figure: LP turbine case rear vane hook diameters before plasma spraying
LP turbine case rear vane hook diameters before plasma spraying

Figure: LP turbine case rear vane hook diameters after plasma spraying
LP turbine case rear vane hook diameters after plasma spraying

Figure: LP turbine case rear vane hook diameters after plasma spraying
LP turbine case rear vane hook diameters after plasma spraying

Figure: LP turbine case rear vane hook diameters after plasma spraying
LP turbine case rear vane hook diameters after plasma spraying

