Export Control
EAR Export Classification: Not subject to the EAR per 15 C.F.R. Chapter 1, Part 734.3(b)(3), except for the following Service Bulletins which are currently published as EAR Export Classification 9E991: SBE70-0992, SBE72-0483, SBE72-0580, SBE72-0588, SBE72-0640, SBE73-0209, SBE80-0024 and SBE80-0025.Copyright
© IAE International Aero Engines AG (2001, 2014 - 2021) The information contained in this document is the property of © IAE International Aero Engines AG and may not be copied or used for any purpose other than that for which it is supplied without the express written authority of © IAE International Aero Engines AG. (This does not preclude use by engine and aircraft operators for normal instructional, maintenance or overhaul purposes.).Applicability
All
Common Information
TASK 72-50-23-300-049 LPT Stage 4 Outer Shroud Seal Segment - Replace The Honeycomb Segments, Repair-049 (VRS4487)
Material of component
PART IDENT | SYMBOL | MATERIAL |
|---|---|---|
Stage 4 shroud seal segment | MTS1096A or WL2.4665.1/ Hastelloy X | |
Honeycomb seal segment | WL2.4665.1/Hastelloy X |
General
Price and availability - none
The practices and processes referred to in the procedure by the TASK numbers are in the SPM.
NOTE
NOTE
NOTE
NOTE
Preliminary Requirements
Pre-Conditions
NONESupport Equipment
| Name | Manufacturer | Part Number / Identification | Quantity | Remark |
|---|---|---|---|---|
| Grinding machine | LOCAL | Grinding machine | ||
| Spot welding machine | LOCAL | Spot welding machine | ||
| Illuminated comparator magnifier | LOCAL | Illuminated comparator magnifier | ||
| Turning lathe | LOCAL | Turning lathe | ||
| Fluid tank | LOCAL | Fluid tank | ||
| Belt grinder | LOCAL | Belt grinder | ||
| IAE 3M14422 Grinding/turning fixture | 0AM53 | IAE 3M14422 | 1 | |
| IAE 3M14215 Spot welding fixture | 0AM53 | IAE 3M14215 | 1 | |
| IAE 3M14220 Cross slide table | 0AM53 | IAE 3M14220 | 1 | |
| IAE 3M14221 Electrode guide | 0AM53 | IAE 3M14221 | 1 | |
| IAE 3M14222 Electrode holder | 0AM53 | IAE 3M14222 | 1 | |
| IAE 3M14223 Universal joint electrode | 0AM53 | IAE 3M14223 | 1 | |
| IAE 3M14265 Spot welding fixture | 0AM53 | IAE 3M14265 | 1 |
Consumables, Materials and Expendables
| Name | Manufacturer | Part Number / Identification | Quantity | Remark |
|---|---|---|---|---|
| CoMat 01-183 WETTING AGENT FOR ACIDCLEANER | 1XY28 | CoMat 01-183 | ||
| CoMat 02-142 WETTING AGENT | 08340 | CoMat 02-142 | ||
| CoMat 02-143 DELETED | 0AM53 | CoMat 02-143 | ||
| CoMat 02-144 BONDING AGENT | C7208 | CoMat 02-144 | ||
| CoMat 03-148 BRAZING FILLER POWDER | LOCAL | CoMat 03-148 | ||
| CoMat 03-227 WHITE STOP OFF | D3309 | CoMat 03-227 | ||
| CoMat 03-249 BRAZING FILLER MATERIAL,Ni-BASE | LOCAL | CoMat 03-249 | ||
| CoMat 03-469 HONEYCOMB, NICKEL ANDCOBALT ALLOYS | LOCAL | CoMat 03-469 | ||
| CoMat 10-061 STODDARD SOLVENT | LOCAL | CoMat 10-061 |
Spares
| Name | Manufacturer | Part Number / Identification | Quantity | Remark |
|---|---|---|---|---|
| Honeycomb seal segment | 3A1581 | 1 | ||
| Honeycomb seal segment | 3A1582 | 1 |
Safety Requirements
NONEProcedure
Use turning lathe and IAE 3M14422 Grinding/turning fixture 1 off.
Remove the damaged honeycomb seal segment fully.
Keep material removal to the minimum to allow subsequent repairs.
To get this it is permitted to let stay up to 0.005 in. (0.13 mm).
Refer to Figure.
Machine off the worn honeycomb seal segment.
SUBTASK 72-50-23-325-065 Machine the Damaged Honeycomb Seal Segment
Refer to the SPM TASK 70-11-03-300-503.
Aqueous cleaning.
SUBTASK 72-50-23-110-143 Clean the Shroud Seal Segment
Refer to the SPM TASK 70-23-02-230-501.
Refer to TASK 72-50-23-200-003-B00 (INSPECTION/CHECK-003, CONFIG-002) for acceptable limits.
Do the test for cracks.
SUBTASK 72-50-23-230-103 Examine the Shroud Seal Segment for Cracks
Use IAE 3M14220 Cross slide table 1 off and spot welding machine.
Install the cross slide table on to the spot welding machine.
Use IAE 3M14222 Electrode holder 1 off.
Install the electrode holder on to the spot welding machine.
Use IAE 3M14223 Universal joint electrode 1 off.
Make sure that the electrode insert with the mark OUTER is installed.
Install the electrode swivel on to the electrode holder.
Use IAE 3M14221 Electrode guide 1 off.
Install the electrode guide on to the cross slide table.
Use IAE 3M14215 Spot welding fixture 1 off.
Install the spot welding fixture on to the electrode guide.
Use IAE 3M14265 Spot welding fixture 1 off.
Install the spot welding fixture on to the electrode guide.
SUBTASK 72-50-23-310-091 Braze in the New Honeycomb Seal Segment
NOTE
If CoMat 03-249 BRAZING FILLER MATERIAL,Ni-BASE is used perform steps H. to J., if CoMat 03-148 BRAZING FILLER POWDER is used perform steps I. to L.If you install the honeycomb seal segment LPT Stage 3, 4, 5, 7 Outer Shroud Seal Segments (72-50-23, 01-281 do not perform the step E., and if you install the honeycomb seal segment LPT Stage 3, 4, 5, 7 Outer Shroud Seal Segments (72-50-23, 01-271 do not perform step F. Refer to Figure and Figure.Refer to the SPM TASK 70-11-03-300-503.
Aqueous cleaning.
SUBTASK 72-50-23-110-145 Clean the Shroud Seal Segment
Use 200:1 mixture of water and CoMat 02-142 WETTING AGENT or 1:1 mixture of CoMat 02-143 DELETED and CoMat 10-061 STODDARD SOLVENT or 2500:1 mixture of water and CoMat 01-183 WETTING AGENT FOR ACIDCLEANER.
Prepare the fluid tank.
Refer to the SPM TASK 70-31-07-310-501 except for the subsequent:
No unbrazed cells around edges of the honeycomb segment are permitted.
Minimum distance between unbonded areas more than 0.063 sqin (40.65 sqmm) should be 1.00 in. (25.4 mm).
Use illuminated comparator magnifier.
Honeycomb wall thickness must not be increased by more than 0.001 in. (0.03 mm) in area above braze fillet.
Acceptance limits.
SUBTASK 72-50-23-210-059 Examine the Brazed Honeycomb Seal Segment
Grind to the dimensions.
Refer to Figure.
Use IAE 3M14422 Grinding/turning fixture 1 off and grinding machine.
Finish machine the honeycomb seal segment.
Refer to the SPM TASK 70-31-07-310-501.
De-burr the honeycomb seal segments.
SUBTASK 72-50-23-324-060 Do the Post Repair
Refer to the SPM TASK 70-11-03-300-503.
Aqueous cleaning.
SUBTASK 72-50-23-110-146 Clean the Honeycomb Seal
Refer to Figure.
Examine dimensionally the shroud seal segment.
Refer to the SPM TASK 70-09-00-400-501.
Electrolytically etch or vibro-peen VRS4487 adjacent to the part number.
SUBTASK 72-50-23-220-171 Do the Post Repair Inspection
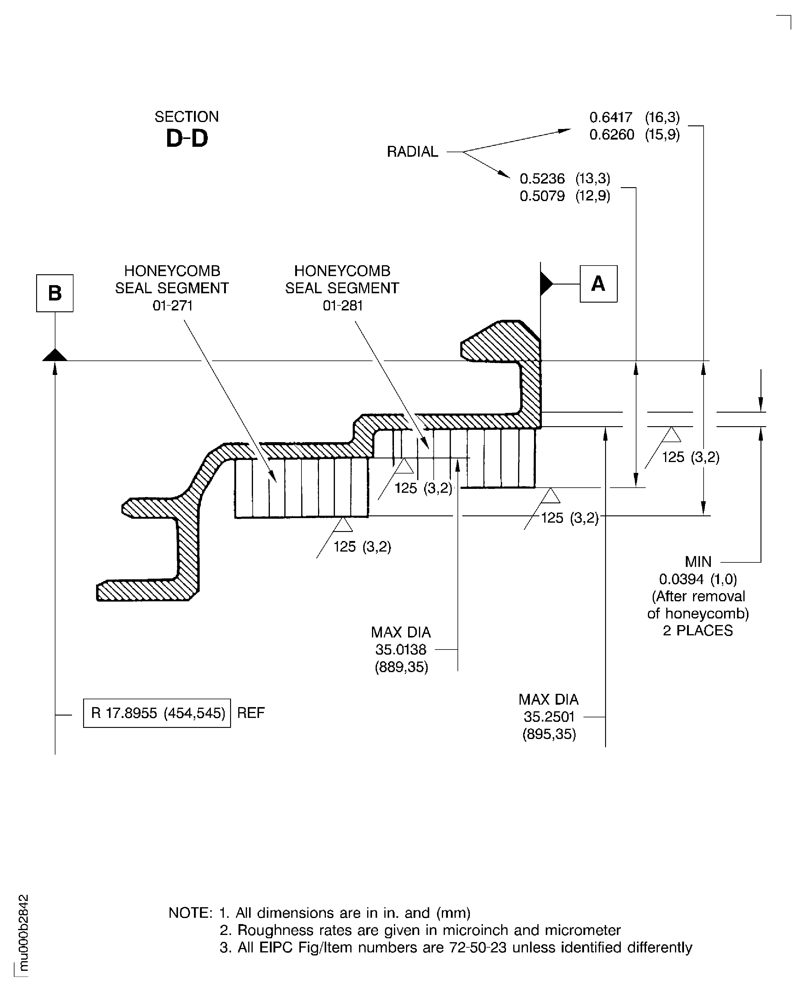
Figure: Replace the honeycomb seal segment of the shroud seal segment
Replace the honeycomb seal segment of the shroud seal segment

Figure: Replace the honeycomb seal segment of the shroud seal segment
Replace the honeycomb seal segment of the shroud seal segment

Figure: Local manufacture honeycomb seal segment of the shroud seal segment
Local manufacture honeycomb seal segment of the shroud seal segment

Figure: Local manufacture honeycomb seal segment of the shroud seal segment
Local manufacture honeycomb seal segment of the shroud seal segment

