Export Control
EAR Export Classification: Not subject to the EAR per 15 C.F.R. Chapter 1, Part 734.3(b)(3), except for the following Service Bulletins which are currently published as EAR Export Classification 9E991: SBE70-0992, SBE72-0483, SBE72-0580, SBE72-0588, SBE72-0640, SBE73-0209, SBE80-0024 and SBE80-0025.Copyright
© IAE International Aero Engines AG (2001, 2014 - 2021) The information contained in this document is the property of © IAE International Aero Engines AG and may not be copied or used for any purpose other than that for which it is supplied without the express written authority of © IAE International Aero Engines AG. (This does not preclude use by engine and aircraft operators for normal instructional, maintenance or overhaul purposes.).Applicability
All
Common Information
TASK 72-60-42-300-037 Angle Gearbox Oil Duct - Chromium Plate The Pilot Diameter, Repair-037 (VRS5687)
General
Price and availability
None
The practices and processes referred to in the procedure by the TASK numbers are in the SPM.
NOTE
NOTE
Preliminary Requirements
Pre-Conditions
NONESupport Equipment
| Name | Manufacturer | Part Number / Identification | Quantity | Remark |
|---|---|---|---|---|
| Workshop inspection equipment | LOCAL | |||
| Grinding Machine | LOCAL | |||
| Fluorescent Penetrant Inspection Equipment | LOCAL | |||
| Hot Oil Tank | LOCAL | |||
| Oven | LOCAL | |||
| Magnifying Glass, 5x | LOCAL | |||
| Vibro-engraving equipment | LOCAL |
Consumables, Materials and Expendables
| Name | Manufacturer | Part Number / Identification | Quantity | Remark |
|---|---|---|---|---|
| CoMat 01-001 SOLVENT, DELETED | 0AM53 | CoMat 01-001 | ||
| CoMat 02-017 WAX | LOCAL | CoMat 02-017 | ||
| CoMat 02-034 METALLIC MASKING TAPE(LEAD FOIL) | 76381 | CoMat 02-034 | ||
| CoMat 05-029 CAST STEEL SHOT, S110 | 55807 | CoMat 05-029 |
Spares
NONESafety Requirements
NONEProcedure
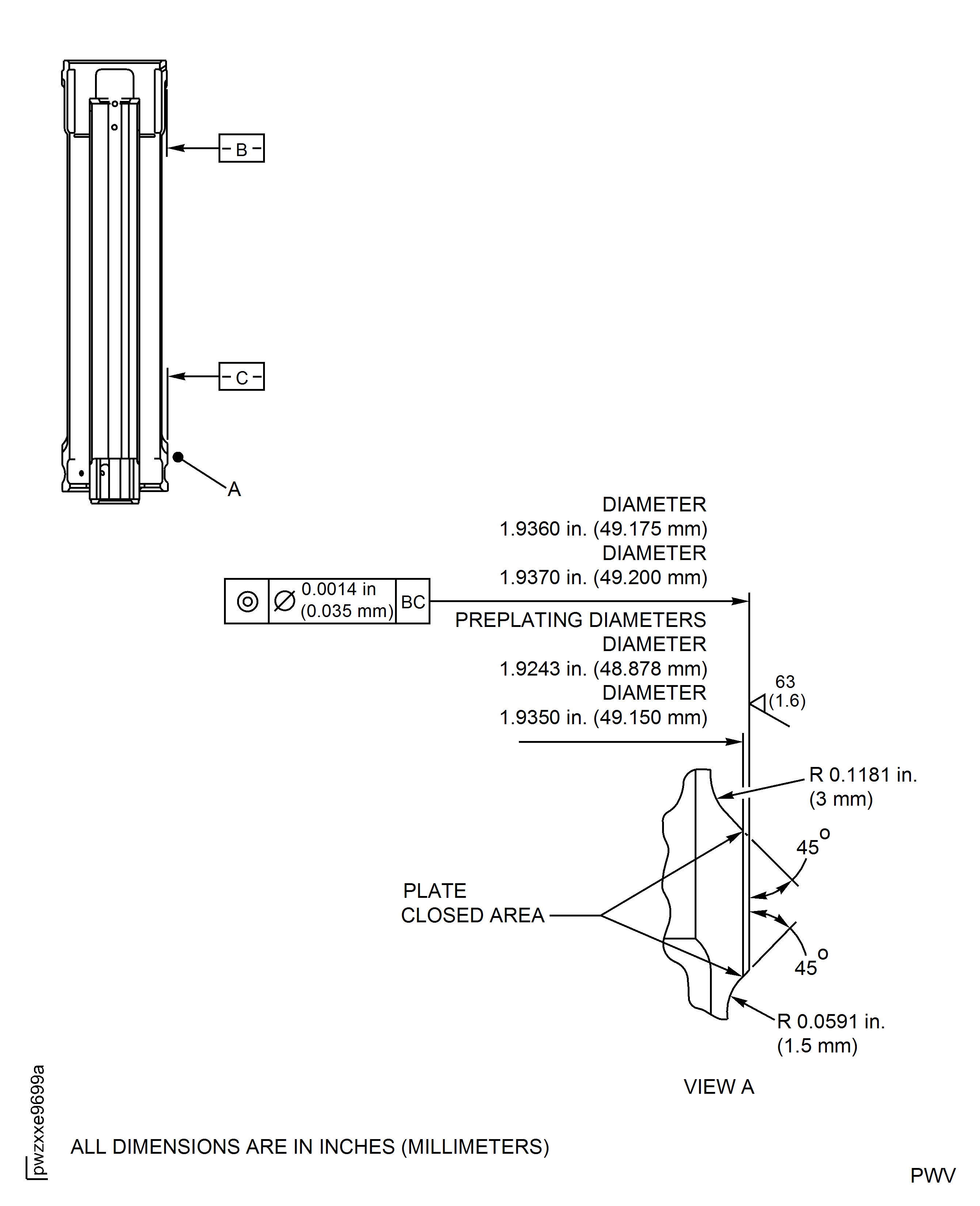
Refer to Figure.
The preplating diameter must be between 1.9243 in. to 1.9350 in. (48.878 mm to 49.150 mm).
Remove all damage and wear.
Keep the removal of material to the minimum necessary to remove the damage.
Machine the pilot diameter.
SUBTASK 72-60-42-320-082 Machine the Pilot Diameter C of the Oil Duct
Refer to TASK 72-60-42-200-007, SUBTASK 72-60-42-230-062.
Cracks are not permitted.
Do a penetrant inspection for cracks.
SUBTASK 72-60-42-240-001 Examine the Oil Duct
Refer to TASK 70-38-04-300-503.
Shotpeen the bearing journal surface to an intensity of 6 to 8A.
SUBTASK 72-60-42-380-001 Shotpeen the Pilot Diameter
Refer to SPM TASK 70-11-01-300-503.
Do the vapor degreasing
SUBTASK 72-60-42-110-001 Clean the Oil Duct

WARNING
WHEN YOU USE CoMat 01-001 SOLVENT, DELETED YOU MUST USE THE NECESSARY PROTECTIVE CLOTHING. DO NOT GET THE SOLVENT ON YOUR SKIN OR IN YOUR EYES. YOU MUST NOT SMOKE WHEN YOU USE THE SOLVENT AS THE VAPOR MAY CHANGE AND BECOME TOXIC.Refer to Figure.
Use CoMat 02-017 WAX.
Mask the areas of the tube not to be plated.
Refer to SPM TASK 70-33-02-300-503.
Plate to a sufficient thickness to permit the machining to the final dimensions.
The plating out of the pilot diameter area is permitted but must be removed.
Chromium plate the pilot diameter.
Remove the masking.
Flush with cold water.
Flush with hot water.
Dry with air blast.
Clean and dry the fuel oil duct.
SUBTASK 72-60-25-330-004 Chromium Plate the Pilot Diameter C
Do this procedure as soon as possible in 4 hours after the plating.
Put the oil duct into a furnace at 284 deg F to 320 deg F (140 deg C to 160 deg C) for 5 hours.
SUBTASK 72-60-42-370-001 Do the Embrittlement Relief to the Oil Duct
The plating must have a constant color. Blistering and signs of burned metal are not permitted.
Do the visual inspection of the plating for finish, cracks and adhesion.
SUBTASK 72-60-42-220-001 Examine the Oil Duct
Refer to Figure.
The pilot diameter must be between 1.9360 in. to 1.9370 in. (49.175 mm to 49.200 mm).
Clean up the edges and chamfers, where necessary.
Machine the pilot diameter.
SUBTASK 72-60-42-320-001 Machine the Pilot Diameter C of the Oil Duct
Refer to Figure.
Use a Magnifying Glass, 5x.
The natural network crack, emphasized by grinding, is permitted.
Do the visual inspection of chromium plated areas for cracks and adhesion.
Do not accept thickness less than 0.001 in. (0.025 mm) after the final machining.
Measure the thickness of the plating.
SUBTASK 72-60-42-220-002 Examine the Chromium Plated Areas
Refer to Figure.
Refer to the SPM TASK 70-09-00-400-501, SUBTASK 70-09-00-400-001.
If required, vibro etch VRS5687 adjacent to the part number.
SUBTASK 72-60-42-350-001 Identify the Repair
Figure: Repair The Oil Duct
Repair The Oil Duct

