Export Control
EAR Export Classification: Not subject to the EAR per 15 C.F.R. Chapter 1, Part 734.3(b)(3), except for the following Service Bulletins which are currently published as EAR Export Classification 9E991: SBE70-0992, SBE72-0483, SBE72-0580, SBE72-0588, SBE72-0640, SBE73-0209, SBE80-0024 and SBE80-0025.Copyright
© IAE International Aero Engines AG (2001, 2014 - 2021) The information contained in this document is the property of © IAE International Aero Engines AG and may not be copied or used for any purpose other than that for which it is supplied without the express written authority of © IAE International Aero Engines AG. (This does not preclude use by engine and aircraft operators for normal instructional, maintenance or overhaul purposes.).Applicability
All
Common Information
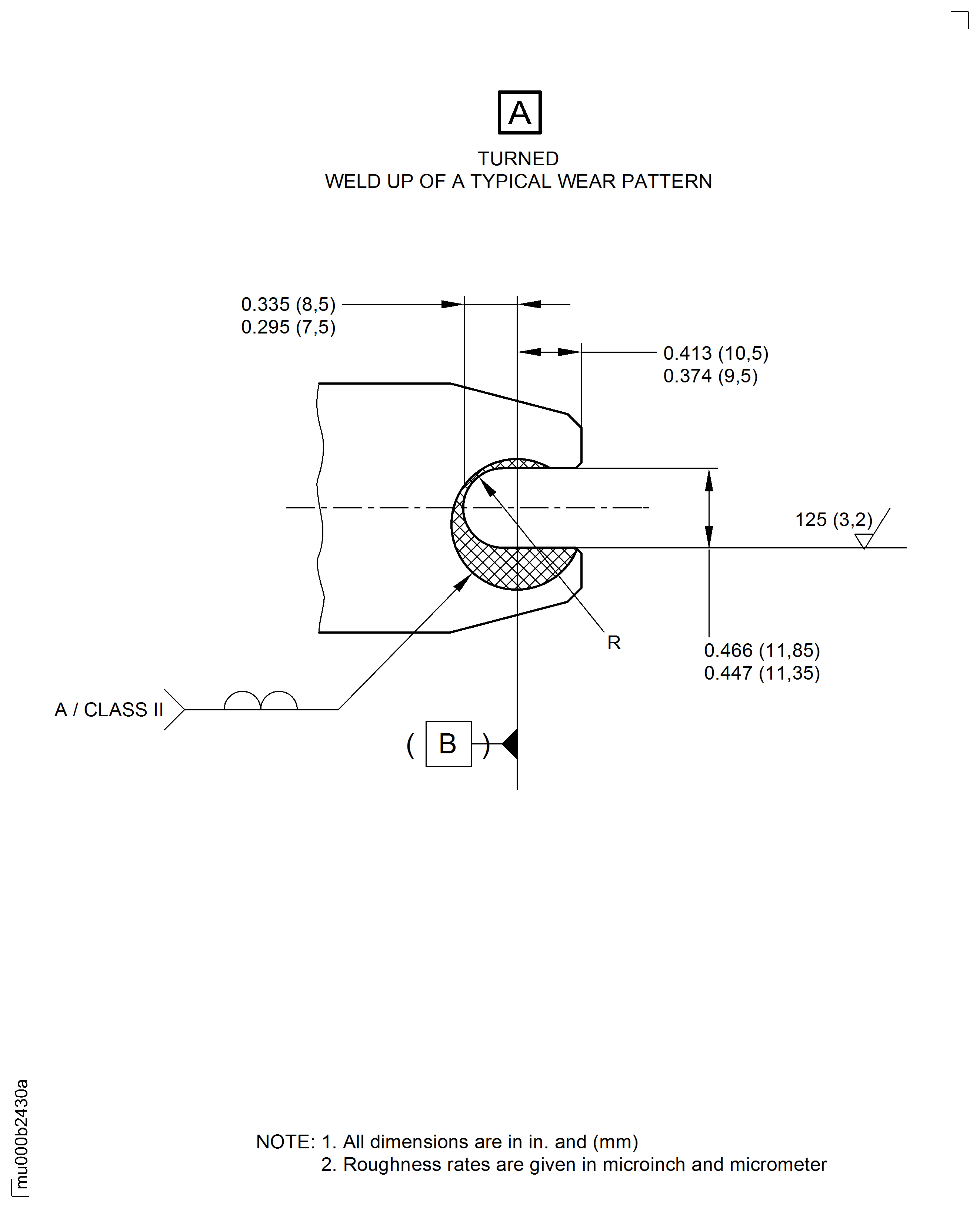
TASK 75-24-49-300-041 LPT ACC Support Assemblies - Weld Repair The Rear Flange, Repair-041 (VRS4446)
General
Price and availability - none.
The practices and processes referred to in the procedure by the TASK number are in the SPP.
Before repair remove the half loop clamps, the blind rivets and the self locking nuts, refer to VRS4025 TASK 75-24-49-300-016.
After repair replace the half loop clamps, the blind rivets and the self locking nuts, refer to VRS4025 TASK 75-24-49-300-016.
Before repair remove the screw thread inserts, refer to VRS4052 TASK 75-24-49-300-017.
After repair replace the screw thread inserts, refer to VRS4052 TASK 75-24-49-300-017.
NOTE
For more equipment and materials necessary to do this repair refer to SPP TASK 70-37-00-370-501
, SPP TASK 70-31-13-310-501
and SPP TASK 70-23-05-230-501.
Equivalent equipment may be used.
NOTE
Preliminary Requirements
Pre-Conditions
NONESupport Equipment
NONEConsumables, Materials and Expendables
| Name | Manufacturer | Part Number / Identification | Quantity | Remark |
|---|---|---|---|---|
| CoMat 03-184 WELDING FILLER WIRE, NICKEL | LOCAL | CoMat 03-184 | ||
| CoMat 03-387 WELDING FILLER WIRE | LOCAL | CoMat 03-387 |
Spares
NONESafety Requirements
NONEProcedure
Refer to SPP TASK 70-31-13-310-501.
Clean the area to be welded.
SUBTASK 75-24-49-110-077 Clean the Support Assemblies
Refer to SPP TASK 70-31-13-310-501.
Prevent the support from distortion by overheating during the weld process.
Use an appropriate fixture.
Gas tungsten arc weld the worn area as required.
SUBTASK 75-24-49-310-060 Weld Repair the Support Assemblies
Refer to TASK 70-37-00-370-501.
Put the part in an oven for eight hours at 1450 to 1500 deg F (788 to 816 deg C).
Use argon or vacuum.
Cooling rate equivalent to air cooling.
Heat treat the support assembly.
SUBTASK 75-24-49-370-058 Heat Treatment after Weld Repair
Refer to SPP TASK 70-23-05-230-501.
Use medium sensitivity level.
No cracks are permitted.
Do the test for cracks.
SUBTASK 75-24-49-230-104 Examine the Welded Areas for Cracks
Figure: Repair Details and Dimensions
Repair Details and Dimensions

Repair Details and Dimensions

