Export Control
EAR Export Classification: Not subject to the EAR per 15 C.F.R. Chapter 1, Part 734.3(b)(3), except for the following Service Bulletins which are currently published as EAR Export Classification 9E991: SBE70-0992, SBE72-0483, SBE72-0580, SBE72-0588, SBE72-0640, SBE73-0209, SBE80-0024 and SBE80-0025.Copyright
© IAE International Aero Engines AG (2001, 2014 - 2021) The information contained in this document is the property of © IAE International Aero Engines AG and may not be copied or used for any purpose other than that for which it is supplied without the express written authority of © IAE International Aero Engines AG. (This does not preclude use by engine and aircraft operators for normal instructional, maintenance or overhaul purposes.).Applicability
V2500-A1
Common Information
TASK 72-00-60-050-002-A00 External Gearbox Components - Remove The Fuel Metering Unit (FMU), Removal-006
General
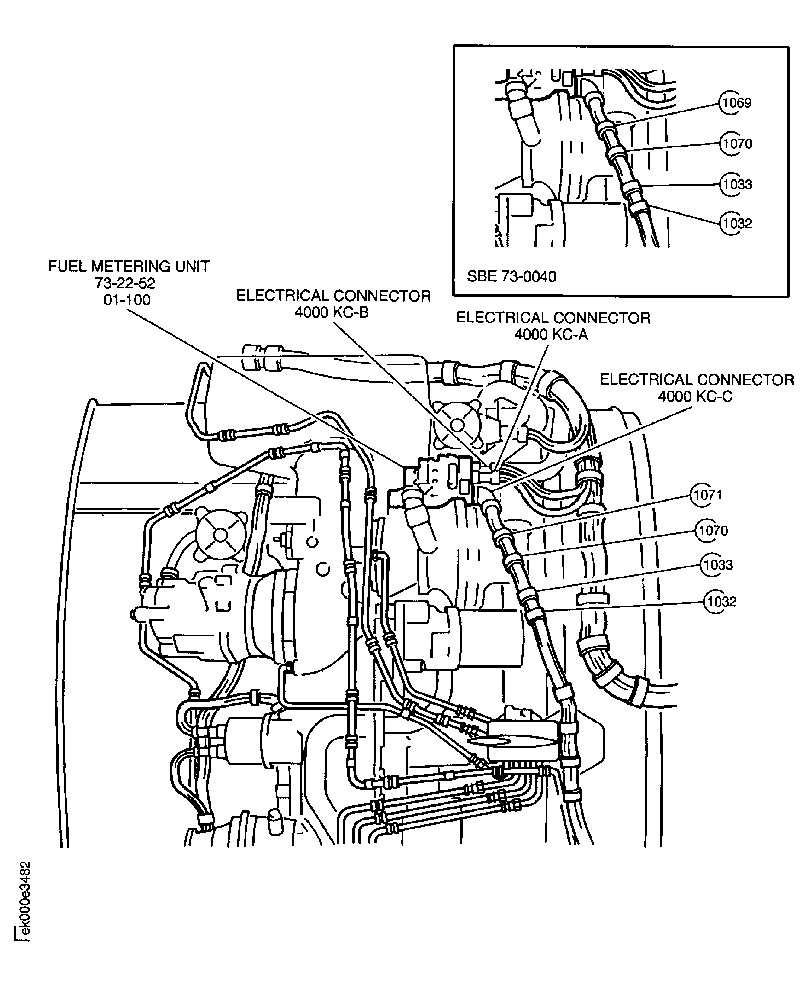
Fig/item numbers in parentheses in the procedure agree with those used in the IPC. Only the primary Fig/item numbers are used. For the service bulletin alpha variants refer to the IPC.
For all parts identified in a different Chapter/Section/Subject, the applicable Chapter/Section/Subject comes before the Fig/item number.
Apply the approved penetrating oil before the removal of threaded parts and parts with an interference fit. Let the parts soak before removal. For the approved oils and procedures, refer to the SPM TASK 70-64-00-640-501.
Remove and discard the lockwire before the tube or connector is disconnected.
When electrical connections are disconnected, special plastic caps must be installed.
Seal all openings to prevent contamination from unwanted materials.
Discard all rubber seal rings removed in this procedure.
NOTE
Preliminary Requirements
Pre-Conditions
NONESupport Equipment
NONEConsumables, Materials and Expendables
| Name | Manufacturer | Part Number / Identification | Quantity | Remark |
|---|---|---|---|---|
| CoMat 06-086 TIES | 18992 | CoMat 06-086 |
Spares
NONESafety Requirements
NONEProcedure
Pre SBE 73-0040: Remove the nuts, bolts, washers and clips from the clip positions 1032, 1033, 1070 and 1071.
SBE 73-0040: Remove the nuts, bolts, washers and clips from the clip positions 1032, 1033, 1070 and 1069.
Temporarily attach the EEC harness clear of the FMU with CoMat 06-086 TIES.
SUBTASK 72-00-60-050-052 Electrically Disconnect the FMU
SBE 73-0040: Remove the nuts, bolts, clipnuts, washers and spacers from the clip positions 1139, 1072, 0789, 0790, 0921, 0795 and 0922.
With an applicable container in position remove the tube closure nut from the tube 104 (see Figure) and drain the fuel. Install the tube closure nut.
Pre SBE 73-0040: Remove the two bolts that attach the tube 116 to the Fuel Diverter Valve. Remove the seal housing and the three sealing rings.
SBE 73-0040: Remove the three bolts that attach the tube 102 and the bracket to the fuel filter and remove the sealing ring.
Remove the tube 116.
SBE 73-0040: Remove the three bolts that attach the tube 102 and the bracket to the fuel filter and remove the sealing ring.
Remove the tube 102.
SUBTASK 72-00-60-050-053 Remove the LP Fuel Tubes (102 and 116)
Pre SBE 73-0040: Remove the nut, bolt and washers from clip position 1069.
SBE 73-0040: Remove the nut, the bolt, the washers and the spacer from clip position 1069.
SUBTASK 72-00-60-050-054 Remove the LP Fuel Tube (90) and the Fuel Pump Drain Tube (104)
Pre SBE 71-0109: Remove the bolts, nut, clipnut and washers from the clip position 1040.
SBE 71-0109: Refer to TASK 72-00-32-020-002-A00.
SUBTASK 72-00-60-050-055 Remove the HP Fuel Servo Tube (89)
Pre SBE 73-0040: Remove the nuts, bolts, clipnut and washers from the clip positions 0255, 0328 and 1038.
SBE 73-0040: Remove the nuts, bolts, clipnut and washers from the clip positions 0255 and 1038.
SUBTASK 72-00-60-050-056 Remove the Fuel Servo Return Tube (103)
NOTE
Some fuel drainage could occur during this procedure. It is recommended that an applicable container be available.Refer to Figure.
Remove the three bolts that attach the tube 109 to the Fuel Flow Transmitter. Remove the bracket ENGINE FUEL AND CONTROL-FUEL SYSTEM TUBES-ENGINE (73-11-49, 07-070), the tube 109 and the two packings.
Remove the tube 109.
SUBTASK 72-00-60-050-057 Remove the HP Fuel Supply Tube (109) and Disconnect the Fuel Drain Tube (225)

WARNING
BE CAREFUL DURING REMOVAL OF THE FMU BECAUSE IT WEIGHS 20LB (9KG).NOTE
Some fuel drainage could occur during this procedure. It is recommended that an applicable container be available.Refer to Figure.
SUBTASK 72-00-60-050-058 Remove the Fuel Metering Unit
Figure: Remove the fuel metering unit
Remove the fuel metering unit

Figure: Remove the fuel metering unit
Remove the fuel metering unit

Figure: Remove the fuel metering unit
Remove the fuel metering unit

Figure: Remove the fuel metering unit
Remove the fuel metering unit

Figure: Remove the fuel metering unit
Remove the fuel metering unit

Figure: Remove the fuel metering unit
Remove the fuel metering unit

Figure: SB 73-0040: Remove the fuel metering unit
SB 73-0040: Remove the fuel metering unit

Figure: Pre SBE 73-0040: Remove the fuel metering unit
Pre SBE 73-0040: Remove the fuel metering unit

Figure: SB 73-0040: Remove the fuel metering unit
SB 73-0040: Remove the fuel metering unit

Figure: Remove the fuel metering unit
Remove the fuel metering unit

Figure: Remove the fuel metering unit
Remove the fuel metering unit

Figure: Remove the fuel metering unit
Remove the fuel metering unit

Figure: Remove the fuel metering unit
Remove the fuel metering unit

Figure: Remove the fuel metering unit
Remove the fuel metering unit

Figure: Remove the fuel metering unit
Remove the fuel metering unit

Figure: Remove the fuel metering unit
Remove the fuel metering unit

Figure: Remove the fuel metering unit
Remove the fuel metering unit

