Export Control
EAR Export Classification: Not subject to the EAR per 15 C.F.R. Chapter 1, Part 734.3(b)(3), except for the following Service Bulletins which are currently published as EAR Export Classification 9E991: SBE70-0992, SBE72-0483, SBE72-0580, SBE72-0588, SBE72-0640, SBE73-0209, SBE80-0024 and SBE80-0025.Copyright
© IAE International Aero Engines AG (2001, 2014 - 2021) The information contained in this document is the property of © IAE International Aero Engines AG and may not be copied or used for any purpose other than that for which it is supplied without the express written authority of © IAE International Aero Engines AG. (This does not preclude use by engine and aircraft operators for normal instructional, maintenance or overhaul purposes.).Applicability
V2500-A5
Common Information
TASK 72-50-00-030-001-C00 LP Turbine (LPT) And Turbine Exhaust Case (TEC) Unit - Disassemble The TEC From The LPT Module, Disassembly-001
General
Refer to TASK 72-50-10-030-001 (DISASSEMBLY-001) before you do this TASK.
Fig/item numbers in parentheses in the procedure agree with those used in the IPC. Only the primary Fig/item numbers are used. For the service bulletin alpha variants refer to the IPC.
Apply the approved penetrating oil before the removal of threaded parts. Let the parts soak before removal. For the approved oils and procedures, refer to the SPM TASK 70-64-00-640-501.
Discard all rubber seal rings, cotter pins and keywashers removed in this procedure.
Refer to TASK 72-50-00-990-501 (DESCRIPTION AND OPERATION-001) for a sectional view of the LP turbine module.
NOTE
Preliminary Requirements
Pre-Conditions
NONESupport Equipment
| Name | Manufacturer | Part Number / Identification | Quantity | Remark |
|---|---|---|---|---|
| IAE 1F10016 Mechanical wrench | 0AM53 | IAE 1F10016 | 1 | |
| IAE 1F10026 Hydraulic hand pump | 0AM53 | IAE 1F10026 | 1 | |
| IAE 1F10035 Hydraulic Removal puller | 0AM53 | IAE 1F10035 | 1 | |
| IAE 1F10038 Torque wrench | 0AM53 | IAE 1F10038 | 1 | |
| IAE 1F10039 Anti-torque adapter | 0AM53 | IAE 1F10039 | 1 | |
| IAE 1F10040 Anchor wrench plate | 0AM53 | IAE 1F10040 | 1 | |
| IAE 1F10073 remove/installation fixture | 0AM53 | IAE 1F10073 | 1 | |
| IAE 1F10178 Storage and Turnover adapter | 0AM53 | IAE 1F10178 | 1 | |
| IAE 1P16374 Wrench support | 0AM53 | IAE 1P16374 | 1 | |
| IAE 1P16377 Guide support | 0AM53 | IAE 1P16377 | 1 | |
| IAE 1P16624 Slide Puller | 0AM53 | IAE 1P16624 |
Consumables, Materials and Expendables
NONESpares
NONESafety Requirements
NONEProcedure
Attach the IAE 1P16374 Wrench support 1 off to the inner rear flange of the turbine exhaust case.
Install the IAE 1F10038 Torque wrench 1 off through the wrench support. Engage the torque wrench with the rear lock nut of the LP turbine shaft.
Install the IAE 1F10039 Anti-torque adapter 1 off through the torque wrench. Lock the anti-torque adapter to the LP turbine shaft.
Install the IAE 1F10016 Mechanical wrench 1 off to the torque wrench. Safety the anti-torque adapter to the mechanical wrench with the IAE 1F10040 Anchor wrench plate 1 off.
SUBTASK 72-50-00-030-083 Remove the Rear Lock Nut
Refer to Figure
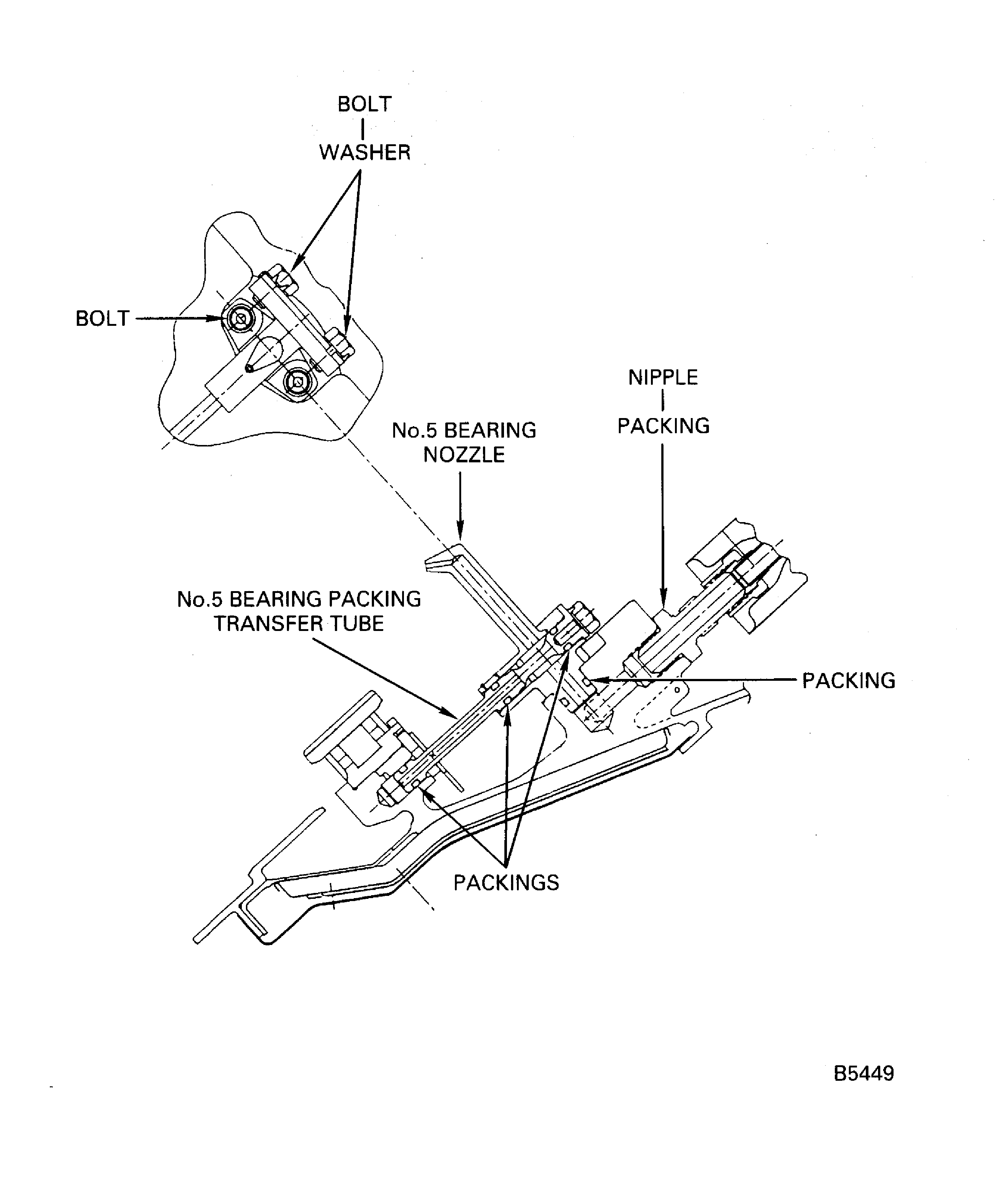
SUBTASK 72-50-00-030-084 Disconnect the No. 5 Bearing Pressure Tube Assembly
Refer to Figure
Install the IAE 1P16624 Slide Puller 1 off into No. 5 Bearing Packing Transfer Tube.
Move the knocker puller rearwards quickly and hit the handle to remove the No. 5 Bearing Packing Transfer Tube from the No. 5 Bearing Nozzle.
SUBTASK 72-50-00-030-085 Remove the No. 5 Bearing Nozzle
Refer to Figure
Install the IAE 1P16377 Guide support 1 off through the inner diameter of the LP turbine shaft. Use a applicable webbing sling.
SUBTASK 72-50-00-030-086 Install the Guide Support to the LP Turbine Shaft
Refer to Figure
Attach a hoist equipment to the upper supports of the IAE 1F10073 remove/installation fixture 1 off.
SUBTASK 72-50-00-030-087 Install the Removal/Installation Fixture to the Turbine Exhaust Case

CAUTION
HOLD THE BOLTS IN THEIR POSITION WHEN YOU LOOSEN AND REMOVE THE NUTS FROM THE BOLTS. DO NOT TURN THE BOLTS OR MAKE TO-AND-FRO MOVEMENTS. THE LP TURBINE CASE/TURBINE EXHAUST CASE FLANGE AND/OR THE BOLTS CAN BE DAMAGED.Remove the 114 bolts, washers, nuts and the 16 brackets from the turbine exhaust case and from the LP turbine case.
Turn the jack-screw (part of IAE 1F10073 remove/installation fixture) clockwise to release the turbine exhaust case from the LP turbine case.
Remove the turbine exhaust case from the guide support and install it to the IAE 1F10178 Storage and Turnover adapter 1 off.
SUBTASK 72-50-00-030-088 Remove the Turbine Exhaust Case from the LP Turbine case
Refer to Figure
Make sure that the rear lock nut is removed. Install the IAE 1F10035 Hydraulic Removal puller 1 off to the rear face of the LP turbine shaft. Engage the jaws of the puller with the grooves of the rear No. 5 bearing seal spacer.
Connect the IAE 1F10026 Hydraulic hand pump 1 off to the puller.
SUBTASK 72-50-00-030-089-A00 Remove the No. 5 Bearing and the No. 5 Bearing Seal Spacers (Pre SBE 72-0165)
Refer to Figure
SBE 72-0165: Replace the No. 5 bearing seal spacer with a spacer incorporating fool-proof installation features
Make sure that the rear lock nut is removed. Install the IAE 1F10035 Hydraulic Removal puller 1 off to the rear face of the LP turbine shaft. Engage the jaws of the puller with the grooves of the rear No. 5 bearing seal spacer.
Connect the IAE 1F10026 Hydraulic hand pump 1 off to the puller.
SUBTASK 72-50-00-030-089-B00 Remove the No. 5 Bearing and the No. 5 Bearing Seal Spacers (SBE 72-0165)
Figure: Remove the Turbine Shaft Rear Lock Nut
Remove the Turbine Shaft Rear Lock Nut

Figure: Pre SBE 72-0165: Remove the No. 5 Bearing Inner Race and the No. 5 Bearing Seal Spacers
Sheet 1

Figure: SBE 72-0165: Remove the No. 5 Bearing Inner Race and the No. 5 Bearing Seal Spacers
Sheet 2

Figure: Pressure Tube of No. 5 Bearing
Pressure Tube of No. 5 Bearing

Figure: Remove the No. 5 Bearing Nozzle
Remove the No. 5 Bearing Nozzle

Figure: Install the Guide Support
Install the Guide Support

