Export Control
EAR Export Classification: Not subject to the EAR per 15 C.F.R. Chapter 1, Part 734.3(b)(3), except for the following Service Bulletins which are currently published as EAR Export Classification 9E991: SBE70-0992, SBE72-0483, SBE72-0580, SBE72-0588, SBE72-0640, SBE73-0209, SBE80-0024 and SBE80-0025.Copyright
© IAE International Aero Engines AG (2001, 2014 - 2021) The information contained in this document is the property of © IAE International Aero Engines AG and may not be copied or used for any purpose other than that for which it is supplied without the express written authority of © IAE International Aero Engines AG. (This does not preclude use by engine and aircraft operators for normal instructional, maintenance or overhaul purposes.).Applicability
All
Common Information
TASK 29-11-49-200-103 Engine Hydraulic Case Drain Tube - Examine, Inspection-003
General
This TASK gives the procedure for the inspection of the hydraulic suction tube.
Fig/item numbers in parentheses in the procedure agree with those used in the IPC. The TASK numbers of the practices and processes referred to in the procedure are in the SPM.
The policy which is necessary for inspection in given in the SPM TASK 70-20-01-200-501.
All parts must be cleaned before they are examined, refer to Cleaning-000 TASK 29-11-49-100-100.
All parts must be visually examined for damage, corrosion and wear. Defects that are not identified in the procedure must be referred to IAE.
The procedure for those parts which must have a crack test is given in Step Do the test before the part is visually examined. The limits for cracks are given in the SUBTASK for each part.
Do not discard any part until you are sure there are no repairs available. Refer to the instructions in Repair before a discarded part is used again or oversize parts are installed.
Parts which should be discarded can be held although no repair is available. The repair of a discarded part could be shown to be necessary at a later date.
Reference
Refer to the SPM for data on these items.
Definitions of Damage, TASK 70-02-02-350-501.
Record and Control of the Lives of Parts, TASK 70-05-00-220-501.
Chemical Processes, TASK 70-11-00-110-501.
Inspection of Parts, TASK 70-20-00-200-501
Methods of Testing for Crack Indications, TASK 70-23-00-230-501.
Preliminary Requirements
Pre-Conditions
NONESupport Equipment
NONEConsumables, Materials and Expendables
NONESpares
NONESafety Requirements
NONEProcedure
Reject
Cracked
Reject
Defective weld
Fluorescent penetrant examine for cracks. Refer to SPM TASK 70-23-01-230-501.
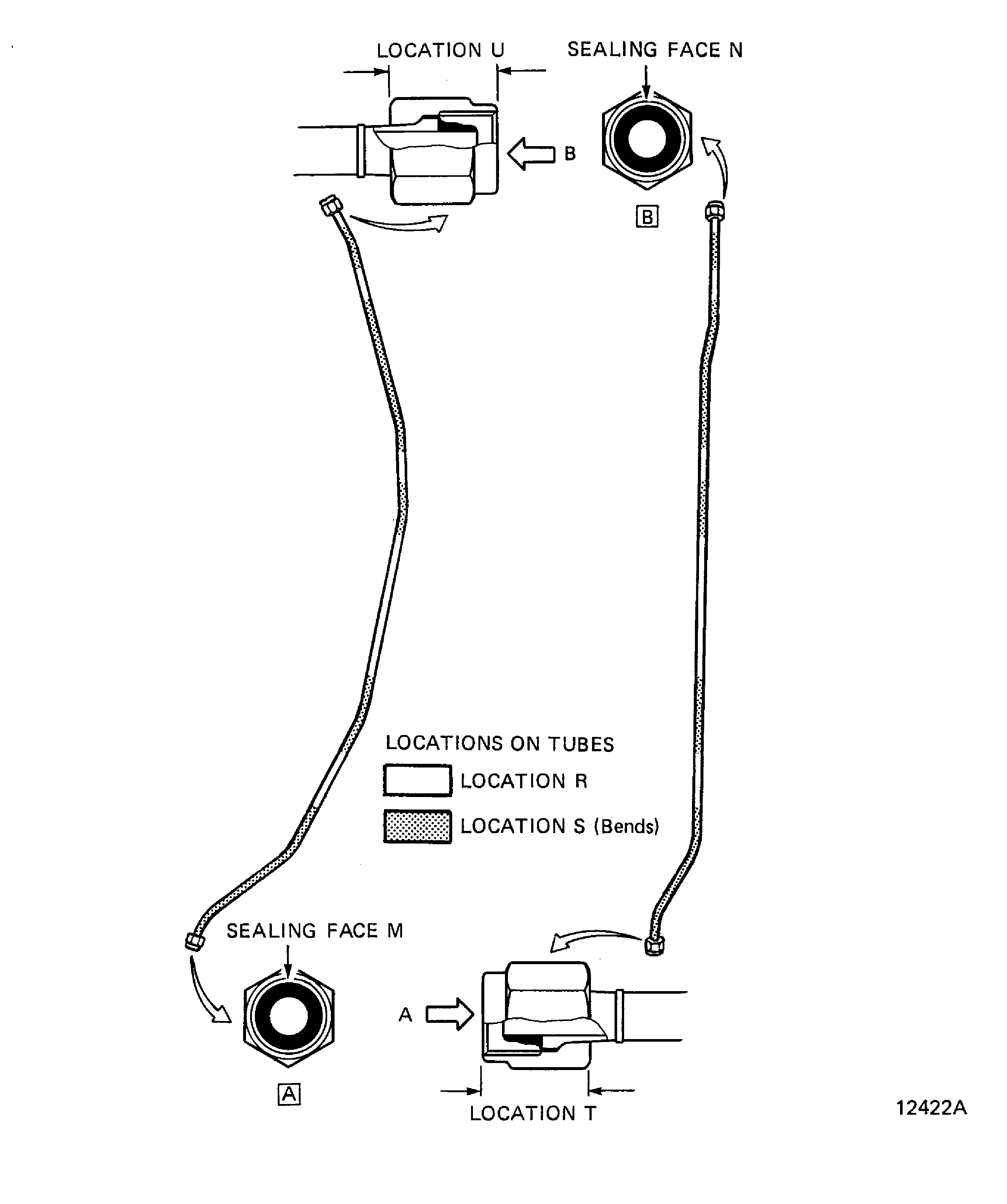
SUBTASK 29-11-49-230-053 Examine the Case Drain Tube (04-100) and all Welds for Cracks
Refer to Figure.
Repair, VRS2929 (Repair-004)TASK 29-11-49-300-004.
More than in Step
Nicked
Repair, VRS2929 (Repair-004) TASK 29-11-49-300-004.
Burred
Repair, VRS2929 (Repair-004)TASK 29-11-49-300-004.
Damage to the lock-wire holes.
Repair, VRS2929 (Repair-004)TASK 29-11-49-300-004.
Damage to the threads.
Damaged
SUBTASK 29-11-49-220-058 Examine the Case Drain-Tube (04-100) Nuts at Locations T and U
Figure: Locations on the Case Drain Tube (04-100)
Locations on the Case Drain Tube (04-100)

