Export Control
EAR Export Classification: Not subject to the EAR per 15 C.F.R. Chapter 1, Part 734.3(b)(3), except for the following Service Bulletins which are currently published as EAR Export Classification 9E991: SBE70-0992, SBE72-0483, SBE72-0580, SBE72-0588, SBE72-0640, SBE73-0209, SBE80-0024 and SBE80-0025.Copyright
© IAE International Aero Engines AG (2001, 2014 - 2021) The information contained in this document is the property of © IAE International Aero Engines AG and may not be copied or used for any purpose other than that for which it is supplied without the express written authority of © IAE International Aero Engines AG. (This does not preclude use by engine and aircraft operators for normal instructional, maintenance or overhaul purposes.).Applicability
All
Common Information
TASK 72-32-25-200-002-A00 No. 3 Bearing Seal Ring Holder - Examine, Inspection-002
General
This TASK gives the procedure for the inspection of the No. 3 bearing seal ring holder.
Fig/item numbers in parentheses in the procedure agree with those used in the IPC.
The policy that is necessary for inspection is given in the SPM TASK 70-20-00-200-501.
All the parts must be cleaned before any part is examined. Refer to TASK 72-32-25-100-000 (CLEANING-000).
All parts must be visually examined for damage, corrosion and wear. Any defects that are not identified in the procedure must be referred to IAE.
The procedure for those parts which must have a crack test is given in SUBTASK 72-32-25-230-051. Do the test before the part is visually examined.
A ** following repair referenced in this inspection indicates that the repair is not yet published in the current revision of the manual and the part must be rejected. Contact IAE for additional information concerning FAA approved repair date.
Do not discard any part until you are sure there are no repairs available. Refer to the instructions in Repair before a discarded part is used again or oversize parts are installed.
Parts which should be discarded can be held although no repair is available. The repair of a discarded part could be shown to be necessary at a later date.
All parts must be examined to make sure that all the repairs have been completed satisfactorily.
The practices and processes referred to in the procedure by the TASK numbers are in the SPM.
References
Refer to the SPM for data on theses items.
Definitions of Damage, TASK 70-02-02-350-501
Inspection of Parts, TASK 70-20-00-200-501
Preliminary Requirements
Pre-Conditions
NONESupport Equipment
NONEConsumables, Materials and Expendables
NONESpares
NONESafety Requirements
NONEProcedure
Clean the Part. Refer to the TASK 72-32-25-100-000.
SUBTASK 72-32-25-230-051-001 Examine the No. 3 Bearing Seal Ring Holder (02-230) for Cracks
Clean the Part. Refer to the TASK 72-32-25-100-000.
SUBTASK 72-32-25-230-051-002 Examine the No. 3 Bearing Seal Ring Holder (02-230) for Cracks
Refer to Figure.
Repair, VRS3389 TASK 72-32-25-300-002 (REPAIR-002)
Other than Step
Wear.
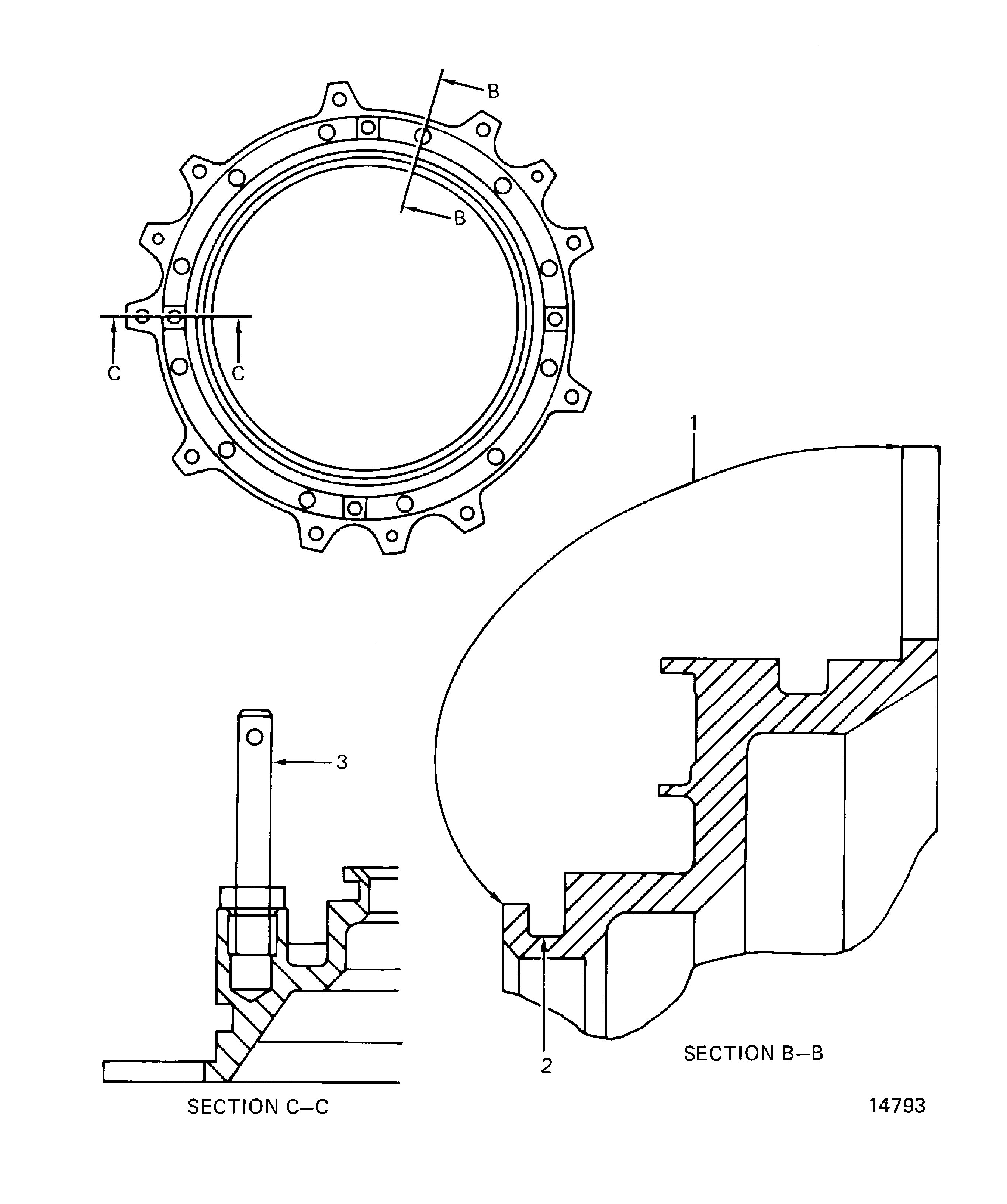
Examine the seal ring holder at location 2, for wear on the sides of the groove.
SUBTASK 72-32-25-220-057 Examine the No. 3 Bearing Seal Ring Holder (02-230) for Wear on the Sides of the Groove
Refer to Figure.
Repair, VRS3390 TASK 72-32-25-300-003 (REPAIR-003)
Worn or loose pins
Examine the seal ring holder at location 3, for worn or loose pins (four locations).
SUBTASK 72-32-25-220-058 Examine the No. 3 Bearing Seal Ring Holder (02-230) for Worn or Loose No. 3 Bearing Seal Pins (02-200)
Refer to Figure.
Repair, VRS3392 TASK 72-32-25-300-005 (REPAIR-005)
Other than Step
Outside diameter.
Examine the seal ring holder at location 2, for the outside diameter (Reference No. 2408).
SUBTASK 72-32-25-220-060 Examine the No. 3 Bearing Seal Ring Holder (02-230) for the Outside Diameter
Refer to Figure.
Repair, VRS3389 TASK 72-32-25-300-002 (REPAIR-002)
Other than Step
Width.
Examine the seal ring holder at location 3, for the width of the groove.
SUBTASK 72-32-25-220-061 Examine the No. 3 Bearing Seal Ring Holder (02-230) for the Width of the Seal Ring Groove
Refer to Figure.
Repair, VRS3389 TASK 72-32-25-300-002 (REPAIR-002)
Other than Step
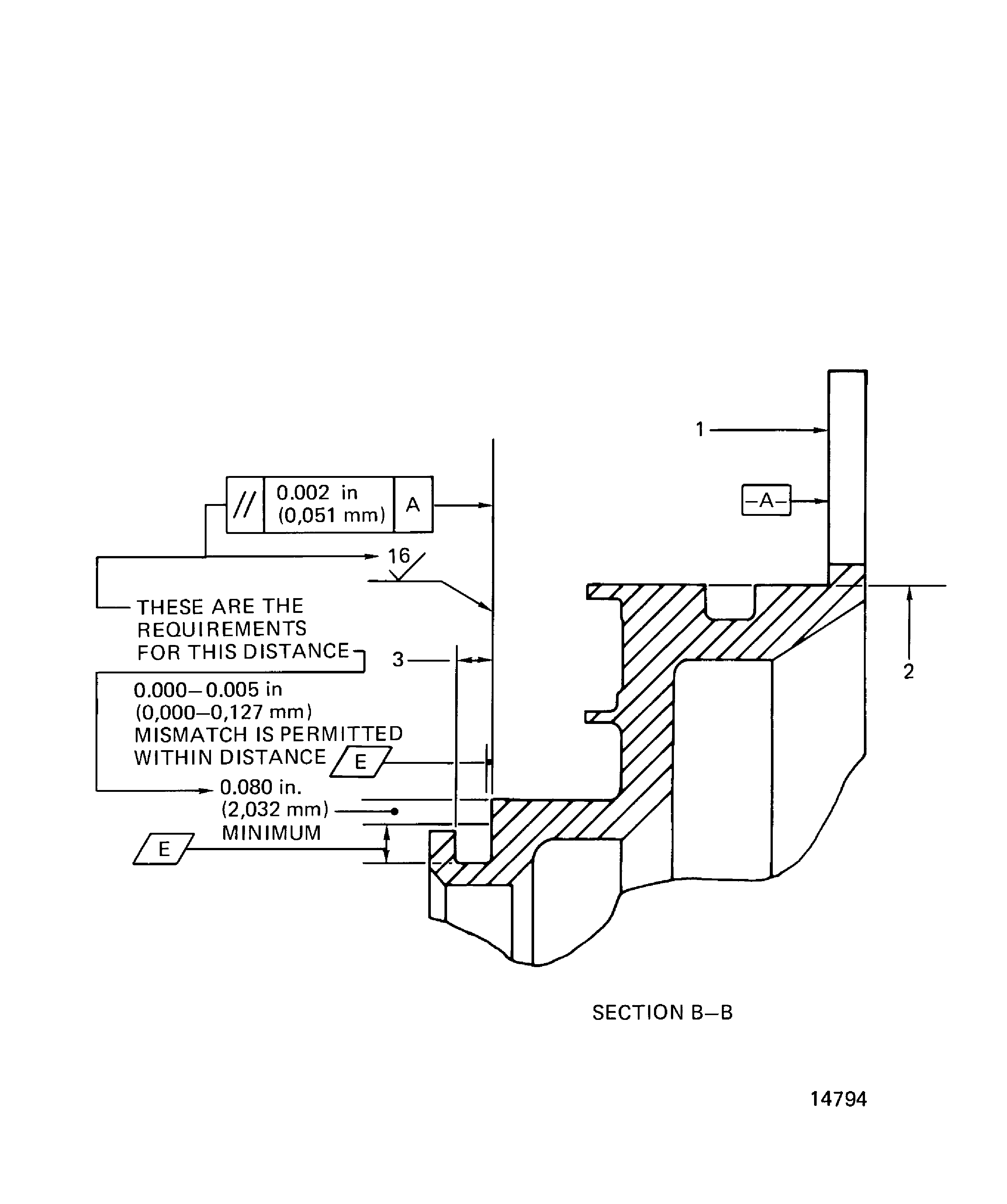
Surface finish of the groove at the 0.080 in. (2.032 mm) dimension.
Examine the seal ring holder for the surface finish of the seal ring groove rear face. Refer to the SPM TASK 70-35-09-350-501.
Repair, VRS3389 TASK 72-32-25-300-002 (REPAIR-002)
Other than Step
Parallelism of the groove at the 0.080 in. (2.032 mm) dimension.
Examine the seal ring holder for the parallelism of the seal ring groove rear face.
SUBTASK 72-32-25-220-062 Examine the No. 3 Bearing Seal Ring Holder (02-230) for the Surface Finish and the Parallelism of the Seal Ring Groove Rear Face
Figure: No. 3 Bearing seal ring holder inspection locations
No. 3 Bearing seal ring holder inspection locations

Figure: No. 3 Bearing seal ring holder inspection locations
No. 3 Bearing seal ring holder inspection locations

