Export Control
EAR Export Classification: Not subject to the EAR per 15 C.F.R. Chapter 1, Part 734.3(b)(3), except for the following Service Bulletins which are currently published as EAR Export Classification 9E991: SBE70-0992, SBE72-0483, SBE72-0580, SBE72-0588, SBE72-0640, SBE73-0209, SBE80-0024 and SBE80-0025.Copyright
© IAE International Aero Engines AG (2001, 2014 - 2021) The information contained in this document is the property of © IAE International Aero Engines AG and may not be copied or used for any purpose other than that for which it is supplied without the express written authority of © IAE International Aero Engines AG. (This does not preclude use by engine and aircraft operators for normal instructional, maintenance or overhaul purposes.).Applicability
All
Common Information
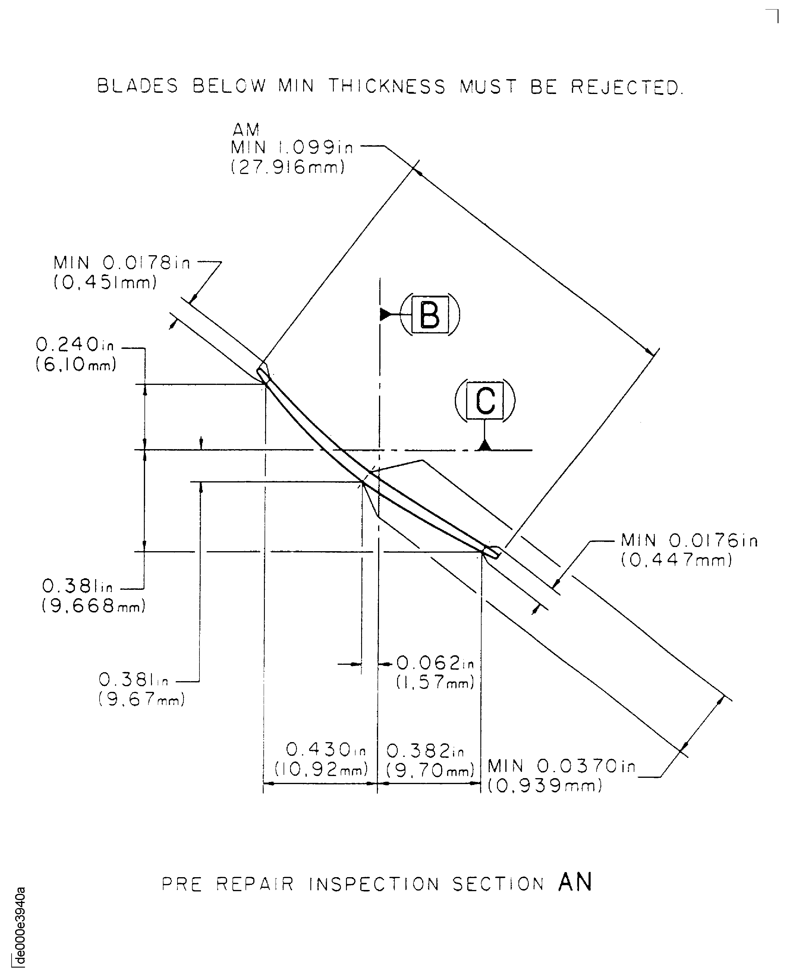
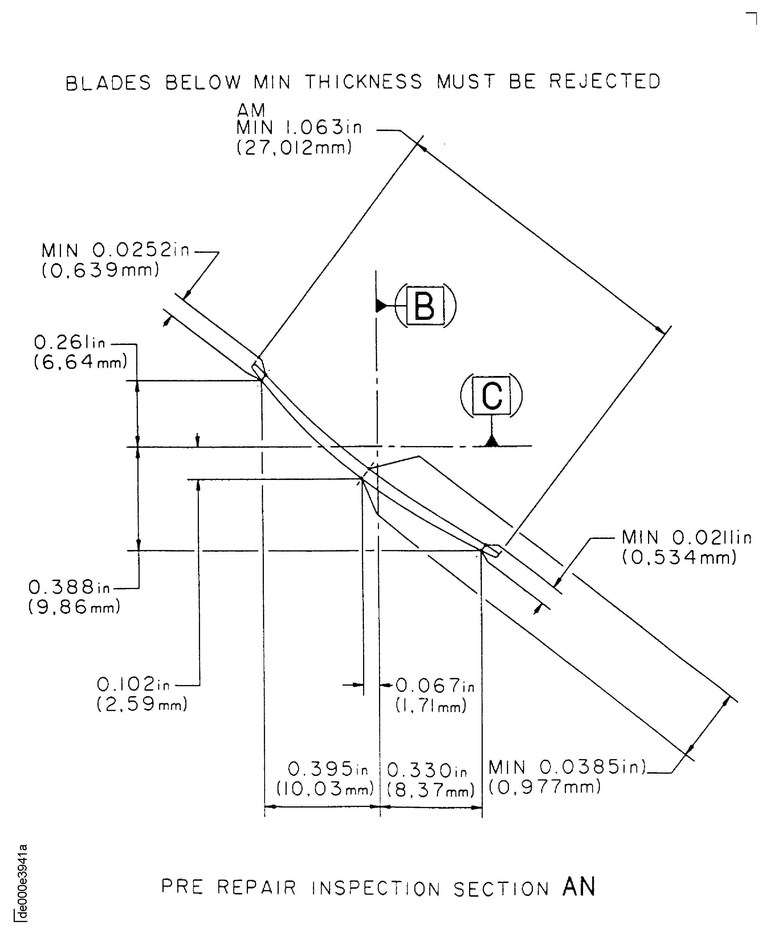
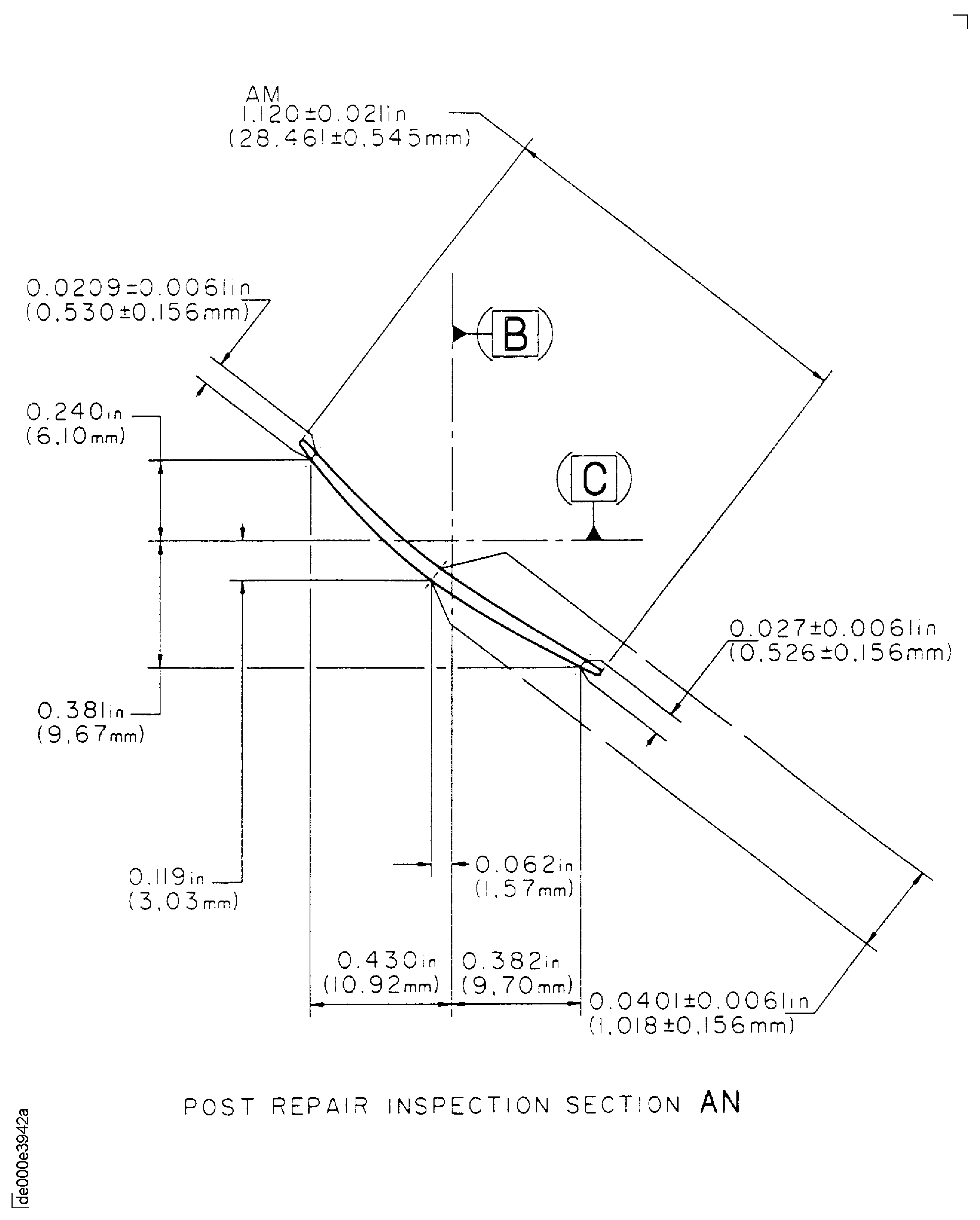
TASK 72-41-15-300-014 HPC Stage 6 Rotor Blade - Weld Repair The Airfoil, Repair-014 (VRS6052)
Effectivity
FIG/ITEM | PART NO. | ASSEMBLY |
|---|---|---|
02-170 | 6A3338 | A |
02-170 | 6A5586 | A |
02-170 | 6A7406 | B |
02-170 | 6A8322 | C |
02-170 | 6A8463 | A |
02-185 | 6A3339 | A |
02-185 | 6A5587 | A |
02-185 | 6A7407 | B |
02-185 | 6A8323 | C |
02-185 | 6A8464 | A |
02-200 | 6A3340C01 | A |
02-200 | 6A5583C01 | A |
02-200 | 6A7405C01 | B |
02-200 | 6A8320 | C |
02-200 | 6A8461 | A |
02-215 | 6A3340C01 | A |
02-215 | 6A5583C01 | A |
02-215 | 6A7405C01 | B |
02-215 | 6A8320 | C |
02-215 | 6A8461 | A |
02-217 | 6A3340C02 | A |
02-217 | 6A5583C02 | A |
02-217 | 6A7405C02 | B |
02-217 | 6A7510C02 | B |
02-217 | 6A8321 | C |
02-217 | 6A8462 | A |
General
This repair must only be done when the instruction to do so is given in 72-41-15 Inspection.
This TASK gives the procedure to repair the HP compressor rotor blade, stage 6 tip length by welding.
The practices and processes referred to in the procedure by the TASK/SUBTASK numbers are in the SPM.
To keep the HP Compressor efficiency, rotor blades are repaired as near to the new blade condition as possible.
Rotor Blades must be repaired as soon as damage or wear is monitored, to get back HP Compressor efficiency and extend the rotor blade life.
This is a Source Demonstration Repair which can only be done by Authorized Repair Vendors.
This repair cannot be done if:
The minimum airfoil dimensions are as given in 72-41-15 Inspection cannot be achieved.
The airfoil surface has been repaired three times, refer to VRS6150, TASK 72-41-15-300-040 (REPAIR-040).
Discard the blades if, during the weld procedure, arcing has occurred on any part of the blades.
TASKS identified by SPM TASK are in the Standard Practices and Processes manual (SPM).
Price and Availability
Refer to International Aero Engines
Related Repairs
HP Compressor - Stages 3 to 12 - Rotor Blades - Restore airfoil surface condition. Refer to (VRS6150) TASK 72-41-15-300-040 (REPAIR-040).
HP Compressor Rotor Blades - Stage 3 to 6 - Shot Peen Root of Blade to Restore Fatigue Strength, refer to (VRS6151) TASK 72-41-15-300-041 (REPAIR-041).
NOTE
NOTE
It is possible that some materials in the consumable materials chart cannot be used for some or all of the necessary applications. Before you use the materials, make sure the types, quantities and applications of the materials necessary are legally permitted in your location. All persons must obey all applicable federal, state, local and provincial laws and regulations when it is necessary to work with these materials.
To identify the consumable materials, refer to the Overhaul Processes and Consumables Index (PCI).
Other necessary consumable materials are referred to in the SPM TASKS.
Preliminary Requirements
Pre-Conditions
NONESupport Equipment
| Name | Manufacturer | Part Number / Identification | Quantity | Remark |
|---|---|---|---|---|
| Chemical cleaning equipment | LOCAL | Chemical cleaning equipment | ||
| Penetrant Crack Test Equipment | LOCAL | Penetrant crack test equipment | ||
| Welding equipment | LOCAL | Welding equipment | Argonarc | |
| Heat treatment equipment | LOCAL | Heat treatment equipment | ||
| Hardness tester | LOCAL | Hardness tester | ||
| Grinding machine | LOCAL | Grinding machine | ||
| Standard workshop equipment | LOCAL | Standard workshop equipment | ||
| Radiographic equipment | LOCAL | Radiographic equipment | ||
| Vibrating marking pencil | LOCAL | Vibrating marking pencil | ||
| Vapor blast equipment | LOCAL | Vapor blast equipment | ||
| Workshop inspection equipment | LOCAL | Workshop inspection equipment |
Consumables, Materials and Expendables
| Name | Manufacturer | Part Number / Identification | Quantity | Remark |
|---|---|---|---|---|
| CoMat 02-001 ADHESIVE TAPE (MASKING) | LOCAL | CoMat 02-001 | ||
| CoMat 03-195 WELDING WIRE TITANIUM | LOCAL | CoMat 03-195 | ||
| CoMat 03-285 TITANIUM WELD WIRE | IE306 | CoMat 03-285 | ||
| CoMat 03-348 WELDING WIRE | LOCAL | CoMat 03-348 | ||
| CoMat 05-002 ABRASIVE MEDIUM, ALUMINUM OXIDE | LOCAL | CoMat 05-002 | ||
| CoMat 05-003 ABRASIVE MEDIUM ALUMINUM OXIDE, 120/220 GRADE | LOCAL | CoMat 05-003 | ||
| CoMat 06-022 FLUORESCENT PENETRANT (POST-EMULSIFIED ULTRA HIGH SENSITIVITY) | LOCAL | CoMat 06-022 |
Spares
NONESafety Requirements
NONEProcedure
Authorized Repair Vendors for Repair VRS6052 of Assembly A, Assembly B and Assembly C parts are listed below:
Airfoil Services Sdn Bhd
No. 12 Jalan Teknologi
Taman Sains Selangor 1
Kota Damansara PJU5
47810 Petailing Jaya
Selangor Darul Ehsan
MALAYSIA
Turbine Overhaul Services Pte, Ltd. (TOS)
5 Tuas Drive Two - Mail Stop 107-58
Singapore 638639
Tel: 65-6860-2260
Fax: 65-6862-1068
The designation by IAE of an Authorized Repair Vendor indicates that the Repair Vendor has demonstrated the necessary capability to enable it to carry out the listed repair work. However, IAE makes no warranties or representations concerning the qualifications or quality standards of the Repair Vendors to carry out the repair work, and accepts no responsibility whatsoever for any work that may be carried out by a Repair Vendor other than when IAE is listed as the Repair Vendor. Authorized Repair Vendors do not act as agents or representatives of IAE.
Authorized Repair Vendors for Repair VRS6052 of Assembly A and Assembly B parts are listed below:
Chromalloy Dallas
14042 Distribution Way
Dallas, TX 75234
U.S.A.
Rolls Royce
Aero-Engine Services Ltd
Component Refurbishment
Mavor Avenue
Nerston
EAST KILBRIDE
Glasgow
G74 4PY
SCOTLAND
IHI Corporation
229 Tonogaya, Mizuho-Machi
Nishitama-gun
Tokyo 190-1297
JAPAN
Turbine Overhaul Services Pte, Ltd. (TOS)
5 Tuas Drive Two - Mail Stop 107-58
Singapore 638639
Tel: 65-6860-2260
Fax: 65-6862-1068
Rolls-Royce Inchinnan
Inchinnan Drive
Inchinnan Business Park
Inchinnan, PA4 9AF
Scotland
The Source Demonstration requirements of this repair means that any facility not authorized to accomplish this repair either, utilize the Authorized Repair Vendors listed below or contact the IAE Repair Services Group to determine if a qualification program can be initiated at their facility.
IAE International Aero Engines AG
400 Main Street
M/S 121-10
East Hartford CT 06118
U.S.A.
Attn: Manager Technical Services
Repair Facilities
Refer to TASK 72-41-15-100-000 (CLEANING-000).
Use chemical cleaning equipment.
Chemically clean the blades.
SUBTASK 72-41-15-110-098 Clean the Stage 6 Rotor Blades
SUBTASK 72-41-15-220-216 Examine the Stage 6 Rotor Blades
Refer to SPM TASK 70-12-01-120-501.
Use CoMat 05-003 ABRASIVE MEDIUM ALUMINUM OXIDE, 120/220 GRADE with abrasive blast equipment.
Vapor blast areas of the blade to be welded.
SUBTASK 72-41-15-120-059 Vapor Blast the Stage 6 Rotor Blades
Refer to the SPM TASK 70-11-03-300-503.
Use chemical cleaning equipment.
Chemically clean the blades.
SUBTASK 72-41-15-110-099 Clean the Stage 6 Rotor Blades
Refer to the SPM TASK 70-31-02-310-501-001.
Use CoMat 03-195 WELDING WIRE TITANIUM with argonarc welding equipment.
NOTE
Weld Data.Refer to Authorized Repair Vendors in 4. Repair Facilities, Para B. and Para C. for weld parameters.Build up the blade tip with weld to restore the length.
SUBTASK 72-41-15-310-054-A00 Weld the Stage 6 Rotor Blade Tips, Assembly A
Refer to the SPM TASK 70-31-02-310-501-001.
Use CoMat 03-285 TITANIUM WELD WIRE with argonarc welding equipment.
NOTE
Weld Data.Refer to Authorized Repair Vendors in 4. Repair Facilities, Para B. and Para C. for weld parameters.Build up the blade tip with weld to restore the length.
SUBTASK 72-41-15-310-054-B00 Weld the Stage 6 Rotor Blade Tips, Assembly B
Refer to the SPM TASK 70-31-02-310-501-001.
Use CoMat 03-348 WELDING WIRE with argonarc welding equipment.
NOTE
Weld Data.Refer to Authorized Repair Vendors in 4. Repair Facilities, Para B. and Para C. for weld parameters.Build up the blade tip with weld to restore the length.
SUBTASK 72-41-15-310-054-C00 Weld the Stage 6 Rotor Blade Tips, Assembly C
Refer to the SPM TASK 70-31-02-310-501-001.
Use heat treatment equipment.
NOTE
Heat-Treat Data.Heat to a temperature of 1283 to 1301 deg F (695 to 705 deg C) and hold for 2 hours.Cool down to room temperature in air argon atmosphere.Heat-treat the blade in a vacuum or a controlled atmosphere.
SUBTASK 72-41-15-370-054-A00 Heat-Treat the Stage 6 Rotor Blades, Assembly A
Refer to the SPM TASK 70-31-02-310-501-001.
Use heat treatment equipment.
NOTE
Heat-Treat Data.Heat to a temperature of 1157 deg F (625 deg C) and hold for 2 hours in a vacuum or argon atmosphere.Cool down to room temperature in argon atmosphere.Heat-treat the blade in a vacuum or a controlled atmosphere.
SUBTASK 72-41-15-370-054-B00 Heat-Treat the Stage 6 Rotor Blades, Assembly B
Refer to the SPM TASK 70-31-02-310-501-001.
Use heat treatment equipment.
NOTE
Heat-Treat Data.Heat to a temperature of 1103 deg F (595 deg C) and hold for 4 hours in a vacuum or argon atmosphere.Cool down to room temperature in air.Heat-treat the blade in a vacuum or a controlled atmosphere.
SUBTASK 72-41-15-370-054-C00 Heat-Treat the Stage 6 Rotor Blades, Assembly C
The hardness variation must be in less than 30 HV across the weld material, heat affected zone and parent material.
This is a guide for quality control and is not an absolute limit.
Use a hardness tester.
NOTE
If the sample blade is outside the hardness variation limits, additional blades must be sampled, if more than 10 percent have a variation in hardness more than 30 HV, then the cause must be investigated.Do a hardness check on a longitudinal cross section of a sample blade.
SUBTASK 72-41-15-220-217-A00 Do a Hardness Check, Assembly A and Assembly B
The hardness variation across the weld material, heat affected zone and parent material must be in the approved range. Refer to approved vendor test sample record.
This is a guide for quality control purposes and is not an absolute limit.
Use a hardness tester.
NOTE
If the sample blade is outside of the hardness variation limits, additional blades must be sampled. If more than 10 percent have a variation in hardness more than the approved data card, then the cause must be investigated.Do a hardness check on a longitudinal cross section of a sample blade.
SUBTASK 72-41-15-220-217-B00 Do a Hardness Check, Assembly C

CAUTION
TITANIUM COMPONENTS - YOU MUST USE SILICON CARBIDE TYPE ABRASIVE WHEELS, STONES AND PAPERS TO DRESS, BLEND AND POLISH THIS COMPONENT.
CAUTION
TITANIUM COMPONENTS - MAXIMUM SPEED FOR MECHANICAL TOOLS MUST NOT BE MORE THAN 1000 REVOLUTIONS PER MINUTE.
CAUTION
TITANIUM COMPONENTS - YOU MUST MAKE SURE THAT WHEN YOU REMOVE MATERIAL, BLEND AND POLISH, TO MAKE SMOOTH THAT NO SPARKS ARE PRODUCED.
CAUTION
TITANIUM COMPONENTS - IF THE MATERIAL SHOWS A CHANGE IN COLOR, TO A DARKER THAN A LIGHT STRAW COLOR, THE COMPONENT IS TO BE REJECTED.
CAUTION
TITANIUM COMPONENTS - GRIT BLASTING IS A PROCESS OF EROSION THAT CAN DAMAGE ENGINE PARTS. YOU MUST TAKE CARE NOT TO CAUSE DAMAGE TO THE ENGINE PARTS.
SUBTASK 72-41-15-350-104 Put the Shape Back on the Stage 6 Rotor Blade Contour and Height
If scratches or scores are shown on the airfoil surface, do Step
Visually examine the airfoil surface and the blade contour.
Compare before and after repair dimensions, refer to Step
Weld material must be in the given limits.
Dimensionally examine the blade height.
SUBTASK 72-41-15-220-218 Examine the Stage 6 Rotor Blades

CAUTION
TITANIUM COMPONENTS - YOU MUST USE SILICON CARBIDE TYPE ABRASIVE WHEELS, STONES AND PAPERS TO DRESS, BLEND AND POLISH THIS COMPONENT.
CAUTION
TITANIUM COMPONENTS - MAXIMUM SPEED FOR MECHANICAL TOOLS MUST NOT BE MORE THAN 1000 REVOLUTIONS PER MINUTE.
CAUTION
TITANIUM COMPONENTS - YOU MUST MAKE SURE THAT WHEN YOU REMOVE MATERIAL, BLEND AND POLISH, TO MAKE SMOOTH THAT NO SPARKS ARE PRODUCED.
CAUTION
TITANIUM COMPONENTS - IF THE MATERIAL SHOWS A CHANGE IN COLOR, TO A DARKER THAN A LIGHT STRAW COLOR, THE COMPONENT IS TO BE REJECTED.
CAUTION
TITANIUM COMPONENTS - GRIT BLASTING IS A PROCESS OF EROSION THAT CAN DAMAGE ENGINE PARTS. YOU MUST TAKE CARE NOT TO CAUSE DAMAGE TO THE ENGINE PARTS.
SUBTASK 72-41-15-350-105 Polish the Stage 6 Rotor Blade Airfoil Surface and Contour
Refer to the SPM TASK 70-11-08-300-503, SUBTASK 70-11-08-300-001.
Use chemical cleaning equipment.
Chemically clean.
Refer to the SPM TASK 70-11-08-300-503, SUBTASK 70-11-08-300-002.
Use chemical cleaning equipment.
Swab etch the repaired area.
SUBTASK 72-41-15-110-138 Do a Swab Etch
Refer to the SPM TASK 70-23-04-230-501.
Use penetrant crack test equipment.
Discard any cracked blades.
Do a penetrant crack test.
SUBTASK 72-41-15-230-081 Do a Crack Test
Pores larger than 0.006 in. (0.15 mm) diameter are not permitted.
Pores with a distance of less than 0.200 in. (5.10 mm) between them, are not permitted.
Surfaces broken by pores are not permitted.
Pores are not permitted less than 0.040 in. (1.00 mm) from the leading and trailing edges.
Use radiographic equipment.
NOTE
Radiographic Data.Refer to Authorized Repair Vendors in 4. Repair Facilities, Para B. and Para C., for the appropriate data card and Radiographic Examination parameters.Radiographically examine the welded blade tip.
SUBTASK 72-41-15-260-075 Radiographically Examine the Stage 6 Rotor Blades
Refer to Repair VRS6150, TASK 72-41-15-300-040 (REPAIR-040).
Restore the airfoil surface condition.
SUBTASK 72-41-15-380-085 Restore the Airfoil Surface Condition
Refer to VRS6151, TASK 72-41-15-300-041 (REPAIR-041).
Shot-peen the dovetail root of the HP Compressor stage 6 rotor blade.
SUBTASK 72-41-15-380-112 Shot-Peen the Dovetail Root of the HP Compressor Stage 6 Rotor Blade
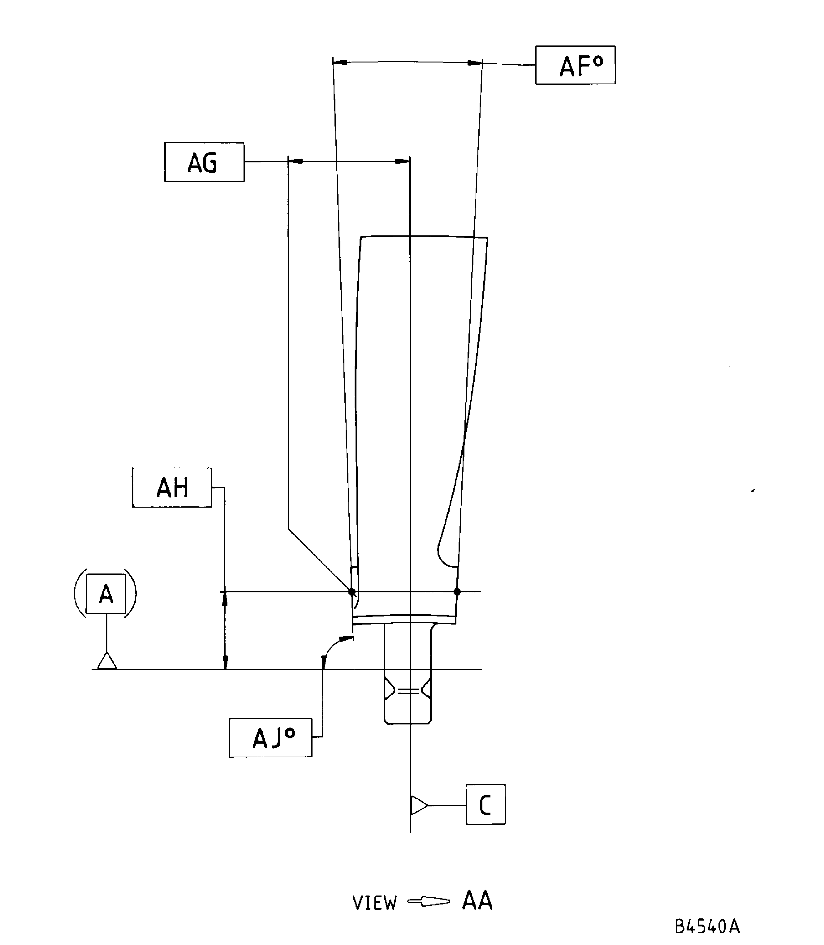
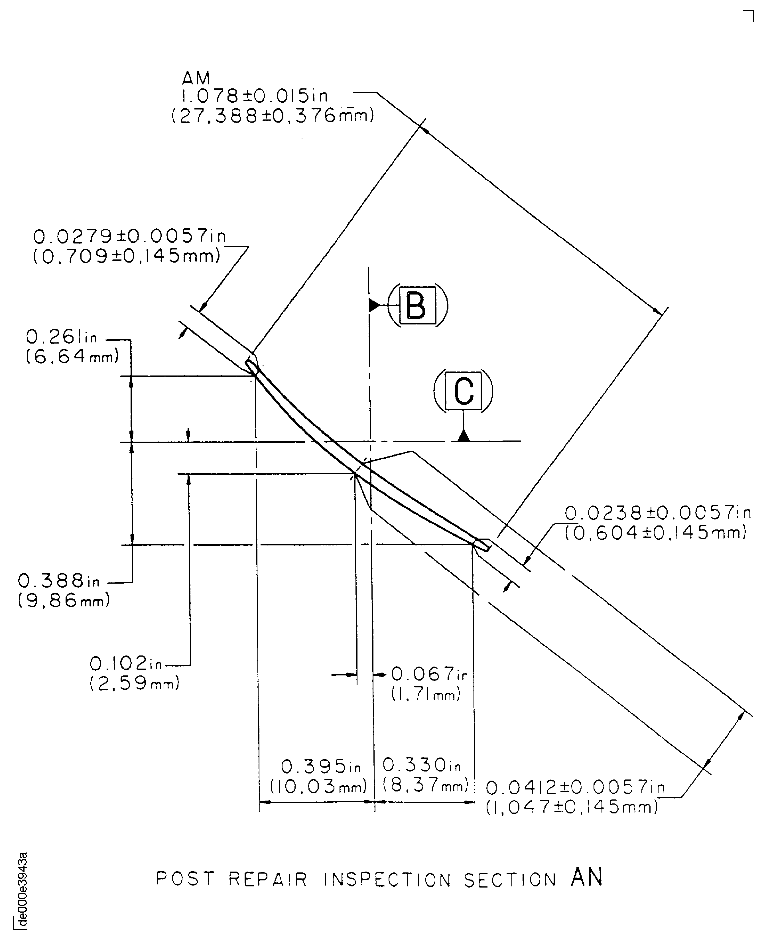
Figure: Repair Details and Dimensions - Assembly A
Sheet 1

Figure: Repair Details and Dimensions - Assembly B and Assembly C
Sheet 2

Figure: Repair Details and Dimensions
Sheet 1

Figure: Repair Details and Dimensions
Sheet 2

Figure: Repair Details and Dimensions - Assembly A
Repair Details and Dimensions - Assembly A

Figure: Repair Details and Dimensions - Assembly B and Assembly C
Sheet 1

Figure: Repair Details and Dimensions - Assembly A
Sheet 2

Figure: Repair Details and Dimensions - Assembly B and Assembly C
Sheet 3

Figure: Repair Details and Dimensions - Assembly A
Sheet 4

Figure: Repair Details and Dimensions - Assembly B and Assembly C
Sheet 5

Figure: Repair Details and Dimensions
Repair Details and Dimensions

Figure: Repair Details and Dimensions
Repair Details and Dimensions

