Export Control
EAR Export Classification: Not subject to the EAR per 15 C.F.R. Chapter 1, Part 734.3(b)(3), except for the following Service Bulletins which are currently published as EAR Export Classification 9E991: SBE70-0992, SBE72-0483, SBE72-0580, SBE72-0588, SBE72-0640, SBE73-0209, SBE80-0024 and SBE80-0025.Copyright
© IAE International Aero Engines AG (2001, 2014 - 2021) The information contained in this document is the property of © IAE International Aero Engines AG and may not be copied or used for any purpose other than that for which it is supplied without the express written authority of © IAE International Aero Engines AG. (This does not preclude use by engine and aircraft operators for normal instructional, maintenance or overhaul purposes.).Applicability
All
Common Information
TASK 72-41-21-300-094 HPC Inner To Outer Case Sealing Ring - Plasma Coat Repair The Axial Surface, Repair-064 (VRS9305)
Material of component
PART IDENT | SYMBOL | MATERIAL |
|---|---|---|
HP Compressor Inner to Outer Case Sealing Ring | ENH or EES | Corrosion Resistant Steel |
General
This Repair must only be done when the instruction to do so is given in 72-41-21 Inspection/Check.
Related repairs.
None.
Preliminary Requirements
Pre-Conditions
| Action/Condition | Data Module/Technical Publication |
|---|---|
| Make sure that all the cleaning and inspection procedures are done before this repair. |
Support Equipment
NONEConsumables, Materials and Expendables
NONESpares
NONESafety Requirements
NONEProcedure
Remove all existing wear, scratches, galling and/or coating from the repair area to the limits shown in Figure by machining. Remove the minimum amount of parent material necessary to accomplish the repair.
SUBTASK 72-41-21-330-070 Remove all Existing Surface Damage
Clean the part by SPM TASK 70-11-03-300-503.
SUBTASK 72-41-21-110-280 Clean the Axial Surfaces
If grind procedure is done, do a fluorescent penetrant inspection of the repair area by SPM TASK 72-41-21-200-017.
Do a dimensional inspection of the repair area. See Figure.
SUBTASK 72-41-21-220-765 Examine the Part
Mask the area not to be coated. Ensure the adjacent existing hard coating on the part outer diameter is masked if it exists. Grit blast outside the repair area is not permitted.
Grit blast the repair area.
Prepare the part for coating by SPM TASK 70-34-18-380-501. See Figure.
SUBTASK 72-41-21-220-766 Prepare the Part for Coat
Coat to a sufficient thickness to allow for finishing.
Mask the area not to be coated. Ensure the adjacent existing hard coating on the part outer diameter is masked if it exists. Coat outside the repair area is not permitted.
Apply plasma coat to the repair area by IAE 53-47. Refer to SPM TASK 70-34-03-340-501-002. See Figure.
SUBTASK 72-41-21-340-070 Apply Plasma Coat to the Repair Area
Remove the masking. Remove any tape residue by SPM TASK 70-11-26-300-503.
SUBTASK 72-41-21-350-274 Remove the Masking
Finish coating thickness must be 0.003 in. to 0.006 in. (0.077 mm to 0.152 mm).
All machined surfaces to be 32 micro-inches (0.8 micro-meter).
Finish the repair area to the limits shown in Figure by SPM TASK 70-32-07-100-501.
SUBTASK 72-41-21-324-060 Grind the Plasma Coat
Clean the part by SPM TASK 70-11-03-300-503.
SUBTASK 72-41-21-110-281 Clean the Axial Surfaces
Do a visual inspection of the repair coating. Refer to Section 70-34-03 in the V2500 Standard Practices Manual.
No damage permitted.
Do a visual inspection of the existing hard coating on the outer diameter.
Do a dimensional inspection of the repaired area. See Figure.
SUBTASK 72-41-21-220-767 Examine the Axial Surfaces
Mark the part with "VRS9305" adjacent to the assembly part number using the vibration peen method by SPM TASK 70-09-00-400-501.
SUBTASK 72-41-21-350-275 Identify the Repair
Figure: Repair Details and Dimensions
[1] 0.1445 in. (3.6703 mm) Minimum Width After Machining To Remove Wear And Damage.
![[1] 0.1445 in. (3.6703 mm) Minimum Width After Machining To Remove Wear And Damage.](images/ICN-V2500-A0-72412105-P-77445-A0174-A-001-01.png)
Figure: Repair Details and Dimensions
[1] Repair Area. Grit Blast And Plasma Coat Required In This Area.
![[1] Repair Area. Grit Blast And Plasma Coat Required In This Area.](images/ICN-V2500-A0-72412105-P-77445-A0175-A-001-01.png)
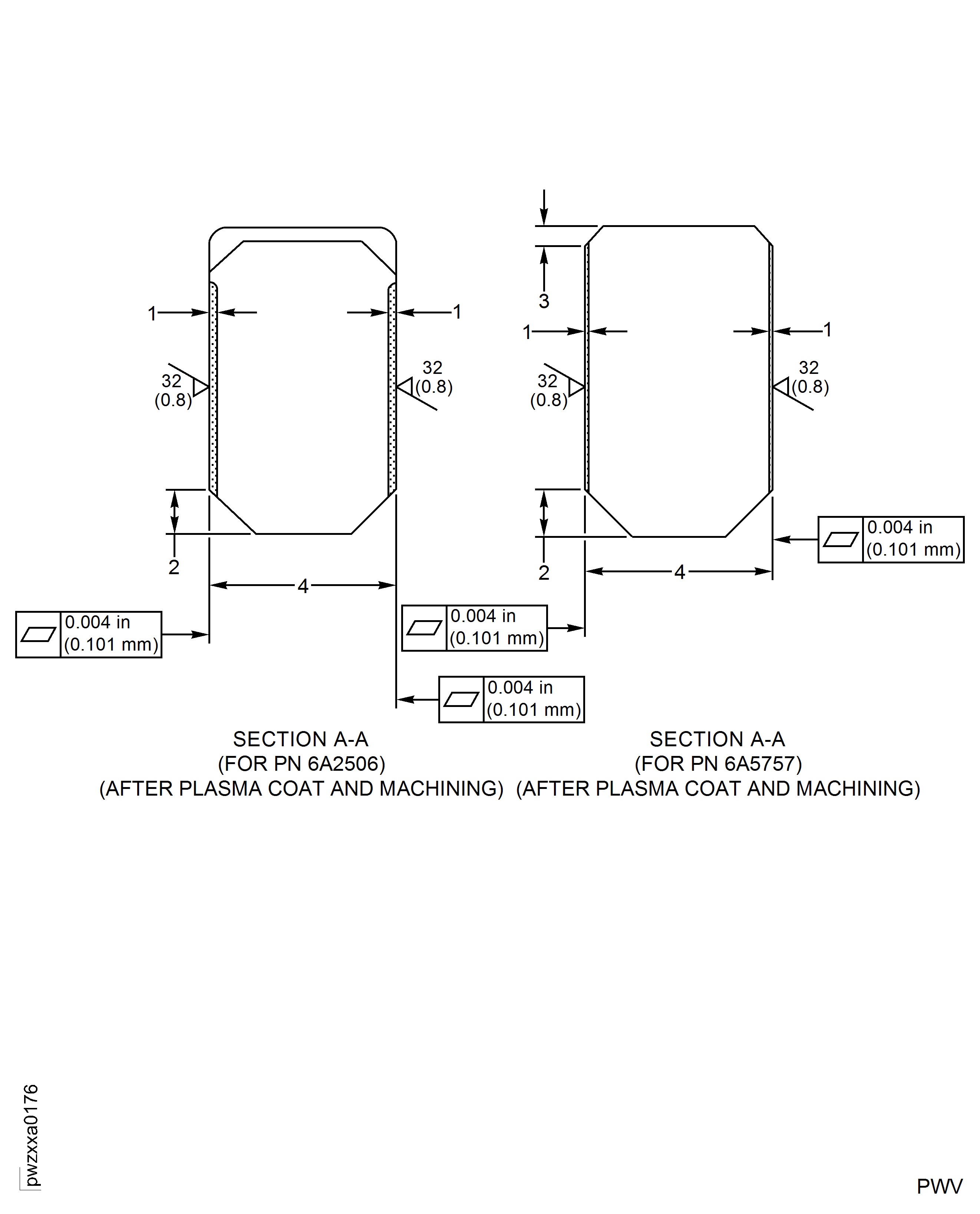
Figure: Repair Details and Dimensions
[1] 0.003 in. - 0.006 in. (0.077 mm, - 0.152 mm) Coating Thickness.
![[1] 0.003 in. - 0.006 in. (0.077 mm, - 0.152 mm) Coating Thickness.](images/ICN-V2500-A0-72412105-P-77445-A0176-A-001-01.png)
