Export Control
EAR Export Classification: Not subject to the EAR per 15 C.F.R. Chapter 1, Part 734.3(b)(3), except for the following Service Bulletins which are currently published as EAR Export Classification 9E991: SBE70-0992, SBE72-0483, SBE72-0580, SBE72-0588, SBE72-0640, SBE73-0209, SBE80-0024 and SBE80-0025.Copyright
© IAE International Aero Engines AG (2001, 2014 - 2021) The information contained in this document is the property of © IAE International Aero Engines AG and may not be copied or used for any purpose other than that for which it is supplied without the express written authority of © IAE International Aero Engines AG. (This does not preclude use by engine and aircraft operators for normal instructional, maintenance or overhaul purposes.).Applicability
All
Common Information
TASK 72-41-21-300-042 HPC Stage 10 Case and Stage 11 Rotor Path Case Assembly - Replace Loose and/or Damaged Rivets and/or Worn Sealing Ring, Repair-042 (VRS6331)
Effectivity
FIG/ITEM | PART NO. | |
|---|---|---|
04-350 | 6A3389 | Assembly A |
04-350 | 6A5436 | Assembly B |
04-350 | 6A5438 | Assembly C |
04-350 | 6A5624 | Assembly D |
04-350 | 6A5676 | Assembly B |
04-350 | 6A6512 | Assembly D |
04-350 | 6A6551 | Assembly E |
04-350 | 6A7531 | Assembly E |
Material of component
PART IDENT | SYMBOL | MATERIAL |
|---|---|---|
HP Compressor Case Assembly, Stage 10 or Stage 11 Rotor Path | QRK or QTX | Nickel, Cobalt steel |
Retainer, Stage 10 Case or Stage 11 Rotor Path Case Sealing Ring | QRK or QTX | Nickel, Cobalt steel |
Sealing Ring, Stage 10 Case or Stage 11 Rotor Path Case | ENH | Chrome, cobalt, molybdenum steel |
or | ||
EEJ | Corrosion resistant steel | |
Rivet, Solid | QBE or QPK | Nimonic 75 |
General
This Repair must only be done when the instruction to do so is given in TASK 72-41-21-200-000 (INSPECTION-000).
This Repair replaces loose and/or damaged rivets, and/or a worn sealing ring, in the HP Compressor case assembly, stage 10 and stage 11 rotor path.
When loose and/or damaged rivet(s) are to be replaced, do SUBTASK 72-41-21-323-051.
When a worn sealing ring is to be replaced, do SUBTASK 72-41-21-323-053.
The practices and processes referred to in the procedure by the TASK/SUBTASK numbers are in the SPM.
Price and availability.
Refer to International Aero Engines.
Related repairs.
REPAIR SCHEME No. | TITLE |
|---|---|
VRS6533 | Replace The Seal Retainer Coating On The Stage 10 Case And With The Stage 11 Rotor Path Liners. Refer to TASK 72-41-21-300-093. |
NOTE
Preliminary Requirements
Pre-Conditions
| Action/Condition | Data Module/Technical Publication |
|---|---|
| Make sure that all the cleaning and inspection procedures are done before this repair. |
Support Equipment
| Name | Manufacturer | Part Number / Identification | Quantity | Remark |
|---|---|---|---|---|
| Horizontal drilling machine | LOCAL | Horizontal drilling machine | ||
| Standard workshop equipment | LOCAL | Standard workshop equipment | ||
| Penetrant Crack Test Equipment | LOCAL | Penetrant crack test equipment | ||
| Clamp | LOCAL | Clamp | ||
| Chemical cleaning equipment | LOCAL | Chemical cleaning equipment | ||
| Workshop inspection equipment | LOCAL | Workshop inspection equipment | ||
| Vibrating marking pencil | LOCAL | Vibrating marking pencil |
Consumables, Materials and Expendables
| Name | Manufacturer | Part Number / Identification | Quantity | Remark |
|---|---|---|---|---|
| DELETED | LOCAL | DELETED |
Spares
| Name | Manufacturer | Part Number / Identification | Quantity | Remark |
|---|---|---|---|---|
| Rivet, solid universal head | AS16247 | 48 AR | Assembly A | |
| Rivet, solid universal head | AS16247 | 96 AR | Assembly B | |
| Rivet, solid 100 degree countersunk head | AS16647 | 96 AR | Assembly C | |
| Rivet, solid 100 degree countersunk head | AS16647 | 24 AR | Assembly D and E | |
| Rivet, solid universal head | AS16288 | 48 AR | Assembly A | |
| Rivet, solid universal head | AS16288 | 96 AR | Assembly B | |
| Rivet, solid 100 degree countersunk head | AS16688 | 96 AR | Assembly C | |
| Rivet, solid 100 degree countersunk head | AS16688 | 24 AR | Assembly D and E | |
| Retainer, stage 10 case sealing ring | 6A7415 | 1 | Assembly A and B | |
| Retainer, stage 10 case sealing ring | 6A7416 | 1 | Assembly C | |
| Retainer, stage 10 case or stage 11 rotor path case sealing ring | 6A7417 | 1 | Assembly D and E | |
| Sealing ring, stage 10 case | 6A1252 | 1 | Assembly A | |
| Sealing ring, stage 10 case or stage 11 rotor path case | 6A5703 | 1 | Assembly B, C, D and E |
Safety Requirements
NONEProcedure
Refer to Figure.
SUBTASK 72-41-21-323-051-A00 Remove Loose and/or Damaged Rivet(s), Assembly A
NOTE
The SUBTASKS which follow must only be used to replace loose and/or damaged rivet(s).Refer to Figure.
SUBTASK 72-41-21-323-051-B00 Remove Loose and/or Damaged Rivet(s), Assembly B
NOTE
The SUBTASKS which follow must only be used to replace loose and/or damaged rivet(s).Refer to Figure.
SUBTASK 72-41-21-323-051-C00 Remove Loose and/or Damaged Rivet(s), Assembly C
NOTE
The SUBTASKS which follow must only be used to replace loose and/or damaged rivet(s).Refer to Figure.
SUBTASK 72-41-21-323-051-D00 Remove Loose and/or Damaged Rivet(s), Assembly D
NOTE
The SUBTASKS which follow must only be used to replace loose and/or damaged rivet(s).Refer to Figure.
NOTE
The SUBTASKS which follow must only be used to replace loose and/or damaged rivet(s).
SUBTASK 72-41-21-323-051-E00 Remove Loose and/or Damaged Rivet(s), Assembly E
Refer to the SPM TASK 70-09-01-400-501.
Use a temporary marker.
Identify the damaged rivet hole(s).
SUBTASK 72-41-21-220-291-A00 Examine the Rivet Hole(s), Assembly A
Refer to the SPM TASK 70-09-01-400-501.
Use a temporary marker.
Identify the damaged rivet hole(s).
SUBTASK 72-41-21-220-291-B00 Examine the Rivet Hole(s), Assembly B
Refer to the SPM TASK 70-09-01-400-501.
Use a temporary marker.
Identify the damaged rivet hole(s).
SUBTASK 72-41-21-220-291-C00 Examine the Rivet Hole(s), Assembly C
Refer to the SPM TASK 70-09-01-400-501.
Use a temporary marker.
Identify the damaged rivet hole(s).
SUBTASK 72-41-21-220-291-D00 Examine the Rivet Hole(s), Assembly D
Refer to the SPM TASK 70-09-01-400-501.
Use a temporary marker.
Identify the damaged rivet hole(s).
SUBTASK 72-41-21-220-291-E00 Examine the Rivet Hole(s), Assembly E
Refer to the SPM TASK 70-35-03-300-501.
Remove the sharp edges around the rivet hole(s).
SUBTASK 72-41-21-323-052-A00 Drill Rivet Hole(s), as necessary, Assembly A
NOTE
Only do this SUBTASK, if larger rivet(s) are to be installed.Refer to the SPM TASK 70-35-03-300-501.
Remove the sharp edges around the rivet hole(s).
SUBTASK 72-41-21-323-052-B00 Drill Rivet Hole(s), as necessary, Assembly B
NOTE
Only do this SUBTASK, if larger rivet(s) are to be installed.Refer to the SPM TASK 70-35-03-300-501.
Remove the sharp edges around the rivet hole(s).
SUBTASK 72-41-21-323-052-C00 Drill Rivet Hole(s), as necessary, Assembly C
NOTE
Only do this SUBTASK, if larger rivet(s) are to be installed.Refer to the SPM TASK 70-35-03-300-501.
Remove the sharp edges around the rivet hole(s).
SUBTASK 72-41-21-323-052-D00 Drill Rivet Hole(s), as necessary, Assembly D
NOTE
Only do this SUBTASK, if larger rivet(s) are to be installed.Refer to the SPM TASK 70-35-03-300-501.
Remove the sharp edges around the rivet hole(s).
SUBTASK 72-41-21-323-052-E00 Drill Hole(s), as necessary, Assembly E
Refer to the SPM TASK 70-39-03-390-501.
Cold squeeze the rivet(s) in place.
SUBTASK 72-41-21-390-052-A00 Safety the Rivet(s) in Place, Assembly A
Refer to the SPM TASK 70-39-03-390-501.
Cold squeeze the rivet(s) in place.
SUBTASK 72-41-21-390-052-B00 Safety the Rivet(s) in Place, Assembly B
Refer to the SPM TASK 70-39-03-390-501.
Cold squeeze the rivet(s) in place.
SUBTASK 72-41-21-390-052-C00 Safety the Rivet(s) in Place, Assembly C
Refer to the SPM TASK 70-39-03-390-501.
Cold squeeze the rivet(s) in place.
SUBTASK 72-41-21-390-052-D00 Safety the Rivet(s) in Place, Assembly D
Refer to the SPM TASK 70-39-03-390-501.
Cold squeeze the rivet (s) in place.
SUBTASK 72-41-21-390-052-E00 Safety the Rivet(s) in Place, Assembly E
Refer to the SPM TASK 70-23-05-230-501.
Use ultra high sensitivity.
Discard the cracked rivet(s).
Do a penetrant crack test on the new rivet(s).
SUBTASK 72-41-21-230-131 Do a Crack Test
Refer to the SPM TASK 70-09-00-400-501, SUBTASK 70-09-00-400-001.
Use vibro-engraving equipment.
Mark VRS6331/1 adjacent to the assembly number when damaged rivet(s) is/are replaced.
SUBTASK 72-41-21-350-130 Identify the Repair
Refer to the SPM TASK 70-09-01-400-501.
Use a temporary marker.

CAUTION
YOU MUST MAKE SURE THAT ALL THE PARTS OF THE HP COMPRESSOR CASE ASSEMBLY, STAGE 10, ARE TIGHTLY ATTACHED ON THE DRILLING MACHINE WHEN YOU DRILL OUT THE RIVETS.NOTE
The SUBTASKS which follow must only be used to replace a worn sealing ring.Make a mark on each part, to make sure that they agree at assembly.
SUBTASK 72-41-21-323-053-A00 Remove a Worn Sealing Ring, Assembly A
Refer to the SPM TASK 70-09-01-400-501.
Use temporary marker.

CAUTION
YOU MUST MAKE SURE THAT ALL THE PARTS OF THE HP COMPRESSOR CASE ASSEMBLY, STAGE 10, ARE TIGHTLY ATTACHED ON THE DRILLING MACHINE WHEN YOU DRILL OUT THE RIVETS.NOTE
The SUBTASKS which follow must only be used to replace a worn sealing ring.Make a mark on each part, to make sure that they agree at assembly.
SUBTASK 72-41-21-323-053-B00 Remove a Worn Sealing Ring, Assembly B
Refer to the SPM TASK 70-09-01-400-501.
Use a temporary marker.

CAUTION
YOU MUST MAKE SURE THAT ALL THE PARTS OF THE HP COMPRESSOR CASE ASSEMBLY, STAGE 10, ARE TIGHTLY ATTACHED ON THE DRILLING MACHINE WHEN YOU DRILL OUT THE RIVETS.NOTE
The SUBTASKS which follow must only be used to replace a worn sealing ring.Make a mark on each part, to make sure that they agree at assembly.
SUBTASK 72-42-21-323-053-C00 Remove a Worn Sealing Ring, Assembly C
Refer to the SPM TASK 70-09-01-400-501.
Use a temporary marker.

CAUTION
YOU MUST MAKE SURE THAT ALL THE PARTS OF THE HP COMPRESSOR CASE ASSEMBLY, STAGE 10, ARE TIGHTLY ATTACHED ON THE DRILLING MACHINE WHEN YOU DRILL OUT THE RIVETS.NOTE
The SUBTASKS which follow must only be used to replace a worn sealing ring.Make a mark on each part, to make sure that they agree at assembly.
SUBTASK 72-41-21-323-053-D00 Remove a Worn Sealing Ring, Assembly D
Refer to the SPM TASK 70-09-01-400-501.
Use a temporary marker.

CAUTION
YOU MUST MAKE SURE THAT ALL THE PARTS OF THE HP COMPRESSOR CASE ASSEMBLY, STAGE 11 ROTOR PATH, ARE TIGHTLY ATTACHED ON THE DRILLING MACHINE, WHEN YOU DRILL OUT THE RIVETS.NOTE
The SUBTASKS, which follow must only be used to replace a worn sealing ring and/or damaged sealing ring retainer.Make a mark on each part, to make sure that they agree at assembly.
SUBTASK 72-41-21-323-053-E00 Remove a Worn Sealing Ring, Assembly E
Visually examine the seal retainer coating on the HP Compressor Case.
Refer to Repair, VRS6533 TASK 72-41-21-300-093 (REPAIR-093) to replace the seal retainer coating.
If damaged, worn or cracked.
SUBTASK 72-41-21-220-001-001 Examine the Seal Retainer Coating on the HP Compressor Case
Refer to the SPM TASK 70-23-05-230-501.
Use ultra high sensitivity.
Cracks are not permitted.
Do a penetrant crack test on the sealing ring retainer.
SUBTASK 72-41-21-230-204 Do a Crack Test
Refer to the SPM TASK 70-09-01-400-501.
Use a temporary marker.
Visually examine and measure the diameter of the rivet holes.
Do Step SUBTASK 72-41-21-323-052-A00, as necessary.
Damaged rivet holes.
Do Step SUBTASK 72-41-21-323-072-A00, as necessary.
If damaged, worn or cracked.
SUBTASK 72-41-21-220-292-A00 Examine the Rivet Holes and Sealing Ring Retainer, Assembly A
Refer to the SPM TASK 70-09-01-400-501.
Use a temporary marker.
Visually examine and measure the diameter of the rivet holes.
Do Step SUBTASK 72-41-21-323-052-B00, as necessary.
Damaged rivet holes.
Do Step SUBTASK 72-41-21-323-072-B00, as necessary.
If damaged, worn or cracked.
SUBTASK 72-41-21-220-292-B00 Examine the Rivet Holes and Sealing Ring Retainer, Assembly B
Refer to the SPM TASK 70-09-01-400-501.
Use a temporary marker.
Visually examine and measure the diameter of the rivet holes.
Do Step SUBTASK 72-41-21-323-052-C00, as necessary.
Damaged rivet holes.
Do Step SUBTASK 72-41-21-323-072-C00, as necessary.
If damaged, worn or cracked.
SUBTASK 72-41-21-220-292-C00 Examine the Rivet Holes and Sealing Ring Retainer, Assembly C
Refer to the SPM TASK 70-09-01-400-501.
Use a temporary marker.
Visually examine and measure the diameter of the rivet holes.
Do Step SUBTASK 72-41-21-323-052-D00, as necessary.
Damaged rivet holes.
Do Step SUBTASK 72-41-21-323-072-D00, as necessary.
If damaged, worn or cracked.
SUBTASK 72-41-21-220-292-D00 Examine the Rivet Holes and Sealing Ring Retainer, Assembly D
Refer to the SPM TASK 70-09-01-400-501.
Use a temporary marker.
Visually examine and measure the diameter of the rivet holes.
Do Step SUBTASK 72-41-21-323-052-E00, as necessary.
Damaged rivet holes.
Do Step SUBTASK 72-41-21-323-072-E00, as necessary.
If damaged, worn or cracked.
SUBTASK 72-41-21-220-292-E00 Examine the Rivet Hole(s), and the Sealing Ring Retainer, Assembly E

CAUTION
YOU MUST MAKE SURE THAT ALL THE PARTS OF THE HP COMPRESSOR CASE ASSEMBLY, STAGE 10, ARE TIGHTLY ATTACHED ON THE DRILLING MACHINE, WHEN YOU DRILL THROUGH THE CASE AND SEALING RING RETAINER.NOTE
Only do this SUBTASK, if a new sealing ring retainer is to be replaced.Clamp the new sealing ring retainer on to the HP Compressor case assembly, stage 10.
Refer to the SPM TASK 70-09-01-400-501.
Use a temporary marker.
Put a mark on each part, to make sure they agree at assembly.
Refer to the SPM TASK 70-35-03-300-501.
Remove the burrs and sharp edges from the holes.
SUBTASK 72-41-21-323-072-A00 Install a New Sealing Ring Retainer, Assembly A

CAUTION
YOU MUST MAKE SURE THAT ALL THE PARTS OF THE HP COMPRESSOR CASE ASSEMBLY, STAGE 10, ARE TIGHTLY ATTACHED ON THE DRILLING MACHINE, WHEN YOU DRILL THROUGH THE CASE AND SEALING RING RETAINER.NOTE
Only do this SUBTASK, if a new sealing ring retainer is to be replaced.Clamp the new sealing ring retainer on to the HP Compressor case assembly, stage 10.
Refer to the SPM TASK 70-09-01-400-501.
Use a temporary marker.
Put a mark on each part, to make sure they agree at assembly.
Refer to the SPM TASK 70-35-03-300-501.
Remove the burrs and sharp edges from the holes.
SUBTASK 72-41-21-323-072-B00 Install a New Sealing Ring Retainer, Assembly B

CAUTION
YOU MUST MAKE SURE THAT ALL THE PARTS OF THE HP COMPRESSOR CASE ASSEMBLY, STAGE 10, ARE TIGHTLY ATTACHED ON THE DRILLING MACHINE, WHEN YOU DRILL THROUGH THE CASE AND SEALING RING RETAINER.NOTE
Only do this SUBTASK, if a new sealing ring retainer is to be replaced.Clamp the new sealing ring retainer on to the HP Compressor case assembly, stage 10.
Refer to the SPM TASK 70-09-01-400-501.
Use a temporary marker.
Put a mark on each part, to make sure they agree at assembly.
Refer to the SPM TASK 70-35-03-300-501.
Remove the burrs and sharp edges from the holes.
SUBTASK 72-41-21-323-072-C00 Install a New Sealing Ring Retainer, Assembly C

CAUTION
YOU MUST MAKE SURE THAT ALL THE PARTS OF THE HP COMPRESSOR CASE ASSEMBLY, STAGE 10, ARE TIGHTLY ATTACHED ON THE DRILLING MACHINE, WHEN YOU DRILL THROUGH THE CASE AND SEALING RING RETAINER.NOTE
Only do this SUBTASK, if a new sealing ring retainer is to be replaced.Clamp the new sealing ring retainer on to the HP Compressor case assembly, stage 10.
Refer to the SPM TASK 70-09-01-400-501.
Use a temporary marker.
Put a mark on each part, to make sure they agree at assembly.
Refer to the SPM TASK 70-35-03-300-501.
Remove the burrs and sharp edges from the holes.
SUBTASK 72-41-21-323-072-D00 Install a New Sealing Ring Retainer, Assembly D
Use a clamp or a locally made fixture.

CAUTION
YOU MUST MAKE SURE THAT ALL THE PARTS OF THE HP COMPRESSOR CASE ASSEMBLY, STAGE 11 ROTOR PATH, ARE TIGHTLY ATTACHED ON THE DRILLING MACHINE, WHEN YOU DRILL THROUGH THE CASE AND SEALING RING RETAINER.NOTE
Only do this SUBTASK, if a new sealing ring retainer is to be replaced.Clamp the new sealing ring retainer on to the HP Compressor case assembly, stage 11 rotor path.
Refer to the SPM TASK 70-09-01-400-501.
Use a temporary marker.
Put a mark on each part, to make sure they agree at assembly.
Refer to the SPM TASK 70-35-03-300-501.
Remove the burrs and sharp edges from the holes.
SUBTASK 72-41-21-323-072-E00 Install a New Sealing Ring Retainer, Assembly E
Refer to the SPM TASK 70-11-03-300-503.
Chemically clean the HP Compressor case assembly, stage 10 or stage 11 rotor path and the new sealing ring retainer.
SUBTASK 72-41-21-110-183 Chemically Clean
Refer to the SPM TASK 70-23-05-230-501.
Use ultra high sensitivity.
Cracks are not permitted.
Do a penetrant crack test on the new sealing ring retainer.
SUBTASK 72-41-21-230-205 Do a Crack Test
Refer to the SPM TASK 70-39-03-390-501.
Cold squeeze the rivets in place.
SUBTASK 72-41-21-350-132-A00 Safety the New Sealing Ring in Place, Assembly A
Refer to the SPM TASK 70-39-03-390-501.
Cold squeeze the rivets in place.
SUBTASK 72-41-21-350-132-B00 Safety the New Sealing Ring in Place, Assembly B
Refer to the SPM TASK 70-39-03-390-501.
Cold squeeze the rivets in place.
SUBTASK 72-41-21-350-132-C00 Safety the New Sealing Ring in Place, Assembly C
Refer to the SPM TASK 70-39-03-390-501.
Cold squeeze the rivets in place.
SUBTASK 72-41-21-350-132-D00 Safety the New Sealing Ring in Place, Assembly D
Refer to the SPM TASK 70-39-03-390-501.
Cold squeeze the rivets in place.
SUBTASK 72-41-21-350-132-E00 Safety the New Sealing Ring in Place, Assembly E
Refer to the SPM TASK 70-23-05-230-501.
Use ultra high sensitivity.
Discard cracked rivet(s).
Do a penetrant crack test on the new rivets.
SUBTASK 72-41-21-230-132 Do a Crack Test
Refer to Figure.
Refer to TASK 72-41-21-200-000 (INSPECTION-000).
Examine the sealing ring for free movement.
SUBTASK 72-41-21-220-293-A00 Examine the New Sealing Ring, Assembly A
Refer to Figure.
Refer to TASK 72-41-21-200-000 (INSPECTION-000).
Examine the sealing ring for free movement.
SUBTASK 72-41-21-220-293-B00 Examine the New Sealing Ring, Assembly B
Refer to Figure.
Refer to TASK 72-41-21-200-000 (INSPECTION-000).
Examine the sealing ring for free movement.
SUBTASK 72-41-21-220-293-C00 Examine the New Sealing Ring, Assembly C
Refer to Figure.
Refer to TASK 72-41-21-200-000 (INSPECTION-000).
Examine the sealing ring for free movement.
SUBTASK 72-41-21-220-293-D00 Examine the New Sealing Ring, Assembly D
Refer to Figure.
Refer to TASK 72-41-21-200-000 (INSPECTION-000) for inspection standards.
Examine the sealing ring for free movement.
SUBTASK 72-41-21-220-293-E00 Examine the new Sealing ring, Assembly E
Refer to the SPM TASK 70-09-00-400-501, SUBTASK 70-09-00-400-001.
Use vibro-engraving equipment.
Mark VRS6331/2 adjacent to the assembly number when a worn sealing ring is replaced.
SUBTASK 72-41-21-350-133 Identify the Repair
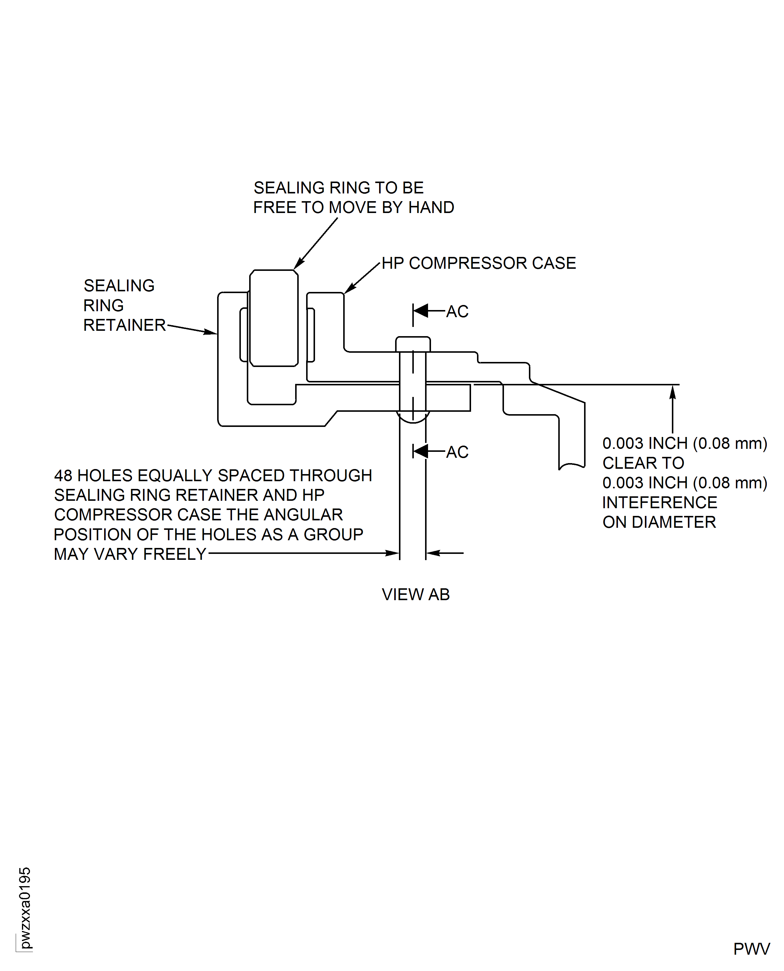
Figure: Repair details and dimensions - Assembly A and Assembly B
Repair details and dimensions - Assembly A and Assembly B

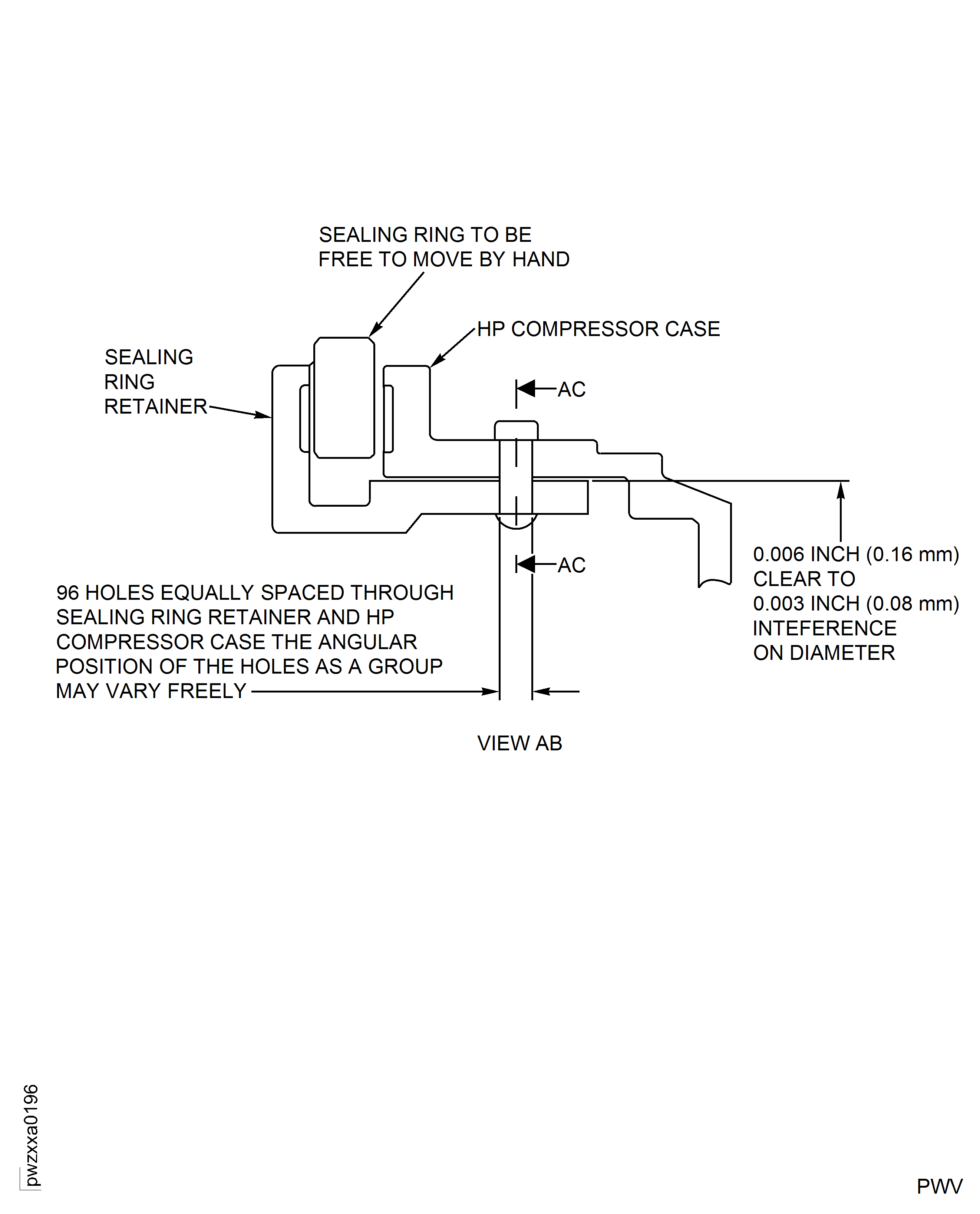
Figure: Repair details and dimensions - Assembly C
Repair details and dimensions - Assembly C

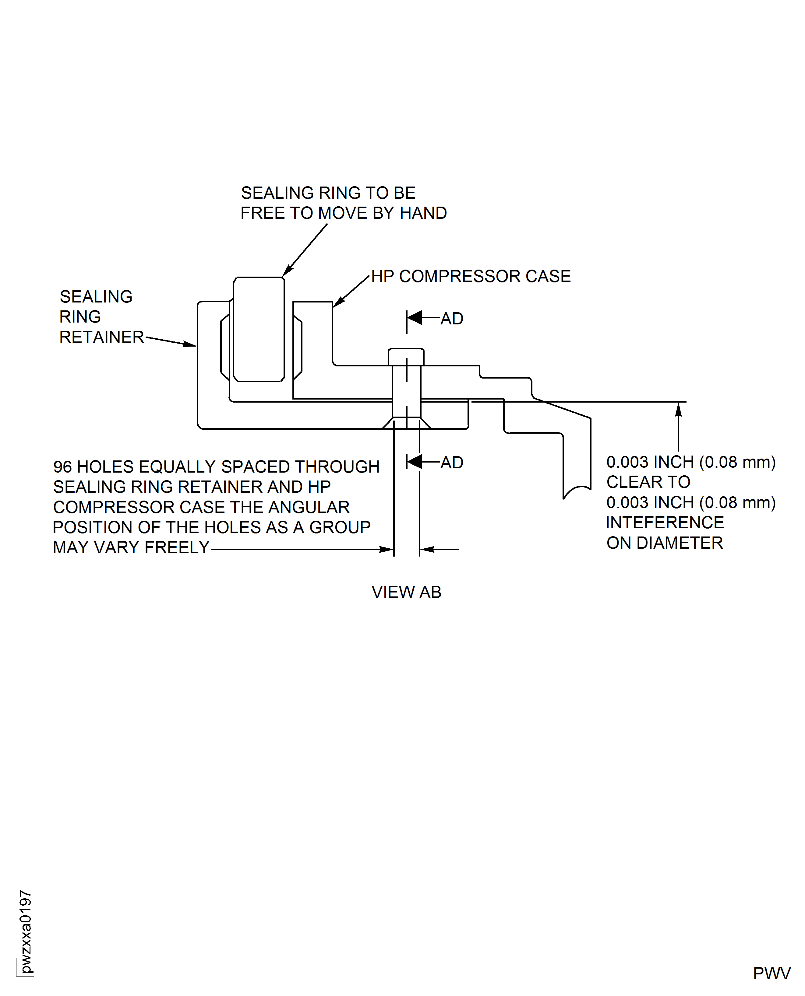
Figure: Repair details and dimensions - Assembly D
Repair details and dimensions - Assembly D

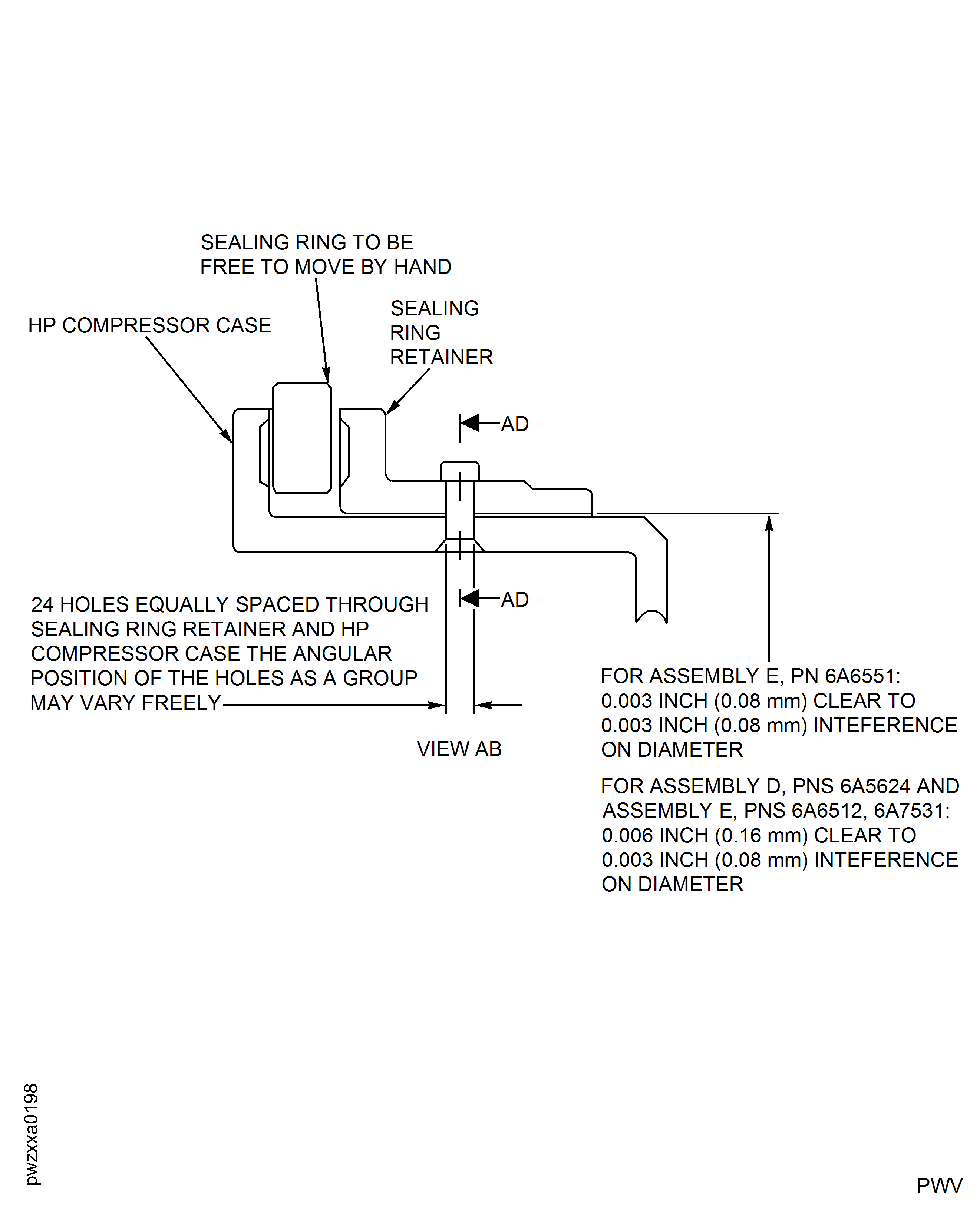
Figure: Repair details and dimensions - Assembly E
Repair details and dimensions - Assembly E

Figure: Repair details and dimensions - Assembly A
Repair details and dimensions - Assembly A

Figure: Repair details and dimensions - Assembly B
Repair details and dimensions - Assembly B

Figure: Repair details and dimensions - Assembly C
Repair details and dimensions - Assembly C

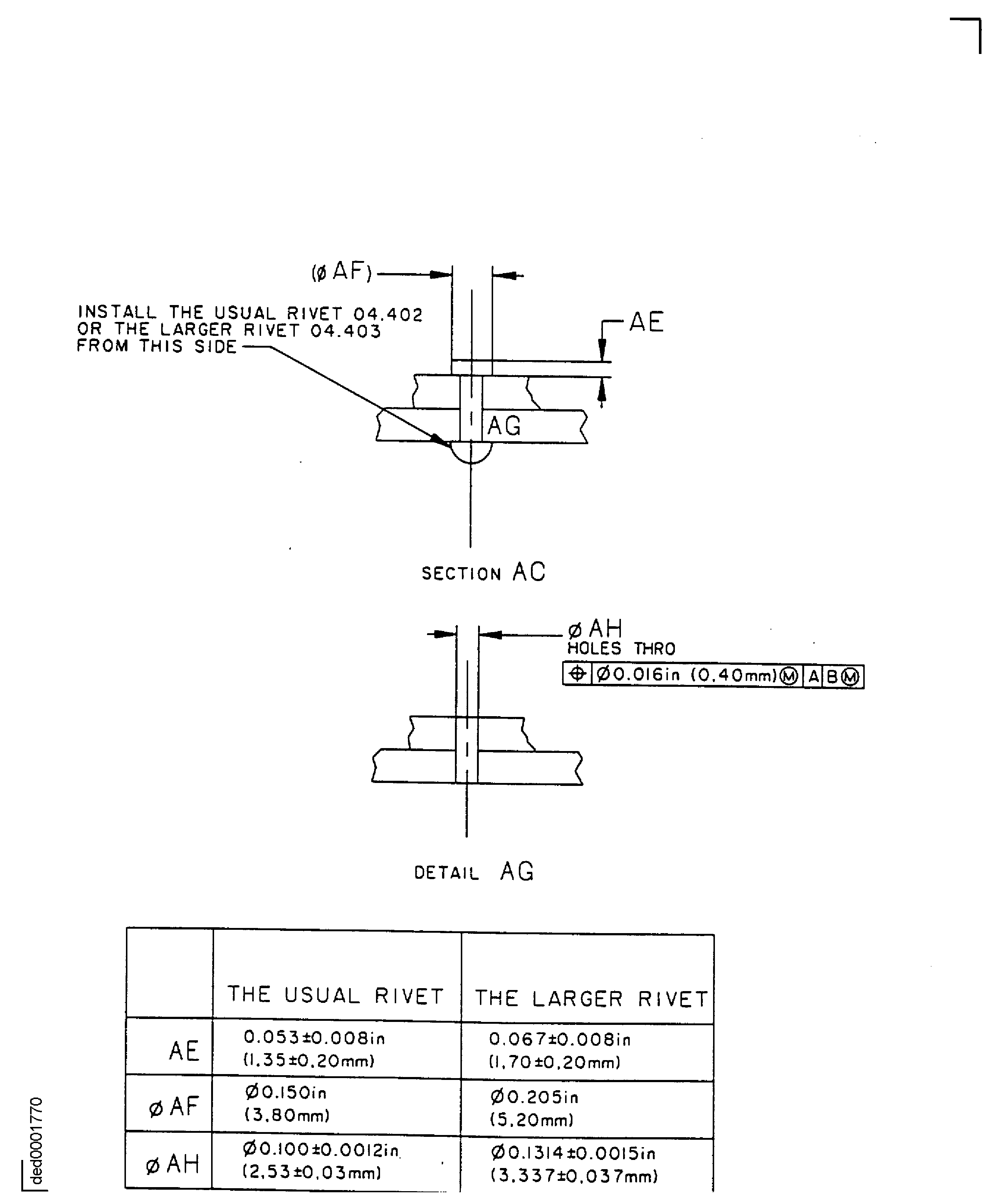
Figure: Repair details and dimensions - Assembly D and Assembly E
Repair details and dimensions - Assembly D and Assembly E

Figure: Repair details and dimensions - Assembly A and Assembly B
Repair details and dimensions - Assembly A and Assembly B

Figure: Repair details and dimensions - Assy's C, D and E
Repair details and dimensions - Assy's C, D and E

Figure: Repair details and dimensions - Assembly A and Assembly B
Repair details and dimensions - Assembly A and Assembly B

Figure: Repair details and dimensions - Assembly C
Repair details and dimensions - Assembly C

Figure: Repair details and dimensions - Assembly D and Assembly E
Repair details and dimensions - Assembly D and Assembly E

