Export Control
EAR Export Classification: Not subject to the EAR per 15 C.F.R. Chapter 1, Part 734.3(b)(3), except for the following Service Bulletins which are currently published as EAR Export Classification 9E991: SBE70-0992, SBE72-0483, SBE72-0580, SBE72-0588, SBE72-0640, SBE73-0209, SBE80-0024 and SBE80-0025.Copyright
© IAE International Aero Engines AG (2001, 2014 - 2021) The information contained in this document is the property of © IAE International Aero Engines AG and may not be copied or used for any purpose other than that for which it is supplied without the express written authority of © IAE International Aero Engines AG. (This does not preclude use by engine and aircraft operators for normal instructional, maintenance or overhaul purposes.).Applicability
All
Common Information
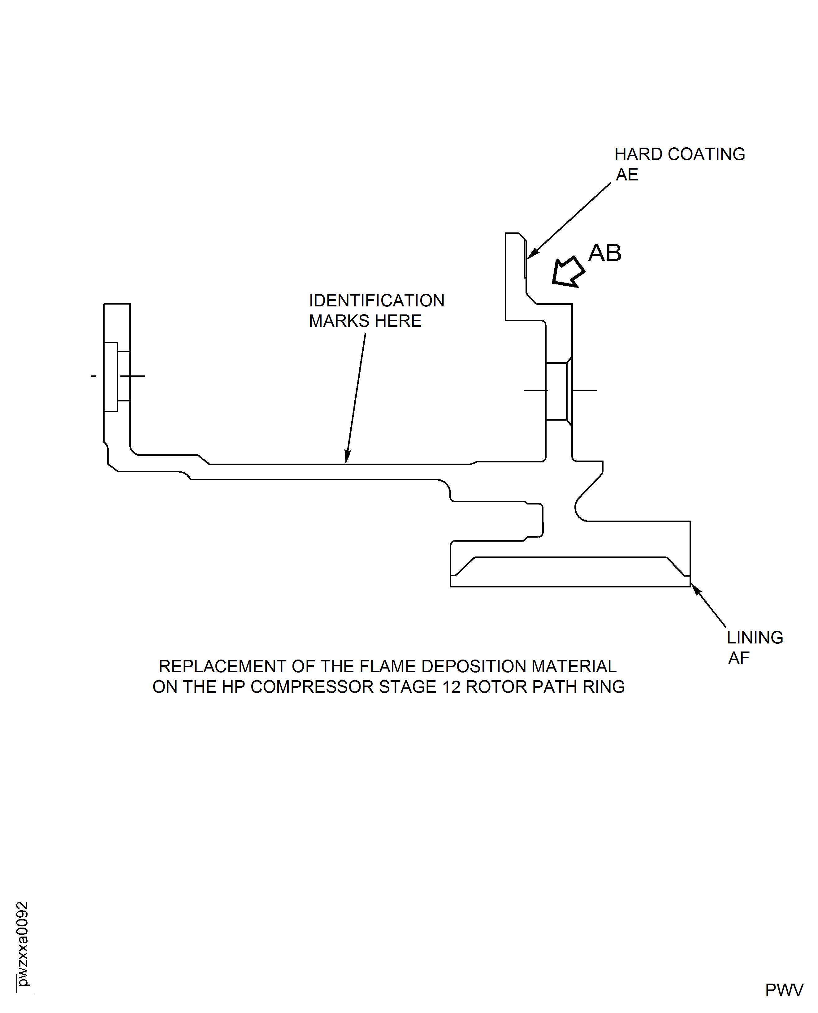
TASK 72-41-21-300-086 HPC Stage 12 Rotor Path Ring - Replace The Retainer Hard Coating, Repair-086 (VRS6172)
General
This Repair must only be done when the instruction to do so is given in 72-41-21 Inspection.
This TASK gives the procedure to replace the retainer hard coating on the HP compressor stage 12 rotor path ring, when the coating is worn or damaged.
TASKS identified by SPM TASK are in the Standard Practices and Processes Manual (SPM).
Price and Availability
Refer to International Aero Engines.
Related repairs
HP Compressor Stage 12 Rotor Path Ring - Replace the Rotor Path Lining, refer to Repair VRS6024, TASK 72-41-21-300-022 (REPAIR-022).
NOTE
NOTE
It is possible that some materials in the Consumable Materials chart cannot be used for some or all of the necessary applications. Before you use the materials, make sure the types, quantities and applications of the materials necessary are legally permitted in your location. All persons must obey all applicable federal, state, local and provincial laws and regulations when it is necessary to work with these materials.
To identify the consumable materials, refer to the overhaul Processes and Consumables Index (PCI).
Other necessary consumable materials are referred to in the SPM TASKs.
Preliminary Requirements
Pre-Conditions
NONESupport Equipment
| Name | Manufacturer | Part Number / Identification | Quantity | Remark |
|---|---|---|---|---|
| Abrasive Blast Equipment | LOCAL | Abrasive Blast Equipment | ||
| Chemical cleaning equipment | LOCAL | Chemical Cleaning Equipment | ||
| Gloves | LOCAL | Gloves | Cotton or polythene | |
| Dial indicator | LOCAL | Dial indicator | ||
| Grinding Machine | LOCAL | Grinding Machine | ||
| Lathe | LOCAL | Lathe | ||
| Metal spray equipment | LOCAL | Metal spray equipment | ||
| Penetrant Crack Test Equipment | LOCAL | Penetrant Crack Test Equipment | ||
| Standard workshop equipment | LOCAL | Standard workshop equipment | ||
| Brush | LOCAL | Brush | Vacuum assisted | |
| Vibrating Marking Pencil | LOCAL | Vibrating Marking Pencil | ||
| Workshop inspection equipment | LOCAL | Workshop inspection equipment | ||
| IAE 3R18232 Lifting beam | 0AM53 | IAE 3R18232 | ||
| IAE 3R18724 Turn/Grind Fixture | 0AM53 | IAE 3R18724 | ||
| IAE 3R19120 Turn/Grind Fixture | 0AM53 | IAE 3R19120 |
Consumables, Materials and Expendables
| Name | Manufacturer | Part Number / Identification | Quantity | Remark |
|---|---|---|---|---|
| CoMat 01-067 ALKALINE PERMANGANATE COMPOUND - DELETED | 0AM53 | CoMat 01-067 | ||
| CoMat 02-001 ADHESIVE TAPE (MASKING) | LOCAL | CoMat 02-001 | ||
| CoMat 02-006 ADHESIVE TAPE ALUMINIUM FOIL | 76381 | CoMat 02-006 | ||
| CoMat 02-145 STOPPING-OFF COMPOUND | 1N6B3 | CoMat 02-145 | ||
| CoMat 03-239 METAL SPRAYING POWDER, CHROMIUM CARBIDE/NICHROME 75/25, FINE | 00BB6 | CoMat 03-239 | ||
| CoMat 03-240 METAL SPRAYING POWDER, CHROMIUM CARBIDE/NICHROME 75/25, FINE | X111X | CoMat 03-240 | ||
| CoMat 05-001 ABRASIVE MEDIUM, ALUMINIUM OXIDE, 20/30 GRADE | LOCAL | CoMat 05-001 | ||
| CoMat 05-046 ALUMINUM OXIDE GRIT | 62596 | CoMat 05-046 | ||
| CoMat 06-063 FLUORESCENT PENETRANT (POST-EMULSIFIED MEDIUM SENSITIVITY) | X222X | CoMat 06-063 |
Spares
NONESafety Requirements
NONEProcedure
Refer to Figure.
SUBTASK 72-41-21-350-126 Seal the Lining
Refer to TASK 72-41-21-100-014.
Use chemical cleaning equipment.
Remove the surface protection, as necessary.
SUBTASK 72-41-21-110-115 Remove the Surface Protection (as necessary)
Refer to the SPM TASK 70-33-59-300-503, SUBTASK 70-33-59-300-008.
Use abrasive blast equipment.
Abrasive blast to remove the hard coat.
SUBTASK 72-41-21-110-116 Remove the Hard Coat
Use IAE 3R18232 Lifting beam 1 off, to install IAE 3R18724 Turn/Grind Fixture 1 off in the lathe.
Use a dial test indicator.
Install the turn/grind fixture on to the machine and set to run true.
SUBTASK 72-41-21-325-066-A00 Remove the Hard Coat, Assembly A
NOTE
This SUBTASK is an alternative procedure to Step.Use IAE 3R18232 Lifting beam 1 off, to install IAE 3R19120 Turn/Grind Fixture 1 off in the lathe.
Use a dial test indicator.
Install the turn/grind fixture on to the machine and set to run true.
SUBTASK 72-41-21-325-066-B00 Remove the Hard Coat, Assembly B
NOTE
This SUBTASK is an alternative procedure to Step.SUBTASK 72-41-21-325-066-C00 Remove the Hard Coat, Assembly C and Assembly D
NOTE
This SUBTASK is an alternative procedure to Step.Refer to the SPM TASK 70-23-01-230-501.
Use penetrant crack test equipment.
Cracks are not permitted.
Do a penetrant crack test on the machined area.
SUBTASK 72-41-21-230-129 Do a Crack Test
Refer to the SPM TASK 70-11-01-300-503.
Use chemical cleaning equipment.
Chemically clean the rotor path ring.
SUBTASK 72-41-21-110-117 Chemically Clean
Refer to the SPM TASK 70-12-02-120-501.
Use abrasive blast equipment.
Abrasive blast the rotor path ring of surface AD.
SUBTASK 72-41-21-120-061 Abrasive Blast

CAUTION
DO NOT TOUCH THE AREAS TO BE REPAIRED AFTER THEY ARE FULLY CLEANED.
CAUTION
CLEAN COTTON OR POLYTHENE GLOVES MUST BE WORN.Refer to the SPM TASK 70-34-01-340-501, SUBTASK 70-34-01-340-026.
Use metal spray equipment.
Apply a layer of sufficient thickness to get the correct dimensions after the assembly is machined.
Apply the hard coat to surface AD.
SUBTASK 72-41-21-340-060 Apply the Hard Coat
Use IAE 3R18232 Lifting beam 1 off, to install IAE 3R18724 Turn/Grind Fixture 1 off, in a grinding machine.
Use a dial test indicator.
Install the turn/grind fixture to the machine and set to run true.
SUBTASK 72-41-21-324-053-A00 Machine the Hard Coat, Assembly A
Use IAE 3R18232 Lifting beam 1 off, to install IAE 3R19120 Turn/Grind Fixture 1 off, in a grinding machine.
Use a dial test indicator.
Install the turn/grind fixture on to the machine and set to run true.
SUBTASK 72-41-21-324-053-B00 Machine the Hard Coat, Assembly B
Refer to the SPM TASK 70-23-05-230-501.
Make sure the coating is sufficiently masked before you apply the solution.
Use penetrant crack test equipment.
Cracks are not permitted.
Do a penetrant crack test on the areas around the repaired area.
SUBTASK 72-41-21-230-130 Do a Crack Test
Refer to the SPM TASK 70-11-01-300-503.
Use chemical cleaning equipment.
Chemically clean the rotor path ring.
SUBTASK 72-41-21-110-118 Chemically Clean
Refer to the SPM TASK 70-11-35-110-501.
Use standard workshop equipment.
Remove the seal from the lined surface AF.
SUBTASK 72-41-21-350-127 Remove the Seal
If damaged, refer to Repair VRS6024, TASK 72-41-21-300-022 (REPAIR-022).
Visually examine the lining at AF.
SUBTASK 72-41-21-220-289 Examine the Lining
Figure: Repair Details and Dimensions - Assembly A and Assembly B
Repair Details and Dimensions - Assembly A and Assembly B

Figure: Repair Details and Dimensions - Assembly A, Assembly B and Assembly C
Repair Details and Dimensions - Assembly A, Assembly B and Assembly C

Figure: Repair Details and Dimensions - Assembly A and Assembly B
Repair Details and Dimensions - Assembly A and Assembly B

Figure: Repair Details and Dimensions - Assembly C
Repair Details and Dimensions - Assembly C

Figure: Repair Details and Dimensions - Assembly C
Repair Details and Dimensions - Assembly C

Figure: Repair Details and Dimensions - Assembly D
Repair Details and Dimensions - Assembly D

Figure: Repair Details and Dimensions - Assembly D
Repair Details and Dimensions - Assembly D

Figure: Repair Details and Dimensions - Assembly D
Repair Details and Dimensions - Assembly D

